XXX防汛施工方案.doc

上传人:d*** 文档编号:947480 上传时间:2024-05-13 格式:DOC 页数:14 大小:165.16KB
下载 相关 举报
XXX防汛施工方案.doc_第1页
第1页 / 共14页
XXX防汛施工方案.doc_第2页
第2页 / 共14页
XXX防汛施工方案.doc_第3页
第3页 / 共14页
XXX防汛施工方案.doc_第4页
第4页 / 共14页
XXX防汛施工方案.doc_第5页
第5页 / 共14页
XXX防汛施工方案.doc_第6页
第6页 / 共14页
XXX防汛施工方案.doc_第7页
第7页 / 共14页
XXX防汛施工方案.doc_第8页
第8页 / 共14页
XXX防汛施工方案.doc_第9页
第9页 / 共14页
XXX防汛施工方案.doc_第10页
第10页 / 共14页
亲,该文档总共14页,到这儿已超出免费预览范围,如果喜欢就下载吧!
资源描述

《XXX防汛施工方案.doc》由会员分享,可在线阅读,更多相关《XXX防汛施工方案.doc(14页珍藏版)》请在第壹文秘上搜索。

1、目 录1.编制依据12.雨施概况13.雨期施工的部署安排44.施工准备工作55. 雨施技术措施96.安全、消防、文明施工、环境保护措施107.雨期绿色施工138.施工现场排水布置图(后附)141.编制依据1.1怀柔区杨宋镇文化娱乐、商业金融及居住用地项目0024居住用地工程施工合同1.2怀柔区杨宋镇文化娱乐、商业金融及居住用地项目0024居住用地工程施工组织总设计1.3怀柔区杨宋镇文化娱乐、商业金融及居住用地项目0024居住用地工程施工图纸1.4北京住总第一开发建设有限公司2014年雨期施工技术要点1.5规范、规程类别规范、规程名称编号国家建筑装饰装修工程质量验收规范GB50210-2001建

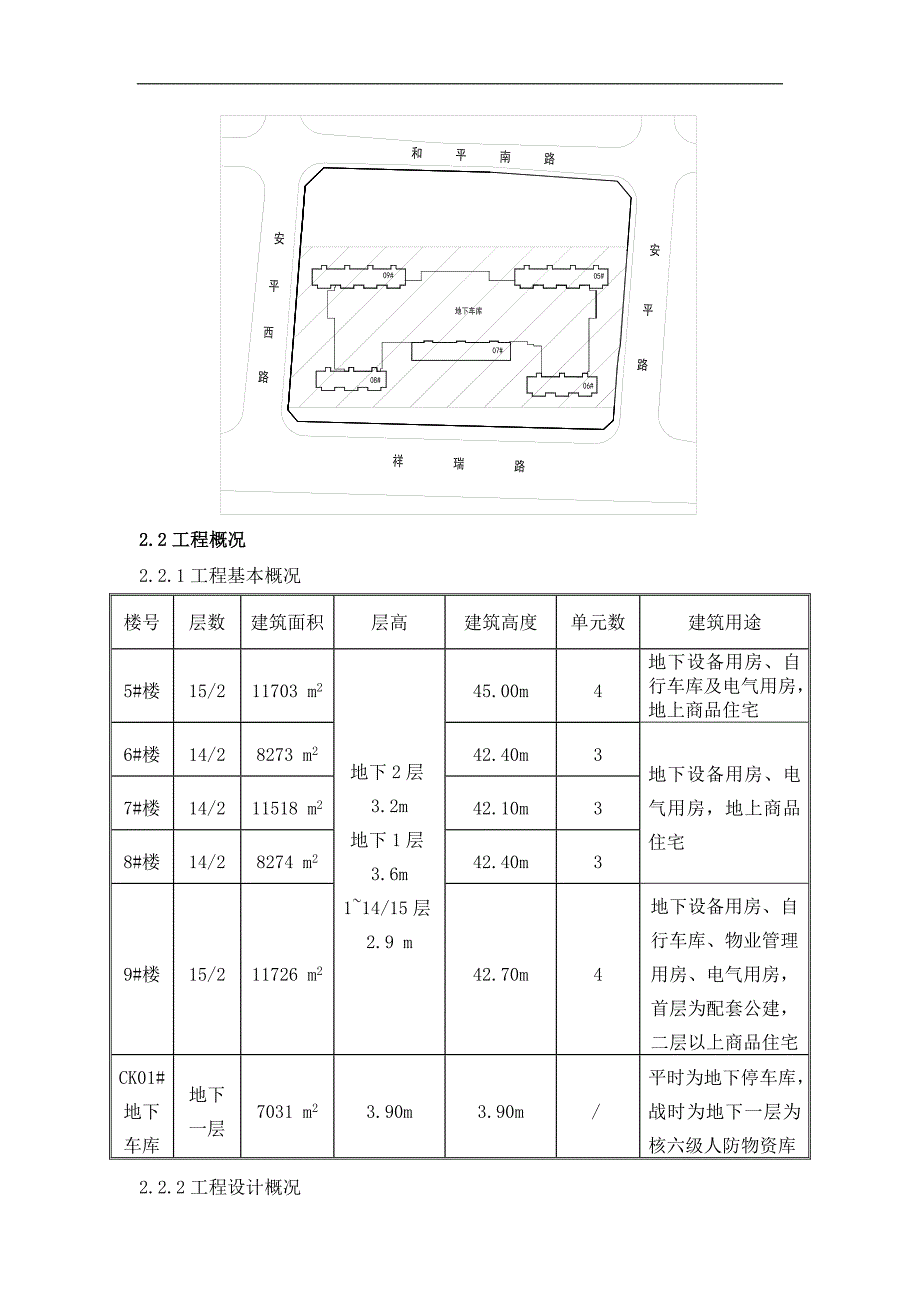
2、设工程施工现场供用电安全规范GB50194-93行业建筑机械使用安全技术规程JGJ33-2001施工现场临时用电安全技术规程JGJ46-2005地方北京市建筑工程施工安全操作规程DBJ01-62-2002绿色施工管理规程DB11/513-20082.雨施概况2.1 地理位置本工程名称为北京市怀柔区杨宋镇文化娱乐、商业金融及居住项目0024居住用地工程。本工程位于怀柔区杨宋镇,东至安平路、南至祥瑞路、西至安平西路、北至和平南路。建筑规模为58690。如下图:2.2工程概况2.2.1工程基本概况楼号层数建筑面积层高建筑高度单元数建筑用途5#楼15/211703 m2地下2层3.2m地下1层3.6m

3、114/15层2.9 m45.00m4地下设备用房、自行车库及电气用房,地上商品住宅6#楼14/28273 m242.40m3地下设备用房、电气用房,地上商品住宅7#楼14/211518 m2 42.10m38#楼14/28274 m242.40m39#楼15/211726 m242.70m4地下设备用房、自行车库、物业管理用房、电气用房,首层为配套公建,二层以上商品住宅CK01#地下车库地下一层7031 m23.90m3.90m/平时为地下停车库,战时为地下一层为核六级人防物资库2.2.2工程设计概况内容5#、6#、7#、8#、9#住宅楼CK01#车库结构形式剪力墙结构框架剪力墙结构混凝土强

4、度等级及抗渗等级地上结构楼层13层3层以上/剪力墙、柱、连梁C35C30/梁、板及楼梯C30C30/钢 筋类别HPB300钢筋6、8、106、8、10HRB400钢筋C 8、C 10、C 12、C 14、C 16、C 18、C 20、C 22、C 25C8、C 10、C 12、C 14、C 16、C 18、C 20、C 22、C 25、C 28、C 32钢筋接头形式搭接绑扎钢筋直径16mm直螺纹钢筋直径16mm防水要求地下室防水两道设防:混凝土自防水抗渗等级P6;3+4mmSBS改性沥青(聚酯胎型)卷材回填土要求肥槽回填土距结构墙800范围内采用2:8灰土,其余部位采用素土回填;要求压实系数0

5、.93,有机物含量不超过5%。3.雨期施工的部署安排3.1雨期确定:根据北京市地区历年来降雨量实测资料统计,建筑施工企业雨期施工限定为6月1日9月30日。3.2组织机构设置项目部成立以项目经理为组长的雨期施工领导小组,有问题立即向公司雨期施工领导小组报告,以便随时采取措施处理。承担施工任务的施工队组成雨期施工防汛分队,如果发生汛情,雨施领导小组成员立即组织防汛分队人员进行抢险。 3.2.1雨季施工领导小组组 长:冯佳城 李金树 王莉莉副组长:宛 阳 李金刚 齐宝廷 刘海泉 陈书云 组 员:王 岩 李金刚 姚德顺 乔朋威 李来明 鲁 阳 吴卫国高恒春 刘占永3.2.2防汛分工情况组务岗位职务姓

6、名具体工作分工内容备 注组长5标段项目经理冯佳城对5标段雨期施工全权负责7标段项目经理李金树对7标段雨期施工全权负责8标段项目经理王莉莉对8标段雨期施工全权负责副组长项目书记宛 阳雨期施工后勤工作执行领导生产经理李金刚雨期施工执行领导施工生产5标段技术负责人齐宝廷雨期施工技术质量安全措施指导工作7标段技术负责人刘海泉雨期施工技术质量安全措施指导工作8标段技术负责人陈书云雨期施工技术质量安全措施指导工作组员安全经理王 岩雨期施工安全措施指导及落实组员栋号长苗德江具体实施雨施方案中各种措施,收听天气预报,并作施工日志,有困难及时向有关领导反映。负责6#、7#、8#楼组员栋号长姚德顺具体实施雨施方案

7、中各种措施,收听天气预报,并作施工日志,有困难及时向有关领导反映。负责5#、9#楼及车库组员技术员乔朋威负责雨施方案编制,技术指导组员材料组长李来明负责雨期施工物资管理材料保障组员机械员鲁 阳负责雨期施工机械管理、保障组员电 工吴卫国负责雨期施工电器安全使用管理组员消防保卫高恒春负责雨期施工消防保卫交通安全组员安全员刘占永负责雨期施工安全防护检查指导组员安全员吴卫国负责雨期施工安全防护检查指导3.2.3防汛分队情况表队 名施工范围任务备 注安徽和县二建王春宝队5#、9#楼及车库装修工程施工负责抢险救灾工作,具体听从雨季施工领导小组安排。各配置十五名队员,由项目部安全员进行汛情抢险安全培训。如发

8、生汛情,雨施领导小组成员立即组织防汛分队人员进行抢险。安徽和县建总谷合兵队6#、7#、8#楼装修工程施工负责抢险救灾工作,具体听从雨季施工领导小组安排。4.施工准备工作4.1雨期施工管理措施 4.1.1雨期施工前项目部已经编制了防汛应急预案。雨季施工领导小组认真组织有关人员分析雨季施工进度计划,并在进入雨季前组织各部门进行全面检查,落实方案措施的实施,检查施工中存在的隐患。进入雨季每周四进行项目部联合检查;所需材料要在雨季施工前准备好保管好。4.1.2项目夜间安排专职值班人员,保证昼夜24小时有人值班并做好值班记录,同时要设置天气预报员,负责每天收听和发布天气情况并及时汇报。4.1.3做好施工

9、人员的雨季施工培训工作,组织相关人员进行一次全面检查,作好施工现场的准备工作,其中包括临时设施、临建、临电和机械设备的防雷、防雨、防潮,材料保管等项工作。工人宿舍、办公室、食堂、仓库防雨情况等应进行全面检查并记录,屋顶有渗漏的情况,及时修补,保证不渗、不漏。4.1.4检查施工现场及生产生活区的排水设施,疏通各种排水渠道,清理雨水排水口,保证雨天排水通畅。4.1.5资料准备1)收集当地气象资料,了解雨期天气状况。2)认真熟悉施工图纸,了解进入雨施的各单位工程设计状况及施工特点,提出针对性的雨期施工技术措施。对进入雨期施工但不适于雨施的项目及时与甲方及设计院联系,共同研究解决。3)收集同类工程雨施

10、施工经验,选择合理的针对性的雨季施工措施。4.1.6技术交底1)项目部将严格执行技术交底制度,将雨期各项技术要求从管理人员到分包及个人进行层层分级技术交底。2)项目部各现场管理人员将对其责任范围内具体负责的工程项目向具体分包负责人或班组长进行具体技术交底。交底内容主要为针对性的具体施工工艺、操作要点、质量要求等内容。3)项目部同时将严格监督检查班组对工人的现场及班前交底情况。4.2机具、材料准备计划为满足雨期施工的技术和生产要求,更好的完成施工任务,保证施工质量,我项目部准备如下物资:序号材料名称规格型号单位数量备注1雨衣、雨裤XL、XXL套50人员穿戴2雨鞋双503手电筒个204水泵H=25

11、米台15现场排水5泵管与水泵配套米300现场排水6编织袋个10007塑料布平方米3000物料覆盖8苫 布平方米3000物料覆盖9铁锨把6010镐把3011小推车0.1立方米辆30水平运输4.3施工准备4.3.1总体布置原则:施工现场整体排水采用明沟排水和自然排水相结合的方式。在地上部分通过场地找坡将雨水等汇集到排水沟或集水坑(集水坑兼做沉淀池用,尺寸为8008001500mm),最终通过沉淀池排入市政污水井。施工现场整体的排水方向是从北侧向南侧排放。4.3.1现场排水沟及集水坑设置:目前施工现场已形成硬化循环道路,北侧道路路北边设置排水沟,排水沟由西向东排水,并经沉淀池排入北侧污水井内。南侧道

12、路路北边局部设置集水坑,场地向集水坑找坡,雨水等向集水坑内汇集并排至道路南侧污水井内。东侧道路路西边和现场西侧局部设置集水坑,场地向集水坑找坡,雨水等向集水坑内汇集并排至污水井内。雨期施工期间指定专人负责维修路面,对路面损坏的部位要及时修复,各栋号派专人每周负责清理排水沟内淤泥,保证排水沟畅通,消除隐患。4.3.2施工现场1)本工程施工现场场地排水系统完整,场地已经硬化,对于未硬化且非材料堆放场地的空地,已进行绿化。2)施工现场北侧保证排水沟处地势最低,使雨水等向路北侧的排水沟排水,经排水沟排入沉淀池沉淀后,排向施工现场北侧的市政雨污水管线,现场排水沟沟底由西向东找坡,坡度不低于5 。3)施工

13、现场均保证集水坑处地势最低,使雨水等向中间的集水坑内汇集,再由集水坑排向市政雨污水管线,集水坑与市政污水井用污水管道连接,污水管道向污水井的坡度不低于5。6)施工现场的大型临时设施,如木工棚、电焊棚、料库等在雨期前要派专人负责整修加固完毕,在雨季来临前组织项目部人员进行检查,保证不漏、不塌、不倒、周围不积水。4.3.3办公区及生活区1)办公区及生活区设置在施工现场西侧0021地块内,办公区在南,生活区在北。 办公室、宿舍等均采用轻钢龙骨、彩钢夹芯板搭设。临时办公室及场地占地约3600,由两栋二层办公室,以及两栋一层的食堂、卫生间、会议室等配套组成。生活区占地约3700,包括4栋二层宿舍以及一栋

14、独立的食堂、浴室、卫生间等。2)办公区、生活区场地均已硬化或铺设地砖,生活区西侧及每栋宿舍中间设置了排水沟,雨水等经排水沟排入生活区西侧空地的污水坑内。办公区在局部设置了集水坑,通过暗埋污水管道排入生活区西侧空地的污水坑内。4.3.4材料管理1)施工现场北侧和西侧分别设置两间库房,采用轻钢龙骨、彩钢夹芯岩棉保温板搭设,库房设专人负责管理。2)现场材料要分类码放,存放场地要碾压坚实,四周做好排水沟。粉料应放入库房,临时露天存放时应搭设平台,平台距地不小于300mm,并用苫布覆盖好,防止受潮结块; 4)对防水涂料、溶剂、油漆、稀料、油料、化学品等有毒害物质的存储、保管工作,必须按有关规定执行,并设专人负责管理,严禁将剩余物随意丢弃,杜绝其因渗漏或雨水冲

展开阅读全文
相关资源
猜你喜欢
相关搜索

当前位置:首页 > 办公文档 > 解决方案

copyright@ 2008-2023 1wenmi网站版权所有

经营许可证编号:宁ICP备2022001189号-1

本站为文档C2C交易模式,即用户上传的文档直接被用户下载,本站只是中间服务平台,本站所有文档下载所得的收益归上传人(含作者)所有。第壹文秘仅提供信息存储空间,仅对用户上传内容的表现方式做保护处理,对上载内容本身不做任何修改或编辑。若文档所含内容侵犯了您的版权或隐私,请立即通知第壹文秘网,我们立即给予删除!