一期2#CFG桩基工程施工组织设计.doc

上传人:d*** 文档编号:947816 上传时间:2024-05-13 格式:DOC 页数:45 大小:220.77KB
下载 相关 举报
一期2#CFG桩基工程施工组织设计.doc_第1页
第1页 / 共45页
一期2#CFG桩基工程施工组织设计.doc_第2页
第2页 / 共45页
一期2#CFG桩基工程施工组织设计.doc_第3页
第3页 / 共45页
一期2#CFG桩基工程施工组织设计.doc_第4页
第4页 / 共45页
一期2#CFG桩基工程施工组织设计.doc_第5页
第5页 / 共45页
一期2#CFG桩基工程施工组织设计.doc_第6页
第6页 / 共45页
一期2#CFG桩基工程施工组织设计.doc_第7页
第7页 / 共45页
一期2#CFG桩基工程施工组织设计.doc_第8页
第8页 / 共45页
一期2#CFG桩基工程施工组织设计.doc_第9页
第9页 / 共45页
一期2#CFG桩基工程施工组织设计.doc_第10页
第10页 / 共45页
亲,该文档总共45页,到这儿已超出免费预览范围,如果喜欢就下载吧!
资源描述

《一期2#CFG桩基工程施工组织设计.doc》由会员分享,可在线阅读,更多相关《一期2#CFG桩基工程施工组织设计.doc(45页珍藏版)》请在第壹文秘上搜索。

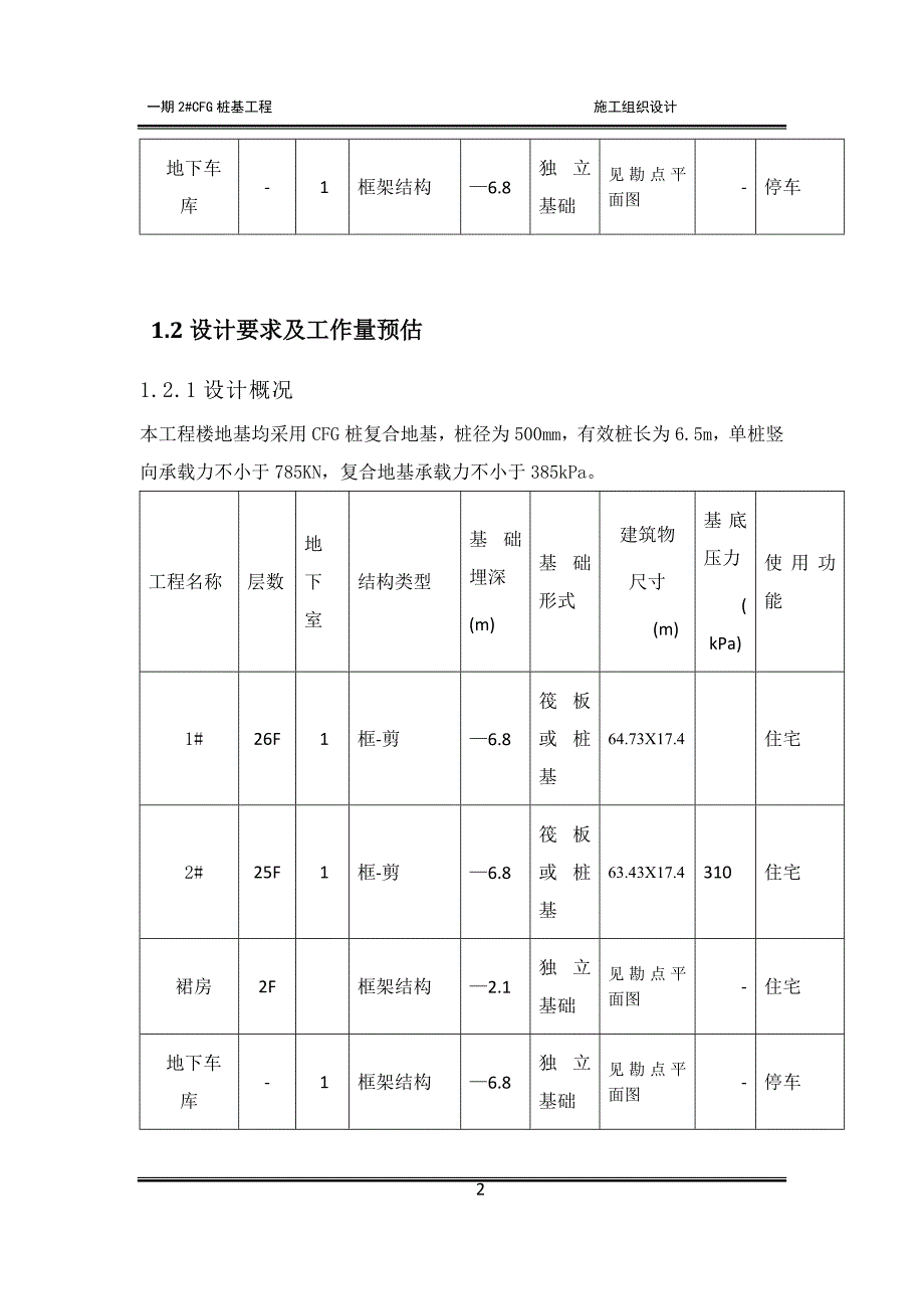
1、 一期2#CFG桩基工程 施工组织设计1. 主要工程概况1.1工程概况拟建场地位于#花园路与东后街交叉口,南邻花园路路,北邻南后街(具体位置见勘探点平面位置图)。根据甲方提供的平面图,建筑物主要特征见表1.2。 建筑物主要特征一览表 表1.2工程名称层数地下室结构类型基础埋深(m)基础形式建筑物尺寸(m)基底压力(kPa)使用功能1#26F1框-剪6.8筏板或桩基64.73X17.4385住宅2#25F1框-剪6.8筏板或桩基63.43X17.4385住宅裙房2F框架结构2.1独立基础见勘点平面图-住宅地下车库-1框架结构6.8独立基础见勘点平面图-停车 1.2设计要求及工作量预估 1.2.1

2、设计概况本工程楼地基均采用CFG桩复合地基,桩径为500mm,有效桩长为6.5m,单桩竖向承载力不小于785KN,复合地基承载力不小于385kPa。工程名称层数地下室结构类型基础埋深(m)基础形式建筑物尺寸(m)基底压力(kPa)使用功能1#26F1框-剪6.8筏板或桩基64.73X17.4住宅2#25F1框-剪6.8筏板或桩基63.43X17.4310住宅裙房2F框架结构2.1独立基础见勘点平面图-住宅地下车库-1框架结构6.8独立基础见勘点平面图-停车 1.2.2工作量预估根据图纸设计要求总桩数428,预计2#楼总工程量2782米。2. 编制依据2.1勘察资料依据#地质工程有限公司对本工程

3、场地进行勘探,并由建设单位提供#御景(一期)地质钻孔勘察报告综合考虑现场地质情况。2.2相关规范手册1) 建筑地基基础设计规范(GB50007-2002)2) 建筑地基处理技术规范(JGJ79-2002)3) 建筑地基基础工程施工质量验收规范(GB50202-2002)4) 建筑桩基技术规范(JGJ94-2008)5) 岩土工程治理手册(林宗元主编)6) 水泥粉煤灰碎石桩复合地基(阎明礼主编)3. 场地岩土工程地质条件3.1场地的地形、地貌拟建场地地形为东高西低,相对高差最大1.88m,地貌单元属于河流冲积平原3.2地层及岩性特征根据地勘报告得知,场地内分布地层上部由杂填土、冲击成因的沙、粘土

4、及卵石组成;下部由寒武纪的泥岩组成;据其成因及力学性质差异自上而下分为七个工程地质单元,简述如下:第层层杂填土(Q4ml):杂色,松散。层厚3.10-4.80m,平均3.73m。第层粉质粘土(Q4al):褐黄-褐灰色,可塑,干强度及韧性均为中等,中压缩性。该层分布普遍,层位稳定,层厚0.70-2.70m,平均厚度1.41m,层底埋深3.9m-6.6m。第层粉质粘土(Q4al):褐黄-褐灰色,可塑,该层分布普遍,层位稳定,层厚0.8m-3.70m,平均1.72m,层底埋深5.5-8.9m。第层粉质粘土(Q4al):褐黄-褐灰色,可塑,该层分布普遍,层位稳定,层厚1.40-4.40m,平均2.51

5、m,层底埋深8.20-11.30m。第层卵石(Q2al+pl):浅黄色,饱水,中密。骨架颗粒质量占全层总质量的50%-60%,卵石粒径一般3-7 cm,大者10cm,该层分布普遍,层位稳定,层厚7.10-9.80m,平均8.3m,层底埋深16.20-18.90m。第层粘土(Q2l):褐黄色,坚硬,该层分布普遍,层位稳定,层厚8.5-10.6m,平均9.41m,层底埋深25.40-28.60m。第层中风化泥岩(Q2al+pl):砖红-青灰色,泥质结构,厚层状构造,节理较发育。该层分布普遍,层位稳定,钻孔揭露深度内未揭穿,揭露最大厚度14.10m。 4 主要施工方案 4.1现场准备工作4.1.1作

6、好调查工作为了顺利组织施工,结合地质钻孔勘察报告针对以下内容作出调查:(1) 水文地质情况的调查:详细掌握地质、地形情况,如地质条件等,以便于采取有效的施工措施。(2) 地上、地下情况的调查:为了确保本工程施工的顺利进行,应对施工现场及其周围的地上建筑物的位置、地下构筑物、高压输变电线路和各种地下管线的位置和走向等情况进行调查,以便在施工前采取有效保护和避让措施。4.1.2 技术力量保障工程施工前,按施工布署中的组织机构及岗位设置,在我公司主管领导的主持下,尽快落实人员上岗。在准备工作期间,对上岗人员进行岗位培训,熟悉有关图纸规范,优化施工组织设计,施工前做好设计图纸、施工组织设计、施工安全生

7、产等有关规范的技术和安全交底工作。4.1.3 物资条件准备4.1.3.1 材料准备施工材料对工程的施工质量、施工进度影响较大,材料申请计划及时拟出,并报材料供应部门及时备料。材料备料遵循“有计划、保质量、按进度”的原则,材料选择时遵循“多联系、比质量、择优质”的原则。做好后勤保障工作,为工程的顺利进行创造必要的条件。组织材料按计划进场,并做好保管工作。主要材料用量表序号材 料 名 称单位数 量(暂估)1商品混凝土M312004.1.3.2 施工机具准备(1) 根据施工方案中确定的施工方法,对施工机具配备的要求、数量以及施工进度安排,编制施工机具需用量计划。(2) 由本公司内部负责解决的施工机具

8、,根据需用量计划组织落实,确保按期供应。(3) 机械和工具准备:根据施工现场的资源需求量计划,本工程的大型机械主要为长螺旋钻机、混凝土输送泵、轮式装载机等机械设备,施工前认真做好进场机械设备的检查、维修和必要的保养工作。4.1.3.3 运输准备(1) 施工前,应安排施工顺序计划,综合考虑施工运输机械进场安排。(2) 根据上述需用量计划,编制运输需用量计划,并组织落实运输。(3) 按照上述需用量计划明确的进场日期,联系和调配所需运输工具,确保材料、构配件和机具设备按期进场。4.2重要工序施工方案及主要技术措施4.2.1 施工准备4.2.1.1 施工资料准备 (1) 工程地质勘察报告(建设单位提供

9、)(2) 建筑场地临近的高压电缆、地下管线、地下障碍物及构筑物等调查资料。(建设单位提供)(3) 经审查通过的复合地基设计施工图(建设单位提供)(4) 经批准的施工组织设计方案(5) 施工中各种记录、报审、报验表格4.2.1.2 材料水泥粉煤灰碎石桩(CFG桩)原材料包括水泥、砂、石、粉煤灰和外加剂,在进场前根据原材料的品质、种类将其送至试验室进行化验和作混合料配合比试验(本工程采用商品混凝土,试验由商品混凝土供应商负责实施)。4.2.1.3 施工现场准备1. 施工前场地的降水、开挖、水、电等需满足桩机施工要求。2. 根据劳动力组织计划,搭建临时生产、生活设施,结构坚固,美观耐用,生产区和生活

10、区要分开。3. 结合桩机便于桩位施工,场地平整时应按建筑物的边桩中心至少外扩1.5m进行平整,平整后的施工场地标高应高出有效桩顶500mm. 4.2.1.4 场地“三通一平”本工程施工所需设备属超高、大型设备,对施工场地有较高的要求,设备进场前要求作到如下几项:(1) 施工场地内通水通电通路,以便我方设备进场安装调试。(2) 保证基坑边坡稳定,并做好雨水回灌防护。(3) 施工场地地表要求平坦,平整度5cm。(4) 场地地表地耐力要求不小于100kN/m2。(5) 桩机爬坡度不得超过10。(6) 场地内不得有泥水存积,雨天设明渠和积水坑,水泵排水。(7) 协调好周边群众关系,缩短施工作业周期。

11、4.3.2 施工工艺流程 1. 施放桩位依据场区建设单位提供的水准点或建筑红线控制点及场地标高,建设单位现场负责人、监理方总监代表、施工方技术负责人三方共同参与按照桩位布置图给出基(轴)线及基准桩位完成桩位的放样并形成书面文件由三方签字盖章,定测方法使用轴线交汇,放线误差控制在40mm以内。每根桩位用钢钎打眼并灌入白灰再钉上标志,这样既明显、易找又不易被破坏,桩顶标高或桩长参数不同的桩位采用不同的记号标示。2. 设备运输与安装调试(1) 长螺旋钻孔机属于超高、大型设备, 设备进场后,工长在现场负责指挥进行组装、调试,同时机手按工长提示在监理方总监代表旁站检查下检查各运转桩机各部位,试启动动力头

12、,运转正常后,正常后经监理方确认验收方可进行工程桩施工。(2) 泵机调试与桩机调试程序要求一致。(3) 铺设管道时做到钢管不悬空,卡箍与垫圈不可缺少。钢管连接尽量不出现坡度,软管与钢管连接时卡箍必须拧紧。软管使用前必须予以检查,两端出现胶皮脱落破损等不得使用,软管不允许出现锐角转弯与扭曲,管道使用前必须进行打水试验,灌注混凝土之前,必须用水湿润并用砂浆护壁以免堵管。4 钻机就位(1) 桩机移动时严格遵守安全操作规范,桩机钻尖对准桩位点,其误差不超过2公分。(2) 按设计要求结合地勘报告控制成孔深度,通过螺旋钻杆入土深度确认孔深,根据本工程设计要求,采用桩长和进入持力层深度双项控制桩孔,当该两项

13、均满足设计要求后,方可终止成孔。5钻进成孔钻孔开始时,关闭钻头阀门,向下移动钻杆至钻头触及地面时,保证对准误差小于两公分,启动电动机钻进,应先慢后快,这样既能减少钻杆摇晃,又容易检查钻孔的偏差,以便及时纠正。钻进的深度根据设计桩长,当钻头到达设计桩长预定标高时,同时根据钻进速度检查是否达到持力层,若未达到持力层则上报甲方并继续钻进请甲方确认实际工程量,于动力头地面停留位置的钻机塔身处作醒目标记,作为施工时控制桩长的依据。施工时还需考虑施工工作面的标高差异,作相应增减。6.终孔验收钻孔结束后做好施工记录并由旁站监理确认验收。7.压灌混凝土钻达设计要求后向上提50cm以便钻头放料门顺利打开,同时一

14、切就绪的混凝土泵向钻杆内压混凝土,孔内虚土则随着钻杆向外排出,注意桩机的提钻速度与泵的输料速度是否协调,若泵输料速度过快,则需适当停止放料,当混凝土面达到桩顶设计标高并留500的保护桩头。设专人指挥协调钻机操作手和地泵操作手。及时做好施工日记、施工记录,详细记录施工日期、成桩时间、钻孔与灌注参数。4.3.3 成桩工艺设计单位确认桩长及桩端持力层深度泵送水泥粉煤灰碎石桩混合料(C25商砼) 施工工艺流程图4.3.4 混合料配制工艺(1) 混合料技术要求 混合料设计强度:C25 坍落度:180-220mm 粗骨料粒径:不大于12mm 混合料(商品砼)试块每工作台班制作一组,按规范要求养护。4.3.5 封护桩顶提钻泵压混合料成桩完成后,确定混凝土灌注面高出有效桩顶高程、钻杆内混合料落净后,方可将钻杆提离孔口。4.3.6桩位施工顺序根据建设单位要求结合现场实际,逐栋施工,单栋建筑采用倒退法施工,从离混凝土泵远端开始,依次施工,如遇相邻桩孔窜灰,采用隔桩跳打法。结合本工程的实际情况,直接依次施工。

展开阅读全文
相关资源
猜你喜欢
相关搜索

当前位置:首页 > 建筑/环境 > 施工组织

copyright@ 2008-2023 1wenmi网站版权所有

经营许可证编号:宁ICP备2022001189号-1

本站为文档C2C交易模式,即用户上传的文档直接被用户下载,本站只是中间服务平台,本站所有文档下载所得的收益归上传人(含作者)所有。第壹文秘仅提供信息存储空间,仅对用户上传内容的表现方式做保护处理,对上载内容本身不做任何修改或编辑。若文档所含内容侵犯了您的版权或隐私,请立即通知第壹文秘网,我们立即给予删除!