一级接点低压施工用电方案.doc

上传人:d*** 文档编号:947833 上传时间:2024-05-13 格式:DOC 页数:11 大小:560.42KB
下载 相关 举报
一级接点低压施工用电方案.doc_第1页
第1页 / 共11页
一级接点低压施工用电方案.doc_第2页
第2页 / 共11页
一级接点低压施工用电方案.doc_第3页
第3页 / 共11页
一级接点低压施工用电方案.doc_第4页
第4页 / 共11页
一级接点低压施工用电方案.doc_第5页
第5页 / 共11页
一级接点低压施工用电方案.doc_第6页
第6页 / 共11页
一级接点低压施工用电方案.doc_第7页
第7页 / 共11页
一级接点低压施工用电方案.doc_第8页
第8页 / 共11页
一级接点低压施工用电方案.doc_第9页
第9页 / 共11页
一级接点低压施工用电方案.doc_第10页
第10页 / 共11页
亲,该文档总共11页,到这儿已超出免费预览范围,如果喜欢就下载吧!
资源描述

《一级接点低压施工用电方案.doc》由会员分享,可在线阅读,更多相关《一级接点低压施工用电方案.doc(11页珍藏版)》请在第壹文秘上搜索。

1、目 录 一、编制依据.2 二、工程概括.2三、临时用电设施及设计.2四、劳动力准备.9 五、机具准备.9 六、安全管理规定.10 一、编制依据根据业主委托三通一平、施工现场临时用电技术规范(JGJ46-2005)、用电安全导则(GBT13869-2008)、建筑电气监理手册及安全用电的各法律法规规定,结合场地机械、设备及照明用电的需要,各区域设备安装位置,进行编制。二、工程概况本项目从变压器到现场接入点,满足码头工程用电需求,确保围堰防渗墙三轴搅拌桩机械施工用电和主体施工、深基坑降水排水用电等。三、临时用电设施及设计依据施工现场临时用电安全技术规范,设计并组织施工,本工程用电设计为业主提供一级

2、接入点施工用电方案。供配电采用TN-S接零保护系统, PE线与N线严格分开使用。接地电阻不大于4,接地极用50505mm角铁,长2000mm。3.1编制目的防渗墙三轴水泥搅拌桩尽快投入施工,为保证现场施工用电特编制本方案。此用电方案对施工现场临时用电进行整体规划,充分考虑了各用电设备的用电量和实际使用情况,方案能够满足本工程用电要求,对本工程的临时用电施工设备具有指导作用。3.2现场供电容量根据施工现场及临建场地的位置,主变器1600KVA变压器1台,可分配1200KWA供本工程临时用电。考虑成本投入结合现场工期及用电需求,提供用电功率810KW就能满足施工需求。 3.3主要用电机具负荷 主要

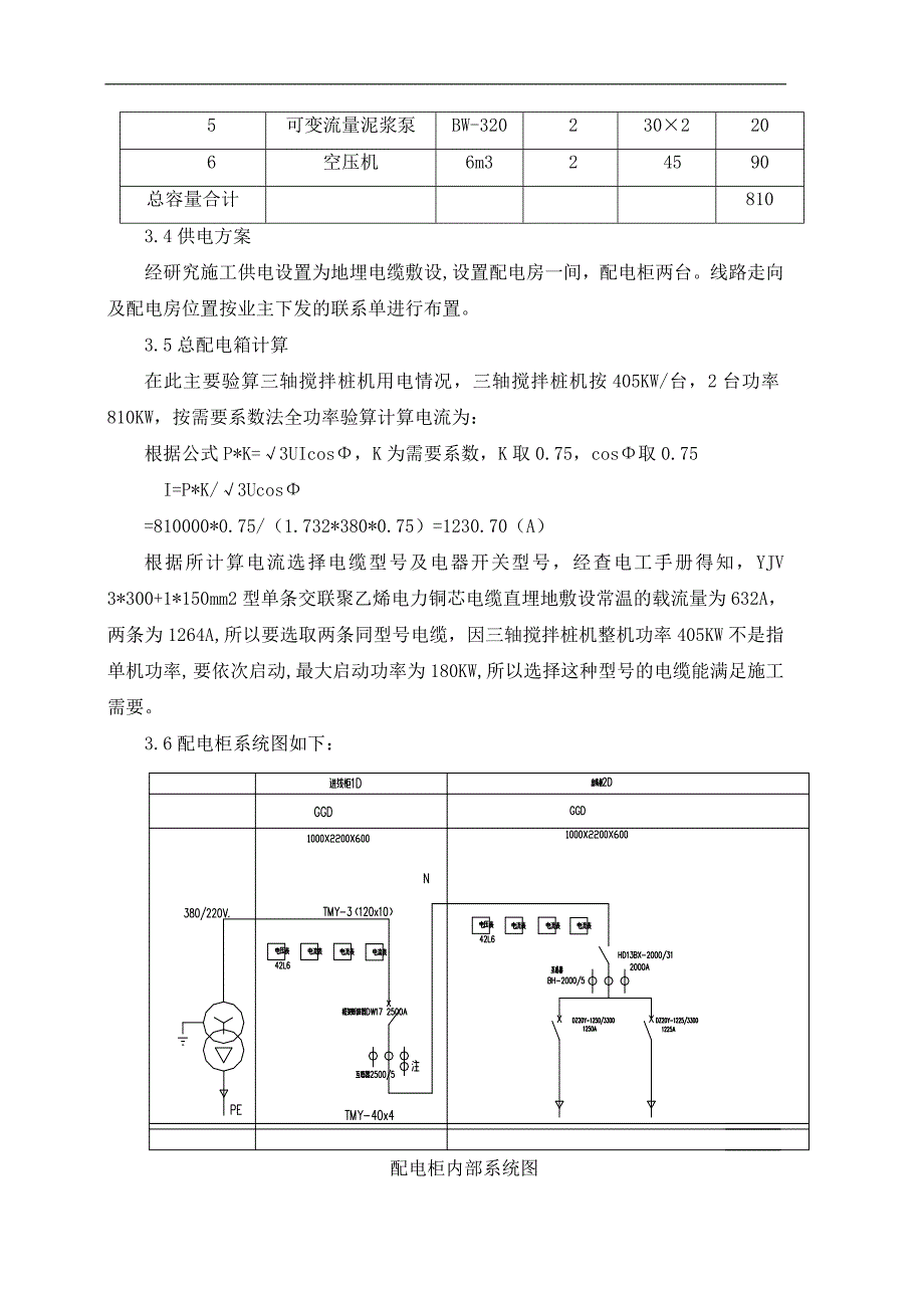
3、用电机具负荷表机具名称规格型号数量(台)单机(KW)总容量(KW)电动机类负荷8101三轴搅拌桩机29023602桩机JB160245903电脑自动拌浆系统245904水泥罐100T 2 30605可变流量泥浆泵BW-3202302206空压机6m324590总容量合计8103.4供电方案经研究施工供电设置为地埋电缆敷设,设置配电房一间,配电柜两台。线路走向及配电房位置按业主下发的联系单进行布置。3.5总配电箱计算在此主要验算三轴搅拌桩机用电情况,三轴搅拌桩机按405KW/台,2台功率810KW,按需要系数法全功率验算计算电流为:根据公式P*K=3UIcos,K为需要系数,K取0.75,cos

4、取0.75 I=P*K/3Ucos=810000*0.75/(1.732*380*0.75)=1230.70(A)根据所计算电流选择电缆型号及电器开关型号,经查电工手册得知,YJV 3*300+1*150mm2型单条交联聚乙烯电力铜芯电缆直埋地敷设常温的载流量为632A,两条为1264A,所以要选取两条同型号电缆,因三轴搅拌桩机整机功率405KW不是指单机功率, 要依次启动,最大启动功率为180KW,所以选择这种型号的电缆能满足施工需要。3.6配电柜系统图如下: 配电柜内部系统图3.7配电柜接地与接零L1L2L3NPE211 工作接地; 2 重复接地; 3 电气设备外露导电部分L1、L2、L3

5、 相线; N 工作零线; PE 保护零线3.8配电柜内部明细表 序号设备类型设备编号备注1户内GGD进线柜1D1000*2200*600mm德力西编号产品名称型号规格单位数量1外壳1000*2200*600台1德力西2断路器DW17-2500A热式台1德力西3电流表42L6-2500/5A个3德力西4电压表42L6-450V个1德力西5电压转换开关LW5-YH3/3个1德力西6互感器2500/5A个3德力西7指示灯个3德力西8铜排KG90德力西9其他一次原件及辅料套1德力西序号设备类型设备编号备注2户内GGD出线柜2D1000*2200*600mm德力西编号产品名称型号规格单位数量1外壳100

6、0*2200*600台1德力西2刀开关HD13BX-2000A/31台1德力西3空气开关CDM1-1250A/3300台2德力西4互感器2000/5A个3德力西5电流表42L6-2000/5A个3德力西6电压表42L6-450V个1德力西7电度表DT862-1.5(6)A个1德力西8电压转换开关LW5-YH3/3个1德力西9铜排KG126德力西10其他一次原件及辅料套1德力西3.9配电房施工首先由工程人员放线,配电房基础用挖掘机加高整平,保障周围流水通畅,提前预埋接地装置,接地线为50505mm镀锌角钢,长度2000mm,用50505mm镀锌扁钢与角钢焊接后接至配电柜PE端.内部预留电缆沟槽及

7、配电箱基座,电缆沟尺寸为1800*400*400mm ,1500*400*400mm两条,用砂浆及砖块堆砌,地面基础用C20混凝土硬化,厚度为200mm。上面设置坐北朝南配电房一间,长4000mm、宽3000mm、高3000mm的活动板房,房顶用上面由两根直径48.3mm长4000mm钢管用细钢丝绳与预埋件拉紧防风,通风装置设置为百叶窗,设门与窗口各一个,室内设照明灯具开关与插座一套,配电箱底座用膨胀螺栓固定,室内配备灭火器与黄砂等设施,配电箱门上设置安全用电警示标志。注:1室内地面硬化,配电柜基座用砖砌筑;2、房屋采用彩钢瓦;3、配电室采用活动板房,门窗朝南。3.10电缆施工3.10.1施工

8、流程测量放线挖掘机开挖铺设下层砂子(厚度300mm)挖掘机与人工配合放设电缆电缆线截取电缆线入沟敷设摆放电缆线两端从电缆沟进入配电房电缆头压接电缆线与配电柜绝缘电阻及接地电阻检测(合格后)两端接入电源总开关(先接下端口后接变压器房端口)铺设上层砂子(厚度400mm)原土回填整平埋设电缆桩 3.10.2自控程序与控制措施首先由供应商提供相应的营业执照、施工资质、人员证件等材料,进行审核、比价、选择、采购、安装、自检、报检。根据施工流程制定相应的安全措施与应急预案,项目部将对施工过程全程监管,设置管理人员对现场工作统一安排统一指挥,确保施工人员安全。 3.10.3自检与报检程序电缆线与配电柜安装完

9、毕后,首先由项目部用电管理人员用绝缘电阻表对电缆线与配电柜的各相绝缘电阻和接地电阻进行自检,记录好各相序之间的电阻值,自检合格后,上报至监理与业主处进行报检 ,由监理与业主来现场进行检测验收,验收合格后方可进行接线安装送电。3.10.4施工方法电缆线长度的计算,根据业主提供的施工图纸坐标起始点为:X491925.626、Y638739.623,终点为:X491765.563、Y638817.590合计总长为253.13米,因电缆线要进入变压器房需要绕行至右侧电缆沟进入接配电柜需要27米及另端配电室配电柜15米,又由于电缆较粗转弯处弧度大所以要在在原来长度上加长,实际长度选择为290米。电缆线采

10、用地埋敷设方式,首先由测量人员放线,挖掘机挖沟整平,电缆沟宽度为1000mm,深度为1000mm,底部铺设厚度为300mm砂子,因电缆线较重需要挖掘机与吊车配合施工, 挖掘机与人工配合放设电缆,要注意电缆线支架稳定性,力度与速度要配合好,放设电缆时要注意电缆外皮不要被硬物刮伤。当第一条电缆长度到300米后截取,然后再放设第二条电缆,两条电缆在沟内分开放置留有一定的间距,有利于电缆线散热,顶部覆盖400mm砂子,后由原土回填整平,上面埋设警示电缆桩。电缆线从电缆沟进入配电房,电缆线两头剥皮嵌入同型号铜线耳,用电动液压工具进行压接,压接很重要因线径较粗压接工程中细致,避免因导线加接不紧导致电缆发热

11、产生短路现象。后穿入绝缘套管用喷灯加热锁紧,下端接至总配电箱电源开关,上端联系施工单位电气工程师由其指定相应的开关柜,断电后接至电源总开关。 一、电缆的搬运及支架架设: a、电缆短距离搬运,一般采用滚动电缆轴的方法。滚动时应按电缆轴上箭头指示方向滚动。如无箭头时,可按电缆缠绕方向滚动,切不可反缠绕方向滚运,以免电缆松驰。 b、电缆支架的架设地点应选好,以敷设方便为准,一般应在电缆起止点附近为宜。架设时,应注意电缆轴的转动方向,电缆引出端应在电缆轴的上方如下图:二、直埋电缆敷设:清除沟内杂物,铺完底沙或细土。电缆敷设可用人力拉引或机械牵引。采用机械牵引可用电动绞磨或托撬(旱船法)。电缆敷设时,应

12、注意电缆弯曲半径应符合规范要求。电缆在沟内敷设应有适量的蛇型弯,电缆的两端、中间接头、电缆井内、过管处、垂直位差处均应留有适当的余度。机械牵引(托撬)示意图人力牵引示意图 电缆埋设示意图四、劳动力准备因电缆自重较重,敷设时又不能用机械设备生拉硬拽,所以敷设电缆时需要大量的人员,人员考虑为20人,保证敷设电缆时人员满足施工要求。序号人员数量(人)备注1管理人员1项目部2安全员1项目部3队长1施工队4电工1施工队5切割工1施工队6工人15施工队合计20 五、机具、材料准备 根据确定的施工方案及施工进度计划,确定施工机具需用品。组织施工机具设备的落实,保证按期进场。主要施工机具设备的配备详见下表。序号机具单位数量备注1挖掘机台12卷扬机台13装载机台1416T吊车台15电缆放线

展开阅读全文
相关资源
猜你喜欢
相关搜索

当前位置:首页 > 通信/电子 > 电子电气自动化

copyright@ 2008-2023 1wenmi网站版权所有

经营许可证编号:宁ICP备2022001189号-1

本站为文档C2C交易模式,即用户上传的文档直接被用户下载,本站只是中间服务平台,本站所有文档下载所得的收益归上传人(含作者)所有。第壹文秘仅提供信息存储空间,仅对用户上传内容的表现方式做保护处理,对上载内容本身不做任何修改或编辑。若文档所含内容侵犯了您的版权或隐私,请立即通知第壹文秘网,我们立即给予删除!