某加固工程外墙落地式脚手架施工方案.doc

上传人:p** 文档编号:948432 上传时间:2024-05-15 格式:DOC 页数:20 大小:3.19MB
下载 相关 举报
某加固工程外墙落地式脚手架施工方案.doc_第1页
第1页 / 共20页
某加固工程外墙落地式脚手架施工方案.doc_第2页
第2页 / 共20页
某加固工程外墙落地式脚手架施工方案.doc_第3页
第3页 / 共20页
某加固工程外墙落地式脚手架施工方案.doc_第4页
第4页 / 共20页
某加固工程外墙落地式脚手架施工方案.doc_第5页
第5页 / 共20页
某加固工程外墙落地式脚手架施工方案.doc_第6页
第6页 / 共20页
某加固工程外墙落地式脚手架施工方案.doc_第7页
第7页 / 共20页
某加固工程外墙落地式脚手架施工方案.doc_第8页
第8页 / 共20页
某加固工程外墙落地式脚手架施工方案.doc_第9页
第9页 / 共20页
某加固工程外墙落地式脚手架施工方案.doc_第10页
第10页 / 共20页
亲,该文档总共20页,到这儿已超出免费预览范围,如果喜欢就下载吧!
资源描述

《某加固工程外墙落地式脚手架施工方案.doc》由会员分享,可在线阅读,更多相关《某加固工程外墙落地式脚手架施工方案.doc(20页珍藏版)》请在第壹文秘上搜索。

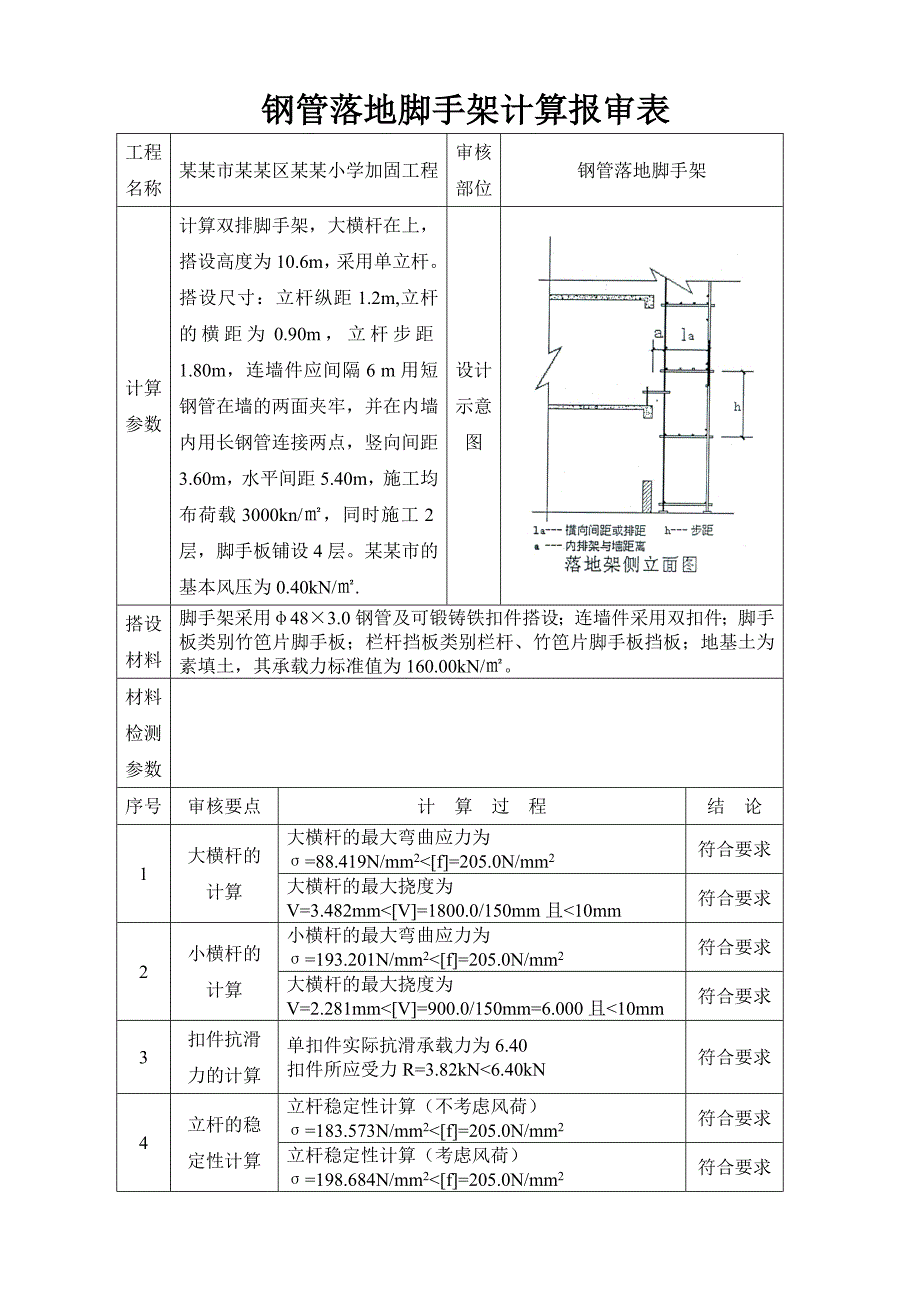
1、某某市某某区某某小学加固工程外墙落地脚手架施工方案编制人:审核人:审批人:某某某某建筑工程配套有限公司钢管落地脚手架计算报审表工程名称某某市某某区某某小学加固工程审核部位钢管落地脚手架计算参数计算双排脚手架,大横杆在上,搭设高度为10.6m,采用单立杆。搭设尺寸:立杆纵距1.2m,立杆的横距为0.90m,立杆步距1.80m,连墙件应间隔6 m用短钢管在墙的两面夹牢,并在内墙内用长钢管连接两点,竖向间距3.60m,水平间距5.40m,施工均布荷载3000kn/,同时施工2层,脚手板铺设4层。某某市的基本风压为0.40kN/.设计示意图搭设材料脚手架采用483.0钢管及可锻铸铁扣件搭设;连墙件采用

2、双扣件;脚手板类别竹笆片脚手板;栏杆挡板类别栏杆、竹笆片脚手板挡板;地基土为素填土,其承载力标准值为160.00kN/。材料检测参数序号审核要点计 算 过 程结 论1大横杆的计算大横杆的最大弯曲应力为=88.419N/mm2f=205.0N/mm2符合要求大横杆的最大挠度为V=3.482mmV=1800.0/150mm且10mm符合要求2小横杆的计算小横杆的最大弯曲应力为=193.201N/mm2f=205.0N/mm2符合要求大横杆的最大挠度为V=2.281mmV=900.0/150mm=6.000且10mm符合要求3扣件抗滑力的计算单扣件实际抗滑承载力为6.40扣件所应受力R=3.82kN

3、6.40kN符合要求4立杆的稳定性计算立杆稳定性计算(不考虑风荷)=183.573N/mm2f=205.0N/mm2符合要求立杆稳定性计算(考虑风荷)=198.684N/mm2f=205.0N/mm2符合要求5连墙件的稳定性计算连墙件的设计N1=9.915kN/Nf=83.965kN符合要求双扣件实际抗滑承载力为12.80kN扣件所受应力N1=9.915kN12.800kN符合要求6立杆的地基承载力计算地基承载力fg=160.000Kpa脚手架立杆对地基的压力P=54.449fg=160.000Kpa符合要求结论符合要求审核人总监理工程师编制人审核时间注:此表数据来源于计算书,详细计算过程请查

4、阅计算书。落地式脚手架搭设施工方案一、编制说明1、编制范围:本方案按照JGJ130-2001和JGJ59-99脚手架检查表编制。某某市某某区某某小学加固工程;层次:四层;层高:3.5米;总高度约15.5米。结合本工程的特点,按规范选用脚手架尺寸,立杆纵向间距为1.8m,横向间距为0.9m,步距为1.8m,横向水平杆距外墙皮为200-300mm,立杆采用对接,剪刀撑搭接长度不应小于1m,不少于3个旋转扣件固定,其它的按安全技术交底操作。2、编制依据:(1) 本工程有关的建筑设计图纸的全部内容;(2) 国家江苏省和某某市现行的有关验收规范,行业标准。JGJ130-2001建筑施工扣件钢管脚手架安全

5、技术规范JGJ5-1999建筑施工安全检查标准DB32/303-1999江苏省建筑安装工程施工技术操作规范脚手架工程GJP建筑结构荷载规范GBJ17钢结构设计规范GBJ18冷弯薄壁型钢结构技术规范3、编制原则:坚持公司的质量方针:高技术管理、高质量奉献、创精品工程、交满意答卷。坚持以今天的质量就是明天的市场为准则,合理安排施工进度,精心施工,确保安全及质量。二、工程概况某某市某某区某某小学加固工程,位于某某路59号。建设单位:某某区教育局;施工单位:江苏建华建设有限公司。本工程脚手架搭设步距为1.8m,立杆横距为0.9m,立杆纵向间距为1.8m,建筑施工外脚手架在使用中,必须严格控制施工荷载,

6、即结构承重用外脚手架,使用时荷载不得超过2446N/(270kg/)。装修用外脚手架使用荷载不得超过1960N/(200kg/)。架子上的荷载分布必须均匀,不能集中,以防失稳。对钢管扣件式脚手架的搭设方法要求:1、直角扣件(十字扣),用于两根呈垂直交叉钢管的连接。2、旋转扣件(回转扣),用于两根呈任意角度交叉钢管的连接。3、对接扣件(间扣、一字扣),用于两根钢管对接连接。三、搭设材料1、搭设脚手架全部采用48mm,壁厚3.0mm厚的钢管,其质量符合现行国家标准规定(壁厚不得低于3.00mm)。2、钢管表面平直光滑,无裂缝、结疤、分层、错位、硬弯、毛刺、压痕和深的划痕。3、钢管上严禁打孔。4、扣

7、件材质必须符合钢管脚手架扣件(GB15831)规定。5、旧扣件使用前,先进行质量检查,有裂缝、变形的严禁使用,出现滑丝的螺栓进行更换处理。6、脚手板用毛竹竹笆片,无发霉、腐蚀。四、落地满搭扣件式钢管脚手架搭设要求落地满搭扣件式钢管脚手架按照脚手架安全技术规范,搭设技术要求如下:1、施工顺序基础准备安放垫板竖立杆并同时安装扫地杆搭设纵向横向水平杆设置抛掌设置剪刀撑,斜杆和连墙杆铺脚手板平杆挡脚杆和栏杆。根据本项目的情况因墙体底部有局部地方要开挖,脚手架内侧开挖处要增加剪力撑,以防脚手架下沉。2、一般规定用扣件式钢管搭设的脚手架,它要承受施工过程中的各种垂直和水平荷载,因此,脚手架必须有足够的承载

8、力,刚度和稳定性,在施工过程中,在各种荷载的作用下部发生失稳倒塌或扭曲现象,以确保安全施工。(1)在大横杆与立杆的交点处,必须设置小横杆,并与大横杆卡牢,整个架子应设置必要的支撑与连墙点,连墙点要按6m间距计算,以保证脚手架成为一个稳固的结构。(2)外脚手架的搭设,一般应沿建筑物的周围连续封闭,如果因条件限制不能封闭时,应设置必要的横向支撑,端部加强设置连墙点。(3)脚手架搭设应满足工人操作,材料堆放实用要求,并要保证搭设升高,周转脚手板的和操作安全方便。(4)落地满搭扣件式钢管脚手架搭设的质量允许偏差,立杆垂直度允许偏差h/300,搭设中立杆垂直度允许偏差50mm,步距允许偏差为20mm,立

9、杆横距允许偏差为20mm,立杆纵距允许偏差为50mm纵向水平杆高度杆两端允许偏差为20mm,同跨同一横截面内的高差为10mm,连墙点的数量,位置要正确,连接牢固,无松动现象。3、操作工艺(1)地基与基础的要求:A、脚手架地基与基础的施工,根据脚手架搭设高度,原土或回填土必须事先进行夯实,后用C20砼浇筑厚度大于10cm硬化,宽度2m平面沿杆基础周边设置。B、脚手架底面标高高于自然地坪50mm。C、立杆基础外侧设置截面20cm20cm的排水沟。(2)搭设立杆应符合下列要求:A、外径不同的钢管不应混合使用,立杆必须按施工方规定的纵距和横距搭设。B、底部立杆必须不同长度的钢管,立杆的连接必须交错布置

10、,相邻立杆的连接不尖在同一高度,其错开的高差不得少于500mm,并置于不同的构框架内。C、立杆接头除顶层可采用搭接外,其余接头必须采用对接扣件连接,搭妆连接的长度不应小于1m,不少于两个旋转扣件固定,固定间距不尖小于300mm。D、周边脚手架应从一个角开始向两边延伸交圈搭设,“一”字型脚和架应从一端开始并向另一端延伸搭设,在设置第一排连墙件前,每6跨应暂设一根抛撑,与地面的夹角呈45-60度。(3)搭设水平应符合下列要求:A、纵向水平杆应水平设置,钢管长度不宜小于3跨。B、接头采用对接扣件连接,内外两根相邻纵向水平杆的接头不得在同步跨内,上下两个相邻接头应错开一跨,其错开的水平距离不尖小于50

11、0mm,各接头中心距立杆轴心线距离应小于纵距的1/3,当采用搭接时,其搭接长工大于1m,不少于2个旋转扣件固定,其固定间距不尖小于800mm,扣件中心至杆端的距离不应小于150mm。C、纵向水平杆与立杆相交必须用直角扣件与立杆固定。D、沿建筑物周围搭设的脚手架应采用闭合形式,脚手架的同一步纵向水平杆必须四周交圈。(4)搭设横向水平杆应符合下列要求:A、本工程采用竹笆片脚手板,小横向水平杆应月直角扣件设在纵向水平杆的下方,凡立杆与纵向水平杆相交处均必须设置一根横向水平杆,严禁任意拆除,跨度中间的横向水平杆根据需要设置。B、脚手架横向水平外端伸出纵向水平不应小于250mm,靠墙的一端距离外墙皮,本

12、工程取250mm。(5)搭设纵、横向扫地杆符合下列要求:A、每根立杆和底座向上200mm处,应设置纵横向扫地杆,用直角扣件与立杆固定。B、当立杆基础不在同一高度上时,必须将高处的纵向扫地杆向低处延长2跨,并与低跨立杆固定。(6)搭设剪刀撑应符合下列要求A、周边交圈的双排脚手架宜从转角处起,每间隔6跨设置一道剪刀撑,由底至连续布置。B、每副剪刀撑跨越立杆的根数不尖少一4根,也不应超过7根,与纵向水平杆成45-60度角。C、剪刀撑应设置在脚手架立杆外侧,并用旋转扣件固定在立杆横向水平杆的伸出端上,其交点距主节的距离不应小于150mm,杆件接头采用搭接连接,其搭接长度不应小1m,不少于2个旋转扣件固

13、定,固定间距不应小于800mm。(7)搭设斜撑应符合下列要求:A、每一斜撑只占一步或一跨,成“Z”型连续布置,两端用旋转扣件固定在立杆或纵向水平杆上,其交点距主节点的距离不尖大于150mm。B、当横向斜撑妨碍操作时,经批准可临时拆除一步架的斜杆,但作业后必须及时补上。(8)为防止脚手架向外倾覆,双排脚手架必须均匀地分布设置能承受压力和拉力的连墙点,架设连墙体应符合下列要求:A、立杆从第一步纵向水平杆处开始连墙件与建筑物可靠连接,脚手架与主体结构的连接必须采用刚性连接,不允许采用柔性连接。连接点按6m设计,上、下错位布置,每隔二层(即4步)将连墙件换成水平挑杆。从第二步起在脚手架操作层的外侧应设

14、置栏杆,搭设栏杆应符合下列要求:A、上栏杆高度宜取1m,挡脚杆高度不应小于250mm。B、上栏杆、挡脚杆均尖架设在外立内侧,并保持足够的刚度。(9)操作层脚手竹笆片的铺设应满铺、铺稳、用18铁丝同钢管四角扎牢。(10)脚手架遇有施工需通行的建筑门洞口时,可按下列要求处理:A、门洞抽取一根立杆时,在脚手架内、外两侧设置人字形斜杆。B、门洞抽取两根立杆,在脚手架内外两侧设斜杆,必要时门洞上的内、外排纵向水平杆可用两根钢管加强。(11)架体颜色,架体钢管采用橘黄色,护身伴杆采用红白相间或黑黄相间色(长工50-60cm)。五、安全、文明施工1、落实责任:本公司将选择具有丰富施工经验的施工人员,并做好各

15、项安全技术交底,管理人员必须做好对施工人员的安全教育,遵章守纪,服从项目部的各项规章制度,要求安全员、技术人员对在搭设、维护、保养和拆除期间的监督。2、人员管理:施工人员必须备齐各类有效证件,必须持特殊工种操作证上岗,戴好安全帽,系好帽带,系好安全带,在整个施工中搞好施工区域以有宿舍、食堂内环境卫生。3、安全监控,搭设过程中,因处在施工高峰期,各施工班组在交叉作业中,故应加强安全的输送,施工人员应安全小心配合吊机吊运。人工传递时,要做好自我保护,系好安全带,互相呼应,先接后送。严防管件和扣件坠地伤人。4、管件防坠:本工程脚手架施工时,为防止材料坠地伤人,架体内不得留有孔洞,竹笆必须实施满铺,并且不得用有严重霉、闷、蛀的竹笆,并用18号铁丝双股四点绑扎,不得有松软现象。所有架体内不得留有多余管件、扣件以防滑落伤人。5、产

展开阅读全文
相关资源
猜你喜欢
相关搜索

当前位置:首页 > 建筑/环境 > 设计及方案

copyright@ 2008-2023 1wenmi网站版权所有

经营许可证编号:宁ICP备2022001189号-1

本站为文档C2C交易模式,即用户上传的文档直接被用户下载,本站只是中间服务平台,本站所有文档下载所得的收益归上传人(含作者)所有。第壹文秘仅提供信息存储空间,仅对用户上传内容的表现方式做保护处理,对上载内容本身不做任何修改或编辑。若文档所含内容侵犯了您的版权或隐私,请立即通知第壹文秘网,我们立即给予删除!