某商品房项目悬挑脚手架施工技术交底.doc

上传人:p** 文档编号:948541 上传时间:2024-05-15 格式:DOC 页数:7 大小:93KB
下载 相关 举报
某商品房项目悬挑脚手架施工技术交底.doc_第1页
第1页 / 共7页
某商品房项目悬挑脚手架施工技术交底.doc_第2页
第2页 / 共7页
某商品房项目悬挑脚手架施工技术交底.doc_第3页
第3页 / 共7页
某商品房项目悬挑脚手架施工技术交底.doc_第4页
第4页 / 共7页
某商品房项目悬挑脚手架施工技术交底.doc_第5页
第5页 / 共7页
某商品房项目悬挑脚手架施工技术交底.doc_第6页
第6页 / 共7页
某商品房项目悬挑脚手架施工技术交底.doc_第7页
第7页 / 共7页
亲,该文档总共7页,全部预览完了,如果喜欢就下载吧!
资源描述

《某商品房项目悬挑脚手架施工技术交底.doc》由会员分享,可在线阅读,更多相关《某商品房项目悬挑脚手架施工技术交底.doc(7页珍藏版)》请在第壹文秘上搜索。

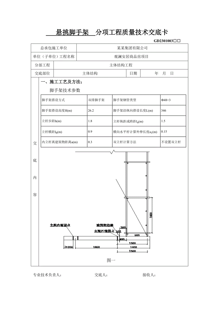
1、 悬挑脚手架 分项工程质量技术交底卡 GD2301003总承包施工单位某某集团有限公司单位(子单位)工程名称观澜安居商品房项目分部工程主体结构工程交底部位主体结构日期年 月 日交底内容一、施工工艺及方法;脚手架技术参数脚手架搭设方式双排脚手架脚手架钢管类型483脚手架搭设高度H(m)26.2脚手架沿纵向搭设长度L(m)346立杆步距h(m)1.8立杆纵距或跨距la(m)1.5立杆横距lb(m)0.9横向水平杆计算外伸长度a1(m)0.15内立杆离建筑物距离a(m)0.3双立杆计算方法不设置双立杆图一专业技术负责人: 交底人: 接收人: 悬挑脚手架 分项工程质量技术交底卡 GD2301003总承

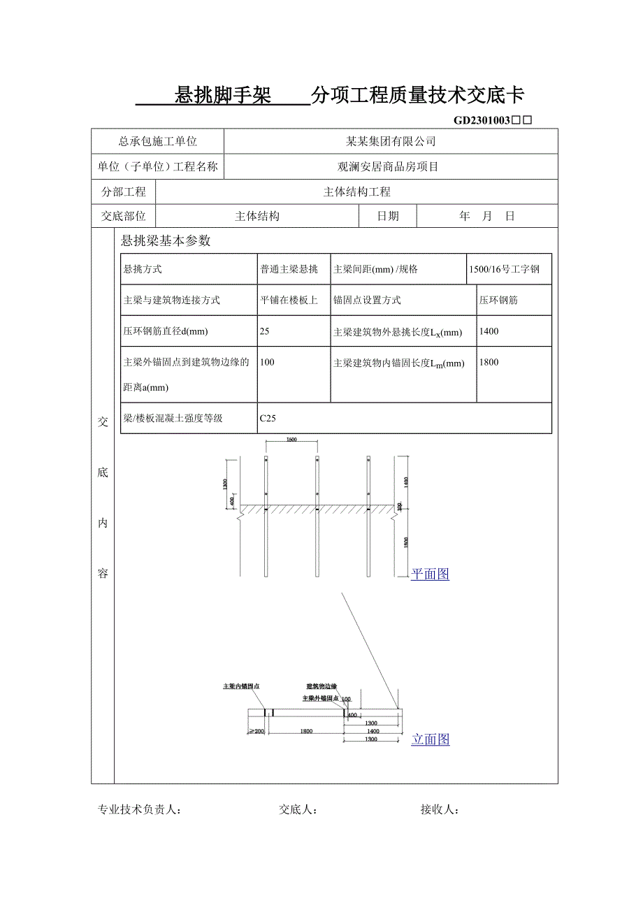
2、包施工单位某某集团有限公司单位(子单位)工程名称观澜安居商品房项目分部工程主体结构工程交底部位主体结构日期年 月 日交底内容悬挑梁基本参数悬挑方式普通主梁悬挑主梁间距(mm) /规格1500/16号工字钢主梁与建筑物连接方式平铺在楼板上锚固点设置方式压环钢筋压环钢筋直径d(mm)25主梁建筑物外悬挑长度Lx(mm)1400主梁外锚固点到建筑物边缘的距离a(mm)100主梁建筑物内锚固长度Lm(mm)1800梁/楼板混凝土强度等级C25平面图 立面图专业技术负责人: 交底人: 接收人: 悬挑脚手架 分项工程质量技术交底卡 GD2301003总承包施工单位某某集团有限公司单位(子单位)工程名称观澜

3、安居商品房项目分部工程主体结构工程交底部位主体结构日期年 月 日交底内容二、构造:1、立杆横距为0.9m,纵距为1.5m,步距为1.8m,脚手管离墙0.30m,高度为23.2m。脚手架外侧,从第二步开始,每层均须在外立杆里侧设两道钢管防护拦。沿全长、全高设置剪刀撑;剪刀撑应联系3 - 4根立杆,斜杆与地面夹角为45-60度,剪刀撑应沿步高连续布置,在相邻两排剪刀撑之间,设大斜撑,剪刀撑的斜杆除两端用旋转扣件与脚手架的立杆或大横杆扣紧外,在其中间增加2-4个扣结点。2、连墙件的设置:附墙拉结主要是用以抵抗风荷载及垂直荷载的偏心影响,以及减小立杆的长细比;是防止脚手架变形失稳的重要措施;其垂直方向

4、的间距3.6米,水平方向的间距3米,并按梅花型排列。在每层框架柱或梁上,每跨用短脚手钢管与框架柱、梁连接,并从第一步大横杆处开始设置。3、水平斜拉杆设置在有连墙杆的步架平面内,以加强脚手架的横向刚度。4、每层脚手架平面铺设钢网片脚手板为通道,满铺三层,操作层(上下两层)外侧设踢脚板(刷黑黄分色漆),里侧每楼层处用18厚复合木模板封闭。5、脚手架外侧加挂密目阻燃式安全网作为安全防护。外侧每步设两道钢管为栏杆。三、技术与措施1、立杆: 在竖立杆时要注意杆件的长短搭配使用,立杆的接头除顶层可采用搭接专业技术负责人: 交底人: 接收人: 悬挑脚手架 分项工程质量技术交底卡 GD2301003总承包施工

5、单位某某集团有限公司单位(子单位)工程名称观澜安居商品房项目分部工程主体结构工程交底部位主体结构日期年 月 日交底内容接头外,必须采用对接扣件实行对接接头。 搭接时的搭接长度不应小于1m,用不小于两个旋转扣件来扣牢,扣件的外边缘到杆端距离不应小于100mm。 两根相邻立杆的接头不得设置在同步内,立杆接头与相近大横杆的距离不大于步高的三分之一。相邻两立杆的接头应相互错开,不应在同一步高和同一间距内。相邻接头的高度差应大于500mm。 立杆顶端应高出檐口1.5m。2、大横杆: 大横杆的长度不小于三跨,且不小于6m。大横杆对立杆起约束作用,故立杆和大横杆必须用直角扣件扣紧,不得遗漏。大横杆均布置在立

6、杆的里侧。 同一水平内的内外两根大横杆的接头和上下相邻的两根大横杆的接头均应相互错开,不得出现在同一跨、同一步内,相邻接头的水平距离大于500mm。各接头中心至最近主节点的距离不大于总距的1/3。搭接时的搭接长度不应小于1m,等间距设置三个旋转扣件扣牢,扣件的外边缘到杆端距离不应小于100mm。 本工程采用钢网片脚手板,大横杆用直角扣件固定在小横杆上,并等间距设置4根,间距不大于35cm。 扫地杆必须纵、横向设置,纵向扫地杆用直角扣件固定在距垫板上皮20cm的立杆上。横向扫地杆用直角扣件固定在紧贴大横杆下方的立杆上。3、小横杆: 小横杆紧贴立杆布置,跨内间距为纵距的1/2,用直角扣件扣紧,在任

7、何情况下不得拆除贴近立杆的小横杆。专业技术负责人: 交底人: 接收人: 悬挑脚手架 分项工程质量技术交底卡 GD2301003总承包施工单位某某集团有限公司单位(子单位)工程名称观澜安居商品房项目分部工程主体结构工程交底部位主体结构日期年 月 日交底内容4、剪刀撑、斜杆: 外脚手架沿全长设置剪刀撑,剪刀撑联系3 - 4根立杆,剪刀撑的斜杆与地面夹角宜在4560范围内。斜杆的搭设是将一根斜杆扣在立杆上,另一根斜杆扣在小横杆的伸出部分上,这样可以避免两根斜杆相交时把钢管别弯。斜杆用扣件与脚手架扣紧的连接头两端距脚手架节点不大于200mm,除两端扣紧外,中间尚需增加24个扣结点。斜杆的最下面一个连接

8、点距地面不宜大于500mm,以保证脚手架的稳定性。 斜杆的接长宜采用对接扣件的对接连接。当采用搭接时,搭接长度不小于1000mm,并用不小于3只旋转扣件扣牢。5、脚手板: 脚手板采用钢筋网片,按其主竹筋垂直于大横杆方向铺设,且采用对接平铺,四角用18#镀锌铁丝绑扎在大横杆上。6、连墙件在每个框架柱处,每两步用短脚手钢管与框架柱连接,并从第一步大横杆处开始设置。7、围护脚手架外侧采用密目式阻燃安全网进行围护,里侧每楼层处用18厚复合木模板封闭。四、质量要求1、保证项目a、脚手架立杆要垂直,大、小横杆要平整。专业技术负责人: 交底人: 接收人: 悬挑脚手架 分项工程质量技术交底卡 GD230100

9、3总承包施工单位某某集团有限公司单位(子单位)工程名称观澜安居商品房项目分部工程主体结构工程交底部位主体结构日期年 月 日交底内容b、各种连接扣件必须扣接牢固。C、相邻两柱的接头要错开。2、允许偏差项目1立杆垂直度按架高30m内上下偏差1/200控制2立杆间距100mm3大横杆高差总长不大于50mm五、安全文明施工:1、从事架体搭设作业人员应是专业架子工,且取得劳动部门核发的特殊工种操作证。架子工应定期进行体检,凡患有不适合高处作业病症的不准上岗作业。架子工作业时必须戴好安全帽、安全带和穿防滑鞋。2、使用阶段严格控制使用荷载,不得超载。严禁重物堆放或悬挂在脚手架上,不得将缆风绳、泵送混凝土的输

10、送管等固定在脚手架。3、当有六级及六级以上大风和雨、雾天气时,停止脚手架搭设与拆除作业。4、施工期间严禁拆除下列杆件; 主节点处的纵、横向水平杆,纵、横向扫地杆;连墙杆;支撑;栏杆、挡脚板。5、在脚手架上进行电、气焊作业时,必须有防火措施和专人看守。6、按规范做好脚手架的接地、避雷工作,接地按施工现场临时用电安全技术规范规定执行。7、搭拆脚手架时,地面应设围栏和警戒标志,并派专人看守,严禁非操作人员入内。专业技术负责人: 交底人: 接收人: 悬挑脚手架 分项工程质量技术交底卡 GD2301003总承包施工单位某某集团有限公司单位(子单位)工程名称观澜安居商品房项目分部工程主体结构工程交底部位主体结构日期年 月 日交底内容签字;专业技术负责人: 交底人: 接收人:

展开阅读全文
相关资源
猜你喜欢
相关搜索

当前位置:首页 > 建筑/环境 > 设计及方案

copyright@ 2008-2023 1wenmi网站版权所有

经营许可证编号:宁ICP备2022001189号-1

本站为文档C2C交易模式,即用户上传的文档直接被用户下载,本站只是中间服务平台,本站所有文档下载所得的收益归上传人(含作者)所有。第壹文秘仅提供信息存储空间,仅对用户上传内容的表现方式做保护处理,对上载内容本身不做任何修改或编辑。若文档所含内容侵犯了您的版权或隐私,请立即通知第壹文秘网,我们立即给予删除!