某施工现场临时用电专项施工方案.doc

上传人:p** 文档编号:949068 上传时间:2024-05-16 格式:DOC 页数:22 大小:118KB
下载 相关 举报
某施工现场临时用电专项施工方案.doc_第1页
第1页 / 共22页
某施工现场临时用电专项施工方案.doc_第2页
第2页 / 共22页
某施工现场临时用电专项施工方案.doc_第3页
第3页 / 共22页
某施工现场临时用电专项施工方案.doc_第4页
第4页 / 共22页
某施工现场临时用电专项施工方案.doc_第5页
第5页 / 共22页
某施工现场临时用电专项施工方案.doc_第6页
第6页 / 共22页
某施工现场临时用电专项施工方案.doc_第7页
第7页 / 共22页
某施工现场临时用电专项施工方案.doc_第8页
第8页 / 共22页
某施工现场临时用电专项施工方案.doc_第9页
第9页 / 共22页
某施工现场临时用电专项施工方案.doc_第10页
第10页 / 共22页
亲,该文档总共22页,到这儿已超出免费预览范围,如果喜欢就下载吧!
资源描述

《某施工现场临时用电专项施工方案.doc》由会员分享,可在线阅读,更多相关《某施工现场临时用电专项施工方案.doc(22页珍藏版)》请在第壹文秘上搜索。

1、目 录 一、编制依据2 二、工程概况3 三、用电设备技术参数及用电总量核算 3 四、电缆选用 5 五、安全用电技术措施和电气防火措施 6 六、安全用电和电气防护管理制度7 施工现场临时用电专项施工方案一、 编制依据建筑机械使用安全技术规程(JGJ33-2001);建筑施工安全检查标准(JGJ59-99);施工现场临时用电安全技术规范(JGJ46-2005);建设工程施工现场供用电安全规范(GB50194-93);二、 工程概况(一)、概况1、建设单位:鞍山时代东风家园置业有限公司。2、工程名称:鞍山时代广场二期。3、结构类型:混凝土框架-核心筒结构4、建筑面积:17.56万m2。5、设计单位:

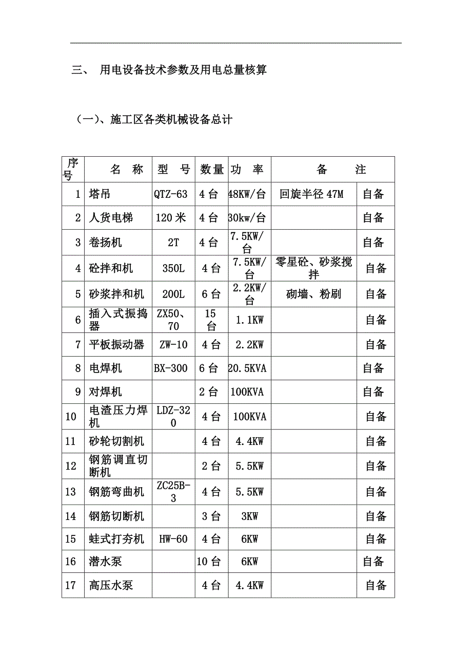
2、沈阳大象建筑设计有限公司(二)施工用电区域的划分施工用电区域主要分施工区和办公生活区;办公生活区分布在场地东北角,配套了相应的办公设施及生活设施。施工区的各单体技术参数见下表:(三)、现场平面布置施工现场,由业主提供配电房引出电源,电缆线全部采用地下埋设,分区段设置配电箱,以满足不同施工段,施工期的各种用电设备的需要。三、 用电设备技术参数及用电总量核算(一)、施工区各类机械设备总计序号名 称型 号数 量功 率备 注1塔吊QTZ-634台48KW/台回旋半径47M自备2人货电梯120米4台30kw/台自备3卷扬机2T4台7.5KW/台自备4砼拌和机350L4台7.5KW/台零星砼、砂浆搅拌自备

3、5砂浆拌和机200L6台2.2KW/台砌墙、粉刷自备6插入式振捣器ZX50、7015台1.1KW自备7平板振动器ZW-104台2.2KW自备8电焊机BX-3006台20.5KVA自备9对焊机2台100KVA自备10电渣压力焊机LDZ-3204台100KVA自备11砂轮切割机4台4.4KW自备12钢筋调直切断机2台5.5KW自备13钢筋弯曲机ZC25B-34台5.5KW自备14钢筋切断机3台3KW自备15蛙式打夯机HW-604台6KW自备16潜水泵10台6KW自备17高压水泵4台4.4KW自备18木工圆盘锯MJ1041台3KW自备19木工平刨机MB504A1台7.5KW自备20单面木工压刨机MB

4、1061台7.5KW自备(二)、办公、生活区用电设备序号机械或设备名称 型号 规格数量功率(kw)总功率(kw)1照明300.061.82开水箱1223饭箱144(三)、用电总量核算本工程用电高峰期将出现于主体结构施工期内,施工用电主要是施工塔吊、施工井架、钢筋加工机械、木工加工机械和照明设备等,根据施工机械配备计划表,本工程用电负荷可计算如下:P=1.05(k1P1/cos+k2p2+k3p3)其中:P1为电动机总功率 p2为电焊设备总容量 p3照明总功率 k1=0.5,k2=0.6,k3=0.8,cos=0.7 P1=64kw p2动=140kw p3=(64+140)10%=20.4KW

5、施工动力用电情况:起重机:4台,功率: 1600KW钢筋切断机:2台,功率:6KW钢筋弯曲机;2台,功率:6KW对焊机:2台,功率:200KW打夯机:8台,功率1.5KW8=12KW圆盘踞:4台,功率3KW4=12KWP1=160+6+6+200+12+12=396kwP动=K1P1/cos=1.053960.70=291.06KW照明用电按10%动力用电暂估:P照=291.060.1=29.11KWP=1.1(P动+P照)=1.1(291.06+29.11)=352.19KW2)电源选择:电缆线的选择与布置(产品的厂家、规格、合格证)本工程电缆线选用武汉电厂的电缆,临时用电采用三相五线制,三

6、根相线,两根零线,即工作接零和保护接地。S=(PL/C%)%S导线截面(mm2)P线路输送功率 352.19KWL送电线路的距离 200m允许的相对压降(本工程取5%)C系数(本工程采用铜芯线,取77)故S=352.19100/577=97.17mm2(计算公式)四、电缆选用(一)、电缆选用:电缆线的选择与布置(产品的厂家、规格、合格证)本工程电缆线选用武汉电厂的电缆,临时用电采用三相五线制,三根相线,两根零线,即工作接零和保护接地。S=(PL/C%)%S导线截面(mm2)P线路输送功率 352.19KWL送电线路的距离 200m允许的相对压降(本工程取5%)C系数(本工程采用铜芯线,取77)

7、故S=352.19100/577=97.17mm2(计算公式)根据以上计算结果,我施工现场采用3100+270的电缆用于钢筋房供电,3100+270的电缆用于施工塔吊, 395250的电缆用于施工现场供电和办公用电。电缆线的布置在电缆沟中五、 安全用电技术措施和电气防火措施 (一)、用电管理 临时用电组织设计及变更时,必须履行“编制、审批、批准”程序,由电气工程技术人员组织编制,经相关部门审核及具有法人资格企业的技术负责人批准后实施,变更用电组织设计时应补充有关图纸资料。 临时用电工程必须编制、审核、批准部门和使用单位共同验收,合格后方可投入使用。 临时用电施工组织设计的编制者必须参加验收工作

8、。 电工必须进过国家现行标准考核合格后持证上岗操作,其他用电人员必须通过相关安全教育培训和技术交底、考核合格后可上岗工作。 临时用电必须建立安全技术档案,并应包括下列内容:用电组织设计的全部资料、修改组织设计资料,安全技术交底验收资料,接地电阻、绝缘电阻和漏电保护测试记录、定期检查记录和工作记录、巡视维修记录。 临时用电工程定期检查应按分部、分项工程进行,对安全隐患必须及时处理,并履行验收手续。 用电施工单位必须建立安全责任制,明确用电安全负责人,并建立值班人员责任,应由实践经验丰富的电工担任。施工单位主要负责人(项目经理)对本项目的安全生产工作全面负责,专职安全员是用电安全责任人,现场值班人

9、员为现场维修电工。 (二)、临时用电安全技术措施 1、临时用电系统接地与防雷 11、在施工现场专用变压器的供电的TNS接零保护系统中,电气设备的金属外壳必须与保护零线连接。保护零线应由工作配电室(总配电箱)电源侧零线或总漏电保护器电源侧零线处引出。 12、当施工现场与外电线路共用一供电系统时,电气设备的接地零保护应与原系统保持一致,不得一部分设备昨保护接地,另部分吧作保护接零。 采用TN系统做保护接零时,工作零线(N线)必须通过总漏电保护器。保护零线(PE线)必须由电源进线零线重复接地或总漏电保护器电源侧零线处,引出形成局部TNS接零保护系统。 13、在TN接零保护系统中,通过总漏电保护器的工

10、作零线之间不得再做电气连接PE线应单独敷设,重复接地必须与PE线连接,严禁与N线连接。 14、保护零线的截面应不小于工作零线的截面,其最小截面应符合下表规定,并使用统一标志的绿/黄双色线,任何情况下不得将绿/黄双色线作负荷线。相线其截面S(m)PE线最小截面(m)S16516S3516S35S/2 保护零线必须采用绝缘导线,与电气设备相连的不小于2.5m的绝缘多胶铜线。手持或电动工具相连的不小于1.5m的绝缘多胶铜线,应连接可靠,不得采用铰连接。 PE线上严禁装设开关或熔断器,严禁通过工作电流,且严禁断线。 15、容量超过100KVA的电力变压器的工作接地电阻值大于4欧姆 16、TN系统中的保

11、护零线除必须在配电室或总配电箱处做重复接地外,还必须在配电系统中间处和末端处做重复接地。 在TN系统中,保护零线每一处重复接地装置的接地电阻值不应大于10欧姆。在工作接地电阻允许达到10欧姆的电力系统中,所有重复接地的等效电阻值不应大于10欧姆。 严禁将单独敷设的工作零线再做重复接地,不得采用吕导体做接地体或地下接地线。垂直接地宜采用角钢、钢管或光面圆钢,不得采用螺纹钢。 17、施工现场内的井字架及钢管脚手架和其他金属结构当在相邻建筑物的防雷装置闪器的保护范围以内时,机械设备架设高度20m时,应装设防雷装置,机械设备上的接闪器长度为12m。 2、配电线路 21、电缆中必须包含全部工作芯线和作保

12、护零线或保护线的芯线。需要四相五线制配电的电缆线路必须采用五芯线。五芯线电缆必须包含淡蓝、绿/黄2种颜色绝缘芯线。淡蓝色芯线必须作N线;绿/黄双色芯线必须作PE线,严禁混用。 电缆线路应采用埋地或架空敷设,严禁沿地面明敷,并应避免机械损伤和介质腐蚀,埋地电缆路径应设方位标志。 22、严禁电缆沿脚手架、树木或其它设施架空敷设。在建工程电缆线路必须采用电缆埋地引入,严禁穿越脚手架引入。垂直敷设可利用在建工程的竖井、孔洞,并宜靠近负荷中心。固定点每楼层不得小于一处。电缆水平敷设宜沿墙或门口固定最大弧垂距地面不得小于2m。严禁勇金属裸线做绑线。严禁采用四芯或三芯电缆外加一根电线代替五芯或四芯电缆。严禁

13、使用老化电线,破皮的应进行包扎过更换。 23、装饰装修工程或其它特殊阶段,应补充编制单项施工用电方案。电源线可沿墙面、地面敷设,但应采取防机械损伤和电火措施。 24、电缆直埋敷设深度要求符合保护要求,根据环境条件选择电缆,埋地时应在电缆四侧均匀敷设细砂。过路路面应采用金属保护管,然后覆盖硬质保护层。 25、室内配线必须采用绝缘导线或电缆。主干线距地面高度不得小于2.5m,导线截面应根据用电设备或计算符合确定,但铜芯线不应小于1.5m,吕芯线不应小于2.5m。对穿管敷设的绝缘导线线路,其短路保护熔断器的熔体额定电流不应小于2.5m。对穿管敷设的绝缘导线线路,其短路保护熔断器的熔体额定电流不应大于穿管绝缘导线长期连续负荷允许截流量的2.5倍。 3、配电箱及开关箱的设备 31、每台用电设备必须有各自专用的开关箱,严禁勇同一各开关箱直接控制2台或3台以上用电设备(含插座) 32、动力配电箱与照明配电箱宜分别设置,当合并设置为同一配

展开阅读全文
相关资源
猜你喜欢
相关搜索

当前位置:首页 > 建筑/环境 > 设计及方案

copyright@ 2008-2023 1wenmi网站版权所有

经营许可证编号:宁ICP备2022001189号-1

本站为文档C2C交易模式,即用户上传的文档直接被用户下载,本站只是中间服务平台,本站所有文档下载所得的收益归上传人(含作者)所有。第壹文秘仅提供信息存储空间,仅对用户上传内容的表现方式做保护处理,对上载内容本身不做任何修改或编辑。若文档所含内容侵犯了您的版权或隐私,请立即通知第壹文秘网,我们立即给予删除!