某某给水管道施工方案.doc

上传人:p** 文档编号:949127 上传时间:2024-05-16 格式:DOC 页数:8 大小:88.37KB
下载 相关 举报
某某给水管道施工方案.doc_第1页
第1页 / 共8页
某某给水管道施工方案.doc_第2页
第2页 / 共8页
某某给水管道施工方案.doc_第3页
第3页 / 共8页
某某给水管道施工方案.doc_第4页
第4页 / 共8页
某某给水管道施工方案.doc_第5页
第5页 / 共8页
某某给水管道施工方案.doc_第6页
第6页 / 共8页
某某给水管道施工方案.doc_第7页
第7页 / 共8页
某某给水管道施工方案.doc_第8页
第8页 / 共8页
亲,该文档总共8页,全部预览完了,如果喜欢就下载吧!
资源描述

《某某给水管道施工方案.doc》由会员分享,可在线阅读,更多相关《某某给水管道施工方案.doc(8页珍藏版)》请在第壹文秘上搜索。

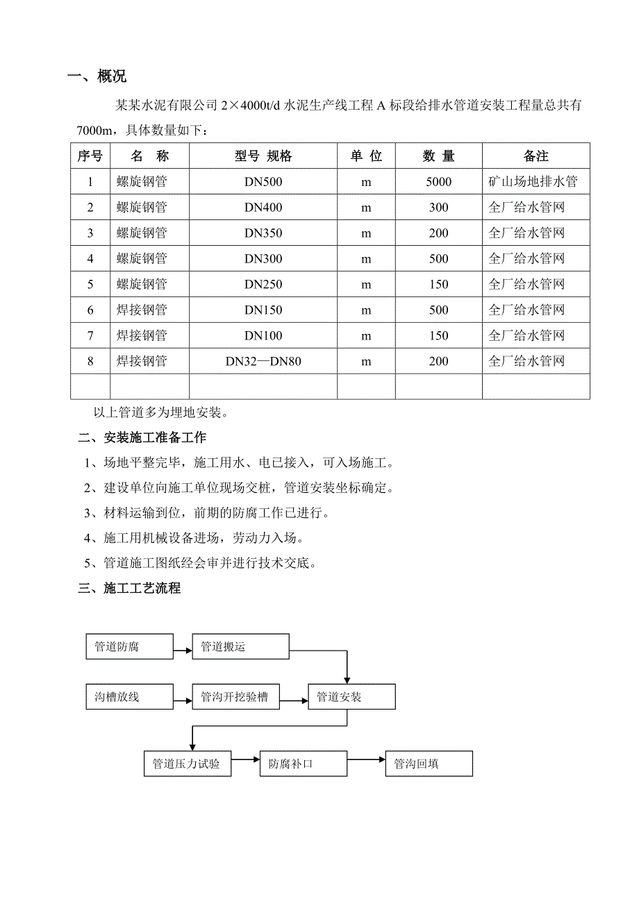
1、一、概况某某水泥有限公司24000t/d水泥生产线工程A标段给排水管道安装工程量总共有7000m,具体数量如下:序号名 称型号 规格单 位数 量备注1螺旋钢管DN500m5000矿山场地排水管2螺旋钢管DN400m300全厂给水管网3螺旋钢管DN350m200全厂给水管网4螺旋钢管DN300m500全厂给水管网5螺旋钢管DN250m150全厂给水管网6焊接钢管DN150m500全厂给水管网7焊接钢管DN100m150全厂给水管网8焊接钢管DN32DN80m200全厂给水管网以上管道多为埋地安装。二、安装施工准备工作1、场地平整完毕,施工用水、电已接入,可入场施工。2、建设单位向施工单位现场交桩

2、,管道安装坐标确定。3、材料运输到位,前期的防腐工作已进行。4、施工用机械设备进场,劳动力入场。5、管道施工图纸经会审并进行技术交底。三、施工工艺流程管道防腐管道搬运管沟回填管道压力试验防腐补口管道安装沟槽放线管沟开挖验槽四、施工方法(一)管道防腐:根据设计图纸要求,埋地管防腐采用热沥青四油三布进行加强级防腐,具体就是a、底漆一层;b、沥青;c、玻璃布一层;d、沥青;e、玻璃布一层;f、沥青;g、玻璃布一层;h、沥青及聚氯乙烯薄膜,厚度5.5。1、沥青采用建筑10石油沥青,经过熬制达230左右即可,所熬制的沥青应当场用完。玻璃布采用干燥脱腊无捻封边网状平纹中碱的玻璃布,其经纬密度选用88根/1

3、212根/。2、涂漆前管子表面应清除油垢、铁锈及灰渣,采用人工操作时,用电动钢丝轮清除管子表面铁锈,以见到原金属色为合格。3、沥青加热炉砌制,把2个废油桶在桶身处挖开500500左右的缺口(用于加料和舀取热沥青),然后架在砖砌的炉子上固定好,清干净现场后方可开始烧制热沥青。4、钢管滚动架制作(如下图),用滚子轴承或其他滚轮焊在架子上,制两件。 5、操作:将钢管搬到两滚圈支撑上,除锈后再以干布拭擦,涂刷沥青底漆,沥青涂刷温度不得低于180,1个人在管端摇转钢管,1个人缠绕玻璃布,玻璃布的压边宽度应为3040,接头搭接长度不得小于100,各层搭接接头应相互错开;然后再涂一层热沥青,如此反复直至四油

4、三布完成。防腐层外观均匀无摺皱、空泡、凝块现象。6、沟槽内管道接口处施工应在焊接、试验合格后进行,接茬处应粘结牢固、严密。(二)沟槽开挖与回填1、管沟放线完毕经复查后,用小型挖掘机进行开挖,沟槽留100200mm厚原土在安装管道前由人工修整。沟槽底座宽度B=D+2(b1+b2)B沟底部开挖宽度(mm)D管道外径b1管道一侧的工作面宽度(mm)b2管道一侧的支撑厚度,可取150200mm2、管沟挖深按设计图纸要求进行,当深度超过1.5m时必须加支撑;人工开挖时,超过0.8m深应放坡。3、管沟测量:开槽铺设管道的沿线临时水准点,每200m不宜少于1个,临时水准点、管道轴线控制桩、高程桩应经过复核后

5、方可使用。高程测量点每6m设1个,用竹签或木桩钉到沟壁上。4、管沟回填:给水管道安装完毕在水压试验前,除接口外,管道两侧及管顶以上回填高度不应小于0.5m;水压试验合格后,应及时回填其余部分。5、回填土要求:槽底至管顶以上500内的回填土不得含有机物、大于50的砖石等硬块,在接口处应用细土回填。回填土应逐层压实,且不得损伤防腐层和管道;每层虚铺厚度在200左右,然后用铁夯压实,再铺土,再夯实。6、压实度要求:因管道大多铺设在绿化地带,在管道顶部以上高为500,宽为管道外缘范围内应松填,其压实度不应大于85%;其余部位,当设计文件没有规定时不应小于90%。(三)管道安装1、吊装已防腐的钢管宜用软

6、吊带或在钢丝绳上套以橡胶管后再使用,防止破坏防腐层。2、在管道安装过程中,用1台816T汽车吊进行吊装作业。3、视现场地情况,可以在管沟上组对24根钢管(约24m),然后用两台汽车吊进行吊装,以减少沟底作业。4、钢管焊接前应先修口,清理管内杂物,管端坡口角度及对口间隙如下表:坡口形式壁厚度t(mm)间隙b(mm)钝边p(mm)坡口角度()p t b49mm1.53.01.01.5607010262.04.01.02.06055、钢管对口要求:对口应使内壁齐平,错口量允许偏差应为0.2t且不大于2mm。经检查合格方可点焊。6、直管管段两相邻环向焊缝的间距不应小于200mm,不得在短节或管件上开孔

7、作接口。7、焊条的化学成分,机械强度应与母材相同且匹配,兼顾工作条件和工艺性;焊条质量应符合现行国家标准(碳钢焊条)的规定;焊条在使用前应干燥。8、焊缝的外观检查,要求清除焊缝的渣皮、飞溅物,其外观质量应符合下表的规定:项 目技 术 要 求外观焊缝和热影响区表面不得有裂纹、气孔、弧坑和灰渣等缺陷;宽度宽度应焊出坡口边缘23;表面余高应1+0.2倍坡口边缘宽度且不应大于4;咬边深度应0.5,焊缝两侧咬边总长不得超过焊缝长度的10%且连续长不大于100;错边应0.2t,且不大于2未焊满不允许。9、管道法兰阀门安装法兰、阀门的安装位置应设在便于检修的地方,两法兰的连接应保持平行且同轴。螺栓能自由穿入

8、。法兰接口平行度允许偏差应为法兰外径的1.5%,且不大于2mm。螺栓安装时方向应一致,对称方向紧固好。阀门安装的方向应正确,连接牢固。启动灵活。10、钢管安装允许偏差:项 目允许偏差(mm)纵向轴线30高 程20(四)管道压力试验及冲洗1、准备工作a、接好取水源以及确定排水路线。b、接好试验泵及压力表,必须有2块以上1.5级压力表,压力表量程为01.6Mpa,在试验泵处及管道末端各安装1块,在管道最高处设排气管阀。c、管端堵板的制作安装:对DN250以下的钢管封堵,可用=10Q235-A钢板焊接在端头进行封堵;对于DN300以上的钢管应用=1216Q235-A钢板镶入管内40焊接在端头进行封堵

9、,但必须在堵板及管道上焊接加强板,所有焊接高度在6以上。d、完成其他准备工作,如安全防护工作等。2、压力试验分强度试验和严密性试验,应连续进行。先将干净水注入试验管道至排气管冒出水为止,然后启动电动泵开始打压,在排气管处不再有气体排出时关阀门。强度试验压力P强度=P+0.5=0.6+0.5=1.1 Mpa管道试验缓慢升压,分三级进行,即0.5 Mpa、0.75 Mpa 、1.1Mpa每升一级应检查管接口,管身是否有异常变化或渗漏,无异常时再继续升压。当升压至强度试验压力为1.1Mpa后,关闭电动泵,关闭阀门。稳压1030min,检查接口、法兰、阀门及管身,如无渗漏现象,压力表未发生变化,则强度

10、试验合格。然后开启排放阀门,使压力缓慢降至工作压力P,稳压30min后无渗漏,压力稳定为严密性试验合格。3、试验完成后,拆除试验设备,恢复管线,做好冲洗准备。4、矿山场地排水管采用注水试验,以检查所有焊接口不发生漏水为合格。5、管道冲洗时利用上期工程水管接水进行冲洗,流速不小于1.0m/s,连续冲洗直至出水口处浊度、色度与入水处冲洗水的相同为止。五、安全要求:1、所有施工人员必须按规定戴安全帽,穿劳保服。2、管沟开挖时要弄清地下构建物,水管、电缆等布置情况,不可野蛮施工。3、管道吊装必须有专业起重工指挥,人员不得在起重物下停留。管道吊装其前必须绑牢,试吊后再正式起吊。4、电焊机等用电设备必须由

11、专业电工接线,接地良好,有漏电开关,湿地作业时应使用安全电压,防止触电。5、管道试压时,应在管弯处加固支承,管身中段可以先回填土。水压试验中,管弯及管端处严禁站人,管道带压时,严禁对管身、接口进行敲打或进行焊口修补作业,管道卸压应缓慢进行,并把放气口阀门打开,防止真空形成。六、机具材料计划序号名称型号规格 单位 数 量1汽车起重机16T台12载重汽车5T台13交流电焊机 BX1500台124角向磨光机100-150台65倒链1-2T/3-5个66氧炔皮管割枪套47水准仪S3台28电动液压泵40Mpa台19反铲挖掘机0.6m3台110七、施工进度计划项 目日 历 天0510152025303540455055606570矿山场地排水管厂区给水管网某某水泥有限公司24000t/d水泥生产线工程给水管道施工方案 受 控: 编 号:QES/GXEA-B2-平南鱼峰-005编制单位:广西建工集团第二建筑设备安装工程有限责任公司审批单位:日 期:2005年8月8日某某水泥有限公司24000t/d水泥生产线工程给水管道施工方案 受 控:编 号: 编 制:审 核: 审 批:

展开阅读全文
相关资源
猜你喜欢
相关搜索

当前位置:首页 > 建筑/环境 > 设计及方案

copyright@ 2008-2023 1wenmi网站版权所有

经营许可证编号:宁ICP备2022001189号-1

本站为文档C2C交易模式,即用户上传的文档直接被用户下载,本站只是中间服务平台,本站所有文档下载所得的收益归上传人(含作者)所有。第壹文秘仅提供信息存储空间,仅对用户上传内容的表现方式做保护处理,对上载内容本身不做任何修改或编辑。若文档所含内容侵犯了您的版权或隐私,请立即通知第壹文秘网,我们立即给予删除!