某生活垃圾转运车间工程临时用电专项施工方案.doc

上传人:p** 文档编号:949321 上传时间:2024-05-16 格式:DOC 页数:12 大小:73.70KB
下载 相关 举报
某生活垃圾转运车间工程临时用电专项施工方案.doc_第1页
第1页 / 共12页
某生活垃圾转运车间工程临时用电专项施工方案.doc_第2页
第2页 / 共12页
某生活垃圾转运车间工程临时用电专项施工方案.doc_第3页
第3页 / 共12页
某生活垃圾转运车间工程临时用电专项施工方案.doc_第4页
第4页 / 共12页
某生活垃圾转运车间工程临时用电专项施工方案.doc_第5页
第5页 / 共12页
某生活垃圾转运车间工程临时用电专项施工方案.doc_第6页
第6页 / 共12页
某生活垃圾转运车间工程临时用电专项施工方案.doc_第7页
第7页 / 共12页
某生活垃圾转运车间工程临时用电专项施工方案.doc_第8页
第8页 / 共12页
某生活垃圾转运车间工程临时用电专项施工方案.doc_第9页
第9页 / 共12页
某生活垃圾转运车间工程临时用电专项施工方案.doc_第10页
第10页 / 共12页
亲,该文档总共12页,到这儿已超出免费预览范围,如果喜欢就下载吧!
资源描述

《某生活垃圾转运车间工程临时用电专项施工方案.doc》由会员分享,可在线阅读,更多相关《某生活垃圾转运车间工程临时用电专项施工方案.doc(12页珍藏版)》请在第壹文秘上搜索。

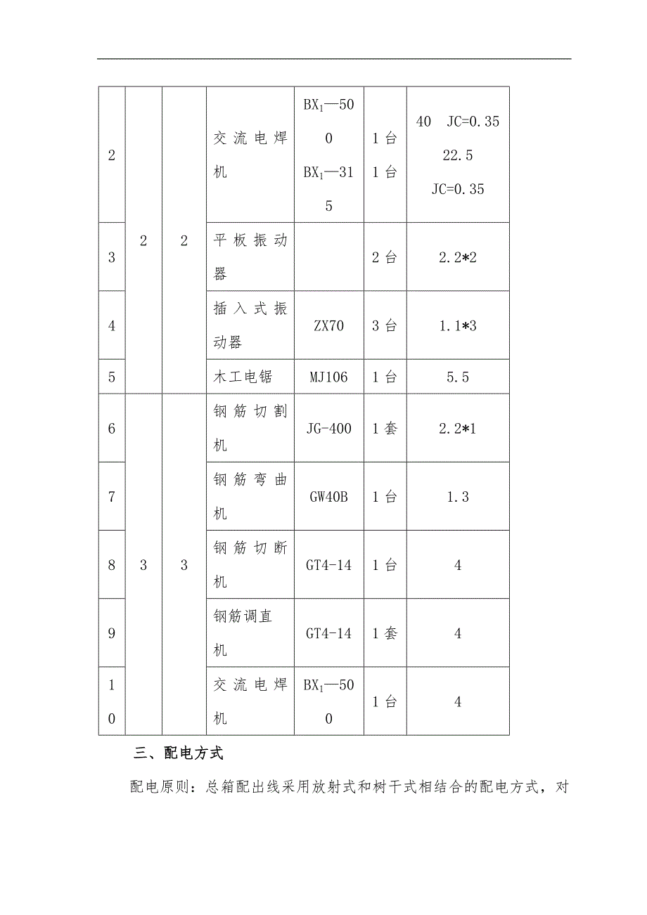
1、临时用电施工方案一、编制说明:本用电方案为1号建筑物(生活垃圾转运车间)工程施工方案的配套技术方案。本用电方案是根据施工现场临时用电安全技术规程(JGJ462005)、建设工程施工现场供用电安全规范(GB5010493)及施工具体情况编制。二、工程概况:本工程名称为1号建筑物(生活垃圾转运车间),位于河北省石家庄市正定县。本建筑物基底面积为598.2,建筑面积为1525.7。建筑层数为地上一层,建筑高度14.55m。该工程为框架结构,设计使用年限为50年,抗震设防烈度为7度,耐火等级二级。本工程需用机械、电器、电料均已备齐,并已检修保养完毕,可随进度需要有序进场布置。本工程施工机械及参数一览表

2、:序号供电回路配电箱XDDR设备名称规格数量标志功率PKVA(KW)1砂浆搅拌机1套3*1222交流电焊机BX1500BX13151台1台40 JC=0.3522.5 JC=0.353平板振动器2台2.2*24插入式振动器ZX703台1.1*35木工电锯MJ1061台5.5633钢筋切割机JG-4001套2.2*17钢筋弯曲机GW40B1台1.38钢筋切断机GT4-141台49钢筋调直机GT4-141套410交流电焊机BX15001台4三、配电方式配电原则:总箱配出线采用放射式和树干式相结合的配电方式,对负荷比较大的配电点可用单独回路配电,对负荷较远又比较小的配电点上的分箱可采用树干式配电方式

3、,总箱中的一路配线先到较近负荷点的分配电箱,再到较远的负荷点分配电箱,一路线上带的分配电箱数量一般为23个,由分配电箱至设备开关箱配线采用放射式或链式配线,对重要负荷或较大负荷采用放射式单路直配,对较小的负荷可采用链式配线,但每路链接设备不宜超过5台,其总容量不宜超过10KW。本系统总负荷较大,且有较大单项负荷何,所以配电方式采用放射式,即总配电箱出线,带分配电箱,分配电箱放射出线,带几个开关箱。详见供配电系统图。四、系统接地方式当现场施工设备供电的变压器低压侧为380V220V中性点直接接地时,低压系统的接地形式必须采用TN-S系统,如图1所示,电器设备的金属外壳必须与专用保护零线(PE线)

4、连接,不得一部分设备作保护接零,另一部分设备作保护接地,保护零线不得装设开关或熔断器,保护零线应单独设置,不作它用,重复接地线应与保护零线相连接。保护零线使用铜线不少于10mm2,铝线不少于16mm2,与电气设备相连的保护零线可用不少于6mm2绝缘多股铜线,保护零线统一标志为绿/黄双色线(以前为黑色),在任何情况下不准使用绿/黄双色线作负荷线。保护零线除必须在配电室或总配电箱处作重复接地外,还必须在配电线路的中间处和末端处做重复接地。重复接地电阻值不大于1欧,不得用铝导体做接地体或地下接地线,垂直接地体不宜采用罗纹钢。垂直接地体应采用角铁、镀锌铁管或圆钢,长度1.52.5m,露出地面1015c

5、m,接地线与垂直接地体连接应采用焊接或螺纹连接,禁止采用绑扎的方法,施工现场所有用电设备,除做保护接零外,必须在设备负荷线的首端处设置漏电保护装置。五、漏电开关设置位置(1)在总箱中,开关的负荷侧设漏电保护器。(2)在设备的开关箱内,开关的负荷侧设漏电保护器。六、防雷保护总配电箱进线处和变压器低压母线上应装设低压避雷器,避雷针长度12米,可用16圆钢端部磨尖。避雷针保护范围按60遮护角防护。七、配电箱选型及安装位置确定根据施工现场临时用电安全技术规范JGJ46-2005、J405-2005的要求,总配电箱和分配电箱均应装设总闸和分路隔离开关,总熔断器和分路熔断器(或总自动开关和分路自动开关)以

6、及漏电保护器(若漏电保护器同时具备过负荷和短路保护功能,则可不设分路熔断器或分路自动开关)。每台设备应有独立的开关箱,实行一机一闸制,严禁用一个电器开关直接控制二台及二台以上用电设备(含插座)。选择GJK型施工现场临时用电标准配电箱,具体型号为:1、总配电箱GJK-Z3/B型,数量1台,2、分配电箱GJK-F6/D型,数量3台,3、开关箱GJK-K1/D型,数量2台,4、开关箱GJK-4F/C型,数量1台,总配电箱应设在靠近电源的地方,分配电箱应设在用电设备相对集中的地方,开关箱与分配电箱的距离不得超过30m,开关箱与被控制的固定式用电设备距离不得超过5m。配电箱、开关箱应设在干燥、通风及常温

7、处,不应设在多尘、水雾或有腐蚀性气体、爆炸危险的场所以及有剧烈振动和地势低洼可能积水的场所,否则要采取防护措施,要避开外来物的冲击和撞伤。配电箱四周有要有一定的维护操作距离,即足够两人同时工作的空间或通道。八、主要线路选型及敷设方式根据用电负荷及施工场地平面图选择主要供电线路型号、规格、长度,由于本施工现场较小,不作电压降校验。电缆干线采用地埋敷设,严禁沿地面明设,并应避免机械损伤和介质腐蚀,电缆穿越建筑物、道路、易受机械损伤的场所及引出地面从2m高度至地下0.2m处,须加设防护套管,电缆埋地敷设时,电缆表面距地面不得小于0.6m,且电线上下均匀铺设不小于50厚细砂或软土,而后再盖砖保护。埋地

8、电缆有接头时,接头需做在地面上的接线盒中,并能防雨、防尘、防机械损伤,并远离易燃、易爆、易腐蚀场所。九、安全电技术措施和电气防火措施1、组织措施(1)项目部设专人负责电气安全技术档案的建立与管理。(2)设临电维护操作电工二名,负责填写用电记录和维护临电线路设备与操作开关。电工必须熟悉用电安全规程、规范,并认真执行。2、线路开关及设备每月检查一次,包括线路的绝缘测试、接地电阻测试、设备绝缘测试及线路设备完好情况的检查等。3、根据施工现场情况,配电系统采用TN-S系统,所有用电设备的外壳必须与专用的PE线相连通,总接地电阻须小于10欧姆。4、手持式用电设备的保护地线应在移动电缆芯内,其截面必须大于

9、1.5mm2。5、配电箱开关操作顺序必须为:送电:总箱分箱开关箱停电:开关箱分箱总箱6、维修和操作开关时,电工必须按规定穿戴绝缘鞋、手套、必须使用绝缘工具。7、停电1小时以上时,开关箱、配电箱必须上锁。8、开关箱内不得有杂物,并保持整洁。9、开关的更换、熔断器熔体的更换严禁用不合格的开关、熔体代。10、现场应配备灭火工具、器材,确保电气设备及现场其他设备的安全。确定用电负荷:(1)、灰浆搅拌机Kx = 0.5 Cos = 0.55 tg = 1.52Pjs = 0.52.2 = 1.1 kWQjs = Pjs tg=1.11.52 = 1.67 kvar(2)、插入式振动器Kx = 0.3 C

10、os = 0.7 tg = 1.02Pjs = 0.30.8 = 0.24 kWQjs = Pjs tg=0.241.02 = 0.24 kvar(3)、平板式振动器Kx = 0.3 Cos = 0.7 tg = 1.02Pjs = 0.30.5 = 0.15 kWQjs = Pjs tg=0.151.02 = 0.15 kvar (4)、钢筋调直机Kx = 0.3 Cos = 0.7 tg = 1.02Pjs = 0.34 = 1.2 kWQjs = Pjs tg=1.21.02 = 1.22 kvar(5)、钢筋切断机Kx = 0.3 Cos = 0.7 tg = 1.02Pjs = 0.

11、37 = 2.1 kWQjs = Pjs tg=2.11.02 = 2.14 kvar(6)、钢筋弯曲机Kx = 0.3 Cos = 0.7 tg = 1.02Pjs = 0.33 = 0.9 kWQjs = Pjs tg=0.91.02 = 0.92 kvar(7)、交流电焊机Kx = 0.35 Cos = 0.4 tg = 2.29将Jc =50%统一换算到Jc1 =100%的额定容量Pn = Sn Cos = 90.4=3.6kWPe = n(Jc/Jc1)1/2Pn = 1(0.5/1)1/23.6 = 2.55 kWPjs = KxPe =0.352.55 = 0.89kWQjs =

12、 Pjs tg=0.892.29 = 2.04 kvar(8)、木工圆锯Kx = 0.3 Cos = 0.6 tg = 1.33Pjs = 0.33 = 0.9 kWQjs = Pjs tg=0.91.33 = 1.2 kvar 接地装置详图漏电保护器保护: 用电线路中采用二级漏电保护,前级应采用漏电动作电流大于50mA,动作时间不大于0.1S的快速动作电流型漏电保护器,末级应采用不大于30mA(潮湿或有腐蚀性介质不大于15mA)、动作时间不大于0.1S的漏电保护器,漏电保护器在使用过程中应定期由专人检查,并将检查结果记入电工巡检记录中,检查发现不合格的应立即更换。十、电气设备的设置:(1)总

13、配电箱内设600A的空气开关作隔离开关,由其引出7路主干线。(2)配电箱应用不小于1.5mm厚的铁皮制作,箱内非绝缘配电板应与箱体和PE线可靠连接,进出电箱的电线一律由箱体下部开口处引入引出,配电板上应设置工作零线(N)接线排和保护零线接线排(PE),并明确标注:N或PE。(3)各配电箱开关箱,应安装端正,作好防雨设置,固定式电箱下口高1.31.5米,移动式电箱下口高0.61.5米,并保证箱前通道畅通、无杂物。(4)配电箱与开关箱距离不得30米,开关箱与用电设备距离不得大于3米。十一、电气设备操作与维修人员:(1)电工及维修人员必须持证上岗,严禁无证人员进行电气操作和维修工作。(2)各类用电人

14、员应掌握安全用电基本知识和新用设备的基本性能。专业电气作业人员应佩戴相应的劳动保护用品。工作时发现问题应立即排除并向上级汇报。(3)严禁设备带“病”工作。停用设备应拉闸断电上锁。(4)搬运设备必须切断电源.十二、电气设备的使用与维护:(1)配电箱、开关箱应每月进行一次定期检查,发现问题及时维修,维修时必须将前一级电箱的相应电源开关拉闸断电,挂停电检修标志,并锁好或派人看护,严禁带电作业,对于漏电保护器动作应查明原因,排除故障后,方可再次送电。(2)一般场所的照明电压为220V,环境潮湿和易触的场所照明电压不大于24V,行灯电压不大于36V。十三、现场照明1照明器材使用的环境条件(1) 在正常的空气相对湿度时使用,可选用开启式照明。(2) 在潮湿或特别潮湿的场所,应选用密闭型防水防尘照明器材或配有防水灯头的开启式照明器。十四、避雷针装置及其安装1避雷针装置由避雷针、导(防)雷引下线和接地装置组成。2脚手架接地处理:在脚手架长度不超过50m设置一接地点,接地线采用截面不小于16mm2的铝导线或截面不小于12mm2的铜导线,做好用焊接,焊接长度为接地线直径的6倍以上。十五安全用电措施:1技术交底制度: 开工前应由工程科在安全人员的监督下,向有关人员进行安全技术交底,详细介绍临时用电方案内容,安全用电措施和注意事项,完毕后履行签字手续。2安全检测制度:专业电工在工程技术人员的指导下对工

展开阅读全文
相关资源
猜你喜欢
相关搜索

当前位置:首页 > 建筑/环境 > 设计及方案

copyright@ 2008-2023 1wenmi网站版权所有

经营许可证编号:宁ICP备2022001189号-1

本站为文档C2C交易模式,即用户上传的文档直接被用户下载,本站只是中间服务平台,本站所有文档下载所得的收益归上传人(含作者)所有。第壹文秘仅提供信息存储空间,仅对用户上传内容的表现方式做保护处理,对上载内容本身不做任何修改或编辑。若文档所含内容侵犯了您的版权或隐私,请立即通知第壹文秘网,我们立即给予删除!