某联合厂房建筑施工方案.doc

上传人:p** 文档编号:949410 上传时间:2024-05-16 格式:DOC 页数:30 大小:165KB
下载 相关 举报
某联合厂房建筑施工方案.doc_第1页
第1页 / 共30页
某联合厂房建筑施工方案.doc_第2页
第2页 / 共30页
某联合厂房建筑施工方案.doc_第3页
第3页 / 共30页
某联合厂房建筑施工方案.doc_第4页
第4页 / 共30页
某联合厂房建筑施工方案.doc_第5页
第5页 / 共30页
某联合厂房建筑施工方案.doc_第6页
第6页 / 共30页
某联合厂房建筑施工方案.doc_第7页
第7页 / 共30页
某联合厂房建筑施工方案.doc_第8页
第8页 / 共30页
某联合厂房建筑施工方案.doc_第9页
第9页 / 共30页
某联合厂房建筑施工方案.doc_第10页
第10页 / 共30页
亲,该文档总共30页,到这儿已超出免费预览范围,如果喜欢就下载吧!
资源描述

《某联合厂房建筑施工方案.doc》由会员分享,可在线阅读,更多相关《某联合厂房建筑施工方案.doc(30页珍藏版)》请在第壹文秘上搜索。

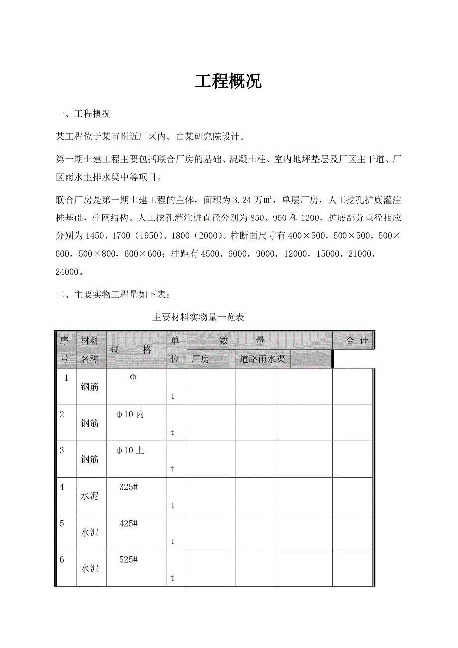
1、某联合厂房建筑施工方案目 录工程概况3总体安排4组织机构及指挥系统4方针目标管理6施工总体安排8施工进度计划安排8施工准备8技术准备8施工组织准备9施工机械的选择配备10总平面布置11临时用电12临时用水14劳动力配备16主要施工方法17测量放线17厂房施工17厂区主干道路32厂区雨水主排水渠34主要技术保证措施36保证施工工期的措施37保证工程质量的措施38保证安全、文明施工的措施40施工试验及计量管理41材料进场管理制度42合理化建议43售前售后服务44工程技术档案资料管理45工程概况一、工程概况某工程位于某市附近厂区内。由某研究院设计。第一期土建工程主要包括联合厂房的基础、混凝土柱、室内

2、地坪垫层及厂区主干道、厂区雨水主排水渠中等项目。联合厂房是第一期土建工程的主体,面积为3.24万,单层厂房,人工挖孔扩底灌注桩基础,柱网结构。人工挖孔灌注桩直径分别为850、950和1200,扩底部分直径相应分别为1450、1700(1950)、1800(2000)。柱断面尺寸有400500,500500,500600,500800,600600;柱距有4500,6000,9000,12000,15000,21000,24000。二、主要实物工程量如下表: 主要材料实物量一览表序号材料名称规 格单位 数 量 合 计厂房道路雨水渠 1钢筋 t2钢筋 10内 t3钢筋 10上 t 4水泥 325#

3、 t5水泥 425# t6水泥 525# t7元木 m38标砖24011563千匹9 中砂 过筛 m310 细砂 未过筛 m311砾石 m312砾石 m313砾石 m314砾石 m315生石灰 t总体安排组织机构及指挥系统一、指挥系统根据该工程的规模特点,公司领导班子特别重视,经过认真慎重多次研究决定将本工程列为公司一九九九年度重点工程,为组织协调和加强本工程的组织领导工作,特成立由公司总经理亲自挂帅,公司总工程师担任技术负责人,及各职能部门参加的工程现场指挥部,形成指挥系统,指挥系统图附后。二、组织机构本工程采用项目法施工,具体由我公司优秀项目经理部徐荣文项目经理部承担该工程的施工任务,全面

4、负责指挥该项目工程现场施工和各项管理工作,并在公司范围内抽调强有力的各项专业技术管理人员,充实原有班子,建成强有力的项目管理班子,健全各项管理制度,统一指挥,协调各方面的关系,确保工程的工期、质量、安全、成本及文明施工,做到优质高效。项目经理及管理人员简历和近期主要业绩见标书的前部分。三、各方面的组织协调在劳动力调配上,由项目经理部会同公司劳动力调配部门,组织优秀施工班组,具有丰实检经验和施工技术水平的操作人员。在物力上,公司的材料分公司将优先供应和串换现场需要的各种材料,公司的机械化分公司在砼机具、钢筋加工设备、发电设备、车辆等机械器具上优先解决,专人负责,确保机械器具的正常运转和使用。在财

5、力上,建设单位拔付的工程款在银行成立专门帐户,专款专用,当建设单位的资金暂时不到位时由公司内部通过资金结算中心等部门调集资金,保证工程正常施工。方针目标管理充分发挥国营一级建筑施工企业的优势,发扬“团结、实干、求实、创新”的三建精神,依据公司质量体系文件规定,制定出严格的质量、安全、工期的控制措施,大力采用新技术、新工艺、新材料,以科技进步推动施工生产,密切与建设单位、设计单位及其它周边相关单位之间的联系,强化项目管理,精心组织施工,确保优质高速地完成施工任务。为使各项目标全面实现,现详述如下:1、工期目标本工程标书所示原则工期为90天(四月一日至六月三十日)。我们在保证质量的前提下尽量提前。

6、2、质量目标在工程竣工后,由建筑工程质量监督检查站进行质量评定,工程质量优良,合格率必须达到100%。3、安全目标:本工程安全管理实行标准化,争取达到市级“安全施工标准化工地”。1)、施工安全方面:施工现场杜绝重大伤亡事故及机械设备事故,轻伤率控制在2内。2)、消防安全方面:施工现场杜绝火灾,火警事故。3)、治安管理方面:施工现场治安管理必须达标,无刑事犯罪案件,消除“六害”行为。4、现场管理目标:按照成都市政府文明工地规定,发扬项目部创十佳的经验,对施工全过程进行科学管理,建成标准化施工现场。项目部严格按GBT9002标准推行全面质量管理体系,严格按我公司质量体系文件(质量手册、质量体系控制

7、程序、质量文件汇编、质量记录汇编、施工作业指导书汇编)进行管理,确保高速优质地完成工程任务。施工总体安排整个工程施工原则为:先地下后地上,先基础后主体,充分利用平面、空间和时间,组织平面立体流水交叉作业,为及早插入下道工序和各专业施工创造条件,做到科学管理均衡施工。本工程主要由联合厂房、厂区道路、厂区排水明渠三大部分组成,三大部分平行施工,联合厂房分A区、B区两个流水段平行施工,道路和明渠也组织两班人马分段进行平行施工。施工进度计划安排由于规定工期为90天,我们充分利用人力、物力,发挥我公司的优势,合理调配劳动力,保证在规定工期90天内顺利完工。具体分联合厂房、厂区主干道、厂区雨水主排水渠三在

8、部分分段流水,交叉作业。详见施工总进度计划。施工准备技术准备一、组织学习图纸,进行会审通过学习图纸,熟悉图纸内容,了解设计要求和施工达到的标准,明确工艺流程,掌握和了解设计图纸细节。由建设单位、设计单位、施工单位共同进行图纸会审,彻底将施工图纸所存在的问题消除在施工之前。二、编制施工方案、预算、加工计划、进度计划、资金使用计划施工方案是统筹规划该工程进行施工准备和正常施工的全面性技术经济文件,同时也是编制施工图预算以保证施工顺利进行的先行技术文件之一,是施工交叉搭接、流水顺畅进行的先决步骤,作好施工前的预算、加工、进度计划步骤安排,方可保证原材料、半成品、成品构件等按时进场待用。施工组织准备该

9、工程采取公司领导下的项目法施工的组织形式,由公司所属优秀一级项目经理、具有厂房施工丰富经验的项目经理领导班子承担施工。项目班子职能部门齐全,包括技术、现场工长管理、质量、安全、材料、预算、财务、劳资、机械、治安、后勤等,对工程施工进行全面全过程的系统管理。施工机械的选择配备根据本工程的实物工程量结合工期需要,在厂区道路施工时配置1台12t静作用压路机(3Y12/15型压路机)和一台12t振动压路机(YZJ12A型压路机),另辅以2台装载机和5辆5t自卸汽车(同时供整个工程施工使用)进行现场内土方运输工作。另外综合考虑本工程的实际情况,现场配置全套钢筋加工机械各一台(其中钢筋切断机和钢筋弯曲机均

10、为两台)。本工程砼采用现场搅拌,经测算现场设置四台JDY350型强制式搅拌机即可满足需求。另现场砼运输采用两台专用砼运输机动翻斗汽车辅以若干辆手推车加以进行。另因本工程工期较紧,为确保不因施工现场停电而延误工期,故在施工现场设置一台120kw柴油发电机备用。本工程主要机械设备的选择见“施工现场主要施工机具一览表”。 主要施工机械机具一览表序号 机械名称 规 格单位数量 功率(单台) 备 注P1(KW)P2(KVA) 1挖掘机WY100台2130马力 2强制式搅拌机JDY350台4 15.55 3钢筋对焊机UN1-75台1 25 4钢筋切断机QJ40-1台2 5.5 5 电焊机台3 27 6 钢

11、筋弯曲机WJ40-1台1 2.8 7钢筋调直机GJ6-4/8台1 5.5 8蛙式打夯机HW-201台4 1.5 9振动夯实机HZ-280台2 32.6 10 园盘锯M3Y-200台1 3 11 压 刨MB904台1 4 12插入式振动器HZ6-50台4 1.1 13高频插入式振动器HZ6-50台4 1.1 14平板振动器台2 1.1 15深井泵QY-25台4 2.2用于抽干桩孔内水 16污水泵台2 1.1用于抽干集水坑内水 17静作用压路机3Y12/15辆180马力 18 振动压路机YZJ12A辆1100马力 195t自卸汽车辆5 20汽车吊QY20H台2 21履带式吊车W1-50台2 22装

12、载机ZL50台2220马力 总平面布置根据建设单位提供的现场情况,建筑总平图及现场实勘,遵循经济合理的原则规划修建现场临时设施。施工现场内沿围墙搭设设办公室(包括医务室)、水泥库房、搅拌机棚、食堂、材料工具库房及职工宿舍;同时在紧靠施工办公用房处搭设一30甲方临时办公室。所有临设一律用标准粘土砖砌筑,上铺石棉瓦。办公室地坪为水泥砂浆地坪,内墙抹灰,外墙清水墙勾缝。甲方办公室若甲方有特殊要求时,我方将配合甲方有关人员进行施工。根据现场踏勘,我方现场施工临时排水沟可利用施工现场南边现有沟渠,排放搅拌台及生活区经沉淀后的污水;而联合厂房施工范围内若采用封闭排水沟进行有组织排水,则因其覆盖范围广、距离

13、长,故费用较高,同时排水沟内水渗入膨胀土内,影响膨胀土的质量;故考虑本工程属非雨季期间施工,为有利于膨胀土的保护,可分区设置封闭集水坑,采用人工挑水结合抽水泵进行排放。另为保证夜间施工照明度,在A区、B区各设四座镝灯架,镝灯架用钢管脚手架搭设。施工现场总平面布置详总平面布置图。临时用电施工现场用电由甲方在厂区东北角的750KVA变电站提供,电线沿围墙或厂房周边设置(具体布置详总平面布置图),每隔20米设一根电杆(鉴于我方在前期场地平整工作中发现在施工现场内甲方有若干闲置电杆,若甲方提供使用,则该部分费用按规定扣除),厂房周边每隔50米设一动力配电箱,施工时随用随迁临时线路。施工现场用电量按施工最高峰阶段的最大用电量为准进行计算,其中照明用电量按施工机械及动力设备用电量的10%计,则 P=1.05(K1P1/cos+K2P2) =1.

展开阅读全文
相关资源
猜你喜欢
相关搜索

当前位置:首页 > 建筑/环境 > 设计及方案

copyright@ 2008-2023 1wenmi网站版权所有

经营许可证编号:宁ICP备2022001189号-1

本站为文档C2C交易模式,即用户上传的文档直接被用户下载,本站只是中间服务平台,本站所有文档下载所得的收益归上传人(含作者)所有。第壹文秘仅提供信息存储空间,仅对用户上传内容的表现方式做保护处理,对上载内容本身不做任何修改或编辑。若文档所含内容侵犯了您的版权或隐私,请立即通知第壹文秘网,我们立即给予删除!