某项目测量施工方案1.doc

上传人:p** 文档编号:949601 上传时间:2024-05-17 格式:DOC 页数:9 大小:257.50KB
下载 相关 举报
某项目测量施工方案1.doc_第1页
第1页 / 共9页
某项目测量施工方案1.doc_第2页
第2页 / 共9页
某项目测量施工方案1.doc_第3页
第3页 / 共9页
某项目测量施工方案1.doc_第4页
第4页 / 共9页
某项目测量施工方案1.doc_第5页
第5页 / 共9页
某项目测量施工方案1.doc_第6页
第6页 / 共9页
某项目测量施工方案1.doc_第7页
第7页 / 共9页
某项目测量施工方案1.doc_第8页
第8页 / 共9页
某项目测量施工方案1.doc_第9页
第9页 / 共9页
亲,该文档总共9页,全部预览完了,如果喜欢就下载吧!
资源描述

《某项目测量施工方案1.doc》由会员分享,可在线阅读,更多相关《某项目测量施工方案1.doc(9页珍藏版)》请在第壹文秘上搜索。

1、目 录1、编制依据22、工程概况23、施工测量基本要求34、施工准备34.1技术准备34.2现场准备44.3人员准备44.4材料机具准备45、施工方法55.1红线桩、水准点的校核55.2建筑物定位55.3控制测量55.40.00以下结构施工测量放线控制65.50.00以上结构施工测量放线控制65.6变形监测75.7装修阶段的测量放线85.8测量管理86、质量标准97、注意事项9附图:8#10#楼定位放线引线桩平面布置图 11#13#楼定位放线引线桩平面布置图 8#10#楼定高程控制点平面布置图 11#13#楼高程控制点平面布置图 8#11#楼地上内部控制点平面布置图 12#13#地上内部控制点

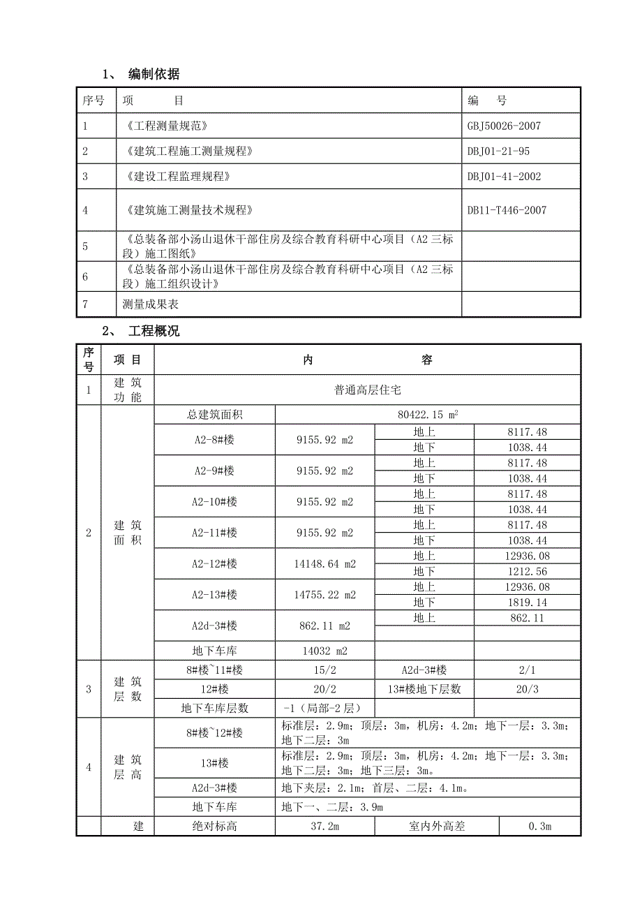
2、平面布置图1、 编制依据序号项 目编 号1工程测量规范GBJ50026-20072建筑工程施工测量规程DBJ01-21-953建设工程监理规程DBJ01-41-20024建筑施工测量技术规程DB11-T446-20075总装备部小汤山退休干部住房及综合教育科研中心项目(A2三标段)施工图纸6总装备部小汤山退休干部住房及综合教育科研中心项目(A2三标段)施工组织设计7测量成果表2、 工程概况序号项 目内 容1建 筑功 能普通高层住宅2建 筑面 积总建筑面积80422.15 m2A2-8#楼9155.92 m2地上8117.48地下1038.44A2-9#楼9155.92 m2地上8117.48地

3、下1038.44A2-10#楼9155.92 m2地上8117.48地下1038.44A2-11#楼9155.92 m2地上8117.48地下1038.44A2-12#楼14148.64 m2地上12936.08地下1212.56A2-13#楼14755.22 m2地上12936.08地下1819.14A2d-3#楼862.11 m2地上862.11地下车库14032 m23建 筑层 数8#楼11#楼15/2A2d-3#楼2/112#楼20/213#楼地下层数20/3地下车库层数-1(局部-2层)4建 筑层 高8#楼12#楼标准层:2.9m;顶层:3m,机房:4.2m;地下一层:3.3m;地下

4、二层:3m13#楼标准层:2.9m;顶层:3m,机房:4.2m;地下一层:3.3m;地下二层:3m;地下三层:3m。A2d-3#楼地下夹层:2.1m;首层、二层:4.1m。地下车库地下一、二层:3.9m5建 筑高 度绝对标高37.2m室内外高差0.3m8#11#楼基础标高-6.4m8#11#楼最大基坑底标高-9.35m12#楼基础标高-6.4m12#楼最大基坑底标高-9.6513#楼基础标高-9.4m12#楼最大基坑底标高-12.35车库基础标高-7.4m(-11.35m)车库基底标高-11.958#11#楼建筑高度45m12#建筑高度60m13#楼建筑高度59mA2d-3#楼10m6建 筑平

5、 面纵轴编号8#楼8-18-25横轴编号8#楼8-A8-H9#楼9-19-259#楼9-A9-H10#楼10-110-2510#楼10-A10-H11#楼11-111-2511#楼11-A11-H12#楼12-112-2512#楼12-A12-H13#楼13-113-2513#楼13-A13-HA2d-3#楼2526A2d-3#楼TY地下车库1728地下车库AAU纵轴距离8#11#楼37.60m横轴距离8#11#楼16.40m12#、13#楼46.80m12#、13#楼19.60mA2d-3#楼8.4mA2d-3#楼42m3、 施工测量基本要求3.1 明确为工程服务,对按图施工和工程进度负责的

6、目地。3.2 严格审核测量起始依据的正确性,作到测量作业步步有校核。3.3 根据测设场区控制网测设本楼控制网。3.4 定位、放线工作在自检互检合格后上报有关部门验线。3.5 保护好桩位,使用钢尺应加三差改正。3.6 注意测量工作的保密、安全,有问题及时上报。4、 施工准备4.1 技术准备4.1.1 红线桩及水准点的校核:建筑用地红线桩的坐标、角度和距离的校核;建筑物定位依据及定位条件的校核;水准点的校核。4.1.2 施工图纸的校核:总平面图各楼角点坐标校核,建筑物轴线的几何关系;平、立、剖面节点大样的几何尺寸;各层相对高程与总图是否对应;墙、柱及梁等结构的尺寸校核;校核结构图与建筑图、设备图是

7、否对应。4.1.3 发现问题提前解决,并办理好洽商变更手续。4.1.4 技术员将洽商变更内容及时通知施工管理人员及作业班组,以便正确指导施工。4.1.5 根据建筑工程施工测量规程,根据甲方提供测量成果表,建立轴线控制网。4.2 现场准备4.2.1 根据总平面图及拔地钉桩通知单对红线桩的原始依据进行校核。4.2.2 校测红线桩的距离、夹角及坐标。4.2.3 校测水准点的高差(业主提供的水准点三个)。4.2.4 与甲方办理红线桩、水准点及相关测量原始资料的交接手续。对移交后的桩点进行妥善保护,防止桩点受到扰动破坏。4.3 人员准备项目部配备一名验线人员,每个区段配备2名放线人员,均持证上岗。施测人

8、员组织机构如下:4.4 材料机具准备序号机 具 名 称型 号数 量1全站仪PCS2252台2水准仪S34台3经纬仪DXJ3-L14台4钢卷尺50m 级2把5激光铅直仪D2J32台6塔尺5m2把7盒尺5m4把8对讲机好捷通3对5、 施工方法5.1 红线桩、水准点的校核根据总平面图及钉桩通知单对红线桩的原始依据进行校核。采用全站仪的special mode 菜单中的coordinates measure 命令校测红线桩的距离、夹角及坐标。由于本工程业主提供的水准点为三个,采用复合测量的方法,校测水准点的高差。5.2 建筑物定位本工程地下部分采用外控法进行测量控制,地上部分采用内控法。控制网布设:在

9、现场内布设三级控制网。根据各楼主轴线,由测量成果通知单上的已知桩位引测出每条轴线上的两个点,并做出控制桩作为一级控制网;再根据各楼的坐标,由一级控制桩引测出二级控制网,二级控制网的桩点均在建筑物的边轴线向内1000或500上。由各建筑物控制线引测出三级控制网。控制网用电子全站仪施测,精度等级采用一级(测角中误差9、边长相对中误差1/24000);高程控制网测量精度采用等外水准技术要求,闭合差20L mm。 各楼基础部分设横纵轴线控制线;地上部分每个流水段保证有3个可以通视的控制点。建筑物定位:根据定位依据桩测设建筑物四廓各大角处的控制桩。以各轴线的控制桩测设建筑物四大角。经自检互检合格后,提请

10、监理部门验线。 控制桩的保护要求:施工时,对定位标准桩、轴线引桩、标准水准点等搭设护架,不得撞碰,并应定期复测和检查标准桩点是否正确。5.3 控制测量5.3.1 平面控制测量根据建筑物的几何特点,矩形部分控制网采用矩形网,采用轴线法施测,误差分布比较均匀;如有曲线部分,采用极坐标法施测; 控制桩位置应选择在基坑变形区之外,采用埋深80100cm的砼柱墩,上固定钢筋做永久标记;控制网起始轴线应进行轴线调直,直线误差应小于5;控制网用电子全站仪施测采用二级建筑方格网。平面控制网轴线(见附图)5.3.2 高程控制测量根据甲方提供的水准点,确定施工现场3个高程控制点,视距不大于75m;建筑场区高程控制

11、网应采用几何水准测量法建立,工作基点设置在远离建筑物不少于25m的位置上,高程控制点的布设应满足建筑物每个角点同时有两个高程控制点通视;应在施工中校测控制点高程,采用直接水准测量法由工作基点导出高程控制点的即时高程值,高程控制应采用复合测法;控制网用电子水准仪施测,精度等级采用三等(4mm);控制点可采用墙上抹灰固定铁钉进行设置;控制网在使用期间应定期复测,冻融及雨季后各复测一次。控制网在使用期间应定期复测,周期一般为三个月,若发现变形,及时调整坐标成果。5.4 0.00以下结构施工测量放线控制5.4.1 轴线投测槽边线控制:土方施工单位完工后,对基槽基底标高及定位桩进行复查、校核、验收。平面

12、控制网经校测后,向垫层上投测四廓主轴线,闭合调整后加密细部轴线;除对矩形测角、测边外,还应加对角线的方向与距离测量,以加强图形强度;地面整体平面控制格网的纵横轴线测设到防水保护层面层后,应测设出柱行列中轴线,相邻柱中心间距的测量允许误差为1mm;5.4.2 高程传递用钢尺竖直向基坑内传递高程,用经纬仪高程校测,要求精度为3mm;在每楼塔吊上引测出-6.5m,作为临时标高控制点,效差不大于3mm,作为基础施工的高程依据。5.5 0.00以上结构施工测量放线控制5.5.1 平面放线内控点测设:首层以上各层的轴线由有内控点采用铅垂线法向上引测,首层楼板混凝土浇筑后,依据建筑物控制网测设内控点。内控点

13、应组成闭合图形,位置详见附图,布设方案应提交监理审批。在各楼层或施工段上形成闭和图形,投测后必须校核边长和夹角,边长相对中误差1/20000,测角中误差10。内控点依据二级控制网上桩点测设,测设后仔细校核,准确无误后定点,进行保护。依据每段上的两个内控点放出该段的轴线、结构构件边线、控制线,测设过程中随时与第三个控制点进行校核。利用激光铅直仪进行层间的轴线传递。段与段之间的位置线,必须随时较核,如出现误差,必须找出原因,予以更正。5.5.2 高程测设高程控制采用悬挂钢尺法,由基坑上的高程控制点直接引测,以便减少测站数,提高引测精度,但应注意悬挂标准中午和进行钢尺的尺长和温度改正。高程控制点应安排在外墙转角或楼梯间处,保证引测时不抗线。高程控制应有由层标高控制线向上引测,每次引测均应由首层(0.000)开始垂直向上用钢尺量具,同样要注意悬挂标准重物,并进行尺长和温度改正,每次引测还应由首层三个不同地方向上引测,然后在同层进行闭合校核,校核无误后(精度不合调整),经监理验收后方可使用。标高引测时应注意层高和全高的控制,层高允许误差3mm,全高20mm。每层标高引测:应尽量能从首层标高向上引测,降低因楼层数累计的误差。各高程控制点在每层应能组成闭合图形,相互做校核。5.6 变形监测由甲方委托具有相当资质的单位进行对主体建筑的沉降观测,按设计要求沉降量超过30mm

展开阅读全文
相关资源
猜你喜欢
相关搜索

当前位置:首页 > 建筑/环境 > 设计及方案

copyright@ 2008-2023 1wenmi网站版权所有

经营许可证编号:宁ICP备2022001189号-1

本站为文档C2C交易模式,即用户上传的文档直接被用户下载,本站只是中间服务平台,本站所有文档下载所得的收益归上传人(含作者)所有。第壹文秘仅提供信息存储空间,仅对用户上传内容的表现方式做保护处理,对上载内容本身不做任何修改或编辑。若文档所含内容侵犯了您的版权或隐私,请立即通知第壹文秘网,我们立即给予删除!