某项目挤密灰土桩施工方案.doc

上传人:p** 文档编号:949608 上传时间:2024-05-17 格式:DOC 页数:8 大小:78.50KB
下载 相关 举报
某项目挤密灰土桩施工方案.doc_第1页
第1页 / 共8页
某项目挤密灰土桩施工方案.doc_第2页
第2页 / 共8页
某项目挤密灰土桩施工方案.doc_第3页
第3页 / 共8页
某项目挤密灰土桩施工方案.doc_第4页
第4页 / 共8页
某项目挤密灰土桩施工方案.doc_第5页
第5页 / 共8页
某项目挤密灰土桩施工方案.doc_第6页
第6页 / 共8页
某项目挤密灰土桩施工方案.doc_第7页
第7页 / 共8页
某项目挤密灰土桩施工方案.doc_第8页
第8页 / 共8页
亲,该文档总共8页,全部预览完了,如果喜欢就下载吧!
资源描述

《某项目挤密灰土桩施工方案.doc》由会员分享,可在线阅读,更多相关《某项目挤密灰土桩施工方案.doc(8页珍藏版)》请在第壹文秘上搜索。

1、目 录一、工程概况2二、编制依据2三、施工方案33.1、施工工艺33.2、准备工作33.3、工序施工43.4注意事项5四、质量检测64.1检测依据的规范标准64.2检测项目6五、机械设备及人员配置75.1施工机械选择:75.2施工人员配置:7六、进度计划安排7七、环境保护7八、安全文明施工8九、附件8挤密灰土桩施工方案一、工程概况本段沿线地表至渠底下5m范围内地层主要由黄土状粉质壤土及重粉质壤土构成。结构类型有黄土状土均一结构、粘性土均一结构和上粘性土为主、下软弱岩结构三种,并以黄土状土均一结构为主。黄土状土沿渠线分布广泛而连续。沿线黄土状土湿陷性在空间分布上的随机性较大,无论水平方向还是垂直

2、方向都具有不均匀性。本渠段黄土状土多属非自重湿陷性黄土,个别地点具自重湿陷性,场地湿陷类型为非自重湿陷性黄土场地,地基湿陷等级多为I级(轻微),只有东陈庄段为级(中等)。全新统冲积成因(alQ4)的黄土状土多为中等湿陷性,湿陷深度一般24m;上更新统冲洪积成因(alplQ3)的黄土状土多为轻微中等湿陷性,局部具强湿陷性,湿陷深度一般38m,湿陷起始压力一般10200kPa。黄土状土抗冲刷能力差,天然状态下强度偏高,具有湿陷性的黄土状土遇水产生湿陷变形,强度明显降低影响渠道边坡的稳定和地基土强度。按设计要求,渡槽出口段XYD9+753.27XYD9+838.14,渠道XYD9+838.14XYD

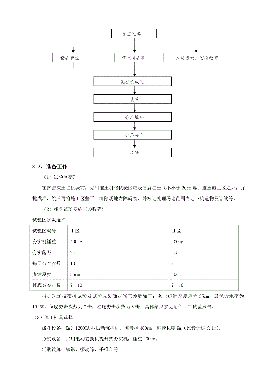
3、10+000段左右侧堤身基础湿陷性黄土区域采用挤密灰土桩处理。设计参数:挤密灰土桩采用等边三角形布置,桩径400mm,有效加固桩长m,桩中心距为0.7m,桩内回填土的压实系数应不小于0.97,桩间土的最小挤密系数不低于0.88。通过挤密灰土桩处理,从而消除渠堤填筑范围内黄土的湿陷性(处理深度为具中等湿陷性黄土状中壤土层厚),增强基础的承载力。二、编制依据2.1湿陷性黄土地区建筑规范(GB50025-2004)2.2建筑地基处理技术规范(JGJ79-2002);2.3投标文件中技术文件。2.4挤密桩相关试验检测报告。三、施工方案3.1、施工工艺挤密桩施工工艺流程如下:施工准备设备就位填充料备料人

4、员进场,安全教育沉桩机成孔拔管施工组织进场报验分层填料分层夯实检验3.2、准备工作(1)试验区整理在挤密灰土桩试验前,先用推土机将试验区域表层腐植土(不小于30cm厚)推至施工区之外,并拢成堆,然后再将施工区整平。清除场地内障碍物,并标记处理场地范围内地下构造物及管线等。(2)相关试验及施工参数确定试验区参数选择试验区编号区区夯实机锤重400kg400kg夯实落距2m2.5m每层夯实次数108虚铺厚度35cm30cm桩底夯实击数710710根据现场挤密桩试验及试验成果确定施工参数如下:灰土虚铺厚度应为35cm,最优含水率为19.5%,每层夯击次数为7击,桩底夯击次数为8击,具体结果参见附件土工

5、试验报告。(3)施工机具选择 成孔设备:Km2-12000A型振动沉桩机,桩管径400mm,桩管长度9m(比设计桩长1m)。夯实设备:采用电动卷扬机提升式夯实机,锤重400kg。辅助设施:铁锹、振动筛、手推车等。(4)测量放样首先采用GPS或全站仪放出试验区的四周边线,在挤密灰土桩处理范围内沿渠道轴线方向放出左右边桩,撒石灰线作出标识。桩位按设计要求等边三角形布置,桩径400mm,有效加固桩长m,桩中心距为0.7m。在处理范围外10m设置标高基准点,并测试各桩点的标高,用于控制挤密灰土桩的设计高程。3.3、工序施工(1)成孔施工成孔顺序:先外后里,隔排隔行,间隔2孔跳打,即从整片挤密地基的外边

6、线向里成孔,间隔2孔施工,打后立即回填,示意图如下: (2)沉管法成孔挤密桩地基处理层为湿陷性黄土,采用Km2-12000A型振动沉桩机沉管成孔。沉桩机用直径400mm钢管打入土中拔管成孔,桩管顶设桩帽,下端作成60锥形活动桩尖,施工前在钢管上标出控制深度标记,以便施工中进行钢管深度观测。1)采用打桩机将桩管打入土层中至设计深度,然后缓慢拔出桩管即成孔,在沉管成孔施工中,应作到:桩机就位必须平稳,不发生移动或倾斜,桩管应对准桩位。沉管开始阶段应轻击慢沉,待桩管方向稳定后再以正常速度沉管。2)沉管成孔施工,桩顶设计标高以上预留50cm覆盖土层。3)挤密灰土桩施工时应控制拔管速度,在拔管前宜停顿1

7、0秒左右。成孔后清底夯实、夯平,并应抽样检查桩孔的直径、深度和垂直度: 桩孔的垂直度偏差不宜大于1.5%。桩孔中心点的偏差不宜超过桩距设计值的5%。 4)经检验合格后,应按设计要求,向孔内分层填入筛好的素土、灰土或其他填料,并应分层夯实至设计标高。5)铺设灰土垫层前,应按设计要求将桩顶标高以上的预留松动土层挖除或夯(压)密实。 (3)桩孔夯填1)夯实成桩施工步骤:夯机整平稳固并对准桩孔中心底夯填料夯实填料至设计桩顶标高夯机移位2)在夯实机就位后应保持平稳,使夯锤对中桩孔,能够自由落入孔底。3)桩孔内有杂物和积水应清除干净,填料前应先夯实孔底。人工填料时指定专人按规定数量均匀填入。夯填的次序是先

8、底夯,保证有效处理深度,底夯8击,听到清脆锤声后开始填料夯实。4)土料必须要使用合格土料,一般要过筛,筛孔规格为20mm,土块粒径不得大于15mm。5)石灰用生石灰消解而成,生石灰必须充分消解(闷透),生石灰消解时间不得小于3-4天,消解后的石灰过筛,粒径不得大于5mm,且不得夹有未熟化的生石灰块粒,石灰质量不低于三级,活性成分Cao+Mgo(按重量计)不小于50%。6)经常测灰土的含水量,以保证灰土含水量接近最优。当灰土含水量超出最优含水量19.5%的2%时,应洒水湿润或晾晒。7)灰土拌和比例为3:7,要求灰土拌和均匀,颜色一致,拌和好的灰土不宜隔日使用。8)每次分层填料厚度35cm,夯锤提

9、高22.5m(原地面起提升高度),每层夯击次数为7击,听到清脆锤声后方可进行上一层填料夯实。桩孔的夯填高度高出设计桩顶30cm。桩顶以上预留50cm厚的土层,待施工结束后,将表层挤松的土挖出。9)灰土填料采用斗车填料法,事先量测好铺填厚度所用料量,然后再放入斗车,在斗车内部料顶边缘作一周线性标记,依次每次填料重复至此标记。当倾倒填料时,孔口放置漏斗或孔口挖成漏斗状,以防填料意外倾洒而导致填料不准现象。3.4注意事项(1)挤密灰土桩开始成孔前应检验打桩机桩管是否应对桩孔。确保垂直度偏差不大于1.5%。(2)沉管开始阶段应轻击慢沉,待桩管方向稳定后再按正常速度沉管。(3)当桩管沉至设计深度后应及时

10、拔出,不要在土中搁置时间过久,以防拔管困难。当拔管困难时可用水侵润桩管周围土层或将桩管旋转后拔出,以防孔口破坏。(4)施工顺序应隔排隔行,间隔12孔跳打,成孔后立即回填,以防止邻孔之见互相挤压造成邻孔缩孔或震动坍塌。回填过程中不得间隔停顿或隔日施工,防止降低桩的承载力。(5)成孔后若发生桩孔严重缩颈和回淤,应填入干砂等,重新沉管成孔。(6)填料夯实时落锤高度及锤击次数严格按要求施工,以免出现夹层、松散等情况,确保桩身质量。土料干湿适度,严格控制虚铺厚度。四、质量检测4.1检测依据的规范标准湿陷性黄土地区建筑规范(GBJ50025-2004);建筑地基基础设计规范(GB50007-2002);建

11、筑地基处理技术规范(JGJ79-2002);建筑地基基础工程施工质量验收规范(GB50202-2002);建筑安装工程质量检验评定标准(GBJ301-88)。4.2检测项目(1)施工过程中应严格按照规范相关要求执行,质量检测标准如下:挤密灰土桩检测项目表检测项序号检查项目允许偏差值检查方法单位数值主控项目1桩体干密度g/cm3试验确定现场取样2桩间土平均干密度g/cm3试验确定现场取样3桩长mm+500测桩管长度或垂球测孔深-04桩径mm 0尺量-20一般项目1土料有机物含量%5实验室焙烧法2桩位偏差条基布桩0.25D尺量3垂直度%1.5用经纬仪测桩管注:桩径允许偏差负值是指个别断面。(2)挤

12、密桩孔内填料用灰土,孔底在填料前必须夯实,填料时宜分层回填夯实,其夯实系数不宜小于0.97,三个孔之间的最小挤密系数不小于0.88;孔内填料的夯实质量应及时抽样检查,其数量不得少于总孔数的2%,每台班不小于1孔,在全部孔深内,宜每1m取土样测定干密度,检测点的位置应在距孔心2/3孔半径处。(3)在处理深度内,分层取样测定挤密桩及孔内填料的湿陷性及压缩性。(4)在现场进行静载试验或其他原位测试。承载力检测采用复合地基载荷试验,检验数量不应少于桩总数的0.5%,且每项单体工程不应少于3点。五、机械设备及人员配置5.1施工机械选择:成孔设备:Km2-12000A型振动沉桩机夯实设备:采用电动卷扬机提

13、升式夯实机,锤重400kg。辅助设施:铁锹、振动筛、手推车等。拟投入的主要测量仪器、机械设备表序号设备名称规 格单 位数 量1GPS南方S730套12全站仪托普康332N套13水准仪 DS2-32套14Km2-12000A型振动沉桩机2.5t台35电动卷扬机提升夯实机锤重400kg台36铁锹20把407手推车40辆208振动筛台15.2施工人员配置:施工人员配置表序号工种数量1管理人员32技术人员83机械工154技术工人155普工40六、进度计划安排 挤密灰土桩施工计划安排:2011年7月12日2011年8月31日。七、环境保护(1)施工过程中,严格遵守并执行有关环境保护的法律、法规和规章制度。(2)按合同指定的施工用地范围布置临时设施,不乱动合同规定范围外的树木、植被。(3)加强对施工现场的噪声、粉尘、废水、废气的控制和治理工作,做到生产区和生活区分开,避开附近居民的休息时间,采用封闭等技术措施,降低噪声,控制粉尘,废气浓度及做好废水和废油的治理和排放工作。(4)保持试验区和生活区的环境卫生,及时清除垃圾和废弃物,并按指定的地点堆放、处理,不影响周围的环境卫生。进入现场的材料、设备按要求置放有序,防止任意堆放器材杂物,阻塞工作场地周围的通道和影响环境。(5)施工道路与临时场

展开阅读全文
相关资源
猜你喜欢
相关搜索

当前位置:首页 > 办公文档 > 解决方案

copyright@ 2008-2023 1wenmi网站版权所有

经营许可证编号:宁ICP备2022001189号-1

本站为文档C2C交易模式,即用户上传的文档直接被用户下载,本站只是中间服务平台,本站所有文档下载所得的收益归上传人(含作者)所有。第壹文秘仅提供信息存储空间,仅对用户上传内容的表现方式做保护处理,对上载内容本身不做任何修改或编辑。若文档所含内容侵犯了您的版权或隐私,请立即通知第壹文秘网,我们立即给予删除!