沥青路面施工工艺及养护技术.doc

上传人:p** 文档编号:950094 上传时间:2024-05-17 格式:DOC 页数:15 大小:81.50KB
下载 相关 举报
沥青路面施工工艺及养护技术.doc_第1页
第1页 / 共15页
沥青路面施工工艺及养护技术.doc_第2页
第2页 / 共15页
沥青路面施工工艺及养护技术.doc_第3页
第3页 / 共15页
沥青路面施工工艺及养护技术.doc_第4页
第4页 / 共15页
沥青路面施工工艺及养护技术.doc_第5页
第5页 / 共15页
沥青路面施工工艺及养护技术.doc_第6页
第6页 / 共15页
沥青路面施工工艺及养护技术.doc_第7页
第7页 / 共15页
沥青路面施工工艺及养护技术.doc_第8页
第8页 / 共15页
沥青路面施工工艺及养护技术.doc_第9页
第9页 / 共15页
沥青路面施工工艺及养护技术.doc_第10页
第10页 / 共15页
亲,该文档总共15页,到这儿已超出免费预览范围,如果喜欢就下载吧!
资源描述

《沥青路面施工工艺及养护技术.doc》由会员分享,可在线阅读,更多相关《沥青路面施工工艺及养护技术.doc(15页珍藏版)》请在第壹文秘上搜索。

1、沥青路面施工工艺一、路面封层正式铺筑时,先将验收合格的路面基层表面进行全面清扫,再用23台森林灭火鼓风机沿纵向排成斜线将浮灰吹净,尽量使表面骨料外露,以利于沥青与基层的粘结。喷洒:1)当路面基层表面已经干燥,在喷洒改性乳化沥青之前一小时用洒水车快速喷洒少量水,以湿润路面基层表面。2)喷洒采用高精度智能洒布车进行喷洒,机械的各种输油管道及喷嘴经常进行疏通、清洗,防止阻塞,始终保持机械设备良好的工作性能。3)对于洒布汽车无法作业的路段或部位,以及漏洒的部位均用手提式喷洒器进行人工喷洒或补洒。4)洒布改性乳化沥青用量:改性乳化沥青一般为0.9-1.1kg/m2或按设计要求,集料用量约为6-8 m3/

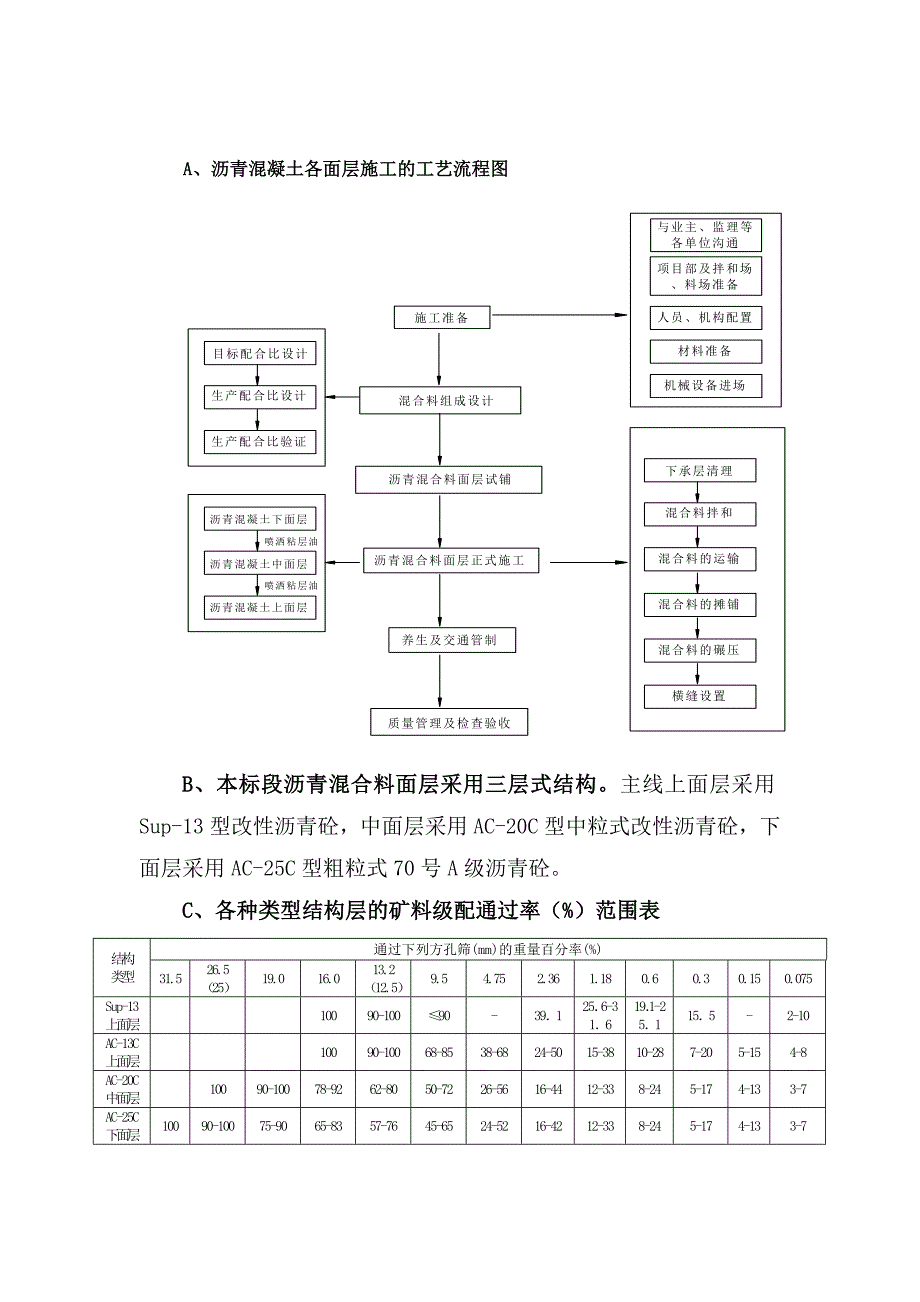
2、1000m2。集料撒布全部在改性乳化沥青破乳之前完成。碾压:集料撒布后用轮胎压路机碾压三遍,每次碾压重叠1/3轮宽,碾压由两侧到边,确保有效压实宽度。碾压顺序由路肩侧到中分侧依次碾压。养护:碾压完毕后封闭交通养生7天后即可开放交通。二、沥青砼路面面层A、沥青混凝土各面层施工的工艺流程图B、本标段沥青混合料面层采用三层式结构。主线上面层采用Sup-13型改性沥青砼,中面层采用AC-20C型中粒式改性沥青砼,下面层采用AC-25C型粗粒式70号A级沥青砼。C、各种类型结构层的矿料级配通过率(%)范围表结构类型通过下列方孔筛(mm)的重量百分率(%)31.526.5(25)19.016.013.2(

3、12.5)9.54.752.361.180.60.30.150.075Sup-13上面层10090-10090-391256-316191-251155-2-10AC-13C上面层10090-10068-8538-6824-5015-3810-287-205-154-8AC-20C中面层10090-10078-9262-8050-7226-5616-4412-338-245-174-133-7AC-25C下面层10090-10075-9065-8357-7645-6524-5216-4212-338-245-174-133-7D、各种类型结构层沥青混合料的配合比设计、SUP类型的沥青混合料高性

4、能沥青砼路面(Superpave)采用了全新的沥青混合料设计方法,在路面施工前必须做好沥青混合料配合比设计。配合比设计包括目标配合比设计、生产配合比设计以及生产配合比三个阶段。根据工程实际使用的材料和设计配合比要求,计算出材料配比,在室内拌制沥青混合料,用旋转压实机成型混合料试件,计算沥青混合料的体积指标,确定矿料的比例和最沥青用量。据此作为目标配合比,供拌和楼冷料仓的供料比例、进料速度及试拌使用。拌制高性能沥青混合料的各项指标如下:表1 Superpave体积性质指标表沥青混合料类型压实度(%)VMA(%)VFA(%)F/AN初始N设计N最大Sup-13沥青砼8996981365750.61

5、.2表2 Superpave混合料马歇尔指标表沥青混合料类型空隙率(%)稳定度(KN)流值(0.1mm)VFA(%)VMA(%)Sup-13沥青砼3.55.5实测实测658014生产配合比设计是将二次筛分后进入热料仓的材料取出筛分,再次确定各热料仓的材料比例,同时反复调整冷料仓进料比例,以达到供料均衡,并以目标配合比设计的最佳用油量及最佳用油量的-0.3%、+0.3%三个沥青用量进行马歇尔试验,检验各项指标,不满足规范要求时,应重新调整热料仓比例,进行级配设计。用生产配合比进行试拌,沥青混合料的技术指标合格后铺筑试验段。取试铺用的沥青混合料进行马歇尔试验检验和沥青含量、筛分试验检验,由此确定正

6、常生产用的标准配合比。、AC-20C、AC-25C型沥青混合料-1、AC-20C、AC-25C目标配合比设计a、确定各矿料的组成比例。从施工现场分别取各类矿料进行筛分,计算各矿料的用量,使合成的矿质混合料级配符合本工程技术规定的范围。此计算反复进行,使矿质混合料级配曲线应接近一条顺滑的曲线,其中特别注意使0.075mm、2.36mm 、 4.75mm的筛孔通过量控制接近标准级配的中值。b、确定沥青砼的最佳油石比用计算确定的矿料组成和最新规范推荐的油石比范围,按0.5间隔变化,取五个不同的油石比,用实验室小型拌和机拌制沥青混合料,制备五组马歇尔试件,每组用6个。测定试件的密度、空隙率、沥青饱和度

7、、稳定度和流值,分别绘制各项指标的曲线。取相应于密度最大值的油石比al、稳定度最大值的油石比a2和空隙率范围中值的油石比a3,取三者的平均值作为最佳油石比初始值OAC1=(a1+a2+a3)/3。求出能满足沥青混凝土各项标准的最大油石比OACmax和最小油石比OACmin,按下式取中值OAC2。 OAC2(OACmaxOACmin)/2如果最佳油石比的初始值OAC1在OACmax和OACmin之间,则认为设计结果是可行的,可取OAC1和OAC2的中值作为目标配合比最佳油石比OAC,并结合当地气候特点论证地取用,其对应的试件空隙率在3%4.5%范围内。如OAC1处在上述范围之处,调整级配,重新进

8、行配合比设计。c、残留稳定度检验按以上配合比制备沥青混土马歇尔试件,做浸水48小时马歇尔试验。检验残留稳定度,必须满足技术规定。-2、AC型生产配合比设计a、确定各热料仓矿料和矿粉的用量。必须从二次筛分后进入各热料仓的矿料取样进行筛分,根据筛分结果,通过计算,使矿质混合料的级配符合技术的规定,以确定各热料仓矿料和矿粉的用料比例,供拌和机控制室使用。同时反复调整冷料仓进料比例,以达到供拌和机控制室使用。同时反复调整次序料仓进料比例,以达到供料均衡。b、确定最佳油石比。取目标配合比设计的最佳油石比OAC和OAC0.3%三个油石比,取以上计算的矿质混合料,用试验室的小型拌和机拌制沥青料进行马歇尔试验

9、,确定生产配合比的最佳油石比。如果三组沥青混凝土各项技术指标均符合技术规定,则取中间值OAC为生产配合比的最佳油石比;否则应再补做增减油石比的沥青混凝土试验,以选定适宜的最佳油石比。或以OAC为中值,制备五组不同油石比的沥青混合料按目标配合比设计方法选定最佳油石比。c、残留稳定度检验。按以上生产配合比,用室内小型拌和机拌制沥青混合料,做浸水48小时马歇尔试验,检验残留稳定度,必须满足技术规定。-3、AC型生产配合比验证阶段用生产配合比进行试拌,沥青混合料的技术指标合格后铺筑试铺段。取试铺用的沥青混合料进行马歇尔试验检验和沥青含量、筛分试验检验,由此确定正常生产用的标准配合比。每个面层施工单位,

10、通过合格的沥青混合料组成设计,拟定试铺路段铺筑方案,采用重新调试的正式施工机械,铺筑试铺路段。E、各沥青混凝土面层试铺试铺路段选在直线段,长度取300m。试铺段的铺筑,严格按部颁标准公路沥青路面施工技术规范(JTG F40-2004)及省高指指导意见的规定操作。在试铺段的铺筑过程中,监理工程师应一起参加,检查施工工艺、技术措施是否符合要求,测温、观色、取样,并记录试验与检测结果,检查各种技术指标情况,对出现的问题提出改进意见。各层试铺,力争一次铺筑成功,使试铺面层成为正式路面的组成部分。否则应予铲除。试铺段的质量检查频率应根据需要比正常施工时适当增加(一般增加一倍)。试铺结束后,经检测各项技术

11、指标均符合规定,立即提出试铺总结报告,由驻地监理工程师审核,总监代表和总监助理审查后,报总监批准,即作为申报正式开工的依据。F、各类型沥青混凝土砼面层正式施工F-1、清理下承层F-1-1、检查下封层的完整性和与基层表面的粘结性。对局部基层外露和下封层两侧宽度不足部分应按下封层施工要求进行补铺;对已成型的下封层,用硬物刺破后应与基层表面相粘结,以不能整层被撕开为合格。F-1-2、对下封层表面浮动矿料应扫至路面以外,表面杂物亦清扫干净。灰尘应提前冲洗,风吹干净。F-1-3、路面基层沉降检查。下封层完成后,基层顶面沉降速率连续两个月小于3mm/月,才可铺筑下面层。F-1-4、铺筑中、上面层前,对下承

12、层表面进行彻底清扫,清除纹槽内泥土杂物,风干后均匀喷洒粘层改性乳化沥青,喷洒数量按沥青含量0.20.3kg/m2折算。用沥青洒布汽车喷洒,洒布过程中控制喷洒数量,确保喷洒均匀。F-2、沥青混合料拌和F-2-1、施工中严把原材料质量关要注意粗细集料和填料的质量,应从源头抓起,对不合格的矿料,不准运进拌和厂。堆放各种矿料的地坪进行硬化,并具备良好的排水系统,避免材料被污染;各品种材料间应用墙体隔开,以免相互混杂。细集料及矿粉宜覆盖,细料潮湿将影响喂料数量和拌和机产量。上面层Sup-13混合料中的木质纤维素的保管、存放、运输过程中均不得受潮,应采用玄武岩粉碎的机制砂。F-2-2、关于沥青混凝土配合比

13、设计目标配合比需经驻地监理工程师审查,报总监代表批准和总监助理确认后才能进行生产配合比设计。当某种矿料产地、品种发生变化,必须重新进行目标配合比设计。拌和机都严格进行生产配合比设计,由驻地监理工程师审查,总监代表和总监助理确认,经总监批准后,才能进行试拌与试铺。F-2-3、沥青混合料的拌制严格掌握沥青和集料的加热温度以及沥青混合料的出厂温度。集料温度应比沥青高1015,热混合料成品在贮料仓储存后,其温度下降不应超过10,贮料仓的储料时间不得超过24小时。沥青混合料的施工温度控制范围见下表:改性沥青Sup-13的施工温度沥青加热温度165170集料温度190220混合料出厂温度170185,超过

14、190废弃运到现场温度不低于165摊铺温度不低于160,低于140作为废料初压开始温度不低于150复压最低温度不低于130碾压终了温度不低于110改性沥青AC-20C型的施工温度沥青加热温度165175矿料温度175185混合料出厂温度170180,超过185废弃混合料运输到现场温度不低于160摊铺温度不低于150,低于145作为废料初压开始温度不低于145复压最低温度不低于130碾压终了温度不低于100AC-25C重交沥青混合料的施工温度沥青加热温度()160-170矿料温度()170-185混合料出厂温度()正常范围150-165混合料运输到现场温度()不低于 130-150摊铺温度正常施工不低于120-140,不超过165低温施工不低于130-150,不超过175碾压温度正常施工120140 不低于110低温施工130150 不低于110终压温度钢轮压路机不低于70拌和楼控制室逐盘打印沥青及各种矿料的用量和拌和温度,并定期对拌和楼的计量和测温进行校核;拌和时间由试拌确定。必须使所有集料颗粒全部裹覆沥青结合料,并以沥青混合料拌和均匀为准。注意目测检查混合料的均匀性,及时分析异常现象。如混合料有无花白、冒青烟和离析等现象,如确认是质量问题,应作废料处理并及时予以纠正。拌和机每天上午、下午各取一

展开阅读全文
相关资源
猜你喜欢
相关搜索

当前位置:首页 > 建筑/环境 > 公路与桥梁

copyright@ 2008-2023 1wenmi网站版权所有

经营许可证编号:宁ICP备2022001189号-1

本站为文档C2C交易模式,即用户上传的文档直接被用户下载,本站只是中间服务平台,本站所有文档下载所得的收益归上传人(含作者)所有。第壹文秘仅提供信息存储空间,仅对用户上传内容的表现方式做保护处理,对上载内容本身不做任何修改或编辑。若文档所含内容侵犯了您的版权或隐私,请立即通知第壹文秘网,我们立即给予删除!