路基挖方施工方案.doc

上传人:p** 文档编号:950592 上传时间:2024-05-20 格式:DOC 页数:12 大小:138KB
下载 相关 举报
路基挖方施工方案.doc_第1页
第1页 / 共12页
路基挖方施工方案.doc_第2页
第2页 / 共12页
路基挖方施工方案.doc_第3页
第3页 / 共12页
路基挖方施工方案.doc_第4页
第4页 / 共12页
路基挖方施工方案.doc_第5页
第5页 / 共12页
路基挖方施工方案.doc_第6页
第6页 / 共12页
路基挖方施工方案.doc_第7页
第7页 / 共12页
路基挖方施工方案.doc_第8页
第8页 / 共12页
路基挖方施工方案.doc_第9页
第9页 / 共12页
路基挖方施工方案.doc_第10页
第10页 / 共12页
亲,该文档总共12页,到这儿已超出免费预览范围,如果喜欢就下载吧!
资源描述

《路基挖方施工方案.doc》由会员分享,可在线阅读,更多相关《路基挖方施工方案.doc(12页珍藏版)》请在第壹文秘上搜索。

1、路基土石方工程开挖施工技术方案一、工程概况为了尽快满足2#梁场的场地建设,决定将YK37+754YK37+887、ZK37+795ZK37+919段路基先行施工。路基开挖土石方为94120m。路基挖方主要以软石和次坚石为主。二、土方路基开挖施工2.1、土方路基开挖施工工艺路基放样地表清理土方开挖排水边坡休整路槽平整压实排水系统施工复测击实标准试验压实度检查2.2、挖方地段路基根据边坡的高度、开挖断面的土质特性和设计标准横断面图设置边坡级数和坡率。土方路堑,坡率为1:0.75-1:1.5,挖方第一级边坡高度为6m,以上每8m进行分级,并设2.0m宽度碎落台,最上一级如10m,则一坡到顶。2.3、

2、放出开口线桩,并白灰连成明显的白线。对不同路段采取不同的开挖方法。2.4、对较短的路堑采用横挖方法,路堑深度不大时,采用横向全挖法,一次挖到设计标高;路堑深度较大时,分台阶进行开挖,台阶高度视深度而定,一般可设3-4m。无论自两端一次横挖到路基标高或分台阶横挖,均应设单独的运土通道,用挖机掘或装载机配合自卸汽车进行运土。2.5、对较长的路堑采用纵挖法,其路堑宽、深度不大时,按横断面全宽纵向分层开挖;对宽度、深度较大的路堑,采用水平分层、纵向分段法开挖。对施工场地狭窄地段无法进入机械时采用人工配合小型机具施工。靠近基床底层表面及边坡辅以人工开挖。合理安排运土通道与掘进工作面的位置及施工次序,做到

3、运土、排水、防护互不干扰,以确保开挖顺利进行。2.6、路基土方开挖采用推土机、挖掘机配合自卸车施工。当挖方材料用作填方材料且运距不大于80m的挖方,可采用推土机直接将土方推运至填方段。2.7、路基开挖前,应考虑排水系统的布设是否合理,防止在施工中路线外的水流向线内,并将线路内的水迅速排出路基,保证施工顺利进行。 2.8、按设计边坡自上而下分层逐层开挖方式,开挖面保持不小于4%的排水坡,严禁积水,并且保持边坡平顺。每段开挖工作完成后,对边坡进行及时防护,当防护不能紧跟开挖进行,要暂时留一定厚度的保护层,待做护坡时再刷坡。深挖路段安排先行施工。路基防护、排水工程与路基成型协调进行,深挖路堑开挖一阶

4、、防护一阶,与路基成型平行流水作业,并紧随路基尽早完成。2.9、当路堑开挖至基床底层上部的设计标高时,核查地质是否与设计资料相符,如设计与现场不符等技术问题,及时与相关单位联系解决;如与设计资料相符,按设计和规范要求进行地基处理施工,经检验合格后方可进行基床底层上部的填筑施工,对于土质及全、强风化石质路段,应在路面底面超挖80cm并进行填前碾压,采用碎石土分层回填、碾压。2.10、开挖过程中经常检查边坡位置,防止边坡部位超挖和欠挖;边坡部位预留厚度不小于20cm土层,采用人工配合机械进行边坡修整,并紧跟开挖进行;施工中及时测量,开挖至边坡平台时,预留不小于20cm保护土层,待人工施做平台及其上

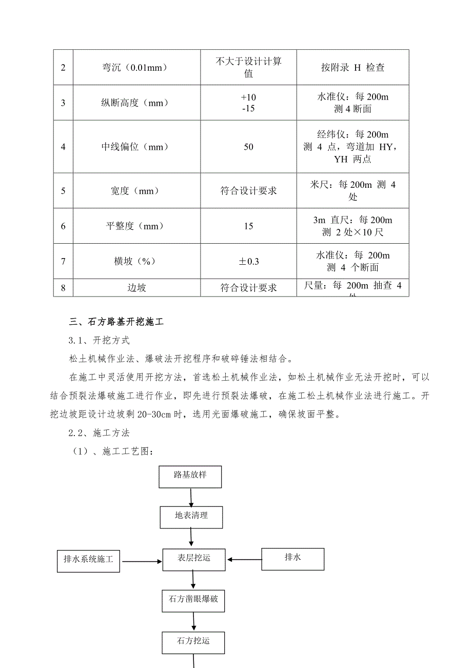
5、截水沟时开挖,表面做成向外侧4%的排水坡。2.11、路堑施工质量控制与检测(1)、认真按照要求的质量检测项目、频率进行检验和控制。(2)、路堑开挖过程中始终保持排水系统畅通。(3)、路堑基床换填宽度、深度必须满足设计要求。(4)、边坡坡面应平整且稳定无隐患,局部凹凸差不大于15cm。边坡防护封闭无变形、开裂。(5)、土方路基检验标准见下表土方路基检验标准项 次检查项目规定值或允许偏差检查方法和频率高速、一级公路1压 实 度(%)零填及挖方 (m)00.30按附录 B 检查 密度法:每 200 m每压实层实测 4 处00.8096填方(m)00.80960.801.50941.50932弯沉(0

6、.01mm)不大于设计计算值按附录 H 检查3纵断高度(mm)+10-15水准仪:每200m测4断面4中线偏位(mm)50经纬仪:每200m测 4 点,弯道加 HY,YH 两点5宽度(mm)符合设计要求米尺:每200m 测 4处6平整度(mm)153m 直尺:每200m测 2处10尺7横坡(%)0.3水准仪:每 200m测 4 个断面8边坡符合设计要求尺量:每 200m 抽查 4 处三、石方路基开挖施工3.1、开挖方式松土机械作业法、爆破法开挖程序和破碎锤法相结合。在施工中灵活使用开挖方法,首选松土机械作业法,如松土机械作业无法开挖时,可以结合预裂法爆破施工进行作业,即先进行预裂法爆破,在施工

7、松土机械作业法进行施工。开挖边坡距设计边坡剩20-30cm时,选用光面爆破施工,确保坡面平整。2.2、施工方法(1)、施工工艺图:石方挖运复测压实度检查路基放样地表清理表层挖运排水石方凿眼爆破排水系统施工边坡光面爆破路槽平面压实(2)、恢复路基中线,放出施工开口边线,钉牢边桩,可以进行边桩栓桩,在路基纵向垂直方向,开口线外侧,距边桩一定距离进行栓桩,以便进行恢复。在较深的挖方段,要随时开挖爆破随时进行放线测量,避免超挖和欠挖。(3)、用推土机整修施工便道,清理表层覆盖土及危石。(4)、石方路堑开挖方法开挖石方应根据岩石的类别、风化程度和节理发育程度等确定开挖方式。对软石或强风化岩石,能用机械直

8、接开挖的均应采用机械开挖,也可用人工开挖,作业方式可参照土方路堑机械开挖进行。凡不能使用机械或人工直接开挖的石方,则采用爆破法开挖。开挖石方需要纵向远运作填料或废弃时,宜用挖掘机或装载 机装车,自卸汽车运输作业。(5)、进行开挖前,首先做好排水工作,在离坡顶开挖线5m外做好截水沟,拦截地面水。对于易滑坡、坍塌地段,及时做好防护措施,如坡顶卸载等。(6)、在施工前详细复查深挖路堑地段的工程地质资料,包括土石界限、工程等级,风化破碎程度、土层有关特性,以及不良地质情况、地下水及其存在形式等。根据现场考察及设计要求,编制详细的施工组织设计,报监理工程师批准。若地质资料不足时,应进行地质资料的补探工作

9、。开挖中发现有较大地质变化时,停止施工,重新进行工程地质补充勘探工作,并根据新的地质资料修正方案,报监理工程师审批后实施。(7)、路堑开挖采用“横向分层、纵向分段,两端同步、阶梯挖进”的方式开挖施工。对于全断面开挖路段,考虑到开挖的土石方有些需要利用,必须要考虑开挖(开炸)的土石方的合理调配,开挖出来的石方调配至相邻路堤填方。尽在进场开始施工时,选择一段填挖分界处开工,以便能尽快开出一个工作面,进行土石方的运输,向前推进施工。(8)、在进行全断面开挖时,先将表面的土层开挖、清运后,再进行岩层爆破。开炸后石方及时清运,尽快开掘出一个工作平台,再从上至下进行爆破。(9)、路堑开挖严禁用大、中型爆破

10、施工。在石方开挖接近边坡面2m时进行光面(预裂)爆破等小型和松动爆破,每爆破完成一级后,及时清理好反坡平台,必要时设置观测桩进行稳定观测,当有变形时,及时通知监理工程师进行加固处理,并根据设计图纸的边坡防护要求,及时防护。(10)、控制开挖(爆破)顺序,如下图深路堑全断面开挖,首先进行第、部分的开挖,为石料运输开出一施工平台,再从上至下按的顺序开挖,然后开挖、部分,为石料运输开出第二级施工平台,再从上至下开挖部分,其中、部分需要进行光面爆破。深挖路堑开挖见示意图: (11)、挖到设计标高后,检测路床顶面以下080cm范围内的压实度,若压实度达不到96%时,采用强夯或冲击压实压实机具压实,或者挖

11、除80cm,按路基填土的方式分层填筑起来。若路床以下发现为不良土质地段或非适用性材料应予以换填。(12)、对于路堑边坡为单级的路堑,在路堑开挖到位后,立刻进行边坡防护工程的施工,对于有多级的路堑,应在一级开挖到位后,立刻进行边坡防护的施工。 (13)、石质路堑边坡如因过量超挖造成上边岩体不稳定,应修成易于稳定的台阶形,并用浆砌片石(砂浆标号不得低于M10)或水泥混凝土填补超挖部分。(14)、石方路堑开挖,次坚石以上的岩石必须采用光面爆破辅以人工刷坡,必须做到坡面平整顺直,使边坡符合设计要求。开挖后边坡上不得留有松石、危石。软岩以下的边坡必须在接近坡面时人工刷坡,这时严禁采用松动爆破。(15)、

12、对于风化破碎的岩体,为确保边坡稳定,采用预裂爆破,再用人工修凿。(16)、石质路堑边坡清刷及路床检验,应符合下列要求:、石质挖方边坡应顺直、圆滑、大面平整。边坡上不得有松石、危石、凸出于设计边坡线的石块,其凸出尺寸不应大于15cm,超爆凹进部分尺寸也不应大于15cm。对于软质岩石,凸出及凹进尺寸均应大于 10cm,否则应进行相应处理。、挖方边坡应从开挖面往下分级清刷边坡,下挖 2-3m 时,应对新开挖边坡刷破,对于软质岩石边坡可用人工或机械清刷,对于坚石和次坚石,可使用炮眼法、裸露药包法爆破清刷边坡,同时清除危石、松石。清刷后的石质路堑边坡不应陡于设计规定。、石质路堑路床底高应符合设计要求,开

13、挖后的路床基岩面标高与路基设计标高之差应符合设计的要求,如过高,应凿平;过低,应用混凝土或级配砂砾(碎石)垫层填平。(17)、石方路基实测项目见下表:石方路基实测项目项次检查项目规定值或允许偏差检查方法和频率高速一级公路1压实度层厚和碾压遍数符合要求查施工记录2纵断高度(mm)+10-20水准仪:每 200m测4个断面3中线偏位(mm)50经纬仪:每 200m测 4 点,弯道加 HY,YH 两点4宽度(mm)符合设计要求米尺:每 200m 测4处5平整度(mm)203m 直尺:每 200m测 2处10尺6横坡(%)0.3水准仪:每 200m测 4 个断面7边坡坡度符合设计要求每200m 抽查

14、4 处平顺度符合设计要求四、路基开挖爆破施工爆破法开挖石方工作程序:施爆区管线构造物调查炮位设计和设计审批配备专业施爆人员 用机械或人工清除施爆区覆盖层和强风化岩石钻孔爆破器材检查与试验(或坑道、药室)检查与清除装药并安装引爆器材布置安全岗和施爆区安全员炮孔堵塞撤离爆区飞石、强地震波影响区内的人、畜起爆清除瞎炮解除警戒检测爆破效果(包括飞石、地震波对爆区内外构造物造成的损失)。调查爆破区内有没有空中缆线并查明其平面位置和高度;调查地下有没有管线并查明其平面位置和埋置深度;同时应调查开挖边界外的建筑结构类型、完好程度、距开挖界距离等。 爆破设计与审批:一般情况下应采用小型爆破,只有当路线穿过孤独

15、山丘,开挖后边坡不高于 6 米,且根据岩石产状和风化程度,确认开挖后边坡稳定,方可考虑大爆破方案。根据确定的爆破方案,进行炮位、炮孔深度和用药量设计。其设计图纸和资料应报送监理处和有关部门审批。设计时应考虑以下几点: 4.1、任何爆破方案的制定,必须确定空中缆线,地下管线和施 工区边界处建筑的安全。4.2、应充分重视开挖边坡稳定,选用中小型爆破,开挖风化较为严重,节理发育和岩层产状对边坡稳定不利的石方,宜用小型排炮微差爆破,小型排炮药室距离设计边坡线的水平距离,不应小于炮孔间的 1/2,开挖层靠边坡的两列炮孔,特别是靠顺层边坡的一列炮孔,宜采用减弱松动爆破。 4.3、当岩层与路线走向基本一致;倾角大于 1 度,且倾向公路或开挖边线外有建筑物,施爆可能对建筑物地基造成

展开阅读全文
相关资源
猜你喜欢
相关搜索

当前位置:首页 > 建筑/环境 > 设计及方案

copyright@ 2008-2023 1wenmi网站版权所有

经营许可证编号:宁ICP备2022001189号-1

本站为文档C2C交易模式,即用户上传的文档直接被用户下载,本站只是中间服务平台,本站所有文档下载所得的收益归上传人(含作者)所有。第壹文秘仅提供信息存储空间,仅对用户上传内容的表现方式做保护处理,对上载内容本身不做任何修改或编辑。若文档所含内容侵犯了您的版权或隐私,请立即通知第壹文秘网,我们立即给予删除!