辽宁某2X45孔焦炉安装工程施工组织设计.doc

上传人:p** 文档编号:950718 上传时间:2024-05-20 格式:DOC 页数:29 大小:206.60KB
下载 相关 举报
辽宁某2X45孔焦炉安装工程施工组织设计.doc_第1页
第1页 / 共29页
辽宁某2X45孔焦炉安装工程施工组织设计.doc_第2页
第2页 / 共29页
辽宁某2X45孔焦炉安装工程施工组织设计.doc_第3页
第3页 / 共29页
辽宁某2X45孔焦炉安装工程施工组织设计.doc_第4页
第4页 / 共29页
辽宁某2X45孔焦炉安装工程施工组织设计.doc_第5页
第5页 / 共29页
辽宁某2X45孔焦炉安装工程施工组织设计.doc_第6页
第6页 / 共29页
辽宁某2X45孔焦炉安装工程施工组织设计.doc_第7页
第7页 / 共29页
辽宁某2X45孔焦炉安装工程施工组织设计.doc_第8页
第8页 / 共29页
辽宁某2X45孔焦炉安装工程施工组织设计.doc_第9页
第9页 / 共29页
辽宁某2X45孔焦炉安装工程施工组织设计.doc_第10页
第10页 / 共29页
亲,该文档总共29页,到这儿已超出免费预览范围,如果喜欢就下载吧!
资源描述

《辽宁某2X45孔焦炉安装工程施工组织设计.doc》由会员分享,可在线阅读,更多相关《辽宁某2X45孔焦炉安装工程施工组织设计.doc(29页珍藏版)》请在第壹文秘上搜索。

1、2*45孔焦炉安装工程施工组织设计1.编制依据1.1、参考鞍山焦耐设计院设计的JN43-804型焦炉施工图。1.2 现行国家有关规范: JBJ23-96机械设备安装工程施工及验收通用规范 YBJ214-88冶金机械设备安装工程施工及验收规范焦化设备 GBJ235-82工业管道工程施工及验收规范 GB50205-95钢结构工程施工及验收规范 GBJ236-82现场设备、工业管道焊接工程施工及验收规范 GBJ126089工业设备及管道绝热工程施工及验收规范 GBJ200-88建筑安装工程质量检验评定统一标准 GB50184-93工业金属管道工程质量检验评定标准 YB9241-92冶金焦化设备安装工

2、程质量检验评定标准 GBJ149-90电气装置工程母线装置施工及验收规范 GBJ168-92电气装置工程接地装置施工及验收规范1.3、工程承包合同书1.4、二000版质量体系文件及作业指导书。1.5、重钢、宝钢、无锡焦化厂等数十年的安装专业经验。2、工程概况2.1、建设单位: 工程地点:2.2、工程名称: 工程内容:2*45孔焦炉安装工程2.3、工程结构特征:245孔JN43-804主要涉及非标设备、结构制安,设备管道安装以及电气仪表的安装。 145孔JN43-804型焦炉为双联火道,废气循环,焦炉煤气下喷,煤气由中部引入炉底的复热式焦炉,炉顶荒煤气采用单上升管,单集气管及桥管连通式;顶装煤、

3、湿熄焦。焦炉安装工程涉及内容包括焦炉本体及至冷鼓工段之间的护炉设备,非标件、钢结构和管道安装及部分设备管道结构制作,焦炉专用设备轨道的铺设及交换传动装置安装;电仪安装。主要工作内容有炉柱、小炉柱、炉门、炉门框、保护板的安装;单集气管、单上升管、桥管阀体、水封盖及吸气管安装;加热煤气管道安装;氨气、生产给水、上升管水封盖供水管道系统安装;煤焦系统给排水,焦炉地下室排水管道安装;蒸汽系统、压缩空气系统安装;荒煤气及回炉煤气主管安装,梯步平台栏杆制作安装,蓄热室测吸力套管,测线架的制作安装;四大车轨道铺设;滑触线架制作安装以及动力配电、照明和仪表安装调式。该焦炉采用先砌筑后立炉柱施工法。2.4、主要

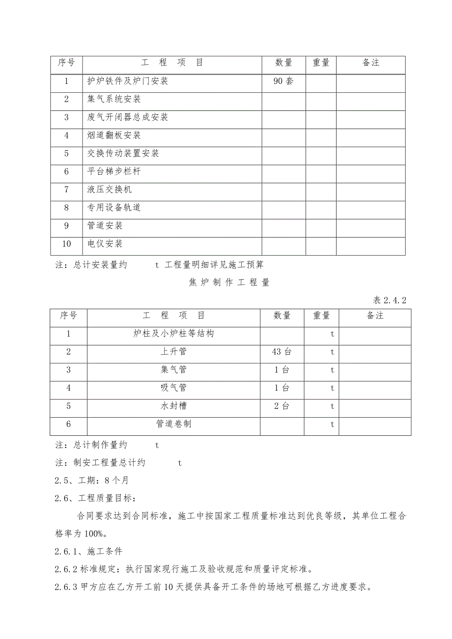
4、安装工程量(见下表)焦炉安装工程表表2.4.1 序号工 程 项 目数量重量备注1护炉铁件及炉门安装90套2集气系统安装3废气开闭器总成安装4烟道翻板安装5交换传动装置安装6平台梯步栏杆7液压交换机8专用设备轨道9管道安装10电仪安装注:总计安装量约 t 工程量明细详见施工预算焦炉制作工程量表2.4.2序号工 程 项 目数量重量备注1炉柱及小炉柱等结构t2上升管43台t3集气管1台t4吸气管1台t5水封槽2台t6管道卷制t注:总计制作量约 t注:制安工程量总计约 t2.5、工期:8个月2.6、工程质量目标:合同要求达到合同标准,施工中按国家工程质量标准达到优良等级,其单位工程合格率为100%。2

5、.6.1、施工条件2.6.2标准规定:执行国家现行施工及验收规范和质量评定标准。2.6.3甲方应在乙方开工前10天提供具备开工条件的场地可根据乙方进度要求。2.6.4施工用电:开工前5天,甲方将电源接到乙方施工平面要求位置。2.6.5测量控制点(标高及基准),开工前5天甲方应现场交验乙方。2.6.6会审图纸设计交底,由甲方组织开工前10天进行。2.6.7甲供设备及主材:甲方负责根据乙方施工进度送到乙方指定位置,并由乙方验收(所有设备材料需有合格证明书)。2.7、安全、文明施工管理目标: 严格按安全规程施工,坚持“安全第一、文明施工”的方针,控制千人负伤率,杜绝死亡,创文明施工化现场。3、施工管

6、理组织机构3.1、机构设置针对该工程特点,工期及工程量大小程度,现场设置安装工程项目小组,由谢旭先任安装项目负责人,其机构的组成及管理体系(见下图):项目负责人技术负责人施工负责人质量技术材料安全施工3.2、管理职能与权限项目小组的职责是实现工程合同目标、管理目标、效益目标,代表公司对施工全过程进行管理和控制。4、施工总平面布置根据本工程特点,施工共计大致分为三个区域:制作施工区、焦炉安装施工区4.1、施工总电源配置:300KW(制作电源200KW,焦炉施工电源100KW)4.2、施工临时设施:100m2库房1座(焦炉区)4.3、施工预制场地:800m2(利用厂区已有库房)4.4、现场设备临时

7、堆放场地:焦炉机侧、厂区道路旁、库房以及不影响施工的空地。4.5、施工及设备运输通道(焦炉施工):沿焦炉机焦侧各预留一条通道。4.6、施工场地及道路需夯实,并有排水措施。注:化产区施工电源、临时库房根据现场实际情况视施工条件而定。5、施工进度计划5.1、工程进度网络计划(详见工程进度网络计划)5.2、工期保证措施5.2.1、列为公司重点工程,实行项目管理,确保项目管理,确保人、财、物及时供应,满足工程进度要求。5.2.2、组织专业队伍施工,充分发挥专业技术特点,提高工效,延长作业时间,加快进度。5.2.3、提前做好各项工程开工准备,凡有条件的,可以同时开工,扩大施工面。5.2.4、提高机械化作

8、业水平。5.2.5、科学合理组织施工,安排好工序穿插,加强与土建的协调配合,确保实现阶段工期目标。5.2.6、建立定期例会制度和适时召开专题会议,协调解决施工中的各种问题。5.2.7、加强与甲方工程技术人员的密切合作关系,齐心协力,共保施工顺利进行。5.2.8、在设备材料供应方面积极配合甲方,保证材料及时到场。6、主要施工方法及技术措施6.1、施工顺序(该工程中焦炉采用先砌筑后立炉柱施工法)6.1.1、按先设备安装就位后进行工艺配管及电仪施工的原则。6.1.2、室内有检修员吊车的施工区,先检修吊车后其它设备安装。6.1.3、详细施工顺序见焦炉施工流程框图及施工网络计划。6.2、安装技术要求6.

9、2.1、烟道弯管与土建配合预埋,其安装中心与标高误差控制在5mm内。6.2.2、安装前的基准线基准点测量放线:6.2.2.1、设备安装前,应对焦炉轴线及纵、横中心线进行测量检查,并对前一工序竣工测量成果进行复测检查,其精度不得低于以下规定,并应符合图纸要求。a、根据焦炉中心线向抵抗墙内侧投线(包括抗墙顶标板),测量允差为1mm。b、焦炉中心线与炭化窒中线应互成正交,其正交度不大于0.4mm。c、焦炉两侧正面线,应根据焦炉中心线测设,两侧正面线测定后,应分别投测在抵抗墙内侧,其投点允差均为1mm。d、抵抗墙内标高点的测设应按下列规定:d-1根据炉床施工时的基准点引测,允差1mm。d-2根据基准点

10、,标高在抗墙内侧分别测出蓄热室底,碳化室底、炉顶等标高,其相对允差1mm。6.2.2.2、以复测合格的焦炉纵横中心线为准,测定以下安装基准线:a、炉体长度控制线及边炭化室中心线。b、机焦两侧正面线。c、推焦车轨道中心线,拦焦车轨道中心线,熄焦车轨道中心线。d、废气交换开闭器中心线。e、平台支柱中心线。6.2.2.3、根据焦炉施工基准点,测设以下项目标高及基准点:a、炭化窒底 b、炉柱底板面 c、移动机械轨道面 d、平台支柱6.2.2.4、设备安装前,应对筑炉的中间交接资料认真复查确认,其误差应控制在GBJ211-80第118务之表4规定。6.2.3、基础、预埋螺栓及套管的检查验收。6.2.3.

11、1、焦炉的基础验收定按YBJ201-83进行。埋入焦炉基础的下部拉条螺栓,应符合规定范要求。a、螺栓标高极限偏差为5mm。b、螺栓与炉柱中心距离的极限偏差为2mm。c、螺栓伸出长度的极限为10mm。6.2.3.2、以焦炉纵横中心线为基准,检查下喷管套管埋设位置其纵横方向的极限偏差应控制在3mm以内,埋管的倾斜值在2mm以内,埋管管顶标高极限偏差为53mm6.2.4、护炉铁件安装6.2.4.1、炉柱、拉条、弹簧a、安装前检查炉柱之柱身挠曲矢高,不应超过5mm,炉柱底板高度偏差极为5mm。b、炉柱中心与保护板中心线应对正,极限偏差控制在3mm以内。安装后地脚螺栓不宜拧紧,在柱底面涂上油,至烘炉完毕

12、后再紧固。6.2.4.2、弹簧根据制造厂交付的压缩记录,安装前接负荷编组。6.2.4.3、上部横拉条在安装后应防止下挠,保持平直,其高度及位移不超过5mm6.2.4.4、保护板安装a、保护板与炉肩部砌体严禁接触,中间必须填以石棉绳,保护板下面边缘与底砖面间垫以石棉带。b、保护板安装下准借助炉拄或拉条等正式工程设备加压。c、保护板应与砌体压紧,其压紧程度可以从保护板与炉肩砌体之间的间隙判断,以312mm为宜。用1mm厚塞尽检查砌 体与石棉强之间隙,连续插入长度不宜超过50mm否则可用木制具打紧。d、两相邻保护板间隙应大于5mm,两相邻保护磨板面高差不大于2mm。e、保护板中心线应与燃烧窒中心线重

13、合,极限偏差3mm,保护板侧边不准突出炭化室墙。f、石棉绳应符合设计要求的技术条件,其接头应斜接,接头位置不得在两相邻保护板之对接处。6.2.5、炉门框安装a、炉门框应于炉柱、保护板调整并加压合格后安装。b、炉门框中心线与炭化室中心线重合,不准炉门框内缘突出于保护板外缘。c、安装炉门框在压紧与保护板之间石棉绳时,应用专用工具加压,严禁用T型螺栓加压,加压后间隙以3mm以内为宜,进行加压与紧固过程中,对炉门框设支撑以防门框变形。炉门框与保护板间石棉绳合部周长应压紧塞实。d、磨板面应保持水平,水平度公差值为2mm,且磨板面应低于炭化室710mm。6.2.6、炉门安装前的检查与安装a、刀边应平直,刀

14、边压紧螺栓要紧固。b、小炉门应严密,间隙小于0.05mm,用塞尽逐个检查。c、炉门横铁与小炉门开关板手应转动灵合,炉门加油眼应畅道。d、炉门上下部门闩调整螺母高度极限偏差按设计规定。e、扒除封墙并清理后及可安装炉门,安装后刀边与炉门框应紧密接触,间隙小于0.1mm,用塞尺检查。6.2.7、炉下加热装置6.2.7.1、管道安装a、分配主管标高中心线极限偏差为5mm,支管中心线及中心距的极限偏差为3mm。b、支管应主管的标准件三通接出,若在主管上开洞,洞直径大于支管外径应,不超过5mm,支管插入主管深度不大于3mm。c、主支管法兰的水平度及垂直公平为1/500,各支管法兰应在同一平面,高度不大于5mm。6.2.7.2、旋塞安装a、煤气旋塞在安装前作外形检查,在全开状态时,孔的侧边台不超过1mm,底部错台不应超过3mm,检查合格后清洗干净,可涂一层50号机油进行密封试验。b、煤气旋塞在安装前应全部进行单体严密性试验,试验两种位置,全开和全闭状态,转动阀芯有两次全关闭,均须作试验。c、试验应按设计要求压力进行,合格的应打好全开、全关印记,注意方向,分清左、右旋。6.2

展开阅读全文
相关资源
猜你喜欢
相关搜索

当前位置:首页 > 建筑/环境 > 施工组织

copyright@ 2008-2023 1wenmi网站版权所有

经营许可证编号:宁ICP备2022001189号-1

本站为文档C2C交易模式,即用户上传的文档直接被用户下载,本站只是中间服务平台,本站所有文档下载所得的收益归上传人(含作者)所有。第壹文秘仅提供信息存储空间,仅对用户上传内容的表现方式做保护处理,对上载内容本身不做任何修改或编辑。若文档所含内容侵犯了您的版权或隐私,请立即通知第壹文秘网,我们立即给予删除!