广西某针织厂车间满堂脚手架专项施工方案(构造详图、计算书).doc

上传人:p** 文档编号:951687 上传时间:2024-05-21 格式:DOC 页数:47 大小:1.56MB
下载 相关 举报
广西某针织厂车间满堂脚手架专项施工方案(构造详图、计算书).doc_第1页
第1页 / 共47页
广西某针织厂车间满堂脚手架专项施工方案(构造详图、计算书).doc_第2页
第2页 / 共47页
广西某针织厂车间满堂脚手架专项施工方案(构造详图、计算书).doc_第3页
第3页 / 共47页
广西某针织厂车间满堂脚手架专项施工方案(构造详图、计算书).doc_第4页
第4页 / 共47页
广西某针织厂车间满堂脚手架专项施工方案(构造详图、计算书).doc_第5页
第5页 / 共47页
广西某针织厂车间满堂脚手架专项施工方案(构造详图、计算书).doc_第6页
第6页 / 共47页
广西某针织厂车间满堂脚手架专项施工方案(构造详图、计算书).doc_第7页
第7页 / 共47页
广西某针织厂车间满堂脚手架专项施工方案(构造详图、计算书).doc_第8页
第8页 / 共47页
广西某针织厂车间满堂脚手架专项施工方案(构造详图、计算书).doc_第9页
第9页 / 共47页
广西某针织厂车间满堂脚手架专项施工方案(构造详图、计算书).doc_第10页
第10页 / 共47页
亲,该文档总共47页,到这儿已超出免费预览范围,如果喜欢就下载吧!
资源描述

《广西某针织厂车间满堂脚手架专项施工方案(构造详图、计算书).doc》由会员分享,可在线阅读,更多相关《广西某针织厂车间满堂脚手架专项施工方案(构造详图、计算书).doc(47页珍藏版)》请在第壹文秘上搜索。

1、一、编制依据:1、现场施工的条件和要求2、结构施工图纸3、建筑施工手册第四版4、建筑施工扣件式钢管脚手架安全技术规范。5、国家及行业现行规范规程及标准6、项目部可组织的资源二、工程概况:本工程位于黎塘镇工业区。总建筑面积约13000m2,其中一层层高为6m,局部层层高4.8m,采用扣件式满堂脚手架支撑。三、施工要求:本工程内支撑采用扣件式满堂钢管脚手架。使用48mm、壁厚3.5mm钢管,加密立杆的间距,使其达到承载力要求,顶板砼板厚120mm厚。(一)、构造和设置要求:1、扣件式钢管脚手架主要由立杆、纵横水平杆、斜杆等组成。各种杆件采用48mm、壁厚3.5mm钢管满堂支撑架 立杆常用长度150

2、0mm、2000mm、2400mm,横杆常用长度采用600mm、900mm、1200mm。下部为40cm长的扩大套筒,内径50mm,可用于立杆接长;可调底座及可调托座丝杆与螺母旋合长度不得小于5扣,螺母厚度不得小于30mm。模板支架可调托座伸出顶层水平杆的悬臂长度严禁超过650mm,且丝杆外露长度严禁超过400mm,可调托座插入立杆长度不得小于150mm。盘扣节点,由焊接于立杆上的连接盘、横杆杆端接头组成;2、扣件: 扣件式钢管脚手架主要由直角扣件、旋转扣件、对接扣件连接,直角扣件用于两根呈垂直交叉钢管的连接,旋转扣件用于两根呈任意角度交叉钢管的连接,对接扣件用于两根钢管的对接连接,承载力直接

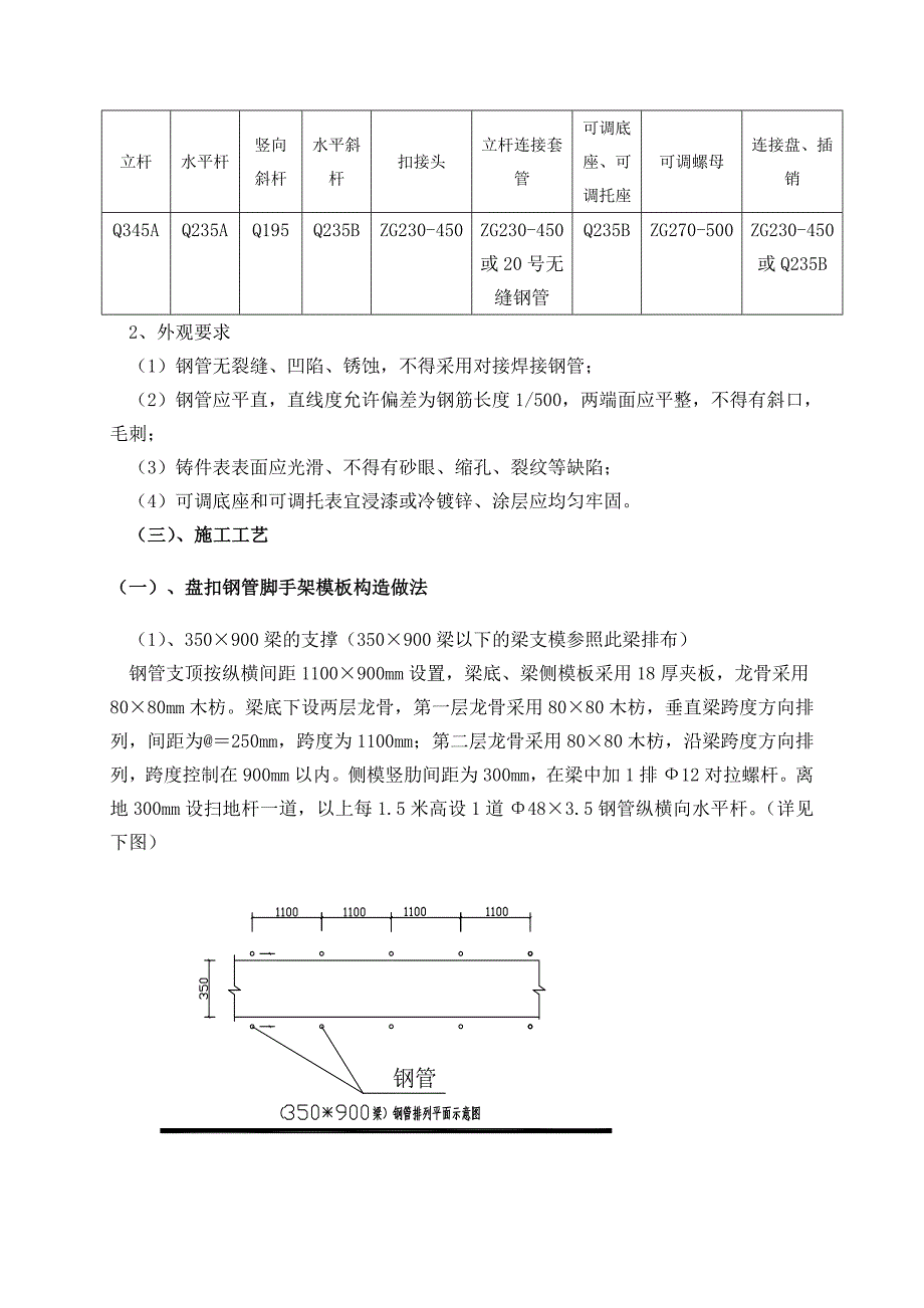
3、传递到基础底板上。3、扣件与钢管的接触面要保证严密,确保扣件与钢管连接紧固。 4、扣件和钢管的质量要合格,满足施工要求,对发现脆裂、变形、滑丝的后禁止使用。(二)、构配件材料要求1、材质要求表3.2.1扣件式钢管支架主要构配件材质立杆水平杆竖向斜杆水平斜杆扣接头立杆连接套管可调底座、可调托座可调螺母连接盘、插销Q345AQ235AQ195Q235BZG230-450ZG230-450或20号无缝钢管Q235BZG270-500ZG230-450或Q235B2、外观要求(1)钢管无裂缝、凹陷、锈蚀,不得采用对接焊接钢管;(2)钢管应平直,直线度允许偏差为钢筋长度1/500,两端面应平整,不得有斜

4、口,毛刺;(3)铸件表表面应光滑、不得有砂眼、缩孔、裂纹等缺陷;(4)可调底座和可调托表宜浸漆或冷镀锌、涂层应均匀牢固。(三)、施工工艺(一)、盘扣钢管脚手架模板构造做法(1)、350900梁的支撑(350900梁以下的梁支模参照此梁排布)钢管支顶按纵横间距1100900mm设置,梁底、梁侧模板采用18厚夹板,龙骨采用8080mm木枋。梁底下设两层龙骨,第一层龙骨采用8080木枋,垂直梁跨度方向排列,间距为250mm,跨度为1100mm;第二层龙骨采用8080木枋,沿梁跨度方向排列,跨度控制在900mm以内。侧模竖肋间距为300mm,在梁中加1排12对拉螺杆。离地300mm设扫地杆一道,以上每

5、1.5米高设1道483.5钢管纵横向水平杆。(详见下图)(2)、3001000梁的支撑(3001000梁以下,350900梁以上的梁支模参照此梁排布)钢管支顶按纵横间距1100*900mm设置,梁底、梁侧模板采用18厚夹板,龙骨采用8080mm木枋。梁底下设两层龙骨,第一层龙骨采用8080木枋,垂直梁跨度方向排列,间距为200mm,跨度为600mm;第二层龙骨采用两条483.5钢管,沿梁跨度方向排列,跨度控制在900mm以内。侧模竖肋间距为300mm,在梁中加3排12对拉螺杆。离地300mm设扫地杆一道,以上每1.5米高设1道483.5钢管纵横向水平杆。(详见下图)(3)、120厚楼板的支撑钢

6、管支顶按纵横间距1100900mm设置,板底模板采用18厚夹板,龙骨采用8080mm木枋。板底下设两层龙骨,第一层龙骨采用8080木枋,间距为300mm,跨度为1100mm;第二层龙骨采用8080木枋,跨度控制在1100mm以内。离地300mm设扫地杆一道,以上每1.5米设1道48钢管纵横向水平杆。(详见下图)(4)、钢管支顶安装时,立柱应采用对插方式,立柱之间对插必须牢固好,以保证垂直度和力的传递。支顶上部用U型可调节螺杆调节支顶,可调托座伸出顶层水平杆严禁超过650mm,且丝杆外露长度严禁超过350mm,可调托座插入立杆不得小于150mm。如下图。(5)、纵横水平杆设置在钢管底部上0.30

7、m处纵横设置扫地杆,用48钢管拉结,以后纵横水平杆每1.5米高设置一道。在可调支托底部的立杆顶端应沿纵横向设置一道水平拉杆,支模高度在510米时,在最顶步距两水平拉杆中间应加一道水平拉杆。(6)、剪刀撑设置高支模外四周设剪刀撑,剪刀撑应由底至顶连续设置,用48钢管拉结,斜杆与地面倾角为450600,并与地面顶紧,剪刀撑与钢管立杆有效连接,剪刀斜撑搭接长度不少于1000,采用不少于3个旋转扣件固定,剪刀斜撑端头伸出扣件边缘长度不应少于100。水平剪刀撑设置:当高度超过6米时,水平剪刀撑应该满布设置,在扫地杆上设置第一道水平剪刀撑,以后沿高度每隔23个水平杆标准步距设置一道水平剪刀撑,水平剪刀撑必

8、须遇到纵杠就一个拉节点。(三)设计一览表:序号相同支模形式的梁、板尺寸支顶材料、间距主、次龙骨规格、材料、间距梁侧模竖肋规格、材料模板材料、规格剪刀撑、水平杆材料、间距设置位置1120厚楼板采用钢管支顶,纵向间距为1000mm,横间距900mm。主、次龙骨采用80mm80mm松枋木,主龙骨间距1000mm,次龙骨间距300mm。板底模板18mm厚夹板。离地300mm设扫地杆一道,以上每1500mm高设置一道纵横水平杆。高支模四周设置纵横竖向剪刀撑,斜杆与地面倾角为450600。水平剪刀撑设置:当高度超过5米时,水平剪刀撑应该满布设置,在扫地杆上设置第一道水平剪刀撑,以后沿高度每隔24个水平杆标

9、准步距设置一道水平剪刀撑,水平剪刀撑必须与纵杆扣结。1#、1#车间屋面梁板序号相同支模形式的梁、板尺寸支顶材料、间距主、次龙骨规格、材料、间距梁侧模竖肋规格、材料模板材料、规格剪刀撑、水平杆材料、间距设置位置23001000梁采用钢管支顶,纵向间距为1100mm,横间距900mm。第一层龙骨采用80mm80mm松枋木,木枋间距250mm,跨度1000mm;第二层龙骨采用80mm80mm松枋木,木枋跨度为1000mm。梁侧模板用一根483.5钢管组成的竖向及水平楞夹牢,竖枋间距300mm,采用80mm80mm松枋木。对拉螺栓采用T12,对拉螺栓的水平间距为0.6m,上下间距为0.40m。此梁对拉

10、螺栓设置1道。梁侧、梁底模板18mm厚夹板。离地300mm设扫地杆一道,以上每1500mm高设置一道纵横水平杆。高支模四周设置纵横竖向剪刀撑,斜杆与地面倾角为450600。水平剪刀撑设置:当高度超过5米时,水平剪刀撑应该满布设置,在扫地杆上设置第一道水平剪刀撑,以后沿高度每隔46个水平杆标准步距设置一道水平剪刀撑,水平剪刀撑必须与纵杆扣结。1#、1#车间屋面梁板序号相同支模形式的梁、板尺寸支顶材料、间距主、次龙骨规格、材料、间距梁侧模竖肋规格、材料模板材料、规格剪刀撑、水平杆材料、间距设置位置3350900梁采用钢管支顶,纵向间距为1100mm,横间距900mm。第一层龙骨采用80mm80mm

11、松枋木,木枋间距200mm,跨度600mm;第二层龙骨采用两条483.5mm钢管,钢管跨度为1000mm。梁侧模板用一根483.5钢管组成的竖向及水平楞夹牢,竖枋间距300mm,采用80mm80mm松枋木。对拉螺栓采用T12,对拉螺栓的水平间距为0.6m,上下间距为0.30m。此梁对拉螺栓设置3道。梁侧、梁底模板18mm厚夹板。离地300mm设扫地杆一道,以上每1500mm高设置一道纵横水平杆。高支模四周设置纵横竖向剪刀撑,斜杆与地面倾角为450600。水平剪刀撑设置:当高度超过5米时,水平剪刀撑应该满布设置,在扫地杆上设置第一道水平剪刀撑,以后沿高度每隔46个水平杆标准步距设置一道水平剪刀撑

12、,水平剪刀撑必须与纵杆扣结。1#、1#车间屋面梁板(四)、施工工艺1、钢管支撑系统安装施工顺序放出轴线及梁位置线,定好水平控制标高梁板盘扣直插式钢管脚手架安装架设梁底木方龙骨于钢管脚手架顶托板上梁底模及侧模安装架设板底木方龙骨于钢管脚手架顶托板上楼板模板安装梁板钢筋绑扎铺设梁板混凝土浇筑混凝土保养,达到设计强度等级拆下盘扣直插式钢管脚手架可调顶托拆除梁、板模板,清理模板拆除水平杆、剪刀撑及钢管脚手架立杆2、模板安装(1) 盘扣直插式钢管脚手架支撑系统安装顺序:搭设顺序:放置纵向扫地杆主柱第一步纵向水平杆横向扫地杆第一步横向水平杆第二步纵向水平杆第二步横向水平杆-。(2) 先在楼面上弹出轴线、梁

13、位置线按施工方案标出立杆安装位置,然后在柱子上弹出轴线、梁位置和水平线,装柱头模板。(3) 根据模板的施工图架设支撑和木楞。支架排列要考虑设置施工通道。(4) 盘扣直插式钢管脚手架立柱须设置底座,立柱垂直度容许偏差为全高不大于1/600及20mm,上下层支柱应在同一竖向中心线上。各层支柱间的水平拉杆和剪刀撑与立柱要有效连接。(5) 通线调节盘扣直插式钢管脚手架的高度,将托梁找平,架设托梁及梁底枋木。(6) 梁底模板:按设计标高调整支柱的标高,然后安装梁底模板,并拉线找平。(7) 梁侧模板:先安装梁底模板,待安装完钢筋后再安装梁侧模板、压脚板(枋)、斜撑、对拉螺丝等。 (8) 楼面模板铺完后,应

14、认真检查支撑是否牢固,模板梁内、板面应清扫干净。模板应拼缝平整严密,拼缝位置下面必须要有次龙骨支撑并钉牢.拼缝处内贴胶带,防止漏浆. (9) 在混凝土板面安装盘扣直插式钢管脚手架时,应对上部混凝土结构承载力强度的验算,然后安装可调底座及盘扣直插式钢管脚手架、水平杆、剪刀撑,在混凝土面直接安装可调底座时,要在根部设置两个方向的水平拉结杆,以防止立杆根部移动。可调底座的调节螺杆伸出长度不超过300。(10) 剪刀撑应在满堂红脚手架外侧周边设置,斜杆与地面倾角为450600 并与地面顶紧。水平剪刀撑设置:当高度超过5米时,水平剪刀撑应该满布设置,在扫地杆上设置第一道水平剪刀撑,以后沿高度每隔24个水

15、平杆标准步距设置一道水平剪刀撑,水平剪刀撑必须与纵杆扣结。(11) 高支模搭设要求:A. 地基处理立杆直接支承于混凝土垫层,每根立杆底座下设置垫板,面积0.15m2,布设必须平稳,不得悬空。B. 立杆a、立杆下端支承在混凝土垫层上,并每根立杆下端设置木垫板。b、立杆接头采用直插式连接,立杆与横杆采用盘扣连接。接头交错布置,两个相邻立柱接头避免出现在同步同跨内,并在高度方向错开的距离不小于50cm;各接头中心距主节点的距离不大于60cm。c、高支模必须设置纵、横向扫地杆。纵横向扫地杆应采用盘扣固定在地面上不大于300mm处的立杆上。d、立杆步距为1.5m。e、立杆必须用连墙杆与室内柱拉结。f、立杆对接应符合下列规定: 杆上的接头应交错布置,两根相邻立杆的接头不应设置在同步内,同步内隔一根立杆的两个相隔接头在高度方向错开的距离不宜小于500

展开阅读全文
相关资源
猜你喜欢
相关搜索

当前位置:首页 > 建筑/环境 > 施工组织

copyright@ 2008-2023 1wenmi网站版权所有

经营许可证编号:宁ICP备2022001189号-1

本站为文档C2C交易模式,即用户上传的文档直接被用户下载,本站只是中间服务平台,本站所有文档下载所得的收益归上传人(含作者)所有。第壹文秘仅提供信息存储空间,仅对用户上传内容的表现方式做保护处理,对上载内容本身不做任何修改或编辑。若文档所含内容侵犯了您的版权或隐私,请立即通知第壹文秘网,我们立即给予删除!