广西某河道防洪整治项目护岸浆砌石挡墙工程专项施工方案.doc

上传人:p** 文档编号:951694 上传时间:2024-05-21 格式:DOC 页数:12 大小:97.50KB
下载 相关 举报
广西某河道防洪整治项目护岸浆砌石挡墙工程专项施工方案.doc_第1页
第1页 / 共12页
广西某河道防洪整治项目护岸浆砌石挡墙工程专项施工方案.doc_第2页
第2页 / 共12页
广西某河道防洪整治项目护岸浆砌石挡墙工程专项施工方案.doc_第3页
第3页 / 共12页
广西某河道防洪整治项目护岸浆砌石挡墙工程专项施工方案.doc_第4页
第4页 / 共12页
广西某河道防洪整治项目护岸浆砌石挡墙工程专项施工方案.doc_第5页
第5页 / 共12页
广西某河道防洪整治项目护岸浆砌石挡墙工程专项施工方案.doc_第6页
第6页 / 共12页
广西某河道防洪整治项目护岸浆砌石挡墙工程专项施工方案.doc_第7页
第7页 / 共12页
广西某河道防洪整治项目护岸浆砌石挡墙工程专项施工方案.doc_第8页
第8页 / 共12页
广西某河道防洪整治项目护岸浆砌石挡墙工程专项施工方案.doc_第9页
第9页 / 共12页
广西某河道防洪整治项目护岸浆砌石挡墙工程专项施工方案.doc_第10页
第10页 / 共12页
亲,该文档总共12页,到这儿已超出免费预览范围,如果喜欢就下载吧!
资源描述

《广西某河道防洪整治项目护岸浆砌石挡墙工程专项施工方案.doc》由会员分享,可在线阅读,更多相关《广西某河道防洪整治项目护岸浆砌石挡墙工程专项施工方案.doc(12页珍藏版)》请在第壹文秘上搜索。

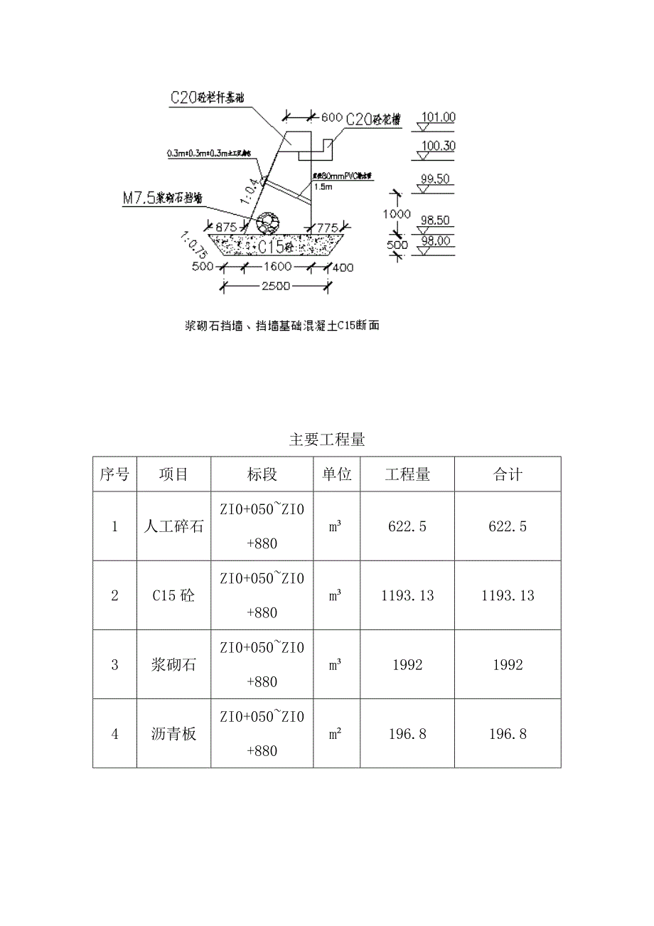
1、护 岸 浆 砌 石 挡 墙 工 程专 项 施 工 方 案某某市水电建设工程有限公司某某区右江左岸河段防洪整治工程(Z4+510Z6+908)段工程(标段)项目经理部一、 工程总体情况1.1工程概况:田阳县城区右江左岸河段防洪整治堤线起始于凤马码头;沿右江左岸往下游延伸,途径田阳大桥、田阳汽配厂、田阳县南华糖业、物资局等,终点狮子山公园。防洪堤工程主要内容为:护岸工程、防洪堤、兰地排涝沟箱涵、其他排涝沟箱涵、临时工程等。项目部承担施工的浆砌石挡墙为桩号ZI0+050ZI0+880段,主要包括人工碎石换填基础、C15砼基础、浆砌石、沥青板填缝、C20砼花槽;砌体间隔10.0m设伸缩缝,缝宽20mm

2、,内满填沥青木板。1.2主要设计参数、工程量 ZI0+050ZI0+880段,人工碎石换填基础部分为矩形断面,底部高程为97.7,顶部高程为98.0;C15砼基础部分为倒梯形断面,底部高程为98.0,顶部高程为98.5;浆砌石部分为直角梯形断面,底部高程为98.5,顶部高程为100.5。 如图: 主要工程量序号项目标段单位工程量合计1人工碎石ZI0+050ZI0+880m622.5622.52C15砼ZI0+050ZI0+880m1193.131193.133浆砌石ZI0+050ZI0+880m199219924沥青板ZI0+050ZI0+880m196.8196.81.3施工目标(1) 工程

3、质量目标工程验收一次合格率100%,工程技术资料达到齐全、准确、工整并同步。(2) 工程安全目标无重大机械、设备损坏事故;无火灾事故;无人身死亡事故。(3) 工程环境目标控制污水排放;控制固体废弃物;不发生重大环境污染事故。(4) 工程文明施工目标机材定置;完工、料尽、场地清。(5) 施工目标根据项目部总体进度,浆砌石挡墙计划于2011年 开始施工,2011年 底完工。二、 施工总平面布置三、 施工总体安排3.1施工总体原则(1) 严格按施工合同规定和业主要求,根据现场情况,在满足施工需要的前提下,合理、经济地进行施工总体布置。(2) 结合本工程的施工特点,沿浆砌石工程这条施工主线,统筹规划整

4、个项目的施工。(3) 根据潮汐、天气等情况做好施工调度安排,充分利用好施工潮水时段,确保工程进度计划的顺利完成。(4) 本工程所需的碎石、砾石、片石、水泥材料等均为外购,在施工过程中对工程材料采购计划进行详细的编制和审核,杜绝浪费,降低工程成本。(5) 确保合同质量、安全、进度目标的实现。3.2总体施工程序根据现场实际情况结合总体进度安排,浆砌石挡墙施工采用“先基础,后上部”的方案施工。施工工序:施工前的准备-测量定位、放线-基础底部清理-砂浆拌制-基础底部砌石-基础保护、养护-浆砌石挡墙施工、沥青板、排水管安放-验收(1) 施工准备:拌合现场的路基处理及运输斗车的道路平整、修补,人员、材料、

5、设备到达施工现场,还包括砂浆配合比的实验及原材料进场的检验试验工作。(2) 测量定位、放线:利用全站仪及水准仪将施工边线、轴线、高程定位,现场做好标识。(3) 基础浆砌石施工前,先将基础底部进行清理,保证基底的清洁、坚实。(4) 砂浆拌制:砂浆采用砂浆机拌制,拌制时间不少于2-3min。砂浆拌制的配合比必须满足施工图纸的规定和施工和易性的要求,配合比通过试验确定,施工中需要改变砂浆的配合比时,应重新试验并征得监理的同意,严格按配合比进行拌合,斗车运输至施工现场。(5) 浆砌石砌筑:浆砌石所用的石料材质应坚实新鲜,无风化剥落层或裂纹,石材表面无污垢、水锈等杂质,用于表面的石材,应色泽均匀,砌体所

6、用的块石,应棱角分明、更面平整,其长度应大于50cm,块高大于25cm,长厚比不大于3,石料外露面应修琢加工,砌面高差不小于5cm,分层施工,块石间必须用砂浆灌满,砌体应上下错缝搭砌。(6) 基础浆砌石施工完后,进行基础的养护,并保护基础避免挖掘机的破坏。3.3劳动力、设备安排劳动力计划表序号年月管理人员(人)施工人员(人)合计(人)12011年118253322011年1283038施工机械计划表序号设备名称单位数量备注1挖掘机台12拌合机台23斗车辆34全站仪台15水准仪台16柴油抽水机台1四、 质量管理4.1质量管理组织为了严格控制浆砌石施工质量、项目部成立质量管理领导小组,由项目经理单

7、位组长,项目部、施工队、班组三级质量管理网络。质量专责项目部总工项目副经理项目经理班组施工队4.2质量控制措施4.2.1技术、质量交底制度(1) 技术、质量交底是施工过程基础管理中得一项不可缺少的主要内容,交底采用书面签证确认形式。(2) 当项目部接到设计图之后,由项目经理组织项目部全体人员对图纸进行充分阅读和学习。(3) 施工方案编制完毕并送审确定后,项目技术负责人组织全体人员认真学习施工方案,并进行技术、质量、安全书面交底,并累出监控部位及监控要点。(4) 加强对关键岗位作业人员的技术培训和质量意识教育,熟悉掌握技术和操作规程。 4.2.2施工挂牌制在施工现场悬挂浆砌石施工牌,包括施工部位

8、、施工单位、砂浆标号、以及配合比,并对计量用具做好标识。严格按照配合比做,项目负责人及各部门负责人要挂牌。4.2.3材料进货检验制工程中使用的各种材料均应有出场合格证和质量保证书,不合格的材料坚决不适用。材料进入施工现场使用前由按规范进行取样试验,经检验合格后方可投入工程使用。4.2.4严格验收制度本工程严格执行三检制,在班组自检、工序交接检、质检员附近合格的基础上再由监理工程师核检,监理工程师核检合格后方可进行下一道工序施工,不合格的坚决返工。工程施工过程中,各分管工种负责人监督班组做好自检工作,确保当天问题当天整改完毕。各操作人员及时对自己的工序进行认真的质量自检,发现问题立即返修。各施工

9、段对工序进行内部互检,互检时发现不符合质量要求的,由原操作人员返修。发现重大质量问题及时报项目部进行处理。未能及时返修而影响施工进度的损失,由各施工队负责。每道工序施工完毕后,各分管工种负责人及时组织施工队进行工程质量评定,施工队质检员填好质量评定表,交项目部确认。最终质量评定由专职质检工程师核定。在三检合格的情况下,由专职质检工程师将质量评定记录交监理工程师,在监理工程师指定的时间里,质检工程师、质检员和监理工程师一起,对申请验收的部位进行联检,经联检合璧,监理工程师在质量评定记录上签字,确认合格后,方可进行下道工序的作业和覆盖。4.2.5质量教育培训 认真学习技术规范,操作规程,并针对施工

10、实际,进行分层集中学习,开展质量教育,提高业务素质。树立质量第一,用户至上,预防为主,用数据说话的观点。新工人必须进过上岗培训。 4.3施工质量控制浆砌石砌筑块石用料要求质地坚硬,块石上下两个面大致平整,厚度不小于50cm,长度与厚度比不大于3;本浆砌石挡墙工程为M7.5浆砌石挡墙砌筑。砌筑前将工程采用的各种石料的实验结果报送监理,经监理批准认为石材质量符合要求后,方可用于工程施工。砂和砾石的质量应符合设计要求,砂浆和小骨料混凝土采用的砂料,要求粒径为0.155mm,细度模数为2.03.0,砌筑毛石砂浆的砂,其最大粒径不大于5mm,砌筑料石砂浆的砂,最大粒径不大于2.5mm。水泥和水:砌体工程

11、所用的水泥品种和标号应符合设计的规定,到货的水泥应按瓶中、标号、出场日期分别堆存,应有防潮、防雨措施,受潮湿结块的水泥禁止使用。砂浆拌制时,现场挂牌表明配合比。并严格按照配合比进行拌料,称量准确,禁止擅自更改。砂浆拌制工程中应保持粗、细骨料含水率的稳定,根据骨料含水量的变化情况,随时调整用水量,以保证水灰比的准确性。五、 环境保护为做好本工程环境保护工作,在施工过程中项目部各级工作人员严格遵守国家和地方有关环境保护法律、法规,加强宣传教育工作,使全体施工人员自觉执行环境波爱护措施,防止由于工程施工造成海域的环境污染和破坏。5.1海域的破坏本工程施工过程中如果现场工作人员的生活污水不规则排放、机

12、械设备临时检修时产生的废油不集中回收到处乱倒等因素,均可导致对水源的污染。5.2大气污染施工工程中重型机械和车辆排放尾气等,均可导致对大气的污染。5.3噪音污染本工程施工过程中机械车辆发动机的轰鸣及汽笛等作业的声响都会给周围生活环境造成一定的噪音污染。5.4生活垃圾污染施工生产和生活工程中得废弃物、生活垃圾、厕所排污物等均可会对环境造成污染。5.5环境保护具体措施针对本工程特点和环境保护要求,我公司在本工程施工过程中将本着科学规划、求真务实的原则,编制有关环境保护的具体措施,保证本工程环境目标的实现。5.6防止水污染措施严格控制生活、生产等废水的排放,采取合理的节水用水控制措施七、文明施工措施(1) 施工操作地点和周围清洁整齐,做到活完脚下清,工完场地清,丢洒的砂浆、混凝土及时清除。(2) 砂浆的搅拌、运输、使用过程中,做到不洒、不漏、不剩。(3) 施工人员严格执行操作规程,严格遵守安全文明生产纪律禁止违章作业。(4) 施工作业面必须保持整洁,工程完工后,应尽快拆除临设,清理场地,确保工完料尽地清、按期按要求归还临设和施工用地。

展开阅读全文
相关资源
猜你喜欢
相关搜索

当前位置:首页 > 建筑/环境 > 设计及方案

copyright@ 2008-2023 1wenmi网站版权所有

经营许可证编号:宁ICP备2022001189号-1

本站为文档C2C交易模式,即用户上传的文档直接被用户下载,本站只是中间服务平台,本站所有文档下载所得的收益归上传人(含作者)所有。第壹文秘仅提供信息存储空间,仅对用户上传内容的表现方式做保护处理,对上载内容本身不做任何修改或编辑。若文档所含内容侵犯了您的版权或隐私,请立即通知第壹文秘网,我们立即给予删除!