中村苑商住小区B栋外排栅施工方案.doc

上传人:p** 文档编号:953373 上传时间:2024-05-27 格式:DOC 页数:20 大小:100.27KB
下载 相关 举报
中村苑商住小区B栋外排栅施工方案.doc_第1页
第1页 / 共20页
中村苑商住小区B栋外排栅施工方案.doc_第2页
第2页 / 共20页
中村苑商住小区B栋外排栅施工方案.doc_第3页
第3页 / 共20页
中村苑商住小区B栋外排栅施工方案.doc_第4页
第4页 / 共20页
中村苑商住小区B栋外排栅施工方案.doc_第5页
第5页 / 共20页
中村苑商住小区B栋外排栅施工方案.doc_第6页
第6页 / 共20页
中村苑商住小区B栋外排栅施工方案.doc_第7页
第7页 / 共20页
中村苑商住小区B栋外排栅施工方案.doc_第8页
第8页 / 共20页
中村苑商住小区B栋外排栅施工方案.doc_第9页
第9页 / 共20页
中村苑商住小区B栋外排栅施工方案.doc_第10页
第10页 / 共20页
亲,该文档总共20页,到这儿已超出免费预览范围,如果喜欢就下载吧!
资源描述

《中村苑商住小区B栋外排栅施工方案.doc》由会员分享,可在线阅读,更多相关《中村苑商住小区B栋外排栅施工方案.doc(20页珍藏版)》请在第壹文秘上搜索。

1、某某商住小区B栋外排栅施工方案第一章 工程概况和施工工序某某商住小区B栋位于某某市某某区某某岛,新港东路北侧。工程为一栋四座12层并联高层建筑,建筑高度46.05m,建筑结构为框肢剪力墙,建筑面答19787m2,其中B1、B2座首层,二层为架空层,首层层高6m,二至十二层层高2.9m;B3、B4座地下一层,深4.1至5.05m,地上首层为架空层,层高6m,二至十二层层高2.9m。同时,B1、B2设有与A栋相连的走廊。根据某某某某房地产开发有限公司2003年7月3日发文,结合工程设计图纸,施工现场实际情况。设计B栋外排栅施工方法如下:1、B栋东面及南面外排栅搭设分二个阶段施工,第一阶段B1、B2

2、座外排栅搭设从0.00至8.9米;B3、B4座从0.00搭设至6米。第二阶段B1、B2座外排栅搭设从8.9米至47.25米;B3、B4座外排栅搭设从6米至47.25米。此阶段外排栅基础采用I22a槽钢悬臂作为架空外排栅基础,槽钢布置详见槽钢布置大样。2、B栋西面及北面外排栅搭设从0.00至47.25米,外排栅基础为100厚C15砼垫层。3、B栋B1、B2座东面及南面三层搭设防护棚;B3、B4座南面二层搭设防护棚。第二章 施工方案编制依据1、建筑施工扣件式钢管脚手架安全技术规范(JGJ130-2001)2、混凝土结构设计规范(GBJ10-89)3、建筑施工手册(中国建筑工业出版社1999年1月第

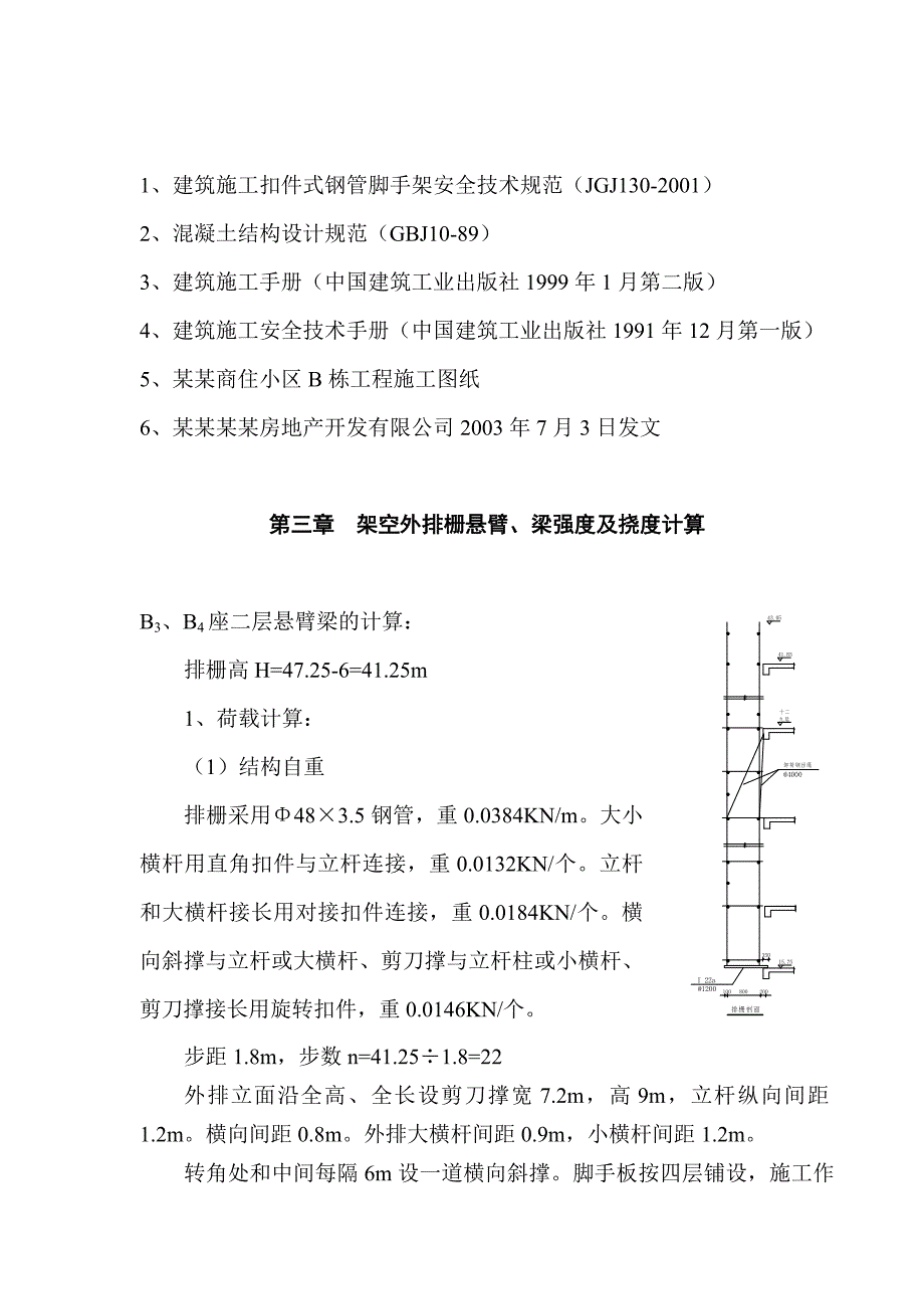
3、二版)4、建筑施工安全技术手册(中国建筑工业出版社1991年12月第一版)5、某某商住小区B栋工程施工图纸6、某某某某房地产开发有限公司2003年7月3日发文第三章 架空外排栅悬臂、梁强度及挠度计算B3、B4座二层悬臂梁的计算: 排栅高H=47.25-6=41.25m1、荷载计算:(1)结构自重排栅采用483.5钢管,重0.0384KN/m。大小横杆用直角扣件与立杆连接,重0.0132KN/个。立杆和大横杆接长用对接扣件连接,重0.0184KN/个。横向斜撑与立杆或大横杆、剪刀撑与立杆柱或小横杆、剪刀撑接长用旋转扣件,重0.0146KN/个。步距1.8m,步数n=41.251.8=22外排立面

4、沿全高、全长设剪刀撑宽7.2m,高9m,立杆纵向间距1.2m。横向间距0.8m。外排大横杆间距0.9m,小横杆间距1.2m。转角处和中间每隔6m设一道横向斜撑。脚手板按四层铺设,施工作业层按二层同时施工。自重计算 外排 内排立杆(m) 41.25 41.25小横杆(m) 1222=11 1222=11大横杆(m) 1.2232=55.2 1.222=26.4 ( 0.82 +1.82+0.2)22斜撑(m) =23.87 23.87 2 2( 7.22+92 +1.2)41.25剪刀撑(m) =19.44 69直角扣件(个) 322=66 222=44对接扣件(个) 7+24=31 7+12=

5、19旋转扣件(个) 25+22=32 22G1K外=0.0384(41.25+11+55.2+23.87+19.44)+0.013266+0.018431+0.014632 =5.79+0.58+0.35+0.32 =7.7KNG1K内=0.0384(41.25+11+26.4+23.87)+0.013244+0.018419+0.014622 =3.94+0.58+0.35+0.32 =5.19KN(2)脚手板、安全网自重脚手板重0.35KN/m2,挡脚板重0.14KN/m,安全网重0.002KN/m2同时存在的脚手板有四层G2K外=(0.350.41.24+0.141.222+0.0021

6、.241.25=0.672+3.7+0.099= 4.47KNG2K内=0.350.41.24 = 0.672KN(3)恒载GK外= G1K外+ G2K外 = 7.7+4.47 = 12.17KNGK内= G1K内+ G2K内 = 5.19+0.672 = 5.86KN(4)施工荷载按二层同时装修作业Qk=220.41.2=1.92KN3、荷载设计值N外=1.2Gk外+1.4Qk = 1.212.17+1.41.92 = 17.29KNN内=1.2Gk内+1.4Qk = 1.25.86+1.41.92 =9.72KN4、悬臂梁计算选用I22a,W=218cm3,I=2394cm4 ix=8.6

7、7cm f=205N/mm2 E=206103N/mm2钢梁大样钢梁大样RA+ RB=P1+P2 由SMAC = 0 得:0.8 RA+0.4 RB = 0.3P2+1.1 P1 由0.4 得:0.4RA=0.1P2 0.7P1 RA=(0.717.29 0.19.72)/0.4 =27.83KN 将RA=27.83代入中得: RB=17.29+9.72 27.83= 0.82KN1)强度验算M=1.117.29+0.39.72 =21.935KN.m M 21.935106 s= = =100.62N/mm2205N/mm2 w 2181032)挠度计算采用标准值P1=12.17+1.92=

8、14.09KN P2=5.86+1.92=7.78KN第三章 验算立杆稳定性1、北面底层首层内立杆为最不利杆段,排栅高度为:(1)排栅自重NG1K及配件自重NG2K计算: P1L3 P2b 2L fA= + (3-500 /1300) 3EI 6EI 8.35130035002= + (3- ) 32061032394104 62061032394=1.24+0.144=1.384mm100.4mm2 满足要求。第三章 外排施工方案本工程采用扣件式钢管脚手架,施工时应严格执行建筑施工扣件式钢管脚手架安全技术规范。一、脚手架的布置:第一段采用4.83.5钢管,双排落地式脚手架,步距h=1.8m,

9、立杆间距2m,立杆纵距0.8m,外排大横杆1m。第二段采用4.83.5钢管,管脚落在五层槽钢悬臂梁上,立杆间距1.2m,立杆横距0.8m,步距h=1.8m,外排大横杆0.9m。二、脚手架的施工1)搭设作业程序底座布置底座布置应根据图纸要求拉好轴线铺放,放横向扫地杆自角部起依次向两边竖立底立杆,底端与横扫地杆扣接固定后,装设纵向扫地杆并也与立杆固定,固定底杆端前,应吊线确保立杆垂直,每边立起4根立杆后,随即装设第一步纵向平杆(与立杆扣接固定)和横向平杆,小横杆靠近立杆并与纵向平杆扣接固定,校接立杆固定和平杆水平使其符合要求后,按4060Nm力矩拧紧扣件螺栓,形成构架的起始段按上述要求依次向前延伸

10、搭设,直至第一步架交圈完成。交圈后,再全面检查一遍构架质量和地基情况,严格确保设计要求和构架质量设置连墙杆按第一步搭设要求和作业程序搭设第二步,第三步随搭设进程及时装设连墙件,剪刀撑、卸荷结构装设作业层间横杆、铺设脚手板和装设作业层栏杆,挡脚板或围护、封闭施工。2)脚手架的基底 本工程第一段排栅支承基础为原土分层夯实上捣C15砼100mm厚,板面垫方木,在立杆脚方木上垫1201205mm钢板或150150竹夹板。做法见下图:3)扫地杆的搭设 扫地杆设置为横向双排水平杆,它应贴在垫板上面安装,安装要牢固,它是约束立杆底脚所发生的位移和用来避免或减少脚手架的不均匀沉降。4)连墙杆的搭接: 连墙杆的

11、搭接一边与预埋件连接,一边与内排立杆搭接。即在现浇混凝土的框架梁、柱上留预埋件,然后用钢管一端与预埋件连接,另一端与内排立杆用扣件连接。详见大样。 连墙杆在每层范围均布置一排,竖向间距为步高23倍,横向间距为34m。5)支撑搭设(剪刀撑)为了增强脚手架的纵向稳定性和整体性,在脚手架竖向传力结构的外侧应沿高度由下而上连续设置竖向的剪刀撑,斜杆与地面夹角在4560范围内,剪刀撑应沿脚手架全长和全高连续不断布置,水平最大间距7m,高度9m。凡外排立面水平距离不足7米的立杆都应从底到顶完善剪刀撑的措施,对水平距离不足3米的立杆,可从下到顶设置之字形斜撑,每条斜杆除两端外,最少每隔3.9m以内要用旋转扣

12、件与小横杆伸出部位或立杆固定,斜杆搭接长度1m,用3个旋转扣件固定。横向斜撑在结构拐角设置一道,详见大样。6)立杆的误差控制为了防止立杆偏斜而承受过大的偏心力,需对立杆的垂直偏差程度进行控制,并实行双控。在脚手架的高度段H内,立杆的全部垂直偏差绝对值为小于100mm。在脚手架的高度段H内,立杆偏差的相对值小于H/400。7)横向结构 横向承力结构是由立杆和短横杆组成的横向结构。它是脚手架直接承受和传递垂直荷载的部分,是脚手架的受力主体。横向承力结构中心节点是指大横杆、短横杆与立杆的交点。应具有足够的强度,即具有传递剪力的能力,能将作业层承受的荷载通过立杆可靠地传递到基础上。所以在使用过程的任何情况下均不得拆除贴近立杆的短横杆。本工程要求短横杆的垂直距离(步高h)为1.8m。在施工中需留门口的地方两边必须加上人字形斜撑杆,斜撑杆与地面夹角60。8)作业层 上料作业层宽1.8m,脚手板用18mm厚、夹板横设纵向满铺,做到严密、牢固、铺平、铺稳、铺实,不得超过50mm的间隙。施工作业层脚手板应满铺。 作业层下面要留一层脚手板作为防护层。施工时,作业层升高一层,则把下面一层脚手板倒到上面作为作业层的脚手板,两层交错上

展开阅读全文
相关资源
猜你喜欢
相关搜索

当前位置:首页 > 建筑/环境 > 施工组织

copyright@ 2008-2023 1wenmi网站版权所有

经营许可证编号:宁ICP备2022001189号-1

本站为文档C2C交易模式,即用户上传的文档直接被用户下载,本站只是中间服务平台,本站所有文档下载所得的收益归上传人(含作者)所有。第壹文秘仅提供信息存储空间,仅对用户上传内容的表现方式做保护处理,对上载内容本身不做任何修改或编辑。若文档所含内容侵犯了您的版权或隐私,请立即通知第壹文秘网,我们立即给予删除!