主体结构模板施工技术交底.doc

上传人:p** 文档编号:953500 上传时间:2024-05-27 格式:DOC 页数:8 大小:117.29KB
下载 相关 举报
主体结构模板施工技术交底.doc_第1页
第1页 / 共8页
主体结构模板施工技术交底.doc_第2页
第2页 / 共8页
主体结构模板施工技术交底.doc_第3页
第3页 / 共8页
主体结构模板施工技术交底.doc_第4页
第4页 / 共8页
主体结构模板施工技术交底.doc_第5页
第5页 / 共8页
主体结构模板施工技术交底.doc_第6页
第6页 / 共8页
主体结构模板施工技术交底.doc_第7页
第7页 / 共8页
主体结构模板施工技术交底.doc_第8页
第8页 / 共8页
亲,该文档总共8页,全部预览完了,如果喜欢就下载吧!
资源描述

《主体结构模板施工技术交底.doc》由会员分享,可在线阅读,更多相关《主体结构模板施工技术交底.doc(8页珍藏版)》请在第壹文秘上搜索。

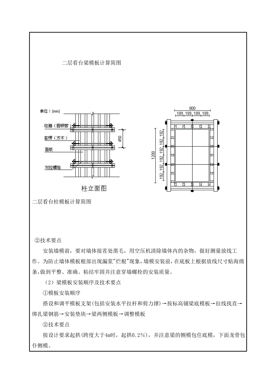
1、技术交底记录表C2-1编 号工程名称交底日期年3月17日施工单位分项工程名称模板工程交底提要主体结构模板施工工艺及质量要求交底内容:一、材料选择 1、 按清水混凝土的要求进行模板设计,在模板满足强度、刚度和稳定性要求的前提下,尽可能提高表面光洁度,阴阳角模板统一整齐。 2、模板支架 板底采用45mm75mm方木支撑。承重架采用扣件式钢管脚手架,由扣件、立杆、横杆、支座组成,采用483.5钢管。 3、模板安装要求 (1)梁、板模板安装顺序及技术要点 模板安装顺序模板定位、垂直度调整模板加固验收混凝土浇筑拆模(模板架设参数如下)附图见后二层模板支设参数(主要指看台部位) 项目 名称截面尺寸次楞间距

2、主楞间距立杆步距面板厚度木方规格梁600*1300侧模:次楞196/底模:次楞120钢管5001.515mm45*75板120厚25010001.515mm45*75柱800(B)*1200(H)B:竖楞189 /H:竖楞192钢管4501.515mm45*75 二层看台梁模板计算简图 二层看台柱模板计算简图 技术要点 安装墙模前,要对墙体接茬处凿毛,用空压机清除墙体内的杂物,做好测量放线工作。为防止墙体模板根部出现漏浆烂根现象,墙模安装前,在底板上根据放线尺寸贴海绵条,做到平整、准确、粘结牢固并注意穿墙螺栓的安装质量。 (2)梁模板安装顺序及技术要点 模板安装顺序 搭设和调平模板支架(包括安

3、装水平拉杆和剪力撑)按标高铺梁底模板拉线找直绑扎梁钢筋安装垫块梁两侧模板调整模板 技术要点 按设计要求起拱(跨度大于4m时,起拱0.2),并注意梁的侧模包住底模,下面龙骨包仆侧模。 (3)楼板模板安装顺序及技术要点 模板安装顺序 满堂脚手架主龙骨次龙骨柱头模板龙骨柱头模板、顶板模板拼装顶板内、外墙柱头模板龙骨模板调整验收进行下道工序 技术要点 楼板模板当采用单块就位日寸,宜以每个铺设单元从四周先用阴角模板与墙、梁模板连接,然后向中央铺设,按设计要求起拱(跨度大于4m时,起拱0.2),起拱部位为中间起拱,四周不起拱。 (4)柱模板安装顺序及技术要点 模板安装顺序 搭没脚手架柱模就位安装安装柱模安

4、设支撑固定柱模浇筑混凝土拆除脚手架、模板清理模板 技术要点 板块与板块竖向接缝处理,做成企口式拼接,然后加柱箍、支撑体系将柱固定。 4、模板组拼 模板组装要严格按照模板配板图尺寸拼装成整体,模板在现场拼装时,要控制好相邻板面之间拼缝,两板接头处要加设卡子,以防漏浆,拼装完成后用钢丝把模板和竖向钢管绑扎牢固,以保持模板的整体性。拼装的精度要求如下: 1、两块模板之间拼缝 1 2、相邻模板之间高低差 1 3、模板平整度 2 4、模板平面尺寸偏差 3 5、模板定位 当顶板混凝土浇筑完毕并具有一定强度(1.2MP),即用手按不松软、无痕迹,方可上人开始进行轴线投测。根据轴线位置放出柱截面位置尺寸线、模

5、板500 控制线,以便于梁、柱模板的安装和校正。当柱混凝土浇筑完毕,模板拆除以后,开始引测楼层500mm 标高控制线,并根据该500mm 线将板底的控制线直接引测到柱上。 首先根据楼面轴线测量孔引测建筑物的主轴线的控制线,并以该控制线为起点,引出每道墙、柱轴线,根据轴线与施工图用墨线弹出模板的内线、边线以及外侧控制线,施工前三线必须到位,以便于模板的安装和校正。 6、模板的支设 模板支设前用空压机将楼面清理干净。不得有积水、杂物,并将施工缝表面浮浆剔除,用水冲净。所有内侧模板必须刷油性脱模剂。 7、柱模板 采用15mm胶合板复膜模板在木工车间制作施工现场组拼,竖向内楞采用4575 木方,柱箍采

6、用483.5钢管,柱截面B方向间距200mm,柱截面H方向间距200mm,用可回收的M14普通穿墙螺栓加固,柱箍间距600mm,四周加钢管抛撑。柱边角处采用木板条找补海棉条封堵,保证楞角方直、美观。斜向支撑,起步为150mm,每隔1500mm 一道,采用双向钢管对称斜向加固(尽量取45),柱与柱之间采用拉通线检查验收。柱模木楞盖住板缝,以减少漏浆。 8、楼板模板支架 楼板模板采用45mm75mm木方做板底支撑,中心间距200mm,扣件式钢管脚手架作为撑系统,脚手架排距1.2m,跨距1.2m,步距1.5m。 楼板模板施工时注意以下几点: (1)模板支撑钢管必须在楼面弹线上垫木方; (2)钢管排架

7、搭设横平竖直,纵横连通,上下层支顶位置一致,连接件需连接牢固,水平拉撑连通; (3)模板底第一排楞需紧靠墙板,如有缝隙用密封条封孔,模板与模板之间拼接缝小于1mm,否则用腻子封条; (4)根据房间大小,决定顶板模板起拱大小:4 开间不考虑起拱,4L6起拱10mm,6 的起拱15mm; (5)模板支设,下部支撑用满堂脚手架支撑下垫垫板。顶板纵横格栅用压刨刨成同样规格,并拉通线找平。特别是四周的格栅,弹线保持在同一标高上,板与格栅用50mm 长钉子固定,格栅间距300mm,板铺完后,用水准仪校正标高,并用靠尺找平。铺设四周模板时,与墙齐平,加密封条,避免墙体吃模,板模周转使用时,将表面的水泥砂浆清

8、理干净,涂刷脱模剂,对变形和四周破损的模板及时修整和更换以确保接缝严密,板面平整;模板铺完后,将杂物清理干净,刷好脱模剂。 (6)从墙根起步300mm 立第一根立杆以后按900mm 和1200mm 的间距立支撑,这样可保证立柱支撑上下层位置对应。水平拉杆要求设上、中、下三道,考虑到人行通道,在支撑中留一条通道,中、下两道水平不设(在顶板支撑完善之后拆除部分横杆形成人行通道)。 9、梁模板支撑 9.1、梁侧模板采用木方作为内楞间距300mm,采用可回收的M14普通穿墙螺栓加固水平间距500mm,竖向间距同外楞。梁模板采用15mm胶合复膜面板作为面板。纵向支承为483.5钢管。扣件式钢管脚手架作为

9、撑系统,步距1.2m。原则上截面高度大于500的所有梁底中线处都要增加一排立杆顶托,梁的截面高度700-900,梁底立杆间距600-800;梁的截面高度500-700,梁底立杆间距700-900;梁的截面高度小于500,梁底立杆间距800-1000,梁的截面高度小于1400、1500,梁底立杆间距800,梁的截面高度小于1150,梁底立杆间距900。 9.2、梁模板施工时注意以下几点: (1)横板支撑钢管必须在楼面弹线上垫木方; (2)钢管排架搭设横平竖直,纵横连通,上下层支顶位置一致,连接件需连接牢固,水平拉撑连通; (3)根据梁跨度,决定顶板模板起拱大小:4不考虑起拱,4L6起拱10mm,

10、6 的起拱15mm;(4)梁侧设置斜向支撑,采用钢管对称斜向加固(尽量取45)10、剪力墙模板安装顺序及技术要点 模板安装顺序 搭设脚手架柱模就位安装安装柱模安设支撑固定柱模浇筑混凝土拆除脚手架、模板清理模板(2)按位置线安装门洞口模板,下预埋件或木砖。(3)把预先拼装好的一面模板按位置线就位,然后安装拉杆或斜撑,安对拉扁铁,对拉扁铁采用中间焊止水片的高强螺栓(14螺栓)连接,高强拉杆的纵横间距600 mm,长度由剪力墙厚度确定,对拉螺栓设置间距为500,呈梅花形布置。模板支撑采用双48钢管,两道背楞,水平背楞间距600mm,竖向背楞间距600mm。详见下图:11、楼梯模板安装楼梯梯段板及平合

11、板采用定型组合木模板,踏步侧模采用定制木模板。底板支撑体系采用钢管(483.5)及配套扣件搭设。该工程楼梯类型为现浇板式,采用定型、组合式模板,其施工顺序如下:弹楼梯线搭设支架休息平台梁斜板模就位模板设计模板预制校正加固绑钢筋预埋铁件踏步模板安装校正加固浇筑混凝土,施工前应根据实际层高放样,先安装休息平台梁模板,再安装楼梯模板斜楞,然后铺设楼梯底模,安装外帮侧模和踏步模板。安装模板时要特别注意斜向支撑的固定,防止浇筑混凝土时模板移动。楼梯模板详图见下图。楼梯模板支撑图六、模板拆除 1、模板拆除根据现场同条件的试块指导强度,符合设计要求的百分率后,由技术人员发放拆模通知书后,方可拆模。 2、模板

12、及其支架在拆除时混凝土强度要达到如下要求。在拆除侧模时,混凝土强度要达到1.2MP(依据拆模试块强度而定),保证其表面及棱角不因拆除模板而受损后方可拆除。混凝土的底模,其混凝土强度必须符合下表规定后方可拆除。 3、拆除模板的顺序与安装模板顺序相反,先支的模板后拆,后支的先拆。 (1) 楼板模板拆除 楼板模板拆除时,先调节顶部支撑头,使其向下移动,达到模板与楼板分离的要求,保留养护支撑及其上的养护木方或养护模板,其余模板均落在满堂脚手架上。拆除板模板时要保留板的养护支撑。 4、模板拆除吊至存放地点时,模板保持平放,然后用铲刀、湿布进行清理。支模前刷脱模剂。模板有损坏的地方及时进行修理,以保证使用

13、质量。七、安全、环保文明施工措施 (1)拆模时操作人员必须挂好、系好安全带。 (2)支模前必须搭好相关脚手架(见本工程脚手架方案及相关方案、相关安全操作规程等)。 (3)浇筑混凝土前必须检查支撑是否可靠、扣件是否松动。浇筑混凝土时必须由模板支设班组设专人看模,随时检查支撑是否变形、松动,并组织及时恢复。经常检查支设模板吊钩、斜支撑及平台连接处螺栓是否松动,发现问题及时组织处理。 (4)木工机械必须严格使用倒顺开关和专用开关箱,一次线不得超过3m,外壳接保护零线,且绝缘良好。电锯和电刨必须接用漏电保护器,锯片不得有裂纹(使用前检查,使用中随时检查);且电锯必须具备皮带防护罩、锯片防护罩、分料器和护手装置。使用木工多用机械时严禁电锯和电刨同时使用;使用木工机械严禁戴手套;长度小于50cm 或厚度大于锯片半径的木料严禁使用电锯;两人操作时相互配合,不得硬拉硬拽。审核人交底人接受交底人

展开阅读全文
相关资源
猜你喜欢
相关搜索

当前位置:首页 > 建筑/环境 > 设计及方案

copyright@ 2008-2023 1wenmi网站版权所有

经营许可证编号:宁ICP备2022001189号-1

本站为文档C2C交易模式,即用户上传的文档直接被用户下载,本站只是中间服务平台,本站所有文档下载所得的收益归上传人(含作者)所有。第壹文秘仅提供信息存储空间,仅对用户上传内容的表现方式做保护处理,对上载内容本身不做任何修改或编辑。若文档所含内容侵犯了您的版权或隐私,请立即通知第壹文秘网,我们立即给予删除!