主通廊吊装施工方案.doc

上传人:p** 文档编号:953553 上传时间:2024-05-27 格式:DOC 页数:32 大小:414KB
下载 相关 举报
主通廊吊装施工方案.doc_第1页
第1页 / 共32页
主通廊吊装施工方案.doc_第2页
第2页 / 共32页
主通廊吊装施工方案.doc_第3页
第3页 / 共32页
主通廊吊装施工方案.doc_第4页
第4页 / 共32页
主通廊吊装施工方案.doc_第5页
第5页 / 共32页
主通廊吊装施工方案.doc_第6页
第6页 / 共32页
主通廊吊装施工方案.doc_第7页
第7页 / 共32页
主通廊吊装施工方案.doc_第8页
第8页 / 共32页
主通廊吊装施工方案.doc_第9页
第9页 / 共32页
主通廊吊装施工方案.doc_第10页
第10页 / 共32页
亲,该文档总共32页,到这儿已超出免费预览范围,如果喜欢就下载吧!
资源描述

《主通廊吊装施工方案.doc》由会员分享,可在线阅读,更多相关《主通廊吊装施工方案.doc(32页珍藏版)》请在第壹文秘上搜索。

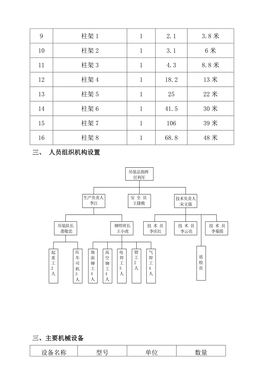
1、1080m3高炉炉顶上料主通廊吊装方案一、 工程概况建设单位:总包单位:监理单位:施工单位:本方案是针对汉钢1080m3高炉原料区炉顶上料主通廊而设计,通廊全长250多米,共八节,八部通廊支架,通廊总重约780吨。主通廊是从炉顶上料转运站通往炉顶框架55米处。二、 施工依据: 2.1 施工蓝图0988.03JG6.17 2.2 起重吊装作业规程: QA3201-2008 2.3 吊车性能参数表(后附)2.4吊装工程量如下表:(净重)序号构件名称数量总重(T)起始标高1桁架HJ1段17539米48米2桁架HJ2段178.930米39米3桁架HJ3段167.522米30米4桁架HJ4段176.41

2、3米22米5桁架HJ5段120.38.8米13米6桁架HJ6段113.56米8.8米7桁架HJ7段19.73.8米6米8桁架HJ8/9段135.748米53米9柱架112.13.8米10柱架213.16米11柱架314.38.8米12柱架4118.213米13柱架512522米14柱架6141.530米15柱架7110639米16柱架8168.848米三、 人员组织机构设置三、主要机械设备 设备名称型号单位数量履带吊150T台1履带吊50T台1汽车吊250T台2汽车吊130T台1汽车吊50T台1汽车吊25T米1钢丝绳58米100卸扣20T个6手拉葫芦10T个24橇棍1.5M根8橇棍0.5M根8

3、水平仪DS3台1经纬仪J2台2水平尺400把2吊篮个4油顶20吨个4揽风绳米300四、吊装流程钢结构吊装总顺序为:先柱架吊装固定,随后通廊桁架主体吊装。具体安装流程如下:基础验收构件运输柱架组拼柱架吊装通廊桁架组拼通廊桁架吊装檩条吊装涂装作业。按照上述工序每一柱间独立单元构件安装完后,具有较稳定的空间刚度和整体稳定性。4.1基础验收:检查基础的位置、标高、轴线偏差和预埋螺栓位置偏差,并做好验收交接记录。基础允许偏差序号项目允许偏差(mm)1底面标高-10.002轴线偏差10.03预埋螺栓孔位置偏差2.04.2 吊装所需场地: 由于此次吊装的构件重量和高度较大,所以吊装场地一定要坚实平整,必要时

4、要在吊车下铺设一定厚度的钢板,确保吊车平稳吊装。4.3钢构件运输:由于通廊柱架整体外形尺寸过大,所以采用分节制作,然后运至安装现场再组拼。最大支架重约108吨,高40米,柱脚跨度22米。部分通廊主体也采用分节制作,运至安装现场再进行组拼。以上构件采用40T拖车加炮拖运输,装卸和现场转运采用50T履带和25T汽车吊。 4.4 通廊柱架的组拼:主通廊共有8各柱架,ZJ1-4在厂里整体制作后运至安装现场;ZJ5-8采用分为两节制作运至安装现场,然后再进行拼装,拼装好后在进行吊装。组拼时场地要平整,要保证两节钢管的直线度;接口处要开破口外部焊接,内部垫6mm厚衬板点焊4.5支架吊装:4.4.1吊装准备

5、 柱架安装时,先将基础表面清理干净,按要求支架底部标高进行检测基础,然后按测量结果加工相应垫铁,按规范安装若干组垫铁。 柱架吊装前,应从柱底向上2000-2500mm处划一水平线,以便安装固定后复查平面标高基础用,在柱架的支腿打上中心线标签,以便柱子安装后找正使用。 钢柱架吊装前要将现场道路平好夯实,以便立吊车。 准备好吊装所用的机具。4.5.2吊装方法柱架安装属于垂直吊装。根据柱架的形状、长度、质量、起吊方法及吊机性能等因素。采用钢丝绳绑扎,吊车绑扎处垫以麻袋、橡皮或木块。绑扎点设在柱的肩梁处,并且绑扎点应该在柱架整体重心上部,确保柱架在吊起后发生反倒,损坏工件。 柱架ZJ-13为H型钢焊接

6、柱架,整体重量较轻,高度也较低,两支腿跨度4.2米,所以采用25T汽车吊进行吊装。吊装时先检查其基础顶面标高,然后按照图纸要求柱架顶部标高,在柱架上焊接相应挡块,再吊起插入杯口基础内,找正后用铁楔子固定,然后再松钩,进行下一次吊装。吊装示意图如下: 柱架ZJ-4高度13米,柱脚中心跨距9米,重18.2吨。采用50吨履带吊进行吊装。吊装前应在基础表面垫上相应的垫铁,保证柱底标高。钢柱顶部焊接临时吊耳一对,用吊环与钢丝绳连接,。吊床示意图如下:ZJ-4重19.2吨50吨履带吊,臂长19.8米,作业半径6米,可吊23.5吨 ZJ-5的吊装:ZJ-5高22米,柱脚跨度14米,重25吨。ZJ-5的吊装采

7、用50T履带吊和50T汽车吊双机抬吊。在柱头向下8米处柱身外侧各焊接一吊耳,吊耳与柱身间焊接一块补强板。吊装示意图如下:ZJ-5重25吨50吨汽车吊:出杆25.4米,作业半径7米,可吊16.8吨50吨履带吊:出杆22米,作业半径7米,可吊18.7吨ZJ-6的吊装:ZJ-6高30米,柱脚跨度14.5米,重42.4吨。ZJ-6的安装采用150T履带吊进行安装。ZJ-6重42.4吨150吨履带吊:出杆48米,作业半径13米,可吊47.2吨ZJ-7的吊装:ZJ-7为三支腿形式,高39米,双腿间跨度22米,单腿与双腿间跨度19米,重108吨 。ZJ-7的吊装采用分体式吊装,整体平装好后在柱脚向上34米处

8、断开,断开后先安装双腿,双腿在吊装时一根绳拴在重心以上,一根绳拴在重心以下,重心以上的钢丝绳上栓一10吨手拉葫芦便于调节两根钢丝绳角度。双腿在吊装如以下示意图:双腿重47吨150吨履带吊出杆48米,作业半径10米,可吊54吨。双腿安装就位后,用揽风绳拉紧。再进行安装单腿柱,为了便于空中对接,单腿柱吊装前在上口去掉100mm,如下示意图:单腿重25吨150履带吊出杆48米,作业半径14米,可吊42.5吨。单腿柱就位后也用揽风绳拉紧。然后调节好三条支腿的角度等,再将单腿与两腿间的横撑安装好。最后再进行柱头的安装,柱头安装见下示意图:柱头重25吨150吨履带吊出杆48米,作业半径15米,可吊38.6

9、吨在空中先对接双腿接口,对接完毕后再进行单腿对接,为了便于对接,单腿在吊装前上口去掉100mm,在对接时采用腰带式连接。将整体都对接完毕后再松钩。ZJ-8的吊装:ZJ-8高48米,柱脚跨度18米,重74.5吨。ZJ-8也采用分节吊装,在空中进行接口。在柱头向下10米处断开,柱头重24吨,柱身重50.4吨。先进行柱身的安装,如下示意图,柱身在安装就位后,用揽风绳拉紧松钩。柱身重50.4吨,高38米150吨履带吊出杆48米,作业半径11米,可吊52.5吨柱头吊装到高于柱身1.5米时慢慢向下落,进行空中接口,柱顶要保证水平,空中对接用吊篮带施工人员进行管口焊接,焊接好后松钩。柱头重24吨,其中高度超

10、过48米150吨履带吊出杆60米,作业半径14米,可吊36.7吨4.4.3柱子找正柱子找正包括平面位置、标高及垂直度三个内容钢柱的平面位置在吊装就位时,一次性对位,一般不需再调整。复查标高对柱子的标高低于安装标高时,需用垫铁调整,垫铁的位置和大小应正确,符合规范要求。钢柱的垂直度找正需要两台经纬仪配合进行,分别在相互垂直的方向进行观测(如下图)。垂直度的校正直接影响到通廊主体安装的准确性。垂直度校正方法有敲打锲块法,千斤顶校正法,钢管撑杆斜顶法及缆风绳校正法。可在安装时根据现场实际情况确定校正方法。找正结束后灌入细石砼进行固定。找正柱子时注意风力和温度的影响,防止其影响会使校正后的柱子自动产生

11、偏斜,找正垂直度的柱子应抓紧时间进入下一步柱间支撑的安装,以达到整体连接,增加刚度。钢柱找正示意图钢柱安装允许偏差表序号项 目允许偏差(mm)1柱脚底中心线对定位轴线52标高+3/-53垂直度H/1000且254弯曲矢高H/1200且154.5通廊桁架的组拼: 因为部分桁架过长不便于运输,所以我们在制作现场分段制作,运至安装现场在进行组拼,组拼好后进行吊装。4.6通廊桁架的吊装:4.6.1吊装顺序:主通廊的吊装顺序为从低向高安装。4.6.2吊装方法:4.6.3 HJ-7、HJ-6、HJ-5的吊装:因为这三节通廊跨度较小重量较轻,便于吊装所以我们选用50吨履带吊和50吨汽车吊配合进行吊装。HJ-

12、7吊装:HJ-7重9.7吨,高3米,长10米50吨履带吊出杆19米,作业半径8米,可吊15.5吨HJ-6吊装:HJ-6重13.5吨,高3米,长14米。我们采用50吨履带吊和50吨汽车吊双击抬吊的方法进行掉装。如下示意:吊车站位50吨履带吊出杆19米,作业半径8米,可吊15.5吨50吨汽车吊出杆18米,作业半径7米,可吊19.4吨HJ-5吊装:HJ-5重20吨,高3米,长21米。我们采用50吨履带吊和50吨汽车吊双机台吊的方法进行掉装。如下示意:吊车站位50吨履带吊出杆28米,作业半径9米,可吊12.9吨50吨汽车吊出杆25米,作业半径7米,可吊14.8吨HJ-4的吊装:HJ-4重72.4吨,通

13、廊高度5.5米,长45.2米。我们采用150履带吊、130汽车吊和50吨履带吊三台吊车进行吊装。150吨履带吊出杆48米,作业半径12米,可吊50.9吨130吨汽车吊出杆28.5米,作业半径8米,可吊40吨为了安全施吊50吨履带吊做辅助吊车用。 HJ-3的吊装:HJ-3重67.5吨,通廊高5.5米,长41.2米。我们在吊装前去掉花纹板和上部横梁共10吨,则还有57.5吨。我们采用150吨履带吊和130汽车吊进行吊装。150吨履带吊150吨履带吊出杆48米,作业半径12米,可吊50.9吨130吨汽车吊出杆40.5米,作业半径9米,可吊21.3吨50吨履带吊出杆40米,作业半径9米,可吊11吨 H

14、J-2的吊装: HJ-2总长47米,重79吨,安装高度30米-39米之间。去掉花纹板7吨,顶部横梁4吨,整体重量还有68吨。采用一台150t履带吊和两台240t汽车吊三机台吊,具体吊装示意如下:经计算:240吨汽车吊承重68*12727/2*(11051+12727)=18.2t 150吨履带吊承重68*11051/(11051+12727)=31.6t240吨汽车吊出杆50.3米,作业半径12米,可吊31吨150吨履带吊出杆51米,作业半径14米,可吊43.8吨HJ-1的吊装:HJ-1重75吨,去掉花纹板7吨,去掉顶部横梁4吨,还有64吨。安装高度39米-48米之间。采用一台150t履带吊和两台240t汽车吊三机台吊,具体吊装示意如下:

展开阅读全文
相关资源
猜你喜欢
相关搜索

当前位置:首页 > 建筑/环境 > 施工组织

copyright@ 2008-2023 1wenmi网站版权所有

经营许可证编号:宁ICP备2022001189号-1

本站为文档C2C交易模式,即用户上传的文档直接被用户下载,本站只是中间服务平台,本站所有文档下载所得的收益归上传人(含作者)所有。第壹文秘仅提供信息存储空间,仅对用户上传内容的表现方式做保护处理,对上载内容本身不做任何修改或编辑。若文档所含内容侵犯了您的版权或隐私,请立即通知第壹文秘网,我们立即给予删除!