二灰碎石施工技术交底.doc

上传人:p** 文档编号:953676 上传时间:2024-05-27 格式:DOC 页数:3 大小:45KB
下载 相关 举报
二灰碎石施工技术交底.doc_第1页
第1页 / 共3页
二灰碎石施工技术交底.doc_第2页
第2页 / 共3页
二灰碎石施工技术交底.doc_第3页
第3页 / 共3页
亲,该文档总共3页,全部预览完了,如果喜欢就下载吧!
资源描述

《二灰碎石施工技术交底.doc》由会员分享,可在线阅读,更多相关《二灰碎石施工技术交底.doc(3页珍藏版)》请在第壹文秘上搜索。

1、 施工技术交底记录 施管表施工单位: 某某年6 月 25 日工程名称分部工程道路工程分项工程名称二灰碎石交底内容:摊铺前必须将现状障碍管线标记明显,专人看护。避免摊铺碾压过程电缆、自来水、电力、弱电、煤气等其它管道。(开挖前人工先将管线找出)一、设计要求二灰碎石采用商品料,厚度为20厘米,进场前进行试验检测,合格方可卸车使用。二灰碎石压实度大于等于97,7d无侧限抗压强度为0.8Mpa。二、施工技术要求1、二灰碎石施工前,保证路床验收合格,验收内容包括压实度、高程,宽度及实验室检测结果、横坡度和平整度等。路床凡不合格路段,均进行处理。验收合格后将路床清理干净。用白灰撒出二灰摊铺的边线。2、二灰

2、碎石混合料应在最佳含水量允许偏差内进行摊铺,摊铺前根据松铺厚度进行标记,作为松铺厚度控制,一般在直线上间隔为 ,在平曲线上间隔为,做出标记。摊铺前对路床进行洒水湿润。4、设专人清除粗细集料离析现象,特别是局部粗细集料离析铲除,并用混合料重新填补。5、 碾压与找平5.1、 碾压时应专设技术人员旁站。当摊铺机铺筑50m时开始进行碾压,首先采用振动压路机以500m/h的速度进行静压稳压一遍,前后重叠碾压,来回一遍,回到开始碾压位置后,向前继续碾压,与先前碾压完成的重叠30cm。然后用振动压路机以500m/h的速度振压3遍,碾压方法同上,然后再重振两遍,5.2、严禁压路机在已完成的或正在碾压的路段上调

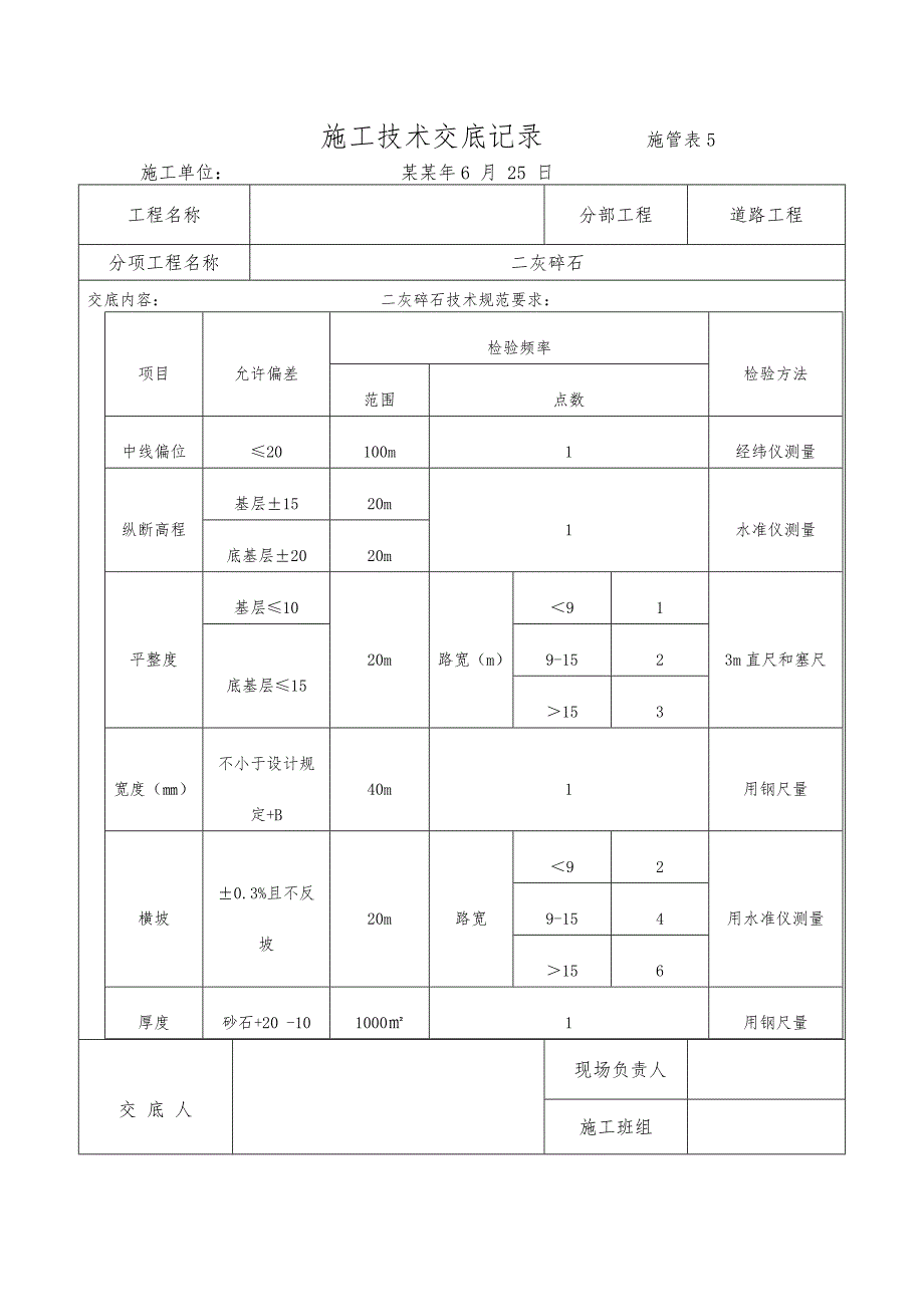
3、头和急刹车,以保证二灰碎石层表面不受破坏。直线段保证由路肩两侧向路中心碾压,曲线段由内侧向外侧碾压,纵向相邻段形成搭接,碾压时严禁急刹车和调头行驶。(检查井周围及边侧使用小压路机或人工处理) 5.3、碾压要达到要求的压实度,同时没有明显的轮迹。5.4、每一段碾压完成后,现场立即用灌砂法以取得此时压实度,现场取样并随时记录检测数据,检测是否满足要求。二、质量标准1.外观鉴定:表面平整密实、无坑洼、无明显离析;施工接茬平整、稳定。 交 底 人 现场负责人施工班组 施工技术交底记录 施管表5施工单位: 某某年6 月 25 日工程名称分部工程道路工程分项工程名称二灰碎石 交底内容: 二灰碎石技术规范要

4、求: 项目允许偏差检验频率检验方法范围点数中线偏位20100m1经纬仪测量纵断高程基层1520m1水准仪测量底基层2020m平整度基层1020m路宽(m)913m直尺和塞尺底基层159-152153宽度()不小于设计规定+B40m1用钢尺量横坡0.3%且不反坡20m路宽92用水准仪测量9-154156厚度砂石+20 -1010001用钢尺量 交 底 人 现场负责人施工班组施工技术交底记录 施管表5 施工单位: 某某年6 月 25 日工程名称分部工程道路工程分项工程名称二灰碎石 交底内容:2、养生二灰碎石碾压完成后,立即覆盖毛毡并用洒水车洒水养护。养生期不少于7天,二灰碎石表面保持适宜的湿度。养

5、护期间封闭交通,除洒水车辆外,其他车辆一概不得通行。三、环境、职业健康安全管理措施施工应采取以下职业健康与安全文明施工措施: 1)施工操作人员必须配戴安全帽。2)在有行人、车辆通过的地方作业时,应设护栏及警示灯;3)挖掘机和自卸汽车在架空电线下作业时,应遵守安全操作规程;4)开挖时发现各类地下设施或文物时,应采取保护措施并及时通知有关单位处理;5)遇路口时,为维护交通,创造条件早回填早放行。环境管理措施:1.若在白天施工时开挖渣土应在现场集中打堆。当晚外运;若在夜间施工时,开挖渣土随挖随运。2. 夜间和中午施工尽量减少噪音,避免噪音扰民。3. 为做到安全文明施工,对便道及时洒水,防止起尘土,影响视线。 交 底 人 现场负责人施工班组

展开阅读全文
相关资源
猜你喜欢
相关搜索

当前位置:首页 > 建筑/环境 > 建筑资料

copyright@ 2008-2023 1wenmi网站版权所有

经营许可证编号:宁ICP备2022001189号-1

本站为文档C2C交易模式,即用户上传的文档直接被用户下载,本站只是中间服务平台,本站所有文档下载所得的收益归上传人(含作者)所有。第壹文秘仅提供信息存储空间,仅对用户上传内容的表现方式做保护处理,对上载内容本身不做任何修改或编辑。若文档所含内容侵犯了您的版权或隐私,请立即通知第壹文秘网,我们立即给予删除!