云塔广场工程模板工程施工方案.doc

上传人:p** 文档编号:953709 上传时间:2024-05-27 格式:DOC 页数:49 大小:623.41KB
下载 相关 举报
云塔广场工程模板工程施工方案.doc_第1页
第1页 / 共49页
云塔广场工程模板工程施工方案.doc_第2页
第2页 / 共49页
云塔广场工程模板工程施工方案.doc_第3页
第3页 / 共49页
云塔广场工程模板工程施工方案.doc_第4页
第4页 / 共49页
云塔广场工程模板工程施工方案.doc_第5页
第5页 / 共49页
云塔广场工程模板工程施工方案.doc_第6页
第6页 / 共49页
云塔广场工程模板工程施工方案.doc_第7页
第7页 / 共49页
云塔广场工程模板工程施工方案.doc_第8页
第8页 / 共49页
云塔广场工程模板工程施工方案.doc_第9页
第9页 / 共49页
云塔广场工程模板工程施工方案.doc_第10页
第10页 / 共49页
亲,该文档总共49页,到这儿已超出免费预览范围,如果喜欢就下载吧!
资源描述

《云塔广场工程模板工程施工方案.doc》由会员分享,可在线阅读,更多相关《云塔广场工程模板工程施工方案.doc(49页珍藏版)》请在第壹文秘上搜索。

1、模板工程施工方案一 编制依据 编制依据 表1-1序 号名称编 号1某某某某广场结构施工图结施01结施152某某某某广场建筑施工图建施01建施153某某某某广场结构设计变更4某某某某广场施工组织设计5混凝土结构工程施工质量验收规范GB50204-20026施工现场临时用电安全技术规范JGJ46-20057建筑施工扣件式钢管脚手架安全技术规范JGJ130-2001(2002版)8钢管脚手架、模板支架安全选用技术规程DB11/T583-20089建筑机械使用安全技术规程JGJ33-200110建筑安装分项工程施工工艺规程DBJ/T01-26-200311建筑工程施工质量验收统一标准GB50300-2

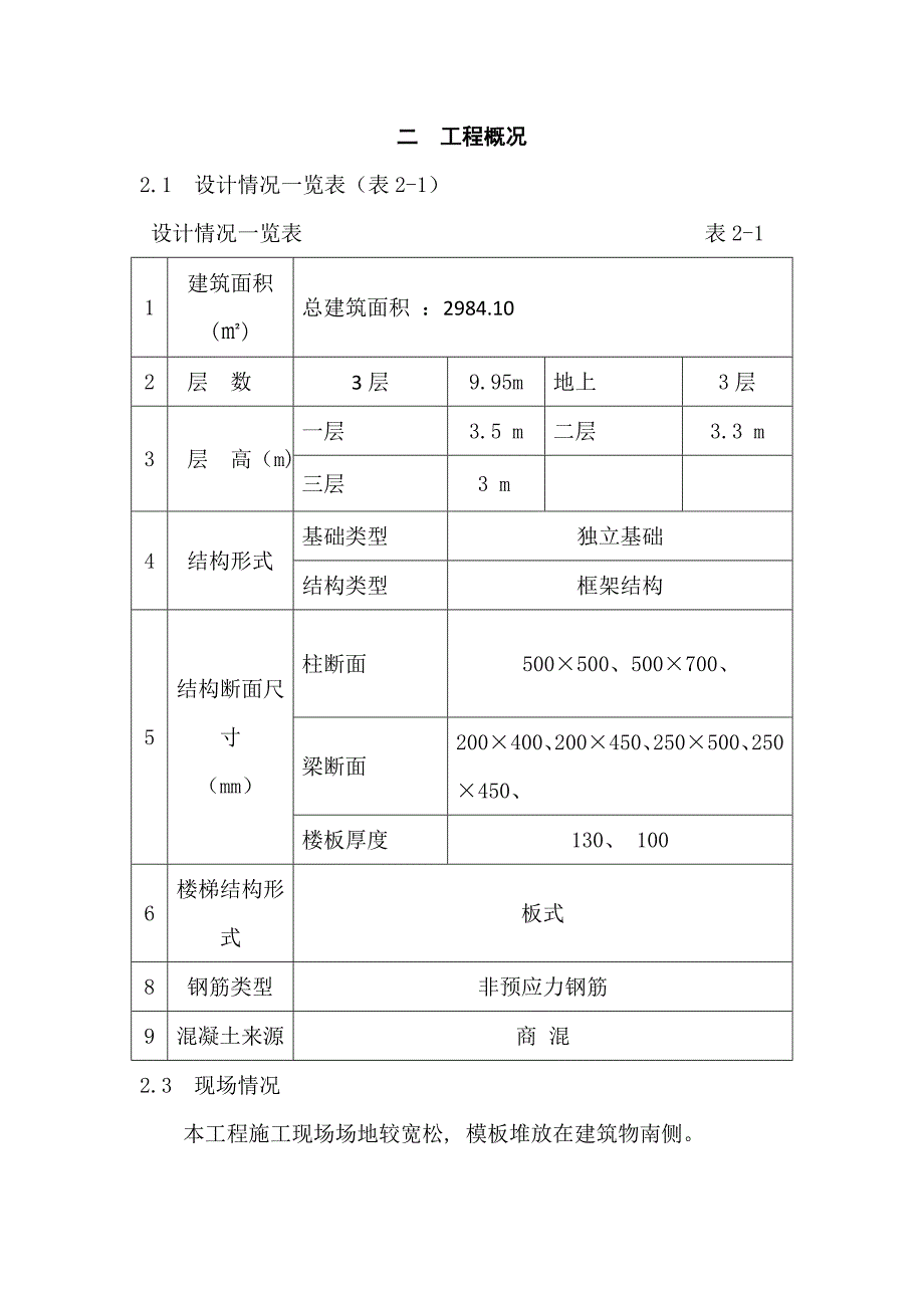
2、00112建筑施工安全检查标准JGJ59-99二 工程概况2.1 设计情况一览表(表2-1)设计情况一览表 表2-11建筑面积()总建筑面积 :2984.102层 数3层9.95m地上3层3层 高(m)一层3.5 m二层3.3 m三层3 m4结构形式基础类型独立基础结构类型框架结构5结构断面尺寸(mm)柱断面 500500、500700、 梁断面200400、200450、250500、250450、楼板厚度130、 1006楼梯结构形式板式8钢筋类型非预应力钢筋9混凝土来源商 混2.3 现场情况本工程施工现场场地较宽松, 模板堆放在建筑物南侧。2.4 施工特点及难点2.4.1 技术难点2.4

3、.1.1 本工程1#7#楼同时施工, 考虑到本工程的工期紧。因此,模板的配置数量应能满足要求;其次是模板的设计应当合理,框架柱尽可能采用整装整拆模板施工,发挥塔吊车的机械性能,提高工作效率,缩短工期。2.4.1.2 本工程质量要求高,为达到清水混凝土效果,模板的选型、设计应当合理。本工程采用的各种模板必须是新品,严把产品质量关,对进场模板进行检查验收,验收重点是板的表面平整度、 刚度,对验收不合格的模板,不许进入现场使用。2.5.1.1 本工程施工现场管理目标:达“省级文明工地”。因此在工程施工中必须保证安全和文明施工。三 施工安排3.1 模板施工目标和原则3.1.2 模板施工原则:优选模板体

4、系,以最少的投入满足施工要求。3.2 施工部位及工期要求 施工部位及工期 表3-1部 位工期要求备 注开始时间结束时间0.000以下2012.5.182012.6.5 0.000以上2012.6.52012.9.15 3.3 劳动组织3.3.1 管理层负责人及职责分工管理层负责人及职责分工表 表3-2序 号姓 名职 务职 责 备 注1侯延生总工长生产总协调模板工程全过程2康小军技术员技术协调模板工程全过程3谢军质检员质量监督模板工程全过程4何双态安全员安全监督模板工程全过程5李涛模板工长竖向模板进度、质量、安全负责模板工程全过程3.3.2劳务层及负责人从公司劳务合格分包方名录中挑选一支与本工程

5、相适应的优秀劳务队伍,承担模板工程施工任务。本工程模板工程分包为渝西劳务公司。3.3.3 工人数量及分工根据施工进度计划及施工区域、施工流水段划分,进行劳动力安排。3.3.3.1 0.000以下基础柱、梁支模设工长一名,具体负责基础梁、柱等竖向构件的模板施工,需配备模板工50人;即可满足支模需要。3.3.3.2 0.000以上 柱、梁设工长一名,具体负责柱等竖向构件的模板施工,需配备模板工50人, 即可满足支模需要 。3.3.3.3 辅助用工:电气焊工配备12人。四 施工进度计划根据单位工程施工进度计划和本方案施工安排中各施工部位的工期要求,编制施工进度计划。五 施工准备与物资配置计划5.1

6、技术准备5.1.1 熟悉、审查图纸5.1.1.1 根据公司贯标程序文件图纸审查管理办法,由项目部总工组织技术部、质量部、模板工长及模板翻样人员参加,进行内部图纸初审、会审。对审查出来的疑点交设计办理洽商,对图纸中的难点进行认真分析讨论,提出解决问题的最佳办法。5.1.1.2 熟悉各部位截面尺寸、标高,为模板设计提供基本资料。5.1.1.3 项目技术部组织有关人员学习理解有关模板施工方面的规范、规程、标准和施工组织设计对模板工程的要求。5.1.2.1 本工程为独立基础,为保证工程质量和达到降低成本,基础梁模板采用多层胶合板。5.1.2.2 根据公司以往的木模板体系施工经验及综合分析了木模板体系的

7、经济技术指标,确定梁、楼板、楼梯模板选用15mm厚覆面多层胶合板加调节钢支撑的模板体系。5.1.3 技术交底模板工程施工前应对相关人员进行技术交底。技术交底应包括模板设计、加工和模板安装三部分。5.1.3.1模板工程施工前,项目技术部应对模板工长、质量员、模板翻样及劳务层相关管理人员进行施工方案交底。5.1.3.2 模板工程施工前,工长必须按照施工方案和工艺规程对操作工人进行书面和口头的技术交底及安全技术交底。5.1.3.3 模板安装技术交底应明确如下交底内容:作业条件及其要求;施工准备;操作工艺及技术措施;质量要求;成品保护措施;安全文明施工措施。5.1.4 计量、测量器具备齐施工中所需的方

8、尺、靠尺、钢卷尺等计量、测量器具,所有器具必须检测合格,有检定合格证书,且均在有效期内。5.1.5 测量放线根据平面控制网线,在板面或垫层上放出控制网线,对框架柱要放4条线:先定出轴线,再放出柱截面边线、两条模板控制线(离柱边200mm)。5.2 机具准备根据施工组织设计,本工程柱模板和楼板模板的垂直、水平运输采用吊车;水平构件模板的制作加工采用圆盘机、压刨机;施工中人员上下运输采用安全通道;施工中所需的斧子、锯子、电钻、线坠、撬棍、活动扳子、水平尺、钢卷尺、锤子等小型手持工具应备齐。施工机具配备见表5-1。机具配置计划一览表 表5-1序号机具名称单位数量进场时间1塔吊台22012年6月 3圆

9、盘机台12012年6月 4压刨机台12012年6月 5小型电动工具台若干随工程进度5.3 材料准备本工程采用多层板;楼板模板选用覆膜多层板,楼板模板选用覆膜多层板。 物资部根据工程部提供的模板工程各种材料配置计划,对于地下基础梁采用多层板,应在模板施工前半个月选定材料合格分供方,签订好合同并确定材料进场时间。模板工程周转材料配置计划表 表5-2序号材料名称规格单位数量进场时间1覆膜胶合板151220244080002012年6月中旬按进度 批进场2对拉螺栓14普通根120002012年6月 3三形卡个200002012年6月 4木方501004000m36002012年6月 ,按进度分批进场5

10、钢管48调节钢支撑根140002012年6月 ,按进度分批进场48普通钢管t2102012年6月 ,按进度分批进场6隔离剂柴油、机油t102012年6月 7其它配件若干根据工程进展需要六 施工方法及工艺要求6.1 模板及支撑的配置数量6.1.1 0.000以下体模板配置0.000以下模板接触总面积为3500。框架柱、梁 支模均采用15mm木胶板、50100木方,现场制作拼装,采用48钢管支撑。6.2 隔离剂的选用及注意事项6.2.1 根据施工组织设计的要求,模板采用水溶性隔离剂,模板隔离剂具体选用如下:模板隔离剂:选用柴油、机油做为脱模剂。6.3.1 刷隔离剂前,应检查模板是否清理到位,对不符

11、合要求的模板必须整改,验收合格后方可涂刷隔离剂。6.3.2 刷隔离剂前,应检查隔离剂质量是否异常,如有异常,不得使用。6.4 模板设计6.4.1 0.000以下模板设计6.4.1.1 模板设计(1)垫层模板垫层模板厚度为100mm,垫层模板采用100mm100mm木方,沿垫层边线设置,木方支撑在基坑壁上。6.4.1.2 梁、顶板模板设计(1)梁、柱、楼板采用木模板体系,梁侧模及底模采用15mm厚多层板。(2)梁底模支撑采用钢管扣件支撑。梁模板设计节点见图6-1。图6-1 梁模板图6.4.1.3 柱模板安装 本工程为700500及500500柱二种规格,柱模板为15mm木胶板,50100木方作竖

12、向背楞,双钢管对拉螺栓固定。 (1)按照设计图纸,每个柱子预制好4片模板,木胶板宽度两边比柱截面小3mm,另外两边宽度为柱截面加两块木胶板的厚度。 (2)竖向背楞间距不大于250mm,对拉螺栓间距不大于600mm,下面一道螺栓距地200mm。 (3)支模前根据柱边线用钢筋在距地50mm左右,焊好柱断面撑,每边二根,并做好柱根清理工作。 (4)先拼装相邻两块柱模,穿好对拉螺栓,套上套管,然后再拼装另外两片柱模,用钉固定,模板四角加贴海绵条。 (5)先固定柱根部模板的截面尺寸和轴线位置,然后固定柱模上口的截面尺寸及重直度,柱模的斜撑每边设二根,距地1.2m、2.5m,与预留在板面的锚筋连结,锚筋距

13、柱约3/4柱高。(6)通排柱先安装两端柱,经校正固定合格后,拉通线校正中间柱。 (7) 浇筑砼板时,在板下f16以上的锚固铁,高于地面1015cm,以利柱模底线准确就位,其位置在模板外边缘线10cm左右。 支模前,弹300mm控制线,即该线离墙体边线300mm。6.4.1.4楼板模板采用15mm厚多层板。(1)楼板模板次楞采用50mm100mm角钢作为次龙骨,间距根据板厚不同,分别设置。110120mm厚板,间距为250mm;放置于支撑立柱上部的调节支撑头上。(2)楼板模板采用可调钢支撑,立杆间距为1000mm,离支撑头1500m设水平支撑一道,离地200mm设扫地杆一道,并用铁丝与支撑固定,支撑底部设50mm100mm4000 mm木垫板。顶板模板及支撑见图6-2。图6-2 顶板模板图6.4.1.5 模板设计计算1、楼板模板设计计算根据现场情况搁栅设计为305MM,则单块板按5跨连续梁计算如下图 、荷载计算(按线荷载计算)(1)、模板自重250NM22500.915228.8(Nm2)

展开阅读全文
相关资源
猜你喜欢
相关搜索

当前位置:首页 > 建筑/环境 > 设计及方案

copyright@ 2008-2023 1wenmi网站版权所有

经营许可证编号:宁ICP备2022001189号-1

本站为文档C2C交易模式,即用户上传的文档直接被用户下载,本站只是中间服务平台,本站所有文档下载所得的收益归上传人(含作者)所有。第壹文秘仅提供信息存储空间,仅对用户上传内容的表现方式做保护处理,对上载内容本身不做任何修改或编辑。若文档所含内容侵犯了您的版权或隐私,请立即通知第壹文秘网,我们立即给予删除!