住宅小区外墙保温施工组织方案.doc

上传人:p** 文档编号:954169 上传时间:2024-05-28 格式:DOC 页数:12 大小:131.50KB
下载 相关 举报
住宅小区外墙保温施工组织方案.doc_第1页
第1页 / 共12页
住宅小区外墙保温施工组织方案.doc_第2页
第2页 / 共12页
住宅小区外墙保温施工组织方案.doc_第3页
第3页 / 共12页
住宅小区外墙保温施工组织方案.doc_第4页
第4页 / 共12页
住宅小区外墙保温施工组织方案.doc_第5页
第5页 / 共12页
住宅小区外墙保温施工组织方案.doc_第6页
第6页 / 共12页
住宅小区外墙保温施工组织方案.doc_第7页
第7页 / 共12页
住宅小区外墙保温施工组织方案.doc_第8页
第8页 / 共12页
住宅小区外墙保温施工组织方案.doc_第9页
第9页 / 共12页
住宅小区外墙保温施工组织方案.doc_第10页
第10页 / 共12页
亲,该文档总共12页,到这儿已超出免费预览范围,如果喜欢就下载吧!
资源描述

《住宅小区外墙保温施工组织方案.doc》由会员分享,可在线阅读,更多相关《住宅小区外墙保温施工组织方案.doc(12页珍藏版)》请在第壹文秘上搜索。

1、某某领域住宅小区外墙保温施工组织方案编制人:批准人:编制单位:某某建筑材料有限公司某某年5月目 录编制依据工程概况设计构造及细部节点处理方案外墙外保温系统施工方案质量检验与保障措施竣工验收资料施工组织计划与进度安排安全文明施工成品保护编制依据1、根据某某领域住宅小区工程设计施工图及建筑节能计算书。2、根据我公司现有技术力量及以往的工程经验等。3、依据国家现行技术标准、施工及验收规范,主要采用的规范如下:建筑节能工程施工质量验收规范(GB50411-2007)建设工程施工质量验收统一标准(GB50300-2001)建筑装饰装修工程质量验收规范(GB50210-2001)建筑保温砂浆(GB/T20

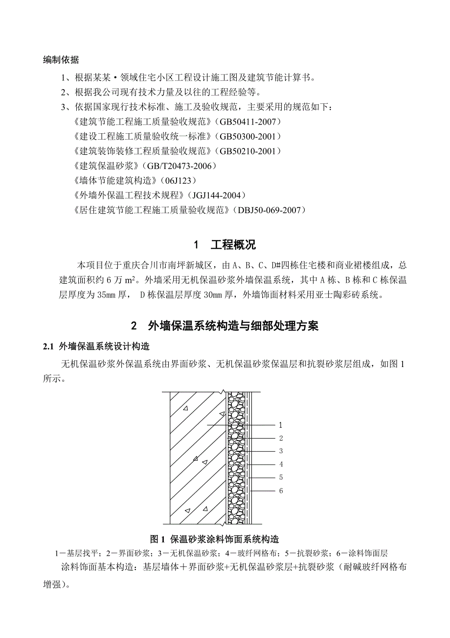
2、473-2006)墙体节能建筑构造(06J123)外墙外保温工程技术规程(JGJ144-2004)居住建筑节能工程施工质量验收规范(DBJ50-069-2007)1 工程概况本项目位于重庆合川市南坪新城区,由A、B、C、D#四栋住宅楼和商业裙楼组成,总建筑面积约6万m2。外墙采用无机保温砂浆外墙保温系统,其中A栋、B栋和C栋保温层厚度为35mm厚, D栋保温层厚度30mm厚,外墙饰面材料采用亚士陶彩砖系统。2 外墙保温系统构造与细部处理方案2.1 外墙保温系统设计构造 无机保温砂浆外保温系统由界面砂浆、无机保温砂浆保温层和抗裂砂浆层组成,如图1所示。 图1 保温砂浆涂料饰面系统构造1基层找平;

3、2界面砂浆;3无机保温砂浆;4玻纤网格布;5抗裂砂浆;6涂料饰面层 涂料饰面基本构造:基层墙体界面砂浆+无机保温砂浆层+抗裂砂浆(耐碱玻纤网格布增强)。保温范围及细部处理:1)无机保温砂浆保温层厚度,其中A栋、B栋和C栋保温层厚度为35mm厚, D栋保温层厚度30mm厚;2)保温范围详见外墙保温施工范围图,所有外墙面包括厨房、卫生间、楼梯间外墙及飘窗板等热桥部位全部做保温,女儿墙外侧保温施工至压顶处;3)阴阳角、保温和非保温界面结合部位的处理、门窗洞口、滴水线、外墙分格缝等细部接点处理见细部构造大样。门窗洞口四周外墙保温须进行翻边。 3 外墙保温施工准备3.1 材料要求 JD界面砂浆、JD无机

4、保温砂浆、JD抗裂砂浆、耐碱玻纤网格布进场时应做质量检查和验收,并附有产品合格证和出厂检测报告。上述材料主要性能应满足以下表1表3的要求。表1 干混界面砂浆性能指标项 目单 位指 标压剪粘结强度MPa0.7耐水压剪粘结强度MPa0.5耐冻融压剪粘结强度MPa0.5表2 无机保温砂浆性能指标项 目单 位指 标干表观密度kg/m3300导热系数W/(mK)0.07抗压强度kPa200压剪粘结强度kPa50线性收缩率%0.3燃烧性能A级表3 干混抗裂砂浆性能指标项 目单 位指 标可使用时间可操作时间h2在可操作时间内拉伸粘结强度MPa0.7拉伸粘结强度(常温28d)MPa0.7浸水拉伸粘结强度(常温

5、28d,浸水7d)MPa0.5压折比3.0表4 耐碱玻纤网格布性能指标项 目单 位指 标平方克 g/m2 160断裂强力N/50mm1250耐碱强度保留率%90上述材料进场后贮存应注意防潮、防雨。3.2 作业条件3.2.1 外墙墙体工程平整度和垂直度达到要求;3.2.2 砌体与梁、柱间隙用0.7mm钢丝网连接处理;3.2.3 作业时环境温度不应低于5,风力应不大于5级,严禁雨天施工,雨季施工时应做好防雨措施。夏季施工应避免太阳直晒。3.3 施工机具与工具 砂浆搅拌机、强制性搅拌机、垂直运输机械、水平运输车、手提搅拌器、射钉枪以及吊篮或施工脚手架;常用抹灰工具及抹灰的专用检测工具、经纬仪及放线工

6、具、水桶、剪刀、滚刷、铁锹、扫帚、錾子、壁纸刀、托线板、方尺、靠尺、塞尺、探针、钢尺等。3.4 材料配制3.4.1 无机保温砂浆的配制将适量水倒入砂浆搅拌机内,加入1袋胶结料搅拌6 min,确保胶粉料充分搅拌均匀;然后加入3袋玻化微珠搅拌12 min,不准随意延长搅拌时间,补充水量至保温砂浆稠度90 mm 5 mm。保温砂浆浆料应在2h内用完。搅拌需设专人专职进行,以保证搅拌时间和加水量的准确性。现场挂牌搅拌工艺要点。在施工现场搅拌质量可以通过观察其可操作性、抗滑坠性、膏料状态以及其测量湿表观密度等方法判断。3.4.2 界面砂浆、抗裂砂浆配制按JD界面砂浆、JD抗裂砂浆倒入砂浆搅拌机,加适量水

7、搅拌5 min,水的加入量根据施工所需的施工稠度确定。JD界面砂浆和JD抗裂砂浆为单组分干混砂浆,现场加水搅拌即可使用,严禁掺加水泥、河砂等任何外加组份。搅拌需设专人专职进行,以保证搅拌时间和加水量的准确性。在搅拌机操作位挂牌,明示操作要点,随时检查监督。4 外墙保温及装饰施工工艺涂料饰面:基层墙面处理 做灰饼、冲筋抹JD界面砂浆 抹第一遍JD保温砂浆 抹第二遍JD保温砂浆 抹JD抗裂砂浆,并抹压耐碱玻纤网格布 刮外墙腻子 外墙涂料5 外墙保温及装饰抹灰施工要点5.1 基层墙面处理 墙面应清整干净,无油渍、浮尘等,旧墙面松动、风化部分应剔凿清除干净,墙表面凸起物10mm应铲平。砌体和主体结合部

8、位挂钢丝网增强处理。混凝土基层作预清洗处理,然后用钢丝刷去掉脱模剂,以免影响砂浆粘结力。放通线、吊垂直、打耙,检查墙体平整度和垂直度。预先对对拉螺杆洞眼、脚手架洞眼等孔洞部位进行塞孔处理。抹灰前一天,外墙面应充分淋水湿润。基层墙体处理完毕后须按渝建竣-181节能工程墙体基层隐蔽检查记录报监理和甲方验收,合格后方可转入外墙保温施工工序。5.2 界面砂浆施工保温施工前应进行界面处理。界面砂浆厚度为12mm,界面砂浆应满抹,混凝土墙刮涂,砖墙辊涂,不得漏涂。5.3 保温砂浆的施工5.3.1 保温层厚度30(35)mm,分层施工,每遍厚度不超过20mm。第一道首先施工约7mm,要注意压实,待保温浆料适

9、当收水后抹至20mm,表面毛糙。24小时后加抹保温砂浆至冲筋厚度,并用大杠搓平,使表面平整、厚度一致。保温层平整度和垂直度控制参照居住建筑节能工程施工质量验收规程DBJ50-069-2007执行。采用托线板、靠尺检测其平整度及垂直度,保温层表面平整度及垂直度偏差须控制在4mm以内。5.3.2 保温砂浆完工后,保温砂浆颜色为灰白时,必须保湿养护3天。夏季高温施工期间,在保温层上墙24小时后应洒水养护。5.3.3 保温砂浆施工时要及时收集落地灰,落地灰在2h内搅拌后即可使用。5.3.4 保温砂浆施工完成后应按检验批的要求作相应的质量检验,做好隐蔽检查验收记录:渝建竣-182墙体保温层隐蔽检查记录、

10、渝建竣-183外墙胶粉聚苯颗粒保温浆料施工检查记录和墙体节能工程检验批质量验收记录表(JN-1-1、JN-1-2)。主要检查保温层的平均厚度;保温层的表面平整度;有无空鼓;保温层的养护周期。外墙平整度和垂直度控制必须在保温层完成。5.4 外墙伸缩缝 根据建筑物立面情况,每2层设置伸缩缝。在保温层上弹出伸缩缝的位置,伸缩缝宽20mm,深25mm,凹槽内填聚苯泡沫条或其他柔性防水材料,面层采用抗裂砂浆密封,耐碱玻纤网格布在伸缩缝位置搭接。5.5 涂料饰面抗裂砂浆的施工5.5.1 玻纤网格布按楼层间尺寸事先裁好,抹抗裂砂浆34mm,随即竖向铺贴玻纤网格布,用抹子将玻纤网格布压入砂浆,搭接宽度不应小于

11、50mm,先压入一侧,抹抗裂砂浆,再压入另一侧,严禁干搭。玻纤网格布铺贴要平整无褶皱,饱满度应达到100%。5.5.2 阴角处耐碱网格布要压茬搭接,宽度不小于50mm;阳角处应双向包角压茬搭接,宽度不小于100mm。5. 5.3 大面积铺贴耐碱网格布之前,在门窗洞口处沿45方向先贴一层300400mm耐碱网格布。5. 5.4 保温和非保温界面处耐碱网格布向非保温部分延伸150mm。5. 5.5 抗裂层完工后应按检验批次的要求作相应的质量检验,做好隐蔽检查验收记录。主要检查有无空鼓;是否完全覆盖耐碱玻纤网格布;抗裂层的表面平整度;抗裂层的养护周期。6 质量检验与保障措施6.1 主控项目6.1.1

12、 本系统所使用的主要材料性能指标和规格应满足设计要求和有关标准的规定。检查方法:检查型式检验报告、质量证明文件和进场复检报告。复检项目如下:界面砂浆:压剪粘结强度,浸水压剪粘结强度无机保温砂浆:导热系数,干表观密度,抗压强度抗裂砂浆:拉伸粘结强度,浸水拉伸粘结强度,压折比耐碱玻纤网格布:断裂强力,耐碱强力保留率 同条件养护试件:导热系数,干表观密度,抗压强度6.1.2 保温层厚度应符合建筑节能设计要求,保温层平均厚度不允许有负偏差。 检查方法:插针法检查。6.1.3 保温材料层与墙体及各构造层之间必须粘结牢固,无空鼓、裂缝、脱层、起皮、粉化等现象。 检查方法:敲击、观察检查。6.1.4 外墙涂

13、料外观应清洁,色泽均一,无浮色、发花、污染、开裂等现象。检查方法:观察检查。6.2 允许偏差 保温层和抗裂层允许偏差及检验方法见表4。表4 允许偏差及检验方法 单位:mm项次项 目允许偏差检查方法保温层抗裂层1立面垂直43用2m托线板检查2表面平整43用2m靠尺及塞尺检查3阴阳角垂直43用2m托线板检查4阴阳角方正43用20cm方尺和塞尺检查5保温层厚度平均厚度不允许有负偏差用探针、钢尺检查6.3 检验批的划分 施工质量检验每4层(约1000 m2)为一个验收批。6.4 质量保障措施 1)材料质量控制:进场材料严格向监理报验,按检验批次见证取样复检,不合格材料不准进入施工工地; 2)施工前技术

14、交底:施工前编制详细的施工技术方案报甲方和监理确认,并对操作工人进行交底,施工期间严格按技术方案执行; 3)样板带路:每一道工序施工前先做样板,经甲方和监理认可后展开大面积施工;4)隐蔽验收:每一道工序施工完毕后先自检,然后报甲方和监理验收,验收合格后进入下一道工序。资料与实体施工同步。按检验批填写:墙体节能工程检验批质量验收记录表(一)JN-1-1墙体节能工程检验批质量验收记录表(二)JN-1-2节能工程墙体基层隐蔽检查记录渝建竣-181墙体保温层隐蔽检查记录渝建竣-182外墙胶粉聚苯颗粒保温浆料施工检查记录渝建竣-1835)质量保证体系:建立健全质量保证体系,设立现场质量技术负责人,严格把关克服质量通病,质保体系内部执行自检和互检,合格后报甲方及监理

展开阅读全文
相关资源
猜你喜欢
相关搜索

当前位置:首页 > 建筑/环境 > 施工组织

copyright@ 2008-2023 1wenmi网站版权所有

经营许可证编号:宁ICP备2022001189号-1

本站为文档C2C交易模式,即用户上传的文档直接被用户下载,本站只是中间服务平台,本站所有文档下载所得的收益归上传人(含作者)所有。第壹文秘仅提供信息存储空间,仅对用户上传内容的表现方式做保护处理,对上载内容本身不做任何修改或编辑。若文档所含内容侵犯了您的版权或隐私,请立即通知第壹文秘网,我们立即给予删除!