住宅小区样板展示区总坪管网工程施工组织设计#四川.doc

上传人:p** 文档编号:954197 上传时间:2024-05-28 格式:DOC 页数:14 大小:164.53KB
下载 相关 举报
住宅小区样板展示区总坪管网工程施工组织设计#四川.doc_第1页
第1页 / 共14页
住宅小区样板展示区总坪管网工程施工组织设计#四川.doc_第2页
第2页 / 共14页
住宅小区样板展示区总坪管网工程施工组织设计#四川.doc_第3页
第3页 / 共14页
住宅小区样板展示区总坪管网工程施工组织设计#四川.doc_第4页
第4页 / 共14页
住宅小区样板展示区总坪管网工程施工组织设计#四川.doc_第5页
第5页 / 共14页
住宅小区样板展示区总坪管网工程施工组织设计#四川.doc_第6页
第6页 / 共14页
住宅小区样板展示区总坪管网工程施工组织设计#四川.doc_第7页
第7页 / 共14页
住宅小区样板展示区总坪管网工程施工组织设计#四川.doc_第8页
第8页 / 共14页
住宅小区样板展示区总坪管网工程施工组织设计#四川.doc_第9页
第9页 / 共14页
住宅小区样板展示区总坪管网工程施工组织设计#四川.doc_第10页
第10页 / 共14页
亲,该文档总共14页,到这儿已超出免费预览范围,如果喜欢就下载吧!
资源描述

《住宅小区样板展示区总坪管网工程施工组织设计#四川.doc》由会员分享,可在线阅读,更多相关《住宅小区样板展示区总坪管网工程施工组织设计#四川.doc(14页珍藏版)》请在第壹文秘上搜索。

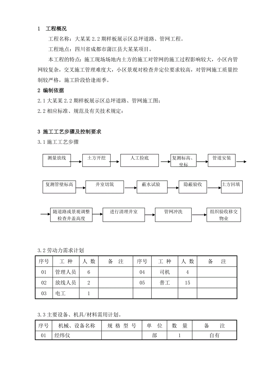
1、某某2.2期样板展示区总坪管网工程施工组织设计编制人: 审 核: 批 准: 某某建筑工程有限公司大某某项目部某某年8月14日目 录1工程概况12编制依据13施工工艺步骤及控制要求14开工前期准备25测量放线36土方开挖37土方开挖临边围护48基坑安全施工措施59管道安装510构筑物砌筑611闭水试验712土方回填813现场管理要求814施工工艺要求815安全管理措施91工程概况工程名称:大某某2.2期样板展示区总坪道路、管网工程。工程地点:四川省成都市蒲江县大某某项目。本工程的特点:施工现场场地内土方的施工对管网的施工过程影响较大,小区内管网较复杂,交叉施工管理难度大,小区景观对检查井定位要求

2、较高,对管网施工质量控制较严格,施工阶段恰逢雨季。2 编制依据2.1大某某2.2期样板展示区总坪道路、管网施工图;2.2相应标准、规范及有关技术规定:3 施工工艺步骤及控制要求3.1施工工艺步骤复测标高、坐标 管道安装人工捡底土方开挖测量放线土方回填隐蔽验收 蔽水试验井室切筑复测管壁标高组织验收移交物业管网冲洗进行清理井室随道路或景观调整检查井盖高度3.2劳动力需求计划序号工 种人 数备 注序号工 种人 数备 注01管理人员604司机402放线人员205普工1503电工13.3主要设备、机具/材料需用计划。序号机械、设备名称规 格 型 号单 位数 量备 注01经纬仪部1自有02全站仪部1自有0

3、3水准仪部1自有04大挖机台1租赁05小挖机台1租赁06水泵50台4自有07装载机50台1租赁3.4组织机构及过程各阶段的职责组织机构图作业班组项目经理: 王作贵技术负责人陈力质量负责人陈杰施工负责人 王作贵材料负责人曾燕资料负责人文俊组织机构部门的职责:项目经理:全面负责人员、机具的调配,技术、质量、安全管理体制;技术负责人:检查验收开挖线,编制作业指导书,整理相应的技术管理交工资料,负责现场技术管理工作;质量负责人:全面负责质量管理,确保不发生质量事故,进行现场质量检查验收,及时检查开挖尺寸和深度,填写相关的质量记录;施工负责人:负责现场人员调配,确保施工按作业指导书的要求施工;负责现场运

4、输车辆的正常运转,确保现场使用工具的供给。材料负责人:确保现场运输车辆燃料及现场其他材料的供给;资料负责人:现场各类资料的整理、交工资料、开工、竣工资料、过程资料整理。3.5施工总进度计划 3.5.1根据招标文件要求,本工程的甲方要求工期约为24天。我公司根据本工程的特点和施工现场的实际情况,确保在24天内完成合同规定的全部工作内容;4开工前期准备4.1对项目现场的基本环境的了解。4.2确保施工现场的3通1平。4.3相关管理人员的配备和相应机具的配备。4.4做好开工前的相关准备工作。5测量放线 5.1 管道工程的放线与测量前应完成定位和高程的测量布点工作,并对基准点采取保护措施,且应作出明显标

5、记;5.2根据甲方项目部提供控制点,进行复核,准确无误后进行放线,设立井位中心桩,按坐标点设置,并根据管径及开挖深度,计算出开挖边线,并用石灰线沿双线;(井的坐标与景观一致,以便更好的确认井位。)5.3临时水准点的间距不大于200m;5.4水准点和控制桩应经复核确认后使用;5.5放线测量记录应标明所依据的控制点;5.6在地基验槽、施工管基、管道铺设前应校测管道中心线及高程控制桩。6土方开挖6.1开挖方式:采用机械挖土的方法,雨水口至检查井及过路连接管的开挖采取人工配合机械开挖的方式进行;6.2管沟开挖前,技术人员向挖掘机操作手进行技术、安全交底; 6.3挖掘施工时,专职测量员全线跟踪复测,配合

6、操作手工作,确保开挖深度达到设计要求;6.4管沟开挖应与后续工序紧密衔接,降水以明沟排水为主,并配备潜水泵和发电机来满足管沟排水;6.3开挖深度:暂定为1.5-3m具体开挖深度按照现场实际施工情况而定;6.3坡道留设:在开挖区的中间部位留设一个坡道,坡道随施工进度即时完善,供地基与基础施工时车辆与施工人员进入基槽使用,坡道宽度按照现场实际情况确定;6.4根据现场施工情况,开挖深度比较深,为确保施工安全,放坡系数为1:1.5;6.5因施工恰逢雨季,考虑到有可能雨水从坡道处流进基槽,故在基槽顶留置大约10立方土,防止情况发生;6.6为了保障管底标高更好的进行整体控制,减小施工标高的误差,挖到距基底

7、标高以上200mm范围内,基槽底部由人工清理,并及时修出坡道; 6.7雨季施工中雨水的疏导情况是能否保证基地质量的关键。故此需要进行截水、排水措施 6.8大口井设在基坑坑外1-2米处,降水井必须连动抽水。在雨季:雨水流入大口井抽排掉。排水沟沿坑底四周设置,底宽300mm,沟底低于坑底300mm,见下图:集水井集水井 截排水沟240 2406.9边坡、基槽修整:人工修理边坡、清理基槽; 6.10弃土地点:水池基础较深、较大,等特点,四周又有安全围护,为确保边坡稳定,砂石土方须堆置到沟槽外2m处堆放。堆放土方要求:堆土高度不超过1.5米;且在土方面铺设滤网,防止雨水冲刷造成滑落,以及各类建渣的污染

8、。6.11土方开挖完毕后应进行基槽清底, 基槽清理完后,由监理、甲方代表、设计代表、施工技术负责人各方对基槽的标高、基槽位置及尺寸,验收合格签字后再进行下一道工序的施工。7 土方开挖临边围护7.1基坑四周临边处均应设置醒目的防护栏杆,由上、下两道横杆及栏杆柱组成,上杆离地高度1.01.2米,下杆离地高度0.50.6米,栏杆刷红白相间油漆。施工期间,严禁车辆及人为因素损坏防护栏杆(如图)8基坑安全施工措施 8.1因基坑开挖深度较深,较大,又适逢雨季施工,为防止边坡垮塌,造成安全事故,应对基坑边坡进行相应措施进行预防,具体施工办法为,依边坡铺设滤网,防止滑坡。 9管道安装9.1管道安装工艺:结合现

9、场实际情况,本工程采用机械下管。在下管吊装时,须用非金属绳索扣系住,不能串心吊装。本工程采用承擦式橡胶圈柔性接口,接口时须将管道两端清理干净,套上橡胶圈后,通过机械进行旋转承擦接入,且橡胶圈的设置必须到位。 9.2测管壁标高:安装完成后测管壁标高,检查安装时会造成标高误差,如标高稍高满足要求可用机械斗轻压管壁,局部低了加入垫块进行调整。 9.3管道上方覆土1.8m以内的(包含1.8m),考虑到安全因素以及管道的承载限制,先进行路面的连砂石夯实,待夯实后再进行管道的安装,管道上方覆土1.8m以上的,则可以先进行管道的安装,再进行路面的连砂石夯实作业。10井室砌筑 10.1井垫层施工,井底标高考虑

10、砼垫层厚度(一般厚度10CM,标号C15),垫层施工完成后砼凝固后才可进行检查井施工。同时根据设计的井位置和规定的尺寸做好放样和复核工作。砖材必须湿润。砖砌体M10水泥砂浆,随拌随用,而且要在砂浆初凝前用完。 10.2井室砌筑控制圆形,可采用中心点固定牵线画圆的原理来控制,保障做到圆筒子型,注意抹灰保证内外壁光滑。 10.3流槽设置,根据管径及数量、水流流向,流槽关径按井最大管径设置,形状按管道形状一半设置,采用砖砌,完成后内壁抹灰保证光滑。 10.4人工爬摘梯的距离(暂定上下间距为300mm),按规范要求设置,便于上下,并设置牢固。 10.5注意井井室至井颈的收口,不要收的太急,也不要收的太

11、慢,一般60CM收完,三面收口,一面不变,保证井壁垂直。 10.6井整体为半砖或一砖,应保持内壁平整,若墙体为一砖半及以上,内外壁均应保持平整。 10.7根据井深度计算出底部井壁厚度,如大于6M,多出部分采用370厚墙体进行砌筑。一般按240墙厚,且每个检查。 10.8砌砖时应随时将挤出的砂浆刮平,并将砖墙表面残余砂浆及时清除干净。 10.9沟管上半圈墙体应砌拱圈高为25cm,砌砖时应由二侧向顶部合拢,管口洁净,砂浆厚度要均匀,并填嵌密实。 10.10砖墙砌体砌至一定高度时,要采用1:2水泥砂将进行内外抹面。粉刷工作分二道工序进行,先刮糙打底抹光,粉刷宜先外壁后内壁,刮糙厚度一般在10mm以下

12、用直尺刮平,木抹搓平,表面应粗糙或划出纹路,刮糙的水泥砂浆凝结后及时抹光,并注意湿治养护,不得不起壳,裂缝现象; 10.11井流槽采用砖砌流槽,两肩向中间落水,采用砖砌筑时,必须用1:2水泥砂浆抹面; 10.12井在安装完成后,必须采取措施将井口封闭以免施工过程中有异物进井造成今后清理困难或人不慎掉入井中造成安全事故; 10.13管网因工作面受局限,安装一般是边安装边回填,安装时注意质量控制,特别是橡胶圈的设置必须到位,管材不能有裂缝,同时注意管子内抹灰,污水管管径大于500要求内抹。 10.14井室中心线的确认,对于井口中心点就是整个井室中心点的井室,只需确认井口的中心点即可,测量按照相关规

13、范规定及图纸设计要求确定,对于井口中心点不是井室中心点的井室,确认井口的中心点,井室的砌筑按照井口的中心点进行放样,尺寸大小按照相关规范规定及图纸设计要求确认。11闭水试验 11.1试验依据市政排水管渠工程质量检验标准(CJJ 390) 11.2闭水试验前准备工作 11.2.1管道及检查井的外观质量及“量测”检验均已合格; 11.2.2管道两端的管堵(砖砌筑)应封堵严密、牢固,下游管堵设置放水管和截门,管堵经核算可以承受压力; 11.2.3现场的水源满足闭水需要,不影响其它用水; 11.2.4选好排放水的位置,不得影响周围环境。 11.3闭水试验程序 11.3.1闭水试验的水位,应为试验段上游管内顶以上2米,将水灌至接近上游井口高度注水过程应检查管堵、管道、井身,无漏水和渗水情况; 11.3.2将水灌至规定的水位,开始记录,对渗水量的测定时间,不少于30分钟,根据井内水面的下降值计算渗水量,渗水量不超过规定的允许渗水量即为合格; 11.3.3试验渗水量计算:渗水量试验时间30分钟时,每km管道每昼夜渗水量为Q=(48q)*(1000/L),; 式中Q-每km管道每d的渗水量 q-闭水管道30分钟的渗水量 L-闭水管段长度 当Q允许渗水量时,试验即为合格;11.4井池与管道的闭水试验,根据现场

展开阅读全文
相关资源
猜你喜欢
相关搜索

当前位置:首页 > 建筑/环境 > 装饰装潢

copyright@ 2008-2023 1wenmi网站版权所有

经营许可证编号:宁ICP备2022001189号-1

本站为文档C2C交易模式,即用户上传的文档直接被用户下载,本站只是中间服务平台,本站所有文档下载所得的收益归上传人(含作者)所有。第壹文秘仅提供信息存储空间,仅对用户上传内容的表现方式做保护处理,对上载内容本身不做任何修改或编辑。若文档所含内容侵犯了您的版权或隐私,请立即通知第壹文秘网,我们立即给予删除!