住宅楼工程卸料平台施工专项方案.doc

上传人:p** 文档编号:954537 上传时间:2024-05-29 格式:DOC 页数:7 大小:171.16KB
下载 相关 举报
住宅楼工程卸料平台施工专项方案.doc_第1页
第1页 / 共7页
住宅楼工程卸料平台施工专项方案.doc_第2页
第2页 / 共7页
住宅楼工程卸料平台施工专项方案.doc_第3页
第3页 / 共7页
住宅楼工程卸料平台施工专项方案.doc_第4页
第4页 / 共7页
住宅楼工程卸料平台施工专项方案.doc_第5页
第5页 / 共7页
住宅楼工程卸料平台施工专项方案.doc_第6页
第6页 / 共7页
住宅楼工程卸料平台施工专项方案.doc_第7页
第7页 / 共7页
亲,该文档总共7页,全部预览完了,如果喜欢就下载吧!
资源描述

《住宅楼工程卸料平台施工专项方案.doc》由会员分享,可在线阅读,更多相关《住宅楼工程卸料平台施工专项方案.doc(7页珍藏版)》请在第壹文秘上搜索。

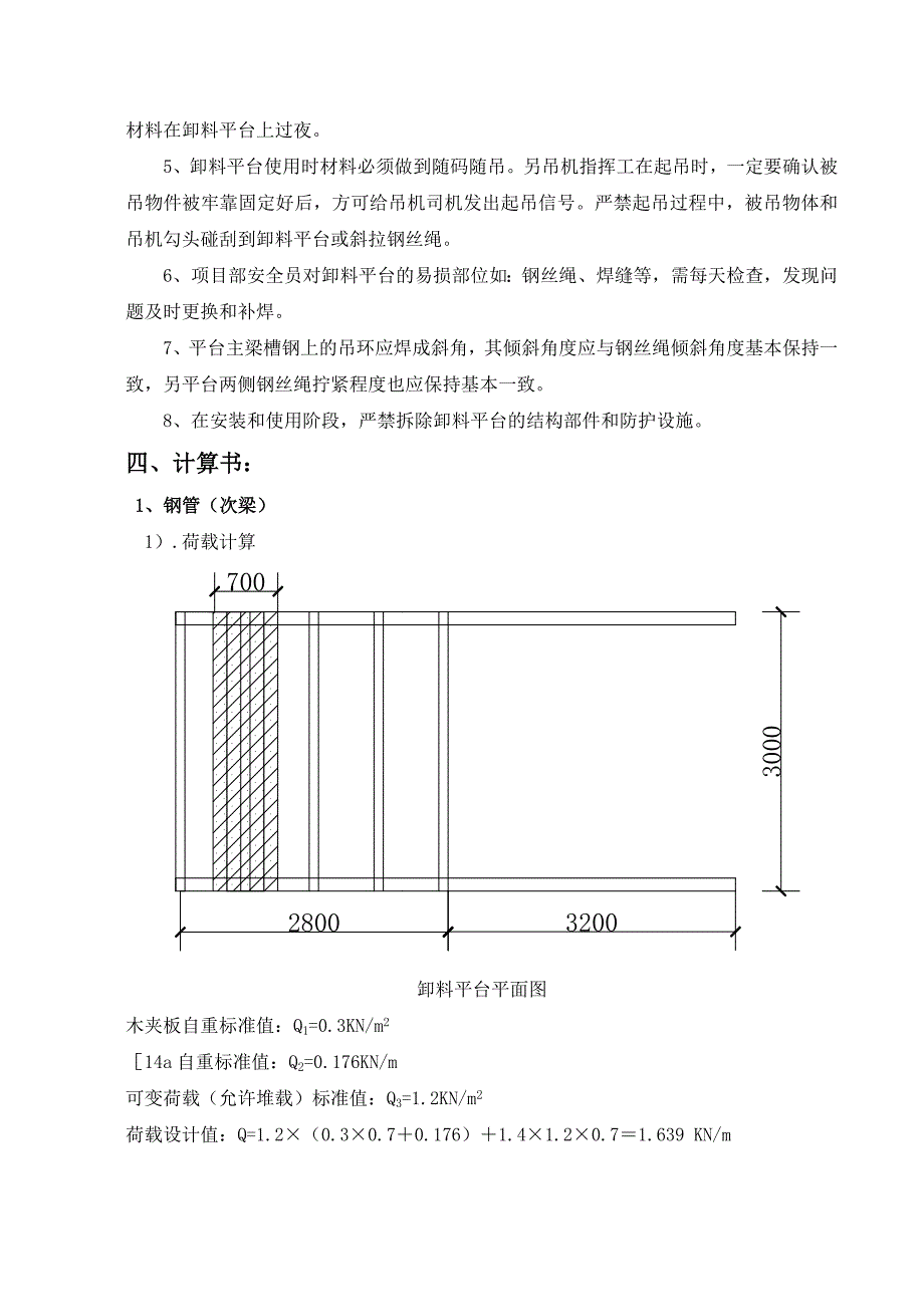
1、某某园一期7#、8#、9#住宅楼工程卸料平台施工专项方案一、工程概况: 本工程为某某园一期7#、8#、9#住宅楼工程位于淮安市和平东路与南昌路东南角,本工程结构基本相同,均为地上32层,地下一层的短肢剪力墙结构,建筑面积每幢约1.3万平方米,房屋每层约73m*16m,层高3.0m,总高度97.0m。根据现场实际情况,主体结构施工期间拟采用专用槽钢式外挑卸料平台,以解决楼层施工周转材料的装卸运输问题。二 、搭设方案: 卸料平台宽3m,挑出建筑物长4 m。由两根6m长20a槽钢作为主梁; 中间次梁采用2根3m长212角钢和3根14a槽钢同主梁槽钢焊接(如附图二所示)。三面设置483.0钢管防护栏杆

2、(其中平台两侧面1.1 m高;正面1.3m高),栏杆立杆同次梁钢管用扣件进行连接,并用竹笆片进行侧面封闭。平台底面满铺18厚木夹板。卸料平台的固定由4根18.5(619)钢丝绳(2根起保险作用)通过吊环与钢筋砼梁内预埋拉环相连。每层在离槽钢后端500处的楼板上预埋卡环,对卸料平台后端进行固定(卸料平台具体构造详见附图)。卸料平台下层使用完毕后,由吊机吊至上一层继续使用。三、注意事项:1、由项目部抽调专职人员负责卸料平台的搭、拆及平时的施工管理,每次拆、搭前均对相关施工人员进行交底并由安全员进行现场监控。2、吊机吊装后必须待主梁槽钢支撑点搁稳,钢丝绳按好并调整完毕,槽钢后端同楼板上预埋的卡环固定

3、好后,方可松卸起重吊钩。卸料平台的外口应略高于内口,严禁向外下倾。3、钢丝绳穿过吊环后与自身搭接长度不少于1m,并用3个钢丝卡(轧头)固定牢固。4、卸料平台在使用过程中应将材料堆码在平台底面上,对于长度超过3m的钢管、木方等也可堆码在两侧栏杆上。但应严格按限载提示牌堆放材料,严禁超载堆放。严禁材料在卸料平台上过夜。5、卸料平台使用时材料必须做到随码随吊。另吊机指挥工在起吊时,一定要确认被吊物件被牢靠固定好后,方可给吊机司机发出起吊信号。严禁起吊过程中,被吊物体和吊机勾头碰刮到卸料平台或斜拉钢丝绳。6、项目部安全员对卸料平台的易损部位如:钢丝绳、焊缝等,需每天检查,发现问题及时更换和补焊。7、平

4、台主梁槽钢上的吊环应焊成斜角,其倾斜角度应与钢丝绳倾斜角度基本保持一致,另平台两侧钢丝绳拧紧程度也应保持基本一致。8、在安装和使用阶段,严禁拆除卸料平台的结构部件和防护设施。四、计算书:1、钢管(次梁) 1).荷载计算卸料平台平面图木夹板自重标准值:Q1=0.3KN/m214a自重标准值:Q2=0.176KN/m可变荷载(允许堆载)标准值:Q3=1.2KN/m2荷载设计值:Q=1.2(0.30.70.176)1.41.20.71.639 KN/m次梁计算简图 2).强度计算 M=1/8QL2=1/81.6432=1.845KN.m a. 14a槽钢为次梁,查表得W=80500mm3 =M/W=

5、1.845106/80500=22.92215N/mm2 所以:14a槽钢次梁满足要求 b. 212角钢为次梁,查表得W=27090=14180mm3 =M/W=1.845106/14180=130.11215N/mm2 所以:212角钢次梁满足要求2、槽钢20a(主梁)验算1).荷载计算:主梁计算简图木夹板自重标准值:Q1=0.3KN/m2上部自重标准值:Q=(41.32.541.1633)0.0384+(530.176)2.8=1.36KN/m槽钢自重标准值:Q3=0.226KN/m可变荷载标准值:Q=1.2KN/m荷载设计值:Q=0.31.5+1.36+0.2261.2+1.41.21.

6、5=4.96KN/mMax=1/84.9642=9.92KN.m查表得W=mm3=M/W=9.92106=55.73N/mm212.03KN3.2层高3.5米计算: L= 4 + 3.5 =5.32 m sin=3. 5/5.32=0.658 Mb=0R sin4=4.122.8(2.8/2+1.2)R=4.962.82.6/0.6584=13.72KN取18.5(619)抗拉强度1400N/mm2的钢丝绳破断拉力总和为179.72KN钢丝绳取10倍的保险系数Fg= Fg/K=0.85179.72/10=15.2713.72KN现场取用18.5钢丝绳,满足要求。4、吊环验算取25圆钢做为吊环,

7、与主梁槽钢进行满焊。r2250/(13.72103)=3.853所以:吊环满足要求。五、卸料平台允许堆放材料量: 经计算可变荷载(允许堆载)取1.2 KN/m2:Q1.232.49.8881 满足设计要求。考虑到各种不利因素,乘以折减系数0.7后允许荷载取Q8810.7617 Kg经换算,分别允许堆放的具体周转材料数量如下:1、6.0m长钢管:0.6179.80.03846=26根 (取25根)2、4.0m长钢管:0.6179.80.03844=39根 (取35根)3、4.0m长50100mm木方: 0.6179.8(0.050.146)=50根 (取50根)4、木夹板(1.830.92m): 0.6179.8(1.830.920.0186)=33张 (取30张)5、扣件(单个扣件最大自重为0.0184 KN) 0.6179.80.0184 = 328个 (取300个)综上所述:本卸料平台实际使用时允许堆载为600 Kg限载600单次可堆放材料如下16m长钢管 25根 24m长钢管 35根34m长50100木方 50根4木夹板 30张5扣件 300个限载提示牌示意图附图一卸料平台平面图附图二A-A

展开阅读全文
相关资源
猜你喜欢
相关搜索

当前位置:首页 > 建筑/环境 > 设计及方案

copyright@ 2008-2023 1wenmi网站版权所有

经营许可证编号:宁ICP备2022001189号-1

本站为文档C2C交易模式,即用户上传的文档直接被用户下载,本站只是中间服务平台,本站所有文档下载所得的收益归上传人(含作者)所有。第壹文秘仅提供信息存储空间,仅对用户上传内容的表现方式做保护处理,对上载内容本身不做任何修改或编辑。若文档所含内容侵犯了您的版权或隐私,请立即通知第壹文秘网,我们立即给予删除!