液氨储罐设计参考图.docx

上传人:p** 文档编号:960246 上传时间:2024-06-05 格式:DOCX 页数:3 大小:24.29KB
下载 相关 举报
液氨储罐设计参考图.docx_第1页
第1页 / 共3页
液氨储罐设计参考图.docx_第2页
第2页 / 共3页
液氨储罐设计参考图.docx_第3页
第3页 / 共3页
亲,该文档总共3页,全部预览完了,如果喜欢就下载吧!
资源描述

《液氨储罐设计参考图.docx》由会员分享,可在线阅读,更多相关《液氨储罐设计参考图.docx(3页珍藏版)》请在第壹文秘上搜索。

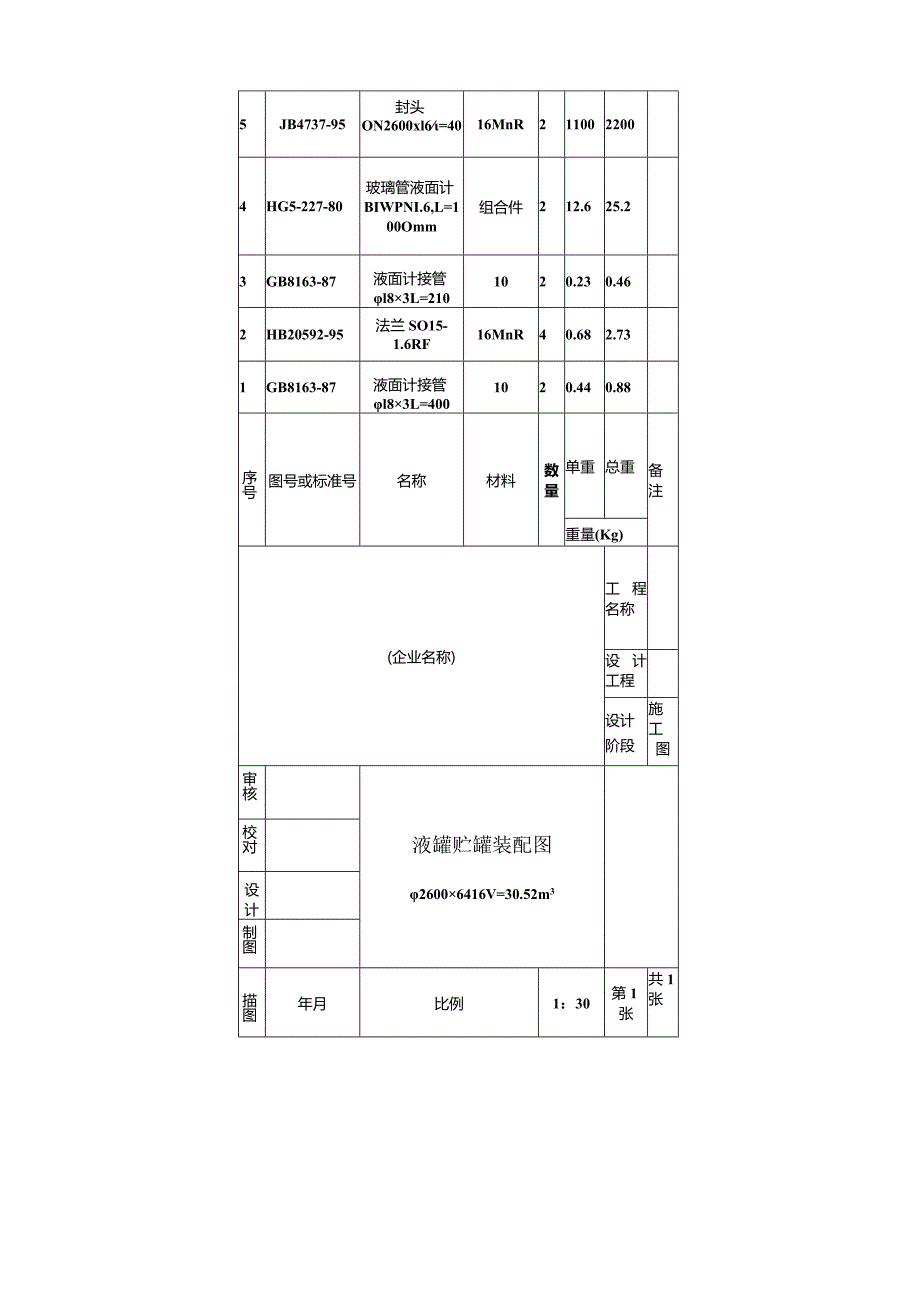
1、技术要求1 .本设备按GB150T998钢制压力容器进行制造、试验和验收。2 .焊接材料,对接焊接接头型式及尺寸可按GB985-80中规定。3 .焊接采用电弧焊,焊条型号为E4303o4 .壳体焊缝应进行无损探伤检查,探伤长度为100%。5 .设备制造完毕后,以2MPa表压进行水压试验6 .管口及支座方位按本图。管口表符号公称尺寸DN连接尺寸标准连接面形式用途31-240HG20592SO15-1.6RF突面液面计接管口b-220HG20592S015-1.6RF突面液面计接管口C450HG20592S0450-l.6RF突面人孔d50HG20592SO32-1.6RF突面出料口e50HG20

2、592S050-1.6RF突面进料口f25HG20592SO25-1.6RF突面平安海接口管g20HG20592S025-1.6RF突面放空口h50HG20592S050-1.6RF突面排污口技术特性名称指标设计压力1.6MPa工作温度40物料名称液氨容积30.52m322GB8163-87出料接管038x3.5L=200100.521HB20592-95法兰SO32-1.6RF16MnR11.620HB20592-95法兰内径35其它尺寸按SO32-1.616MnR11.8619GB8163-87压料接管025x3L=27501014.518HB20592-95法兰SO20-1.6RF16M

3、nR10.9417GB8163-87排污接管57x3.5L=2101011.016HB20592-95法兰SO50-1.6RF16MnR12.7715JBT4712-92JB/T4712-92鞍座A2600一FJB/T4712-92鞍座A2600一SQ235-AF242084014HB20592-95法兰SO25-1.6RF16MnR11.1213GB8163-87放空管接管32x35L=2101010.5812HB20592-95法兰SO25-1.6RF16MnR11.1211GB8163-87平安阀接管032x3.5L=2101010.581()HB20592-95法兰SO50-1.6RF

4、16MnR12.279GB8163-87进料接管57x3.5L=4001011.858JBT4736-95补强圈760484=2016MnR133.97HG21523-95人孔RF11(A-G)450-1.6组合件11786GB9019-88罐体DiV2600167.=480016MnR149505JB4737-95封头ON2600xl6=4016MnR2110022004HG5-227-80玻璃管液面计BIWPNI.6,L=100Omm组合件212.625.23GB8163-87液面计接管l83L=2101020.230.462HB20592-95法兰SO15-1.6RF16MnR40.682.731GB8163-87液面计接管l83L=4001020.440.88序号图号或标准号名称材料数量单重总重备注重量(Kg)(企业名称)工程名称设计工程设计阶段施工图审核液罐贮罐装配图26006416V=30.52m3校对设计制图描图年月比例1:30第1张共1张

展开阅读全文
相关资源
猜你喜欢
相关搜索

当前位置:首页 > 建筑/环境 > 施工组织

copyright@ 2008-2023 1wenmi网站版权所有

经营许可证编号:宁ICP备2022001189号-1

本站为文档C2C交易模式,即用户上传的文档直接被用户下载,本站只是中间服务平台,本站所有文档下载所得的收益归上传人(含作者)所有。第壹文秘仅提供信息存储空间,仅对用户上传内容的表现方式做保护处理,对上载内容本身不做任何修改或编辑。若文档所含内容侵犯了您的版权或隐私,请立即通知第壹文秘网,我们立即给予删除!