小额工程工匠入库实操技能考评技术文件钢筋工.docx

上传人:p** 文档编号:973175 上传时间:2024-06-06 格式:DOCX 页数:4 大小:26.71KB
下载 相关 举报
小额工程工匠入库实操技能考评技术文件钢筋工.docx_第1页
第1页 / 共4页
小额工程工匠入库实操技能考评技术文件钢筋工.docx_第2页
第2页 / 共4页
小额工程工匠入库实操技能考评技术文件钢筋工.docx_第3页
第3页 / 共4页
小额工程工匠入库实操技能考评技术文件钢筋工.docx_第4页
第4页 / 共4页
亲,该文档总共4页,全部预览完了,如果喜欢就下载吧!
资源描述

《小额工程工匠入库实操技能考评技术文件钢筋工.docx》由会员分享,可在线阅读,更多相关《小额工程工匠入库实操技能考评技术文件钢筋工.docx(4页珍藏版)》请在第壹文秘上搜索。

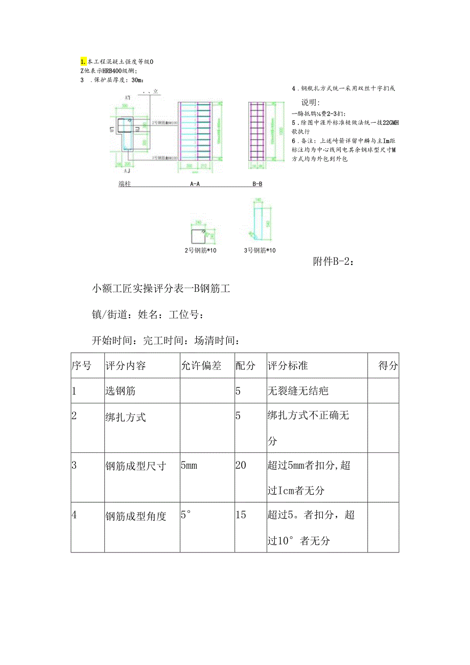
1、小额工程工匠入库实操技能考评技术文件钢筋工工种技能(职业方向):钢筋工。本文件由第三方专家参照国家相关职业标准和小额工程工匠实际应用要求命制,是对实操技能考评内容的框架性描述,正式考评的内容和要求以考评公布的图纸为准。1.考评内容:1.1命题任务:异形柱钢筋笼制作。1.2完成方式和时间:完成方式:考生单人完成命题任务。完成时间:原则上考生需在1.5小时以内独立完成,2小时之内拆除并清场完毕。1.3图纸说明:详图见附件BT本工程混凝土强度C30,保护层厚度3011rni;钢筋绑扎方式统一采用双丝十字扣,除图中说明外标准构造做法统一按照22G-IOl图集执行;上述除钢筋详图中箍筋与主筋间距标注均为

2、中心线间距,其余钢筋成型尺寸测量方式均为外包到外包。1.4操作要求:1.4.1在规定时间内,按图完成异形柱绑扎。1.4.2柱体绑扎方式统一双丝十字扣,上下交叉,缠绕匝数2-3扣;柱体应保持整体稳固,扎丝外露不得超过保护层厚度,钢筋尺寸及间距应符合设计、规范及图集要求,严禁出现缺口、松扣和漏扣现象,随时保证场地整洁有序。1.4.3作品完成,由评委进行测评后,考生拆除作品,材料分类堆放整齐,工位清理干净(拆除和场清纳入评分)。2 .评价标准:按评分表细则进行测评。评分表见附件B-2。3 .考评相关材料、设备和工具。3.1 考生自带工具清单序号工具名称规格数量备注1劳保用品:安全帽、工作服、劳保鞋、

3、工作手套等自选劳保用品须穿戴整齐,缺项者可能会被拒绝进入考场。2断线钳自定3钢筋钩子自定4尺具(钢卷尺等)自定5笔(水笔,粉笔、石笔等)自定6其他考生认为必要的工具附件BT:小额工程工匠实操技能考评图纸-钢筋工,、立端柱A-AB-B2号钢筋*103号钢筋*10说明:1.本工程混疑土强度等级OZ他表示HRB400级醐;3 .保护层厚度:30m:4 .钢瓶扎方式统一采用双丝十字扪或一酶抵鹦费2-3扪:5 .除图中涯外标准槌做法统一技22GMH歌执行6 .备注:上述崎箭详留中麟与主Im距标注均为中心线间电其余钢球型尺寸M方式均为外包到外包附件B-2:小额工匠实操评分表一B钢筋工镇/街道:姓名:工位号

4、:开始时间:完工时间:场清时间:序号评分内容允许偏差配分评分标准得分1选钢筋5无裂缝无结疤2绑扎方式5绑扎方式不正确无分3钢筋成型尺寸5mm20超过5mm者扣分,超过Icm者无分4钢筋成型角度515超过5。者扣分,超过10者无分5箍筋间距20mm15超过2cm者扣分,超过40cm者无分6纵筋间距IOmm15超过2cm者扣分,超过2cm者无分7钢筋布置符合设计规范10不符合要求每处扣1分,扣完为止。8工具使用和维护5施工前后检查两次酌情扣分(目测)9文明施工5有事故者扣分,工完场不清无分(目测)10完成度5完成度少于60%直接否定为不合格,完成度大于等于60%可参与前面评分,本项根据完成情况扣分。合计100总得分考评人签名:日期:2024年5月6日

展开阅读全文
相关资源
猜你喜欢
相关搜索

当前位置:首页 > 论文 > 期刊/会议论文

copyright@ 2008-2023 1wenmi网站版权所有

经营许可证编号:宁ICP备2022001189号-1

本站为文档C2C交易模式,即用户上传的文档直接被用户下载,本站只是中间服务平台,本站所有文档下载所得的收益归上传人(含作者)所有。第壹文秘仅提供信息存储空间,仅对用户上传内容的表现方式做保护处理,对上载内容本身不做任何修改或编辑。若文档所含内容侵犯了您的版权或隐私,请立即通知第壹文秘网,我们立即给予删除!