张弦梁构造和规格、钢对撑和钢角撑、支撑竖向连接件、对应土压力荷载选型表.docx

上传人:p** 文档编号:976879 上传时间:2024-06-06 格式:DOCX 页数:25 大小:357.16KB
下载 相关 举报
张弦梁构造和规格、钢对撑和钢角撑、支撑竖向连接件、对应土压力荷载选型表.docx_第1页
第1页 / 共25页
张弦梁构造和规格、钢对撑和钢角撑、支撑竖向连接件、对应土压力荷载选型表.docx_第2页
第2页 / 共25页
张弦梁构造和规格、钢对撑和钢角撑、支撑竖向连接件、对应土压力荷载选型表.docx_第3页
第3页 / 共25页
张弦梁构造和规格、钢对撑和钢角撑、支撑竖向连接件、对应土压力荷载选型表.docx_第4页
第4页 / 共25页
张弦梁构造和规格、钢对撑和钢角撑、支撑竖向连接件、对应土压力荷载选型表.docx_第5页
第5页 / 共25页
张弦梁构造和规格、钢对撑和钢角撑、支撑竖向连接件、对应土压力荷载选型表.docx_第6页
第6页 / 共25页
张弦梁构造和规格、钢对撑和钢角撑、支撑竖向连接件、对应土压力荷载选型表.docx_第7页
第7页 / 共25页
张弦梁构造和规格、钢对撑和钢角撑、支撑竖向连接件、对应土压力荷载选型表.docx_第8页
第8页 / 共25页
张弦梁构造和规格、钢对撑和钢角撑、支撑竖向连接件、对应土压力荷载选型表.docx_第9页
第9页 / 共25页
张弦梁构造和规格、钢对撑和钢角撑、支撑竖向连接件、对应土压力荷载选型表.docx_第10页
第10页 / 共25页
亲,该文档总共25页,到这儿已超出免费预览范围,如果喜欢就下载吧!
资源描述

《张弦梁构造和规格、钢对撑和钢角撑、支撑竖向连接件、对应土压力荷载选型表.docx》由会员分享,可在线阅读,更多相关《张弦梁构造和规格、钢对撑和钢角撑、支撑竖向连接件、对应土压力荷载选型表.docx(25页珍藏版)》请在第壹文秘上搜索。

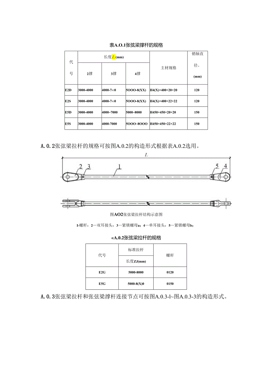
1、附录A张弦梁的构造和规格(资料性附录)A.0.1张弦梁撑杆的规格可按图A.0.1-1、图A.0.1-2的构造形式根据表A.0.1选用。图AOl-I张弦梁结构示意图1一张弦梁拉杆;2张弦梁撑杆;3张弦梁上弦梁图A.0.1-2张弦梁撑杆结构示意图1H型钢;2耳板连接板:3耳板端板;4耳板端板加劲肋a;5耳板端板加劲肋b;6耳板端板加劲肋c:7端板;8端板加劲肋a;9一端板加劲肋b;10支座板:II支座板加劲肋a;12支座板加劲肋b表A.O.1张弦梁撑杆的规格代号长度1.(mm)主材规格销轴直径。(mm)2撑3撑4撑E2D3000-40004000-705OOO-8(XX)H4(X)40020201

2、20E2S3000-40004000-705OOO-8(XX)H4(X)4002222120E5D3000-40004000700050008000H4504502020150E5S3000-40004000-70005OOO8OOOH4504502222150A.0.2张弦梁拉杆的规格可按图A.0.2的构造形式根据表A.0.2选用。图AO2张弦梁拉杆结构示意图I-螺杆;2双耳接头;3紧锁螺母a;4单耳接头;5紧锁螺母b;A.0.2张弦梁拉杆的规格代号标准拉杆螺杆长度ZJ(mm)E2G5000-80000120E5G5000-8(X)00150A.0.3张弦梁拉杆和张弦梁撑杆连接节点可按图A.

3、0.3-l图A.0.3-3的构造形式。图A.0.3-1张弦梁拉杆和张弦梁撑杆连接节点示意图1张弦梁拉杆;2张弦梁撑杆;3销轴图A.0.3-2单层张弦梁拉杆连接节点示意图1-张弦梁拉杆;2张弦梁撑杆:3销轴图A.0.3-3双层张弦梁拉杆连接节点示意图1一张弦梁拉杆;2张弦梁撑杆:3销轴A. 0.4张弦梁预埋拉杆可按图A.0.4的构造形式,预埋锚固构件详见附录C。图A.0.4张弦梁预埋拉杆示意图1一张弦梁预埋拉杆:2围梯;3混凝土牛腿附录B钢对撑和钢角撑(资料性附录)B. 0.1直撑杆的规格可按图B.0.1的构造形式根据表BOl选用。图BOl直撑杆结构示意图I-H型钢;2一端板;3一端板加劲肋;4

4、一横向加劲肋;5螺栓孔B.0.1直撑杆的规格尺寸代号主材规格标准尺寸(mm)长度A模数R-1.H8(X)3OO14265(X)-5(XX)I(X)C. 0.2直腹杆的规格可按图B.0.1的构造形式根据表BOl选用。I-H型钢:2端板:3端板加劲肋;4螺栓孔表B.0.2直腹杆的规格尺寸代号主材规格标准尺寸(mm)长度1.模数FB-1.H8OO25O12x1445-55(X)100OB.0.3斜腹杆的规格可按图B.0.3-1和图B.0.3-2的构造形式根据表B.0.3选用。正视图图B.0.3l斜腹杆结构示意图一1一圆管;2耳板:3耳板端板:4销轴:5钢板;6-连接板;7端板:8螺栓连接板:9一螺栓

5、孔图B.0.3-2斜腹杆结构示意图二1一圆管;2耳板:3耳板端板:4销轴;表B.03斜腹杆的规格尺寸代号主材规格长度A(mm)FGl0402x147825FG2027387170B.0.4缀条代号HC,可按图B.0.4的结构形式采用槽钢40a,间距2000mm。图BO4缀条示意图附录C张弦梁上弦梁及锚固构件(资料性附录)D. 0.1张弦梁上弦梁可按图C.0.1所示设置。图C.0.1张弦梁上弦梁示意图1用模:2梯形牛腿:3三角形牛腿C.0.2梯形牛腿和三角形牛腿的配筋可按图C.0.2-1和图C.0.2-2所示设置,其中A等于围楝宽度加500mm。illllllllllllllllllllllll

6、lllllBZiII图C.0.2-1张弦梁上弦梁示意图1弯起钢筋:2围棵箍筋,围棵箍筋侧搭接在围檄纵筋上,侧搭接在弯起钢筋上;3牛腿箍筋,牛腿箍筋两侧搭接在弯起钢筋上图C.0.2-2张弦梁上弦梁示意图1一弯起钢筋;2围槐箍筋,围楝箍筋一侧搭接在围楝纵筋上,侧搭接在弯起钢筋上:3牛腿箍筋,牛腿箍筋两侧搭接在晚期钢筋上C.0.3锚固构件由端头保护钢套、螺母、锚板、套管可按图C.0.3.1和C.0.3.2的构造形式根据表C.0.3选用。l图C.0.3-1单层预埋钢拉杆用锚固构件示意图1一围槐:2-端头保护钢套;3-螺母;4-锚板:5套管:6-预埋钢拉杆;图C.0.3-2双层预埋钢拉杆用锚固构件示意图

7、1一围槐;2-端头保护钢套;3-螺母;4-锚板:5套管;6-预埋钢拉杆;表C.0.3预埋钢拉杆对应锚固构件的规格规格锚固构件锚板规格锚板材质套管规格套管材质(长*宽*厚)(直径*厚)I*E2G500*300*45Q355-Q650160*4Q235-Q355l*E5G550*350*45Q355-Q650180*4Q235-Q355附录D支撑竖向连接件(资料性附录)E. 0.1支撑与立柱的连接方式可采用图DOl、图D.0.2、图D.0.3的结构形式。1柱头盖板:2格构式钢立柱;3支承梁;4加劲肋;5螺栓图D.0.1立柱与支撑竖向连接方式示意图(一)A-AB-B1一槽钢a:2-加劲肋:3槽钢b;

8、4-型钢;5槽钢c:6格构式钢立柱:7螺栓孔图D.0.2立柱与支撑竖向连接方式示意图(二)B-B图D.0.3立柱与支撑竖向连接方式示意图(三)1一型钢;2加劲肋a;3-槽钢;4型钢;5加劲肋b:6钢管混凝土柱:7螺栓孔D.02支承梁的规格可按表D.0.2选用。表D.0.2支承梁的规格代U主材规格标准尺寸(mm)长度标准模数SBlH5(X)2OO1OI64500-13000250SB2H2502509144000-10000250D.0.3托架的代号为AB,规格可按图D.0.3采用双角钢1.160xl00xl2,通过连接板与立柱和支承梁拼接。1支承梁;2立柱:3双角钢;4一连接板;5支座板;6垫

9、板图D.0.3托架结构示意图D.0.4U型卡扣代号SF可按图D.0.4-1和D.0.4-2的构造形式采用。a1.AA-A图D.0.4-1U形卡扣结构示意图图D.0.4-2U形卡扣组装效果图D.0.5大力夹可按图D.0.5-1和D.0.5-2的构造形式采用。1支承梁:2支承梁;3大力夹图D.0.5-1大力夹连接方式示意图1螺栓:2Y型钢图D.0.52大力夹结构示意图附录E张弦梁对应土压力荷载选型表(资料性附录)表E各种张弦梁对应极限土压力(kNm)撑杆肢数*双肢三肢18m24m30m36m18m24m30m36m1*E2G3502402001403502501901401*E5G45034028

10、()2105003603002102*E2G4503703302806504804003002*E5G450370330280670500470410附录F张弦梁钢支撑构件进场质量验收记录表表F张弦梁钢支撑构件进场质验收记录表工程名称施工单位监理单位验收部位验收要求施工单位自检评定监理(建设)单位检验结果主构件(组成对撑、角撑、张弦梁支撵的H型钢、圆管、张弦梁拉杆,连接件)截面大小符合设计要求。具有出厂合格证。工厂焊缝具有探伤报告,无裂缝,无锈蚀。表面无锈蚀,无油污,泥沙和灰尘等杂物。数量符合设计文件。次构件(支承梁,预埋件,螺栓等)支承梁符合设计要求,具有出厂合格证。预埋件符合设计要求和规范

11、要求。数量符合设计文件。施工单位检验评定结果专业工长:年月日质检员:年月日监理单位检验结果专业监理工程师:年月日表G张弦梁钢支撑构件安装检验表工程名称检验部位施工单位项目经理监理单位总监理工程师项目质量合格标准施工单位检验评分或结果监理(建设)单位检验记录或结果备注主控项目1外轮廓尺寸2预应力3高强拉杆规格4立柱规格5立柱标高般项目1支撑构件的平面位置和标高2预埋件焊接质量3立柱垂直度4立柱转角5支承梁标高施工单位检验评定结果专业工长:年月日质检员:年月日监理单位检验结果专业工长:月H质检员:年RR表H张弦梁钢支撑定期巡查表工程名称日期检查结果检验项目检查内容合格不合格钢对撑钢角撑1支撑状态销轴、螺栓和锁定塞尺是否松动2外观状态检查钢支撑是否完好,是否有碰撞损伤、严重锈蚀等情况3变形情况观察钢支撑是否有弯曲、形现象扭曲等变4温度变化使用测温仪器进行温度测量,温度变化是否在设计允许范围内5其他异常型钢是否积水,支撑是否有异常声响1支撑状态销轴、螺栓和锁定塞尺是否松动张弦梁2外观状态检查张弦梁是否完好,是否有碰撞损伤、严重锈蚀等情况3变形情况观察钢支撑是否有弯曲、形现象扭曲等变4温度变化使用测温仪器进行温度测量,稳定变化是否在设计允许范囤内5其他异常型钢是否积水,支撑是否有异常声响围护构1变形情况基坑周边出现裂

展开阅读全文
相关资源
猜你喜欢
相关搜索

当前位置:首页 > 论文 > 毕业论文

copyright@ 2008-2023 1wenmi网站版权所有

经营许可证编号:宁ICP备2022001189号-1

本站为文档C2C交易模式,即用户上传的文档直接被用户下载,本站只是中间服务平台,本站所有文档下载所得的收益归上传人(含作者)所有。第壹文秘仅提供信息存储空间,仅对用户上传内容的表现方式做保护处理,对上载内容本身不做任何修改或编辑。若文档所含内容侵犯了您的版权或隐私,请立即通知第壹文秘网,我们立即给予删除!