部门整体支出绩效自评表(4).docx

上传人:p** 文档编号:97825 上传时间:2022-12-21 格式:DOCX 页数:3 大小:25.58KB
下载 相关 举报
部门整体支出绩效自评表(4).docx_第1页
第1页 / 共3页
部门整体支出绩效自评表(4).docx_第2页
第2页 / 共3页
部门整体支出绩效自评表(4).docx_第3页
第3页 / 共3页
亲,该文档总共3页,全部预览完了,如果喜欢就下载吧!
资源描述

《部门整体支出绩效自评表(4).docx》由会员分享,可在线阅读,更多相关《部门整体支出绩效自评表(4).docx(3页珍藏版)》请在第壹文秘上搜索。

1、部门整体支出绩效自评表(2021年度)部门(单位)名称宿州市水利局任务名称完成情况年初预算数全年预算数(A,万元)其中;财政拨款全年执行数(B,万元)其中:财政拨款分值执行率(B/A)得分任务1已完成3477.3426685.8225752.5821597.5821034.481093.25%10任务2任务3金额合计3477.3426685.8225752.5821597.5821034.481093.25%10预期目标实际完成情况度体标成况年总目完情保障水利部门正常运转,正确履职,做好防汛抗旱、山洪灾害治理工作,做好水土流失治理项目工作,做好农村水电监管工作,做好河长制工作,水库除险加固维修

2、养护,水利水毁修复,年度投资计划执行良好,保障建设质量和效益,有效控制投资概算,保障淮水北调工程日常管理及维修养护,为管理好、运营好淮水北调工程,充分发挥工程效益保障单位职工工资正常发放,日常工作有序进行、确保三个翻水站正常运行、确保小黄沟防洪闸正常运行,充分发挥防汛抗旱功能、新汴河景区水位高程保持在25.8米,不低于25.5米。做好工程维修养护管理,完成工程岁修计划。本年度预算中,全年无超范围、超标准发放津贴、奖金的现象,未以任何名义违规发放个人补助,全年支出基本保障了局机关的正常运行。防汛抗旱、山洪灾害、水土流水、河湖生态环境、水库加固维修保养均达到了预期的指标。各项指标均达到预期要求,各

3、项工作顺利安全完成。新增绿化面积3300m2。修剪南北两岸闸管区草坪2.26万nf,有效的提升了水利工程形象。日常工作有序进行、确保三个翻水站正常运行、确保小黄沟防洪闸正常运行,充分发挥防汛抗旱功能、新汴河景区水位高程保持在25.8米,不低于25.5米。保障淮水北调工程运行管理工作需要和受水区用水需求。一级指标二级指标三级指标年度指标值实际完成值分值得分偏差原因分析及改进措施各工经1:务排标业安指项作费1010产出指标数量指标指标2:城区段供水8000万方8000万方1010维闸3:涵,标座指护C561010指标1:年初预算,专款专用,计划调剂质量指标指标2:通过专家评审通过专家评审通过专家评

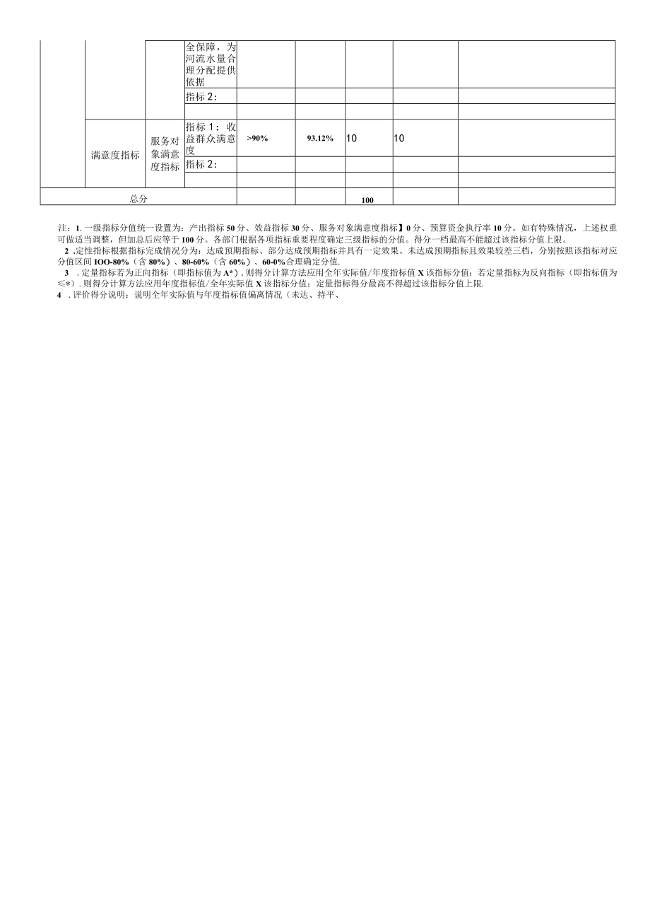
4、审1010指标3:满足规范耍满足规范要求达成预期指标时效指标指标1:确保2021年度完成各项资金支出进度要达成预期达成预期1212各项的监工项划。幡利行程理减计研H水执过管,5按如强类目全督依目:指标2:成本指标指标1:按照部门预算进行成本控制,各水利项目专项支出按财政部门下达的计划实施,杜绝超支IJ挪用。达成预期达成预期88指标2:支出成本控制在预算范围内。控制在预付范围内控制在预付范围内经济效益指标促经发1:域会标区社。指进济展达成预期达成预期指标2:保护水生态环境,优化水资源配达成预期达成预期77社会效益指标促文合提1:态式水指标生建分依指进明理供达成预期达成预期88指标2:保障水利工程

5、完整及安全运行。达成预期达成预期生态效益指标促生发年,失理利水点1:区谐时初流治有善襁标地和,F称士厚机改态指进态礴节水增面于生达成预期达成预期88指标2:可持续影响指标一为济康社安一1:经健和供标民续展提指国持发会一达成预期达成预期77全保障,为河流水量合理分配提供依据指标2:满意度指标服务对象满意度指标指标1:收益群众满意度90%93.12%1010指标2:总分100注:1.一级指标分值统一设置为:产出指标50分、效益指标30分、服务对象满意度指标】0分、预算资金执行率10分。如有特殊情况,上述权重可做适当调整,但加总后应等于100分。各部门根据各项指标重要程度确定三级指标的分值。得分一档最高不能超过该指标分值上限。2 .定性指标根据指标完成情况分为:达成预期指标、部分达成预期指标并具有一定效果、未达成预期指标且效果较差三档,分别按照该指标对应分值区间IOO-80%(含80%)、80-60%(含60%)、60-0%合理确定分值.3 .定量指标若为正向指标(即指标值为A*),则得分计算方法应用全年实际值/年度指标值X该指标分值;若定量指标为反向指标(即指标值为*).则得分计算方法应用年度指标值/全年实际值X该指标分值;定量指标得分最高不得超过该指标分值上限.4 .评价得分说明:说明全年实际值与年度指标值偏离情况(未达、持平、

展开阅读全文
相关资源
猜你喜欢
相关搜索

当前位置:首页 > 管理/人力资源 > 绩效管理

copyright@ 2008-2023 1wenmi网站版权所有

经营许可证编号:宁ICP备2022001189号-1

本站为文档C2C交易模式,即用户上传的文档直接被用户下载,本站只是中间服务平台,本站所有文档下载所得的收益归上传人(含作者)所有。第壹文秘仅提供信息存储空间,仅对用户上传内容的表现方式做保护处理,对上载内容本身不做任何修改或编辑。若文档所含内容侵犯了您的版权或隐私,请立即通知第壹文秘网,我们立即给予删除!