档案库房智能化建设配置表、管理系统标准通信接口协议.docx

上传人:p** 文档编号:980549 上传时间:2024-06-06 格式:DOCX 页数:13 大小:44.33KB
下载 相关 举报
档案库房智能化建设配置表、管理系统标准通信接口协议.docx_第1页
第1页 / 共13页
档案库房智能化建设配置表、管理系统标准通信接口协议.docx_第2页
第2页 / 共13页
档案库房智能化建设配置表、管理系统标准通信接口协议.docx_第3页
第3页 / 共13页
档案库房智能化建设配置表、管理系统标准通信接口协议.docx_第4页
第4页 / 共13页
档案库房智能化建设配置表、管理系统标准通信接口协议.docx_第5页
第5页 / 共13页
档案库房智能化建设配置表、管理系统标准通信接口协议.docx_第6页
第6页 / 共13页
档案库房智能化建设配置表、管理系统标准通信接口协议.docx_第7页
第7页 / 共13页
档案库房智能化建设配置表、管理系统标准通信接口协议.docx_第8页
第8页 / 共13页
档案库房智能化建设配置表、管理系统标准通信接口协议.docx_第9页
第9页 / 共13页
档案库房智能化建设配置表、管理系统标准通信接口协议.docx_第10页
第10页 / 共13页
亲,该文档总共13页,到这儿已超出免费预览范围,如果喜欢就下载吧!
资源描述

《档案库房智能化建设配置表、管理系统标准通信接口协议.docx》由会员分享,可在线阅读,更多相关《档案库房智能化建设配置表、管理系统标准通信接口协议.docx(13页珍藏版)》请在第壹文秘上搜索。

1、(资料性附录)档案库房智能化建设配置表表A.1给出了档案库房智能化建设涉及到的管理系统、子系统、智能模块等的建设配置。表A.1档案库房智能化建设配置表档案库房智能化建设机关、团体、企业事业单位和其他组织档案室乙级甲级特级档案馆档案馆档案馆管理系统OOO实体档案智能存储与管理子系统库区智能管控子系统0环境管控智能模块O防水监测智能模块OO防光智能模块OOO防有害生物智能模块OO安全技术防范子系统火灾自动报警子系统按国家现行有关标准进行配置基础设施与安全管理要求基础信创0O全栈信创OO数据存储与备份OO应急供电OO电气安全信息安全O0工控安全OOO注:一应配置;O宜配置;O一可配置。附录B(规范性

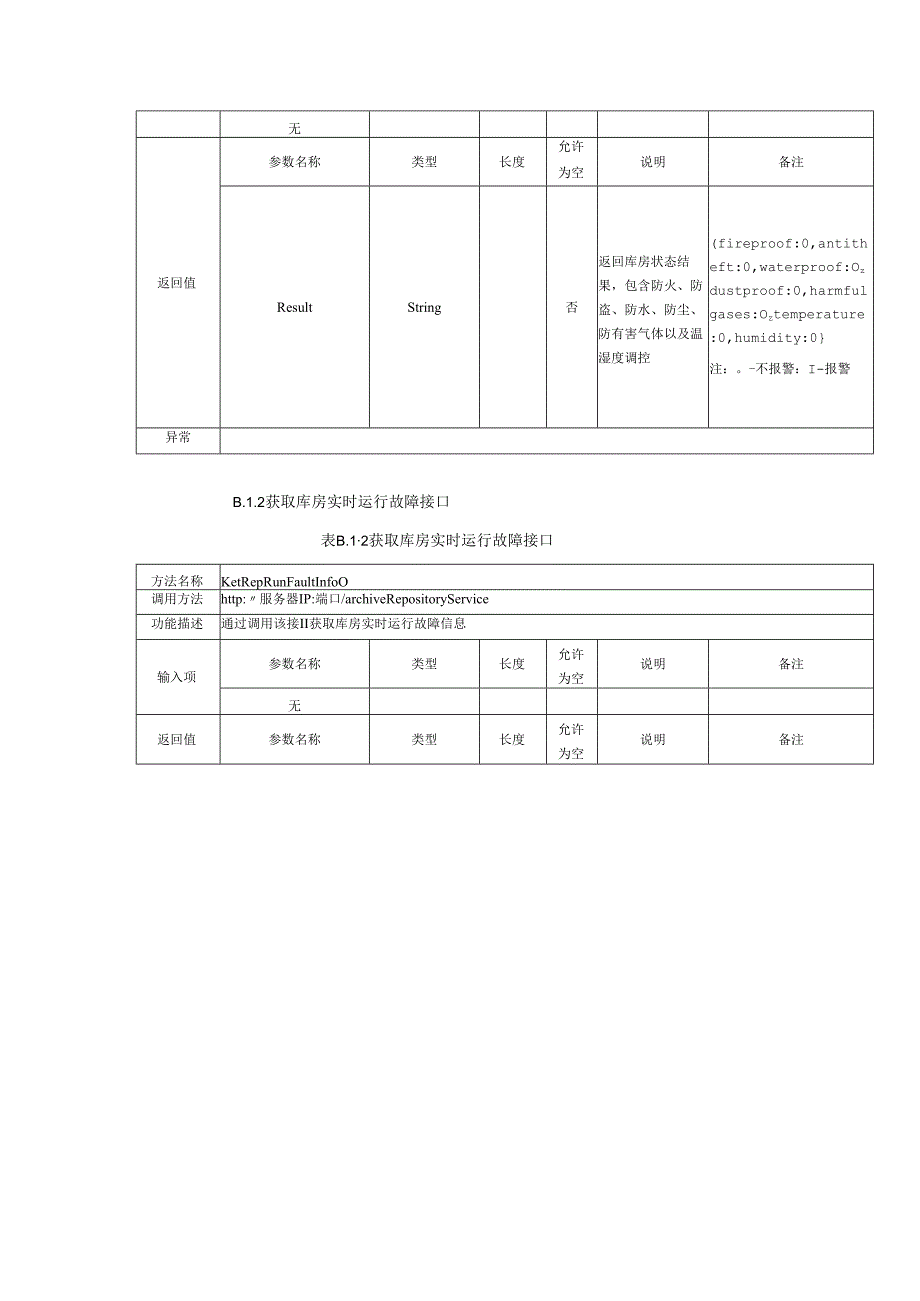
2、附录)管理系统标准通信接口协议管理系统接口规定了管理系统以及包含的子系统与外部系统间的通信要求,并规定接口名称、参数格式。B.1管理系统基础接口管理系统基础接口规定了管理系统与外部系统间的通信要求,并规定接口名称、参数格式。(见表B.1.1、表B.1.2、表B.1.3、表B.1.4)。B.1.1获取库房状态接口表B.1.1获取库房状态接口方法名称KetRepTenStateInfo()调用方法http:服务器IP:端口/archiveRepositoryService功能描述通过调用该接口获取库房的状态输入项参数名称类型长度允许为空说明备注无返回值参数名称类型长度允许为空说明备注ResultS

3、tring否返回库房状态结果,包含防火、防盗、防水、防尘、防有害气体以及温湿度调控(fireproof:0,antitheft:0,waterproof:Ozdustproof:0,harmfulgases:Oztemperature:0,humidity:0注:。-不报警:I-报警异常B.1.2获取库房实时运行故障接口表B.12获取库房实时运行故障接口方法名称KetRepRunFaultInfoO调用方法http:服务器IP:端口/archiveRepositoryService功能描述通过调用该接II获取库房实时运行故障信息输入项参数名称类型长度允许为空说明备注无返回值参数名称类型长度允许

4、为空说明备注ResultString否返回库房实时运行报警信息,包含运行温度、电压、电流、(oeratiHgTemperature:0,operatingVo1tage:0,operatingCurrent:0,注:0不报警,报警,OPeratingT。InPeratUre一运行温度,OPeratiHgVo11age-运行电压,OPeralingCUrrenl-运行电流异常B.1.3获取库房的电气信息接口表B.13获取库房的电气信息接口方法名称getSpecificRepE1.EInfo(StringrepositoryNo)调用方法http:服务器IP:端口archiVeRepository

5、Service/功能描述通过该接口获取库房的电气数据信息输入项参数名称类型长度允许为空说明备注repos1.toryNoString6否库房编码参见DA/T65-2017附录C-C.4返回值参数名称类型长度允许为空说明备注ResultString否返回库房电气信息,包含电压、电流、功率(operatingTemperature:26,operatingVoltage:200,operatingCurrent:1,OperatingPower:200注:operatingTemperature一运行温度,operatingVoltage-运行电压,OperatingCurrent一运行电流,op

6、eratingPowcr-功率异常B.1.4库房电气信息上报接口表B.1.4库房电气信息主动上报接口方法名称uplOadRepositoryE1.EInfo(StringrepositoryNo,Stringdatalnfo)调用方法h11p:服务器IP:端口/archiveRepositoryService功能描述通过该接口上报电气信息数据输入项参数名称类型长度允许为空说明备注repositoryNoString6否库房编码参见DA/T65-2017附录C-C.4datalnfoString否电气信息,包含电压、电流、功率(operatingTemperature:26,operatingV

7、o1tage:200,operatingCurrent:1,OperatingPower:200)注:OPeratingTelnPeralUre-运行温支,operatingVoltage-运行电压,OPeratingCUrrent一运行电流,OPeratingPg,er-功率返回值参数名称类型长度允许为空说明备注ResultString否返回库房电气信息上报成功/失败Iresultitrue/result:false异常B.2实体档案智能存储与管理子系统接口实体档案智能存储与管理子系统接口规定了实体档案智能存储、管理系统与外部系统间的通信要求,并规定接口名称、参数格式(见表B.2.2、表B.

8、2.3、表B.2.4、表B.2.5)。B.2.1密集架智能管理系统接口该接口通信协议满足DA/T65-2017档案密集架智能管理系统技术要求中附录A密集架控制系统总线通信要求。B.2.2获取库房出入库信息接口表B.22获取库房出入库信息接口方法名称getSpecIficRepIOInfo(StringrepositoryNo)调用方法http:服务器IP:端口/archiveRepositoryService功能描述通过该接口获取指定库房的出入库信息输入项参数名称类型长度允许为空说明备注repositoryNoString6否库房编码参见DA/T65-2017附录C-C.4返回值参数名称类型长

9、度允许为空说明备注ResultString返回库房出入库信息(档案或盒号:1,档案或盒号:2,注:I-在库,2-非法出入库,3-借出,异常B.2.3库房出入库信息上报接口表B.23库房出入库信息上报接口方法名称UploadRepositoryIOInfo(StringrepositoryNo,Stringdatalnfo)调用方法http:服务器IP:端口/archiveReositoryService功能描述通过该接口接收库房出入库信息输入项参数名称类型长度允许为空说明备注FepositoryNoString6否库房编码参见DA/T65-2017附录C-C.4datalnfoString否出

10、入库信息(档案或盒号:1,档案或盒号:2,注:I-在库,2-非法出入库,3-借出,返回值参数名称类型长度允许为空说明备注ResultString否返回库房出入库信息上报成功/失败result:true/result:false异常B.2.4库房盘点结果上报接口表B.24库房盘点结果上报接口方法名称UploadDeviceINVInfo(StringpositionNo,Stringdatalnfo)调用方法http:/服务器IP:端口archiVeRepositoryService功能描述通过该接口接收盘点结果数据输入项参数名称类型长度允许为空说明备注positionNoString否库房位置

11、编码参见DA/T65-2017附录C-C.1datalnfoString否盘点结果(total:12,Inventory1.ist:档案1,档案2,档案3,noInventory1.ist:档案1,档案2,档案3)注:total-盘点总数,inventOry1.iSt-盘到集合,noInventOry1.iSt-未盘到集合返回值参数名称类型长度允许为空说明备注ResultString否返回盘点结果上报成功/失败result:true/resultfalse异常B.2.5启动库房设备报警接口表B.25启动库房设备报警接口方法名称StartDeviceAlarm(StringrepositoryN

12、o)调用方法htt:服务器IP:端口/archiveRepositoryService功能描述通过调用该接口启动库房设备报警输入项参数名称类型长度允许为空说明备注reposItoryNoString6否库房编码参见DA/T65-2017附录C-C.4返回值参数名称类型长度允许为空说明备注ResultString否返回库房设备启动报警成功/失败result:true/result:false异常B.3库区智能管控子系统接口库区智能管控子系统接口包含环境管控智能模块、防水监测智能模块、防光智能模块、防有害生物智能模块,规定了库区智能管控子系统与外部系统间的通信要求,并规定接口名称、参数格式(见表B.3.1)B.3.1库房设备模式切换接口表B.3.1库房设备模式切换接口方法名称SetDeviceRunModel(StringrepositoryNo,StringmodeNo)调用方法http:服务器IP:端口archiveRepositoryService功能描述通过调用该接口设置库房设备的运行模式输入项参数名称类型长度允许为空说明备注repositoryNoString6否库房编码参见DT65-2017附录C-C.4modeNoString3否模式编码1:手动模式2:自动模式返回值参数名称类型长度允许为空说明备注ResultString否返回结果,模式切换成功/失败res

展开阅读全文
相关资源
猜你喜欢
相关搜索

当前位置:首页 > 通信/电子 > 数据通信与网络

copyright@ 2008-2023 1wenmi网站版权所有

经营许可证编号:宁ICP备2022001189号-1

本站为文档C2C交易模式,即用户上传的文档直接被用户下载,本站只是中间服务平台,本站所有文档下载所得的收益归上传人(含作者)所有。第壹文秘仅提供信息存储空间,仅对用户上传内容的表现方式做保护处理,对上载内容本身不做任何修改或编辑。若文档所含内容侵犯了您的版权或隐私,请立即通知第壹文秘网,我们立即给予删除!