道路用沥青玛蹄脂球磨钢渣混合料配合比设计方法、体积换算方法、沥青浸渍法.docx

上传人:p** 文档编号:980559 上传时间:2024-06-06 格式:DOCX 页数:4 大小:44.01KB
下载 相关 举报
道路用沥青玛蹄脂球磨钢渣混合料配合比设计方法、体积换算方法、沥青浸渍法.docx_第1页
第1页 / 共4页
道路用沥青玛蹄脂球磨钢渣混合料配合比设计方法、体积换算方法、沥青浸渍法.docx_第2页
第2页 / 共4页
道路用沥青玛蹄脂球磨钢渣混合料配合比设计方法、体积换算方法、沥青浸渍法.docx_第3页
第3页 / 共4页
道路用沥青玛蹄脂球磨钢渣混合料配合比设计方法、体积换算方法、沥青浸渍法.docx_第4页
第4页 / 共4页
亲,该文档总共4页,全部预览完了,如果喜欢就下载吧!
资源描述

《道路用沥青玛蹄脂球磨钢渣混合料配合比设计方法、体积换算方法、沥青浸渍法.docx》由会员分享,可在线阅读,更多相关《道路用沥青玛蹄脂球磨钢渣混合料配合比设计方法、体积换算方法、沥青浸渍法.docx(4页珍藏版)》请在第壹文秘上搜索。

1、附录A(规范性)道路用沥青玛蹄脂球磨钢渣混合料配合比设计方法A.1一般规定A.1.I本方法适用于磨耗层用钢渣沥青混合料。A.1.2道路用沥青玛蹄脂球磨钢渣混合料的配合比设计采用钢渣粗集料与其他天然集料复配的方法。A.1.3如采用其他方法设计沥青混合料时,应按本标准规定进行马歇尔试验及各项配合比设计检验。A.1.4道路用沥青玛蹄脂球磨钢渣混合料的目标配合比设计宜按图A.1的步骤进行。图A.1钢渣沥青混合料目标配合比设计流程图A.2原材料检测A.2.1配合比设计所使用的各种材料应符合本标准第5章规定的技术要求执行。A.3确定级配范围A.3.1道路用沥青玛蹄脂球磨钢渣混合料宜使用本标准621规定的体

2、积级配范围。A.4矿料配合比设计AAl矿料配合比应按照本标准8.2.6规定的方法设计。A.5马歇尔试验A.5.1道路用沥青玛蹄脂球磨钢渣混合料体积指标计算方法和技术要求应按照现行JTGF40执行。A.6混合料试件稳定性检测A.6.1道路用沥青玛蹄脂球磨钢渣混合料应按现行试验方法(T0363)进行膨胀性试验,其要求应符合本标准表7相关规定。A.7确定最佳油石比A.7.1应符合现行JTGF40的规定确定最佳油石比。A.8道路用沥青玛蹄脂球磨钢渣混合料性能检验A.8.1道路用沥青玛蹄脂球磨钢渣混合料应按现行试验方法进行性能检验,其要求应符合本文件表6相关规定。A.9配合比设计报告A.9.1配合比设计

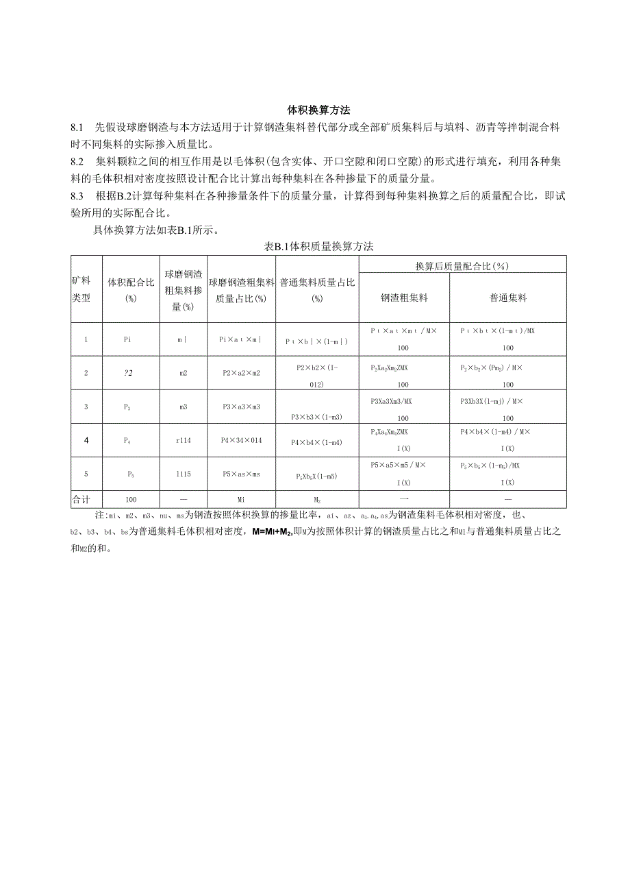
3、报告应按照JTGF40附录B.8的规定执行。附录B(规范性)体积换算方法8.1 先假设球磨钢渣与本方法适用于计算钢渣集料替代部分或全部矿质集料后与填料、沥青等拌制混合料时不同集料的实际掺入质量比。8.2 集料颗粒之间的相互作用是以毛体积(包含实体、开口空隙和闭口空隙)的形式进行填充,利用各种集料的毛体积相对密度按照设计配合比计算出每种集料在各种掺量下的质量分量。8.3 根据B.2计算每种集料在各种掺量条件下的质量分量,计算得到每种集料换算之后的质量配合比,即试验所用的实际配合比。具体换算方法如表B.1所示。表B.1体积质量换算方法矿料类型体积配合比(%)球磨钢渣粗集料掺量(%)球磨钢渣粗集料质

4、量占比(%)普通集料质量占比(%)换算后质量配合比()钢渣粗集料普通集料1PimPiamPb(1-m)PamM100Pb(l-m)/MX1002?2m2P2a2m2P2b2(I-012)P2Xa2Xm2ZMX100P2b2(Pm2)M1003P3m3P3a3m3P3b3(1-m3)P3Xa3Xm3/MX100P3Xb3X(l-mj)M1004P4r114P434014P4b4(1-m4)P4Xa4Xm4ZMXI(X)P4b4(l-m4)MI(X)5P5l115P5asmsP5Xb5X(1-m5)P5a5m5MI(X)P5b5(l-m5)/MXI(X)合计100MiM2一注:mi、m2、m3、n

5、u、ms为钢渣按照体积换算的掺量比率,ai、az、a3.a4,as为钢渣集料毛体积相对密度,也、b2、b3、b4、bs为普通集料毛体积相对密度,M=Mi+M2,即M为按照体积计算的钢渣质量占比之和Ml与普通集料质量占比之和M2的和。附录C(规范性)沥青浸渍法C.1材料仪具C.1.1烘箱:装有温度自动控制调节器;C.1.2天平:感量不大于0.01g;C.1.3试样容器:小铝锅或磁蒸发皿,30Oml以上;C.1.4钢勺。C.2试验步骤C.2.1将钢勺置于铝锅内,称取钢勺和铝锅的质量m,和水中质量m2。C.2.2将铝锅和钢勺烘干后,将5001000g钢渣装入放钢勺的铝锅中,称量铝锅、钢勺和钢渣的总质

6、量m3并放入烘箱加热。C.2.3将装有钢勺及混合料的铝锅放入165C的烘箱中养生Ih,同时将相同的沥青(约3kg)放人烘箱中,将热沥青倒入铝锅中,Ih后取出沥青搅拌,待沥青温度至140150C时取出装有钢勺及混合料的铝锅,将大量沥青加人铝锅中,用钢勺搅拌3min,排出气泡后,放入温度140145C的烘箱中,每隔20min左右搅拌一次,每次3min,直至表面无气泡才停止搅拌,然后将铝锅取出,在室温下放置1224h:C.2.4称量铝锅、钢勺、钢渣和沥青的总干重皿和水中重ms。C.3计算C.3.1球磨钢渣的有效密度按式(Cl)进行计算:一一叫&m4-m5-(m1-m2)-(m4-m3)yb(C.I)式中:为e沥青浸渍法测得钢渣的有效相对密度;Hr沥青的相对密度,无量纲。C.4报告C.4.1试验报告应包含以下内容沥青类型:沥青的相对密度,钢渣质量、试验温度、球磨钢渣的有效相对密度等。

展开阅读全文
相关资源
猜你喜欢
相关搜索

当前位置:首页 > 论文 > 期刊/会议论文

copyright@ 2008-2023 1wenmi网站版权所有

经营许可证编号:宁ICP备2022001189号-1

本站为文档C2C交易模式,即用户上传的文档直接被用户下载,本站只是中间服务平台,本站所有文档下载所得的收益归上传人(含作者)所有。第壹文秘仅提供信息存储空间,仅对用户上传内容的表现方式做保护处理,对上载内容本身不做任何修改或编辑。若文档所含内容侵犯了您的版权或隐私,请立即通知第壹文秘网,我们立即给予删除!