SCQ1计算书.docx

上传人:p** 文档编号:983686 上传时间:2024-06-06 格式:DOCX 页数:4 大小:42.18KB
下载 相关 举报
SCQ1计算书.docx_第1页
第1页 / 共4页
SCQ1计算书.docx_第2页
第2页 / 共4页
SCQ1计算书.docx_第3页
第3页 / 共4页
SCQ1计算书.docx_第4页
第4页 / 共4页
亲,该文档总共4页,全部预览完了,如果喜欢就下载吧!
资源描述

《SCQ1计算书.docx》由会员分享,可在线阅读,更多相关《SCQ1计算书.docx(4页珍藏版)》请在第壹文秘上搜索。

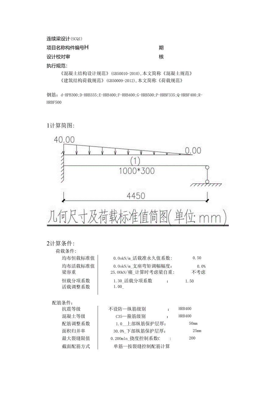
1、连续梁设计(SCQI)项目名称构件编号H期设计校对审核执行规范:混凝土结构设计规范(GB50010-2010),本文简称混凝土规范建筑结构荷载规范(GB50009-2012),本文简称荷载规范钢筋:d-HPB300;D-HRB335;E-HRB400;F-RRB400;G-HRB500;P-HRBF335;Q-HRBF400;R-HRBF5001计算简图:2计算条件:荷载条件:均布恒载标准值0.OokN/m_活载准永久值系数:0.50均布活载标准值0.OokN/m_支座弯矩调幅幅度:0.0%梁容重25.OOkN/痛_计算时考虑梁自重:不考虑恒载分项系数1.30_活载分项系数:1.50活载调整系

2、数1.00_配筋条件:抗震等级不设防纵筋级别:HRB400混凝土等级C35箍筋级别:HRB400配筋调整系数1.0_上部纵筋保护层厚:50mm面积归并率30.0%_下部纵筋保护层厚:25mm最大裂缝限值0.20Omln_挠度控制系数C:200截面配筋方式单筋按裂缝控制配筋计算3计算结果:单位说明:弯矩:kN.m_剪力:kN纵筋面积:mm?箍筋面积:三7m裂缝:mm_挠度:mm梁号1:跨长=4450BXH=1000X300左中右弯矩(一):-71.5260.0000.000弯矩(+):0.00030.5270.000剪力:100.118-19.882-19.882上部as:606060下部as:

3、353535上部纵筋:861600600下部纵筋:600600600箍筋Asv:104710471047上纵实配:6E14(924)5E14(770)5E14(770)下纵实配:5E14(770)5E14(770)5E14(770)箍筋实配:4E10150(2094)4E10150(2094)4E10l50(2094)腰筋实配:-(0)(0)(0)上实配筋率:0.31%0.26%0.26%下实配筋率:0.26%0.26%0.26%箍筋配筋率:0.21%0.21%0.21%裂缝:0.0490.0170.000挠度:-0.0002.576-0.000最大裂缝:O.049mm0.200mm最大挠度:

4、2.576mm22.250mm(4450/200)本跨计算通过.4所有简图:-71.526M:+0.000-71.526+100.118;+0.000V:+19.882+0.000夸短包络图(调幅后)(单位kN.m)支座反力简图(单位kN.m隋豺kN(甯力)100,118600600Y1047A0.0170.0006E145E145145E144i(W15O4E10W5086160010476006001047计算配筋简图2.576明力包络图(单位kN)0.454弹性位移简酬单位mm)塑性极度筒图(单位mm)裂缝简图(靴mm)【理正结构设计工具箱软件6.5PB3计算日期:2022-11-0211:21:51

展开阅读全文
相关资源
猜你喜欢
相关搜索

当前位置:首页 > 行业资料 > 工业设计

copyright@ 2008-2023 1wenmi网站版权所有

经营许可证编号:宁ICP备2022001189号-1

本站为文档C2C交易模式,即用户上传的文档直接被用户下载,本站只是中间服务平台,本站所有文档下载所得的收益归上传人(含作者)所有。第壹文秘仅提供信息存储空间,仅对用户上传内容的表现方式做保护处理,对上载内容本身不做任何修改或编辑。若文档所含内容侵犯了您的版权或隐私,请立即通知第壹文秘网,我们立即给予删除!