文物建筑单位工程观感评定要求.docx

上传人:p** 文档编号:986480 上传时间:2024-06-06 格式:DOCX 页数:19 大小:55.39KB
下载 相关 举报
文物建筑单位工程观感评定要求.docx_第1页
第1页 / 共19页
文物建筑单位工程观感评定要求.docx_第2页
第2页 / 共19页
文物建筑单位工程观感评定要求.docx_第3页
第3页 / 共19页
文物建筑单位工程观感评定要求.docx_第4页
第4页 / 共19页
文物建筑单位工程观感评定要求.docx_第5页
第5页 / 共19页
文物建筑单位工程观感评定要求.docx_第6页
第6页 / 共19页
文物建筑单位工程观感评定要求.docx_第7页
第7页 / 共19页
文物建筑单位工程观感评定要求.docx_第8页
第8页 / 共19页
文物建筑单位工程观感评定要求.docx_第9页
第9页 / 共19页
文物建筑单位工程观感评定要求.docx_第10页
第10页 / 共19页
亲,该文档总共19页,到这儿已超出免费预览范围,如果喜欢就下载吧!
资源描述

《文物建筑单位工程观感评定要求.docx》由会员分享,可在线阅读,更多相关《文物建筑单位工程观感评定要求.docx(19页珍藏版)》请在第壹文秘上搜索。

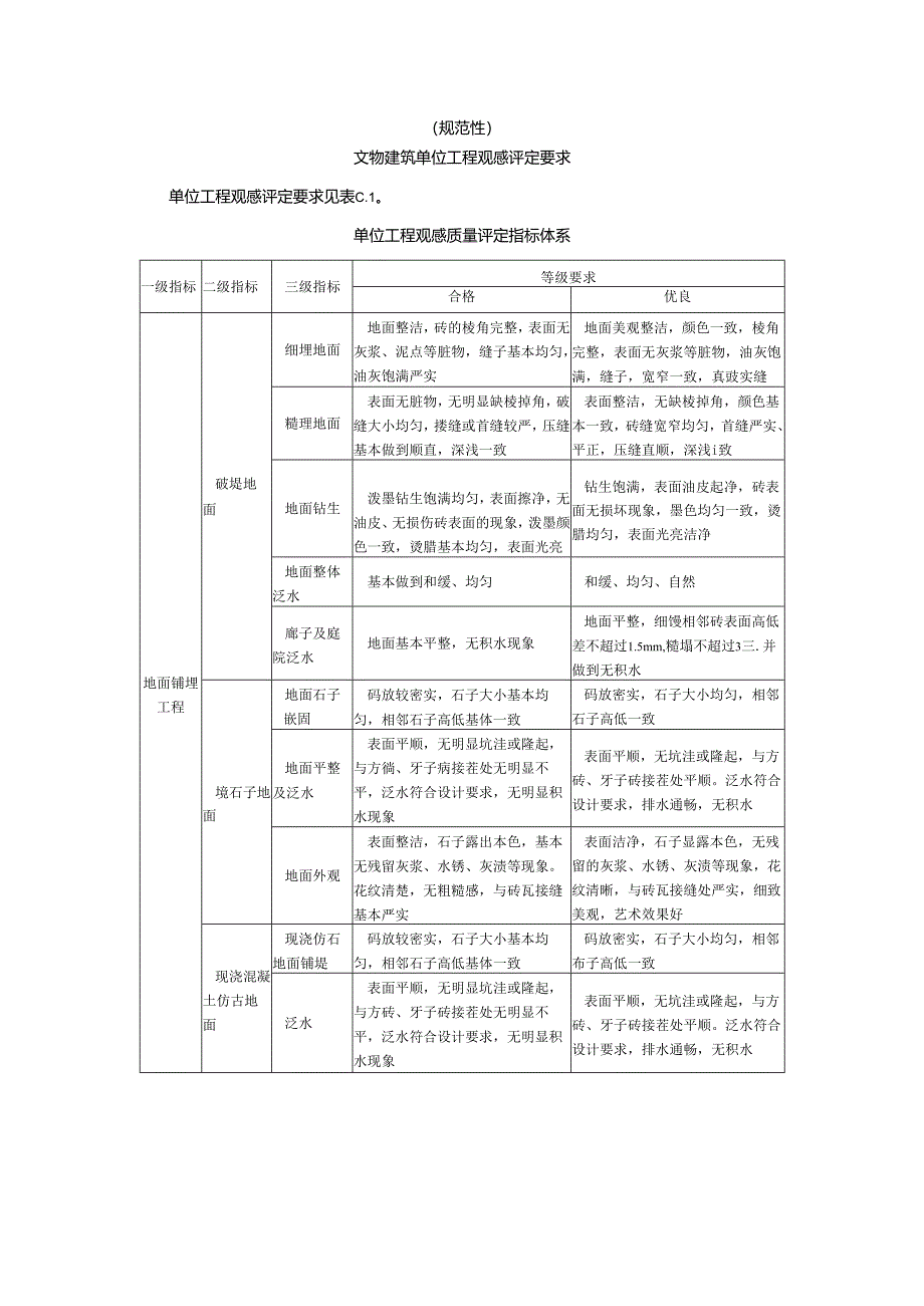
1、(资料性)分项工程质量检验评定表分项工程质量检验评定表样式见表A.1。分项工程质量检验评定表单位工程名称单位地址分部工程名称施工单位单位工程量单元工程名称部位检验H期检验人联系电话保证项目.序匕检验日期项目质量情况备注基本项目序号项目质量情况等级12345678910123456检查要求评定结果施工单位日期:建设单位日期:备注(资料性)单位工程藐感质量评定表单位工程观感质量评定表见表B.1。单位工程观感质量评定表工程名称:一序号项目名称标准分检查记录评定等级实行分小计12345678910级级级四级五级12345678910合计(观感质量综合评价)检查结果及意见:检查人:年月日施工单位项目经理

2、:年月日监理意见监理工程师:年月日技术负责人:质检员:填表人:年月日(规范性)文物建筑单位工程观感评定要求单位工程观感评定要求见表C.1。单位工程观感质量评定指标体系一级指标二级指标三级指标等级要求合格优良地面铺埋工程破堤地面细埋地面地面整洁,砖的棱角完整,表面无灰浆、泥点等脏物,缝子基本均匀,油灰饱满严实地面美观整洁,颜色一致,棱角完整,表面无灰浆等脏物,油灰饱满,缝子,宽窄一致,真豉实缝糙理地面表面无脏物,无明显缺棱掉角,破缝大小均匀,搂缝或首缝较严,压缝基本做到顺直,深浅一致表面整洁,无缺棱掉角,颜色基本一致,砖缝宽窄均匀,首缝严实、平正,压缝直顺,深浅i致地面钻生泼墨钻生饱满均匀,表面

3、擦净,无油皮、无损伤砖表面的现象,泼墨颜色一致,烫腊基本均匀,表面光亮钻生饱满,表面油皮起净,砖表面无损坏现象,墨色均匀一致,烫腊均匀,表面光亮洁净地面整体泛水基本做到和缓、均匀和缓、均匀、自然廊子及庭院泛水地面基本平整,无积水现象地面平整,细馒相邻砖表面高低差不超过1.5mm,糙塌不超过3三.并做到无积水境石子地面地面石子嵌固码放较密实,石子大小基本均匀,相邻石子高低基体一致码放密实,石子大小均匀,相邻石子高低一致地面平整及泛水表面平顺,无明显坑洼或隆起,与方徜、牙子病接茬处无明显不平,泛水符合设计要求,无明显积水现象表面平顺,无坑洼或隆起,与方砖、牙子砖接茬处平顺。泛水符合设计要求,排水通

4、畅,无积水地面外观表面整洁,石子露出本色,基本无残留灰浆、水锈、灰渍等现象。花纹清楚,无粗糙感,与砖瓦接缝基本严实表面洁净,石子显露本色,无残留的灰浆、水锈、灰渍等现象,花纹清晰,与砖瓦接缝处严实,细致美观,艺术效果好现浇混凝土仿古地面现浇仿石地面铺堤码放较密实,石子大小基本均匀,相邻石子高低基体一致码放密实,石子大小均匀,相邻布子高低一致泛水表面平顺,无明显坑洼或隆起,与方砖、牙子砖接茬处无明显不平,泛水符合设计要求,无明显积水现象表面平顺,无坑洼或隆起,与方砖、牙子砖接茬处平顺。泛水符合设计要求,排水通畅,无积水级指标二级指标三级指标等级要求合格优良彷占砖缝的分缝形式与分格表面整洁,石子露

5、出本色,基本无残留灰浆、水锈、灰渍等现象。花纹清楚,无粗糙感,与砖瓦接缝基本严实表面洁净,石子显露本色,无残留的灰浆、水锈、灰渍等现象,花纹清晰,与砖瓦接缝处严实,细致美观,艺术效果好仿古地面砖摆放分格直顺、宽窄、深浅一致分格直顺、宽窄、深浅一致,划缝平顺地面补配整修修补后地面表面基本平整,与旧地面相似表面平整洁净,与旧地面相似馒石材地面地面石材边角整齐,表面光洁,无杂色或污染,底面基本无亏损边角整齐,表面光洁美观,底面无亏损石材地面铺堤表面平整光洁,拼缝基本无崩边,缝子直顺,泛水和缓,无松动现象表面平整光洁美观,拼缝整齐直顺,泛水和缓,无松动木制作与安装工程柱类构件制作柱子直径基本浑圆、直顺

6、、无明显疵病浑圆、直顺、无疵病柱子榨卯制作开桦凿眼基本直顺、洗淌清秀无输根开桦凿眼直顺、洗淌清秀无输根梁类构件制作梁身制作梁中线、平水线、抬头线、裹楞线等线条清楚,裹楞基本浑圆直顺梁中线、平水线、抬头线、裹楞线等线条清楚,裹楞浑圆直顺,无疵病梁头制作花梁头锋尖坐中不偏斜,锋面光平,曲线均匀,无明显疵病花梁头锋尖坐中不偏差,锋面光洁秀丽,曲线均匀顺畅,无明显疵病材类构件制作柿子制作刮刨光平直顺,不皮楞,中线、裹楞线准确,裹楞浑圆直顺,梯规矩整齐,无明显疵病刮刨光平直顺,不皮楞,中线、裹楞线准确、清晰,裹楞浑圆直顺,梯规矩整齐无疵病承椽彷椽窝制作椽窝位置准确,分档均匀,大小深度一致椽窝位置准确,分

7、档均匀,口径大小、深度、斜度一致彷子的制作基本直顺、无输根直顺、清秀、无输根桁(橡)类构件制作桁(楝)类制作四面中线、椽花线清晰、准确,表面浑圆、直顺,金盘、樵底平直顺,梯卯直顺规矩,无明显疵病四面中线、椽花线清晰、准确,表面浑圆直顺,桁径两端一致,金盘、楠底平直顺,桦卯直顺,无疵病桁(楝)类安装相邻桁(橡)接点中线基本吻合,通长直顺,高度基本一致相邻桁(榇)接点中线吻合严实,通长直顺,高度一致板类构件制作板类拼缝制作表面光平,拼缝严实,上下口直顺,板面基本平整,不皮楞(扭贡变形)。穿带牢固,无明显疵病表面光洁,拼缝严实。上下口直顺,板面平整,不皮楞。穿带牢固,无疵病垫板类安装相邻垫板接点中线

8、基本吻合,通长直顺,高度基本一致相邻垫板接点中线吻合严实,通长直顺,高度基本一致级指标二级指标三级指标等级要求合格优良椽、望、连檐制作椽类制作圆椽浑圆直顺,金盘平直,方椽方正直顺,无疵病圆椽浑圆直顺光洁,金盘平直光洁,方椽方正直顺光洁,无明显疵病望板制作拼缝弹线刨光,平直、无明显疵病拼缝弹线刨光,平直光洁、无疵病连檐制作正身平整直顺,翘起部分和缓自然,无明显死弯,无劈裂正身平、正、顺,位置准确,翘起和缓自然中,无死弯、劈裂大木构架安装桁(橡)防、垫板安装桁(榭)、杨、垫板平、直、顺,樟卯连接牢固。榭在面宽方向每间中至中尺寸准确,通面宽尺寸不得闯中,拉中不得大于5mm,梯子安装后不驾马,不滚动桁

9、(榇)、彷、垫板平、直、顺,桦卯连接牢固。梯在每间宽及通面宽中至中尺寸正确无误,桁(榇)安装后不驾马,不滚动柱子安装与柱基础本接触严实、不松动与柱基接触严实,松动、掏挖椽望、角梁、翼角翘飞安装椽望安装檐椽与飞椽基本相对不偏斜,望板铺钉牢固,露明望板表面平正,横望板错缝窜档宽不大于80OnIm,板头盘截方正,望板顶头缝不小于5mrn,柳叶缝基本严实翼角安装大小连檐上下口无明显死弯及鸡窝囊,椽档基本均匀,翘K头、翘匕母与大小连檐基本严实无缝隙,椽侧面与地面基本垂直,翘匕椽与翼角椽基本相对不偏斜,椽头盘截方正大小连檐无死弯和鸡窝囊。椽档均匀(中一中尺寸一致)翘匕、翘E母与大小连檐严实无缝隙,翘K母不

10、出小连檐,侧面与地面垂直,翘E椽翼角椽相对不偏斜,椽头盘截方正大木一般维修大木维修一、墩柱子应接口严实、加箍严紧,表面光洁直顺。防腐处理符合设计要求。二、墩接柱根必须与柱顶口接触严实无缝隙。三、抽换柱子的柱根与柱顶石的接触面、柱头与梁底的接触面必须严实无缝隙。四、攒柱根所镶的木材须钉牢,与柱身保持直顺,接口必须严实。五、梁架支顶加固所加的抱柱或顶柱,均要求垂直无偏差,抱柱鼓镜相交处、支顶梁架的顶柱与垫板和梁下皮接触处必须严实无缝隙。六、梁架采用型钢加固和桁、梯件及桁架加固时所用的锲母数量及锲杆伸出镖母长度应符合设计要级指标二级指标三级指标等级要求合格优良求。钢拉杆顺直,各钢件防腐处理,无显明缺

11、陷。七、附橡、新附的桁棵除跨中须与原梯接触外,跨中以外须回垫严,新附的桁梯与梁架接触处须背实顶严。八、局部换椽望,望板须与椽子钉牢,不得悬空,飞头下口与小连檐不得喝风。九、瓜柱加固、抽换必须按要求加箍、加镶栓,必须按规定叉活,瓜柱与梁架接触严实。斗拱制作与安装工程斗拱制作斗拱制作下材准确,与样板相符,表面光平、直顺、跟尺,卷刹分瓣均匀,拱眼刻度深浅一致,刻口、剔袖、凿眼、起峰符合要求,头饰尾饰形象准确,符合要求,无明显疵病下材准确,与样板相符,表面光平洁净,直顺、跟尺,卷刹分瓣均匀一致,刻口、剔袖、凿眼、起峰准确、清秀符合要求,头饰尾饰形象准确美观,符合要求,无明显疵病斗拱雕刻部分制作雕饰曲线

12、自如,线条光洁流畅,无明显疵病雕饰曲线自如,线条清秀光洁流畅,无疵病斗拱梯卯节点制作基本直顺、无输根直顺、清秀、无输根斗拱安装斗拱节点、栽梢、升斗安装节点松紧适度,无明显空隙,栽梢齐全、牢固,斜斗板、盖斗板遮盖严实,垫拱板左右入槽,无明显隙或松动节点松紧适度,无缝隙,栽梢齐全、牢固,斜斗板、盖斗板遮盖严实,垫拱板左右入槽,攒与攒高度及出进基本一致。安装牢固,无疵病木装修制作与安装工程槛框、榻板的制作与安装槛框制作与安装槛、框不皮楞、倒楞、窜角,垂直方正,表面光平,无明显刨痕、俄搓和残损,线条直顺、线肩严实平整,无明显疵病槛、框不皮楞、倒楞、窜角,垂直方正,表面光平,无刨痕、能搓和残损,线条直顺光洁、线肩严实平整,无疵病榻板制作与安装表面平整直顺、不皮楞,无明显凹凸、裂缝,板面外口有泛水表面平整直顺光洁、不皮楞,无凹凸、裂缝,板面外口有泛水,圈口与柱径吻合齐全边框制作死节与虫眼处理死节和直径大于8mm的虫眼,用同一树种木材加胶填补,清油构件木材色泽、木纹应与原构件基本一致死节和直径大于5mm的虫眼,用同一树种木材加胶填补,清油构件所用木材色泽、木纹与原构件基本一致。内檐装修,清油构件,补成艺术花纹式样,色泽、木纹与原构件一致边框的表面质量表

展开阅读全文
相关资源
猜你喜欢
相关搜索

当前位置:首页 > 办公文档 > 事务文书

copyright@ 2008-2023 1wenmi网站版权所有

经营许可证编号:宁ICP备2022001189号-1

本站为文档C2C交易模式,即用户上传的文档直接被用户下载,本站只是中间服务平台,本站所有文档下载所得的收益归上传人(含作者)所有。第壹文秘仅提供信息存储空间,仅对用户上传内容的表现方式做保护处理,对上载内容本身不做任何修改或编辑。若文档所含内容侵犯了您的版权或隐私,请立即通知第壹文秘网,我们立即给予删除!