电弧焊连接方案.docx

上传人:p** 文档编号:988444 上传时间:2024-06-06 格式:DOCX 页数:3 大小:9.84KB
下载 相关 举报
电弧焊连接方案.docx_第1页
第1页 / 共3页
电弧焊连接方案.docx_第2页
第2页 / 共3页
电弧焊连接方案.docx_第3页
第3页 / 共3页
亲,该文档总共3页,全部预览完了,如果喜欢就下载吧!
资源描述

《电弧焊连接方案.docx》由会员分享,可在线阅读,更多相关《电弧焊连接方案.docx(3页珍藏版)》请在第壹文秘上搜索。

1、电弧焊连接方案对22mm直径16mm的剪力墙水平钢筋、梁主筋采用电弧焊连接(1)工艺流程:检查设备一选择接头型式焊接工艺、焊条和焊接参数一试焊作模拟试件T送试一确定焊接参数一施焊质量检验。(2)施工要点、钢筋的级别、直径必须符合设计要求,凡施焊的各种钢筋均应有质量证明书、进场复试报告。、焊条应有产品合格证,药皮应无裂缝、气孔、凹凸不平等缺陷,并不得有肉眼看得出的偏心度。焊条的牌号应符合设计规定:HPB235级钢与HPB235级钢、HPB235级钢与HRB335级钢焊接采用E43型焊条,HRB335级钢与HRB335级钢、HRB335级钢与HRB400级钢焊接采用E50型焊条,HRB400级钢与

2、HRB400级钢焊接采用E55型焊条。焊条必须按说明书的要求进行烘焙后使用,焊接前一般在150-350度烘箱内烘焙。、主要机具准备:电焊机可采用市场上的定型产品,其容量大小应能获得300A电流,空载电压应在75V及以上;焊接电缆、电焊钳、面罩、垫子、钢丝刷、无齿锯等准备妥当;电源应符合要求,焊接地线应与钢筋紧密接触。、从事钢筋焊接的电焊工必须持有焊工考试合格证,才能上岗操作。在正式焊接之前,参与施焊的焊工应进行现场条件下的焊接工艺试验,每批钢筋正式焊接前,焊接三个模拟试件做拉力试验,经试验合格后方可按确定的焊接参数成批生产。试验结果应符合质量检验与验收要求。、钢筋一般单面搭接焊为IOd,双面搭

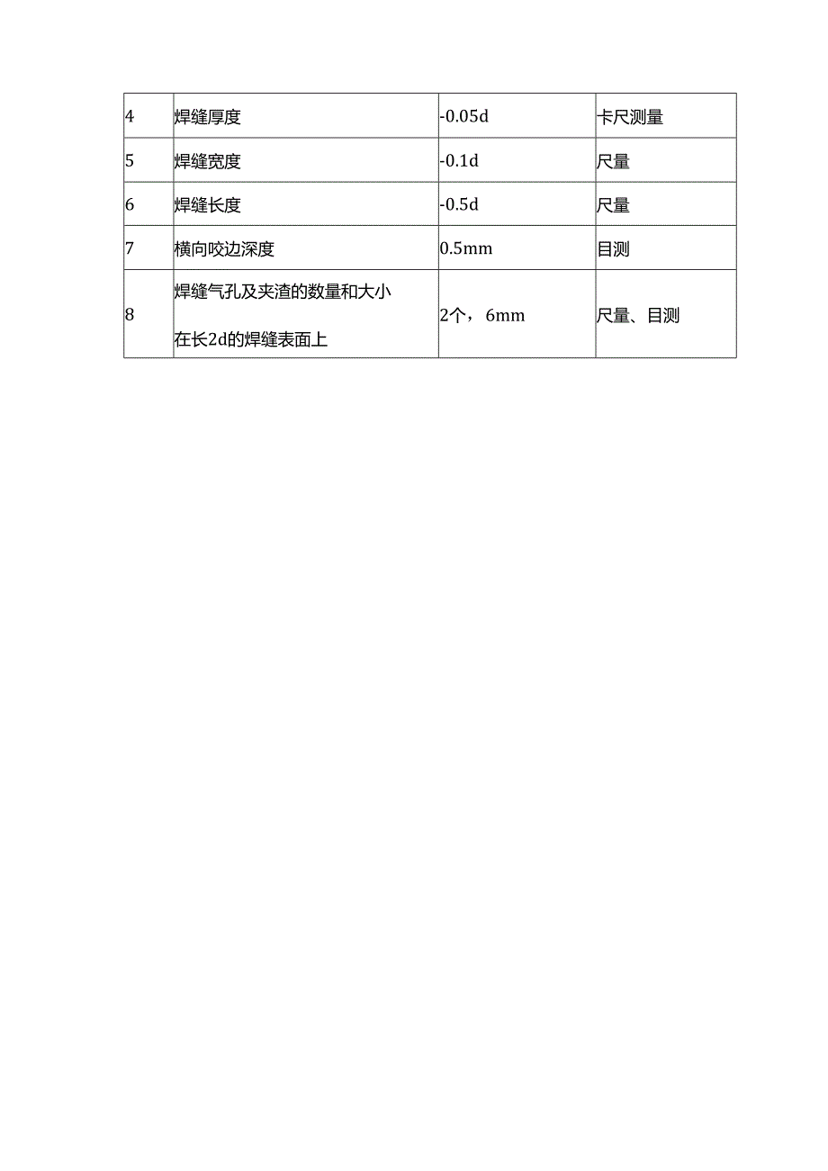
3、接焊为5do焊接过程中,电弧应燃烧稳定,药皮熔化均匀,无成块脱落现象。、搭接焊时钢筋必须预弯,以保证两钢筋的轴线在一轴线上;搭接焊时,用两点固定,定位焊缝离搭接端部20mm以上。、作业场所要有安全防护设施、防火和必要的通风措施,防止发生烧伤、触电及火灾等事故;风力六级(含六级)以上天气、雨雪天气,不得露天作业。(3)质量要求、焊接表面应平整,不得有凹陷或焊瘤。、焊接接头区域不得有裂纹。、搭接焊焊缝厚度s不小于主筋直径的0.3倍,焊缝宽度b不小于主筋直径的08倍。、焊接过程中若发现接头有弧坑、未填满、气孔及咬边、焊瘤等质量缺陷时,立即修整补焊。、电弧焊接头尺寸偏差及缺陷允许值应符合下表:序号项目允许偏差检验方法1帮条沿接头中心线的纵向偏移0.5d尺量2接头弯折4度焊接检验尺检查3接头处钢筋轴线的偏移0.1d且不大于3mm4焊缝厚度-0.05d卡尺测量5焊缝宽度-0.1d尺量6焊缝长度-0.5d尺量7横向咬边深度0.5mm目测8焊缝气孔及夹渣的数量和大小在长2d的焊缝表面上2个,6mm尺量、目测

展开阅读全文
相关资源
猜你喜欢
相关搜索

当前位置:首页 > 建筑/环境 > 设计及方案

copyright@ 2008-2023 1wenmi网站版权所有

经营许可证编号:宁ICP备2022001189号-1

本站为文档C2C交易模式,即用户上传的文档直接被用户下载,本站只是中间服务平台,本站所有文档下载所得的收益归上传人(含作者)所有。第壹文秘仅提供信息存储空间,仅对用户上传内容的表现方式做保护处理,对上载内容本身不做任何修改或编辑。若文档所含内容侵犯了您的版权或隐私,请立即通知第壹文秘网,我们立即给予删除!