电焊工培训计划及大纲(初、中级).docx

上传人:p** 文档编号:993135 上传时间:2024-06-09 格式:DOCX 页数:15 大小:23.49KB
下载 相关 举报
电焊工培训计划及大纲(初、中级).docx_第1页
第1页 / 共15页
电焊工培训计划及大纲(初、中级).docx_第2页
第2页 / 共15页
电焊工培训计划及大纲(初、中级).docx_第3页
第3页 / 共15页
电焊工培训计划及大纲(初、中级).docx_第4页
第4页 / 共15页
电焊工培训计划及大纲(初、中级).docx_第5页
第5页 / 共15页
电焊工培训计划及大纲(初、中级).docx_第6页
第6页 / 共15页
电焊工培训计划及大纲(初、中级).docx_第7页
第7页 / 共15页
电焊工培训计划及大纲(初、中级).docx_第8页
第8页 / 共15页
电焊工培训计划及大纲(初、中级).docx_第9页
第9页 / 共15页
电焊工培训计划及大纲(初、中级).docx_第10页
第10页 / 共15页
亲,该文档总共15页,到这儿已超出免费预览范围,如果喜欢就下载吧!
资源描述

《电焊工培训计划及大纲(初、中级).docx》由会员分享,可在线阅读,更多相关《电焊工培训计划及大纲(初、中级).docx(15页珍藏版)》请在第壹文秘上搜索。

1、初级电焊工培训方案1.培训目标1.1 总体目标培养具备以下条件的人员:掌握初级焊工的技术理论知识,能运动根本技能独立完本钱职业简单金属结构的焊接作业。1.2 理论知识培训目标依据焊工国家职业中对初级焊工的理论知识要求,通过培训,时培训对象掌握职业道德的根本知识、识图知识、金属材料知识、电工根底知识、化学根本知识、焊接知识、平安保护知识及焊工初级工艺理论。1.3 操作技能培训目标依据焊工国家职业标准中对初级焊工的操作技能要求,通过培训,使培训对象掌握初级焊工应具备的气焊、气割、碳弧气刨、焊条电弧焊等操作技能,能进行低碳钢、低合金刚结构的简单焊接作业。2.教学要求2.1 理论知识要求职业道德识图知

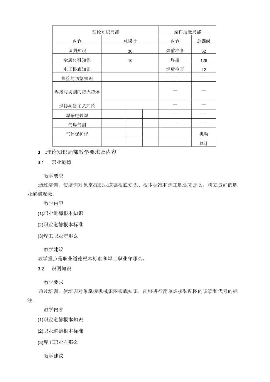
2、识金属材料知识电工根底知识化学根本知识焊接知识平安保护知识焊工初级工艺理论2.2 操作技能要求焊接准备焊接焊后检查3.教学方案安排总课时数:360课时理论知识授课:260课时操作技能练习:100课时初级电焊工教学大纲1、课程任务和说明通过培训,使培训对象掌握初级焊工的根底理论知识和操作技能。培训完毕,培训对象应能独立完成简单金属结构的焊接作业。在教学过程中,应注意以理论为根底,注意加强根本技能的训练。2 .课时分配课时分配表理论知识局部操作技能局部内容总课时内容总课时识图知识30焊前准备32金属材料知识10焊接126电工根底知识焊后检查12焊接与切割知识焊接与切割的防火防爆焊接初级工艺理论焊条

3、电弧焊气焊气割气体保护焊机动总计3 .理论知识局部教学要求及内容3.1 职业道德教学要求通过培训,使培训对象掌握职业道德根底知识、根本标准和焊工职业守那么,树立良好的职业道德观念。教学内容(1)职业道德根本知识(2)职业道德根本标准(3)焊工职业守那么教学建议教学重点是职业道德根本标准和焊工职业守那么。3.2 识图知识教学要求通过培训,使培训对象掌握机械识图根底知识,能够进行简单焊接装配图的识读和代号的标注。教学内容(1)职业道德根本知识(2)职业道德根本标准(3)焊工职业守那么教学建议教学重点是职业道德根本标准和焊工职业守那么。3.3 识图知识教学要求通过培训,使培训对象掌握机械识图根底知识

4、,能够进行简单焊接装配图的识读和代号的标注。教学内容(1)制图的一般规定1)图纸幅面及格式2)比例3)图线及其画法(2)投影的根本原理D投影的根本知识2)三视图3)剖视图(3)常用零部件的画法及代号标注1)轴2)螺纹3)管道4)法兰(4)简单装配图的识读1)概述2)装配图的表达方法3)装配图的尺寸标注4)读装配图教学建议教学重点是以钾焊结构图为例进行装配图局部的讲解。3.4 金属材料知识教学要求通过培训,使培训对象掌握常用金属材料力学性能的概念、指标,碳素结构钢和低合金钢的分类、牌号及主要性能。教学内容(1)常用金属材料知识。(2)金属材料的物理、化学和力学性能。(3)碳素钢的分类及牌号表示方

5、法。(4)合金钢的分类及牌号表示方法。教学建议教学重点是介绍焊接结构中常用的低碳钢、中碳钢、低合金钢、中合金钢以及铭锲奥氏体不锈钢,铸铁,铝、铜及其合金。3.5 5电工根底知识教学要求通过培训,使培训对象掌握直流电、交流电、电路、电磁的根本知识及交流电与直流电的转换。教学内容(1)直流电与电磁根本知识1)直流电2)电路及有关物理量3)欧姆定律及应用4)磁路(2)交流电的根本概念教学建议教学重点是讲授交流电与直流电的转换。3.6 化学根本知识教学要求通过培训,使培训对象掌握化学元素及其符号。教学内容(1)化学元素(2)化学元素符号教学建议教学重点是使培训对象熟记常用化学元素及其符号。3.7 焊接

6、知识教学要求通过培训,是培训对象掌握焊接的实质、分类及其应用。教学内容(1)焊接的物理实质(2)焊接方法分类1)熔焊2)压焊3)钎焊(3)焊接技术的开展及应用。教学建议教学重点是是培训对象掌握焊接的物理实质以及焊接方法的分类,并对其特点有所了解。3 .8平安保护知识教学要求通过培训,使培训对象了解焊接平安技术、焊接劳动保护根本知识,增强平安意识,提高自我防护能力。教学内容(1)电流对人体的伤害形式(2)影响电击严重程度的因素触电教学建议教学重点是平安用电和平安防护知识,建议组织下厂参观。3.9焊工初级工艺理论焊前准备(1)教学要求通过培训,是培训对象掌握焊接劳动保护知识,学会使用劳动保护用品,

7、掌握焊接材料的选用、工件坡口的制备、焊接设备的选择及使用知识。(2)教学内容1)劳动保护和平安检查劳动保护场地设备及工具、夹具的平安检查焊条电弧焊平安操作规程2)焊接材料焊条的组成及分类碳钢焊条的选择和使用3)工件准备焊接接头及焊接坡口焊缝符号和焊接方法代号4)焊条电弧焊设备焊条电弧焊电源焊钳及焊接电缆(3)教学建议教学重点是焊接劳动保护和平安检查、焊条电弧焊设备和焊接材料的选择与使用。焊接(1)教学要求通过培训,使培训对象掌握焊条电弧焊、气焊、气割和碳弧气刨的原理、工艺参数选择方法及操作技术知识。(2)教学内容1)焊条电弧焊焊条电弧焊工艺焊接电弧的引燃、运条和收弧低碳钢平焊单位焊双面成型其他

8、焊接位置2)气焊、气割气焊、气割原理、设备、工具及材料低碳钢和低合金钢的气焊与气割气焊、气割得平安技术3)碳弧气刨碳弧气刨的原理、设备、工具及材料碳弧气刨工艺(3)教学建议教学重点是焊条电焊弧,气焊、气割设备与工艺。焊后检查(1)教学要求通过培训,使培训对象掌握焊缝外观缺陷、生产原因、防止措施及返修方法。(2)教学内容1)外观检查焊缝外观缺陷外部缺陷产生的原因及防止方法2)缺陷返修返修返修方法(3)教学建议教学重点是焊接缺陷、防止措施和返修方法4.操作技能局部教学要求及内容4.1 教学要求通过培训,使培训对象能够进行焊前材料、工作和设备的准备,能够正确使用焊条电弧焊、气焊、气割、碳弧气刨设备进

9、行低碳钢、低合金钢的切割、焊接和碳弧气刨,能够进行低碳钢平焊位单位焊双面成型及其他焊接位置的操作,能够进行焊缝外观检查和缺陷返修。4.2 教学内容焊接准备(1)劳动保护1)个人劳动保护用品的准备2)场地、设备,工、夹具平安检查(2)焊接材料焊条的选择及使用(3)工件准备1)识别金属牌号2)识图3)坡口准备(4)设备准备焊条电焊弧设备、焊钳、电缆的准备焊接(可根据实际情况选择以下内容)(1)焊条电弧焊1)设备的正确使用。2)低碳钢平焊单位面焊双面成型。3)其他街头形式及焊接位置的焊接。(2)气焊、气割1)设备、工具及材料的正确使用。2)低碳钢、低合金钢的气焊和气割。(3)碳弧气刨1)设备、工具和

10、材料的正确选择。2)低碳钢、低合金钢的碳弧气刨。焊后检查(1)外观检查焊缝外观尺寸和外表缺陷的检查缺陷的返修和焊补能正确进行缺陷的返修和焊补4 .3教学建议教学重点是焊条电弧焊,要求培训对象能熟练掌握低碳钢、低合金钢平焊位单面焊双面成型及其他焊接位置的操作技能。中级电焊工培训方案一、培训目标1.总体目标培养具备以下条件的人员:能够掌握中级焊工的技术理论知识,能够运用常规焊接工艺方法完成中等复杂程度的金属结构焊接作业。5 .理论知识培训目标依据焊接国家职业标准中对中级焊工的理论知识要求,通过培训,使培训对象掌握金属热处理、电工根底、化学根本知识、冷加工根底知识、环境保护知识及焊工中级工艺理论。6

11、 .操作技能培训目标依据焊工国家职业标准中对中级焊工的操作技能要求,通过培训,使培训对象掌握中级焊工应具备的焊条电焊弧,埋弧焊、鸨极筑弧焊、二氧化碳气体保护焊、电阻焊、等离子弧焊接与切割等操作技能,能进行珠光体耐热钢、低温钢和奥氏体不锈钢结构的焊接作业,能够控制焊接接头的的组织、焊接应力及变形。二、教学要求1.理论知识要求1 .1金属热处理1.2 电工根底知识1.3 化学根本知识1.4 冷加工根底知识1.5 环境保护知识1.6 焊工中级工艺理论2 .操作技能要求2.2 焊前准备2.3 焊接2.4 焊后检查三、教学方案安排总课时数:350课时理论知识授课:120课时理论知识复习:18课时操作技能

12、授课:40课时操作技能练习:160课时机动课时:12课时中级电焊工教学大纲1 .课程任务和说明通过培训,使培训对象掌握中级焊工的根底理论知识和操作技能。培训完毕,培训对象应能独立完成中等复杂程度的金属结构的焊接作业。在教学过程中,要求培训对象在熟练掌握根本技能的根底上加强操作技能的专项练习,逐步提高焊接水平。2 .课时分配课时分配表理论知识局部操作技能局部内容总课时授课复习内容总课时授课复习金属热处理862焊前准备341024电工根底知识422焊接14424120化学根本知识862焊后检查22616冷加工根底知识IO82环境保护知识862焊工中级工艺理论100928机动4机动8总计142120

13、18总计20840160总课时数:350课时。3 .理论知识局部教学要求及内容3. 1金属热处理教学要求通过培训,使培训对象掌握铁碳合金组织和钢的热处理根本知识。教学内容(1)金属及热处理知识。D金属晶体结构的一般知识。2)金属的组成、结构及铁碳合金的根本组织。3)铁一碳平衡状态图的构造及应用。4)钢的热处理根本知识。(2)常用金属材料的一般知识D金属材料的性能。2)钢材和有色金属的分类、编号及性能。教学建议教学重点是介绍焊接结构常用采用的高温回火、去应力退火等热处理知识。4. 2电工根底知识教学要求通过培训,使培训对象掌握变压器的根本原理和电压表、电流表的使用方法。教学内容(1)变压器及电压表、电流表。1)变压器的结构及工作原理。2)电流表和电压表的使用方法。(2)直流电路电动势及全电路欧姆定律D直流电路电动势。2)欧姆定律与全电路欧姆定律。教学建议教学重点是讲授变压器的根本知识,为弧焊电源的学习打好根底。5. 3化学根本知识教学要求通过培训,使用培训对象掌握简单的化学反响及反响方程式,为专业理论学习打好根底。教学内容(1)原子结构1)原子的组成。2)原子核算外电子排布。3)元素周期表根本知识。4)分子的形成。(2)化学反响1)化学反响方程式。2)化学反响。教学建议教学重点是

展开阅读全文
相关资源
猜你喜欢
相关搜索

当前位置:首页 > 办公文档 > 工作计划

copyright@ 2008-2023 1wenmi网站版权所有

经营许可证编号:宁ICP备2022001189号-1

本站为文档C2C交易模式,即用户上传的文档直接被用户下载,本站只是中间服务平台,本站所有文档下载所得的收益归上传人(含作者)所有。第壹文秘仅提供信息存储空间,仅对用户上传内容的表现方式做保护处理,对上载内容本身不做任何修改或编辑。若文档所含内容侵犯了您的版权或隐私,请立即通知第壹文秘网,我们立即给予删除!