坡屋面施工方案8240571620.doc

上传人:p** 文档编号:993336 上传时间:2024-06-09 格式:DOC 页数:17 大小:706.31KB
下载 相关 举报
坡屋面施工方案8240571620.doc_第1页
第1页 / 共17页
坡屋面施工方案8240571620.doc_第2页
第2页 / 共17页
坡屋面施工方案8240571620.doc_第3页
第3页 / 共17页
坡屋面施工方案8240571620.doc_第4页
第4页 / 共17页
坡屋面施工方案8240571620.doc_第5页
第5页 / 共17页
坡屋面施工方案8240571620.doc_第6页
第6页 / 共17页
坡屋面施工方案8240571620.doc_第7页
第7页 / 共17页
坡屋面施工方案8240571620.doc_第8页
第8页 / 共17页
坡屋面施工方案8240571620.doc_第9页
第9页 / 共17页
坡屋面施工方案8240571620.doc_第10页
第10页 / 共17页
亲,该文档总共17页,到这儿已超出免费预览范围,如果喜欢就下载吧!
资源描述

《坡屋面施工方案8240571620.doc》由会员分享,可在线阅读,更多相关《坡屋面施工方案8240571620.doc(17页珍藏版)》请在第壹文秘上搜索。

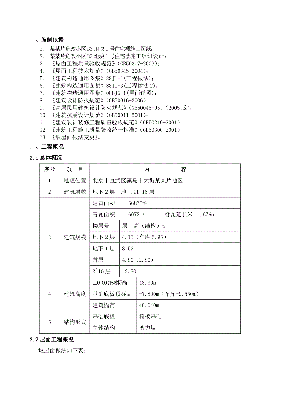
1、目 录一、编制依据2二、工程概况2三、施工准备3四、施工安排5五、坡屋面施工工艺及措施6六、质量要求14七、雨季施工的措施和注意事项15八、成品保护措施15九、安全文明环保施工16一、编制依据1. 某某片危改小区B3地块1号住宅楼施工图纸;2. 某某片危改小区B3地块1号住宅楼施工组织设计;3. 屋面工程质量验收规范(GB50207-2002);4. 屋面工程技术规范(GB50345-2004);5. 建筑构造通用图集88J1-1(工程做法);6. 建筑构造通用图集88J1-3(工程做法2);7. 建筑构造通用图集08BJ5-1(屋面详图);8. 建筑设计防火规范(GB50016-2006);

2、9. 高层民用建筑设计防火规范(GB50045-95)(2005版);10. 建筑抗震设计规范(GB50011-2001);11. 建筑装饰装修工程质量验收规范(GB50210-2001);12. 建筑工程施工质量验收统一标准(GB50300-2001);13. 坡屋面做法变更。二、工程概况2.1总体概况序号项 目内 容1地理位置北京市宣武区骡马市大街某某片地区2建筑层数地下2层,地上11-16层3建筑规模建筑面积56876m2青瓦面积6072m2脊瓦延长米676m楼层号层 高(结构)m地下2层4.15(车库5.95)地下1层3.52首层4.80(2.80)216层 2.804建筑高度0.00

3、绝对标高48.60m基础底板顶标高-7.800m(车库-9.550m)建筑檐高48.040m5结构形式基础底板筏板基础主体结构剪力墙2.2屋面工程概况坡屋面做法如下表:部位编号及类别用料及分层做法附注坡屋面披 檐坡屋4C(改)传统陶瓦用20厚1:1:4水泥石灰砂浆(加水泥重的3%麻刀或耐碱短纤维玻璃丝)卧铺1. 每块瓦都用12号铜丝绑于钢板网上。2. 屋面瓦檐口处通长设置一排钢钉。3. 聚苯板密度1620Kg/m,导热系数0.041W/.k25厚1:3水泥砂浆,内压入1.0厚钢板网,菱孔1540,搭接处用18号镀锌钢丝绑扎,并与预埋10钢筋头绑牢55厚挤塑聚苯板用聚合物砂浆粘贴1.5厚聚合物水

4、泥基复合防水涂料钢筋混凝土屋面板,预埋10钢筋头,露出屋面80mm,中距双向900mm屋面檐沟做法20厚聚合物砂浆保护层聚苯板密度1620Kg/m,导热系数0.041W/.k20厚水泥砂浆结合层55厚挤塑聚苯板用聚合物砂浆粘贴1.5厚聚合物水泥基复合防水涂料最薄20厚陶粒混凝土垫层找2%坡三、施工准备3.1技术准备在施工前应做好以下技术准备:1、屋面工程施工前,进行图纸会审,并编制屋面工程施工方案、技术交底及相关安全交底。2、屋面工程施工时,建立各道工序的自检、交接检和专职人员检查的“三检”制度,并有完整的检查记录。每道工序完成,必须经监理单位检查验收,合格后方可进行下道工序的施工。3、屋面工

5、程的防水层应由经资质审查合格的防水专业队伍进行施工。作业人员应持有北京建设行政主管部门颁发的上岗证。4、对混凝土施工的管理人员及操作人员进行安全、技术交底培训,明确安全施工方法、施工工艺及施工程序。3.2材料、机具准备在开始施工前,要对各种机械设备进行全面检修,并配备足够的易损零配件,保证施工的顺利进行,所用材料进场后,必须按规范的规定抽样复验,并提供试验报告;不合格的材料,不得在屋面工程中使用。主要机具、材料如下:机具配备表:序号机具名称单位数量用途备注1室外双笼电梯台1材料运输2水准仪台1施工放线3切割机台6瓦件切角、修改4手电钻把6瓦件开孔5棕扫帚把10清理基层根据需要添加6磅秤台1配料

6、、称量7电动搅拌器台2搅拌材料8铁桶或塑料桶个10容器根据需要添加9棕毛刷、圆辊刷把20刮涂涂料根据需要添加10棉纱Kg5保洁根据需要添加施工用料表:序号材料名称规格型号颜色备注1普通水泥P.O 32.5基层处理2白灰膏3砂中砂基层处理4JS复合防水涂料防水层5挤塑聚苯板55mm厚容重1620Kg/m保温层6聚合物砂浆粘接保温7钢板网1.0厚菱孔1240mm8陶粒页岩陶粒檐沟找坡层9镀锌钢丝18#绑扎钢板网10铜丝12#绑扎瓦与钢板网11筒盖瓦200110青灰4#屋面盖瓦12筒底瓦240110青灰4#屋面底瓦13筒盖瓦300150青灰2#屋面盖瓦14筒底瓦320200青灰2#屋面底瓦15筒过桥

7、盖瓦400110青灰2#过桥盖瓦16筒过桥底瓦350220青灰2#过桥底瓦17滴水瓦200110青灰4#屋面盖瓦18滴水瓦240110青灰4#屋面底瓦19滴水瓦300150青灰2#屋面盖瓦20滴水瓦320200青灰2#屋面底瓦3.3现场准备1、结构验收合格。2、现场布置完毕,材料合格、备齐。3、轴线、门窗洞口线、墙体位置线、控制线和构造柱位置线测放完毕。4、临时用电、用水:引入到位。5、水电管线、预留、预埋确定完毕。6、当下道工序或相邻工程施工时,对屋面已完成的部分应采取保护措施。7、伸出屋面的管道、设备或预埋件等,安设完毕。8、根据设计要求的标高、坡度,找好规矩并弹线。四、施工安排4.1人员

8、组织4.1.1项目部成立以项目经理为组长的领导小组,负责屋面施工质量、安全和进度。人员分工如下:序号职务负 责 内 容1经理现场总负责、总协调2书记对外关系协调3总工程师人员培训、方案交底、技术总负责4工程经理施工安排、人员组织、现场协调5工长人员、机械组织、现场指挥6土建工程师书面技术交底、检查、验收7质检员质量检查、验收8安全员安全文明施工指挥、交底、检查、验收9材料主任材料供应及其使用状况检查10测量员轴线、标高控制、定位检查11机械员运输、搅拌等大型机械的维护、保养、修理12试验员材料进场检验、复试4.1.2施工队成立由队长为组长的领导班子,明确人员分工,各行其责组长各施工队的队长质检

9、人员:各队不少于1人;技术人员:各队不少于1人;安全员:各队每50人不少于1人。施工人员:各队不少于20人;运输人员:10人;4.2施工进度计划安排A3-A10单元坡屋面工程预计在2010年3月30日开始施工,于5月1日完成,A1、A2、A11-A16单元坡屋面工程预计在2010年9月1日开始施工,于10月1日完成,各阶段的施工进度严格按总进度计划进行。4.3样板先行计划安排屋面工程开始施工前,施工队必须按项目要求的指定位置和指定时间进行样板施工,施工班组在样板部位施工完毕,并自检合格后,报项目技术质检验收,由项目技术室组织项目人员及甲方、监理进行联合验收,经验收合格后,后续施工及质量验评应严

10、格按照不低于样板的质量要求进行。五、坡屋面施工工艺及措施5.1坡屋4C屋面施工:5.1.1工艺流程:预埋10钢筋(结构施工阶段已完成)基层处理防水层保温层找平层传统陶瓦面层5.1.2预埋10钢筋(结构施工阶段已完成):1、浇筑混凝土屋面板时距板端200mm处起预埋10钢筋,预埋钢筋按照中距双向900mm进行预埋,如屋脊处、距檐沟端200mm处不存在10预埋钢筋时必须单独进行预埋,所有预埋钢筋露出屋面板长度均为为80mm;2、预埋10钢筋高度超出保温层的部分,均需做防腐处理。屋面预埋钢筋布置示意图5.1.3基层处理:1、基层应坚实、干燥,具有一定强度;清洁干净,表面无浮土、砂粒等污物;2、施工前

11、,先以铲刀扫帚将基层表面的的突起物、砂浆疙瘩等异物铲除,并将尘土杂物彻底清除干净。对阴阳角、管道根部等部位更应认真清理,如发现有油污、铁锈等,要用钢丝刷、砂纸和有机溶剂等将其清除干净;3、水、通风、电等专业施工完毕,并办完隐检和联检单;4、阴阳角、屋面檐口处基层应根据下层楼板上纵、横控制线引至屋面板上,弹出各屋面檐口、窗井返檐找方控制线,用水泥砂浆找方、抹成圆弧形,其半径不小于50mm;管道、地漏等细部基层也应抹平压光,但注意管道应高出基层至少20mm,而排水口或地漏应低于防水基层;5、预埋钢筋四周用水泥砂浆抹10mm厚八字角。5.1.4防水层:1、材料:坡屋面防水层为水泥基防水涂料层(JS复

12、合防水涂料层),防水层施工环境气温宜为5350C,严禁在雨天和雪天及五级风及其以上时施工。2、配料:打底层涂料的重量比为:液料:粉料:水=10:20:14,底涂完工干燥后再涂刮防水层,中途施工配料重量比为:液料:粉料:水:10:20:02;配料应严格按照配比现场配置,严禁任意改变配合比,如采用人工搅拌应注意材料充分搅匀,搅拌时间一般在3-5分钟,充分搅拌至不含团粒; 3、涂覆:用滚筒及刮板涂覆,按照打底层、下层、面层的次序逐层完成,刮涂施工时,将涂料直接分散倒在屋面基层上,用刮板来回刮涂,使其厚薄均匀,不漏底、无气泡、表面平整,然后待其干燥。每层涂刷的材料用量在0.8kg/左右,各层之间的时间

13、间隔以前一层涂膜干涸不粘手为准,确保厚度在1.5mm左右。涂覆时应注意以下事项:a、屋面檐口及天井四边涂膜防水层应翻包至檐口侧面;b、若液料有沉淀应随时搅拌均匀;c、涂层间的接槎,在每遍涂刷时应退槎50-100mm,接槎时应超过50-100mm,避免在大街处发生渗漏,涂覆应尽量均匀,不能有局部沉积,不能过厚或过薄,涂料与基层之间不留有汽泡,粘结严实,每层涂覆必须按照规定用量取料,最薄处不低于1.3mm;d、流平性差的涂料,为便于抹压,可采用分条间隔施工的方法,间隔大小为0.8-1m,如下图,待阴影处涂层干燥后,再抹空白处;e、涂层硬化后,马上进行保温养护,保证涂层潮湿,以防粉化。第一次养护需小心,以免破坏涂层,共养护23天。养护方式:水或盖湿物。f、防水施工完毕后应进行淋水试验并进行表观质量的检查,合格后再进行保温层施工。4、水落口做法:水落口周围直径500mm范围内,坡度不应小于5%,并应用该涂料或密封膏密封,其厚度不应小于2mm,水落口杯与基层接触处应留宽20mm、深20mm凹槽,并嵌填密封膏,防水涂膜延伸至水落口内70mm。a、横式水落口: b、直式水落口:5.1.5出屋面烟风道及披檐结构墙处泛水做法:突出屋面烟风道处,沿阴角线位置铺贴300mm宽无纺

展开阅读全文
相关资源
猜你喜欢
相关搜索

当前位置:首页 > 建筑/环境 > 设计及方案

copyright@ 2008-2023 1wenmi网站版权所有

经营许可证编号:宁ICP备2022001189号-1

本站为文档C2C交易模式,即用户上传的文档直接被用户下载,本站只是中间服务平台,本站所有文档下载所得的收益归上传人(含作者)所有。第壹文秘仅提供信息存储空间,仅对用户上传内容的表现方式做保护处理,对上载内容本身不做任何修改或编辑。若文档所含内容侵犯了您的版权或隐私,请立即通知第壹文秘网,我们立即给予删除!