砖石核查要录.docx

上传人:p** 文档编号:994117 上传时间:2024-06-09 格式:DOCX 页数:3 大小:14.03KB
下载 相关 举报
砖石核查要录.docx_第1页
第1页 / 共3页
砖石核查要录.docx_第2页
第2页 / 共3页
砖石核查要录.docx_第3页
第3页 / 共3页
亲,该文档总共3页,全部预览完了,如果喜欢就下载吧!
资源描述

《砖石核查要录.docx》由会员分享,可在线阅读,更多相关《砖石核查要录.docx(3页珍藏版)》请在第壹文秘上搜索。

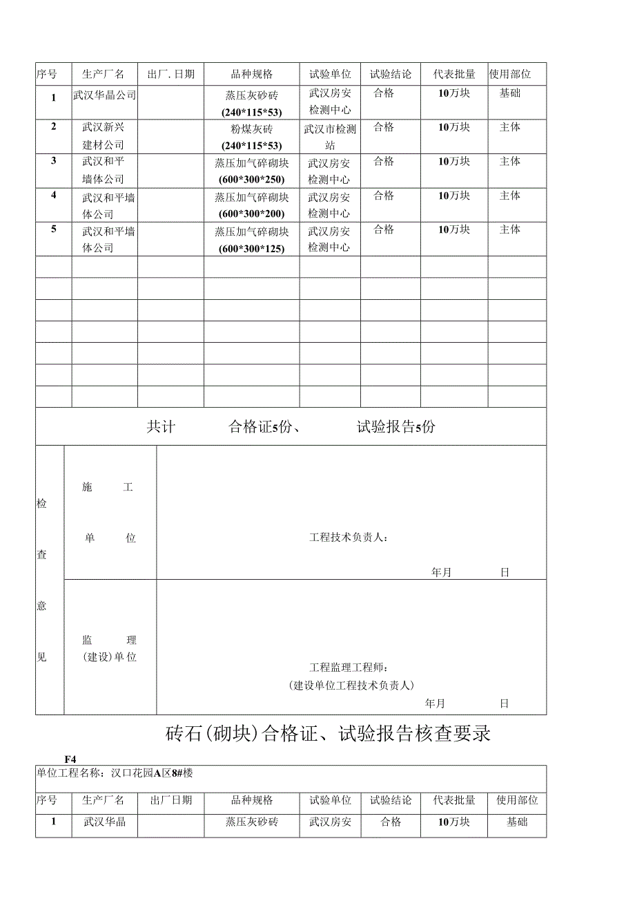
1、砖石(砌块)合格证、试验报告核查要录F4单位工程名称:湖北省水稻工程技术实验楼序号生产厂名出厂日期品种规格试验单位试验结论代表批量使用部位I於:Wzk珊囿公司2005.10.08灰砂砖(240*115*53)武汉洪山区检测站合格10万块基础共计合格证1份、试验报告1份检查意见施工单位工程技术负责人:年月日监理(建设)单位工程监理工程师:(建设单位工程技术负责人)年月日砖石(砌块)合格证、试验报告核查要录F4单位工程名称:汉口花园A区7#楼序号生产厂名出厂.日期品种规格试验单位试验结论代表批量使用部位1武汉华晶公司蒸压灰砂砖(240*115*53)武汉房安检测中心合格10万块基础2武汉新兴建材公

2、司粉煤灰砖(240*115*53)武汉市检测站合格10万块主体3武汉和平墙体公司蒸压加气碎砌块(600*300*250)武汉房安检测中心合格10万块主体4武汉和平墙体公司蒸压加气碎砌块(600*300*200)武汉房安检测中心合格10万块主体5武汉和平墙体公司蒸压加气碎砌块(600*300*125)武汉房安检测中心合格10万块主体共计合格证5份、试验报告5份检查意见施工单位工程技术负责人:年月日监理(建设)单位工程监理工程师:(建设单位工程技术负责人)年月日砖石(砌块)合格证、试验报告核查要录F4单位工程名称:汉口花园A区8#楼序号生产厂名出厂日期品种规格试验单位试验结论代表批量使用部位1武汉华晶蒸压灰砂砖武汉房安合格10万块基础公司(240*115*53)检测中心2武汉新兴建材公司粉煤灰砖(240*115*53)武汉市检测站合格10万块主体3武汉和平墙体公司蒸压加气碎砌块(600*300*250)武汉房安检测中心合格10万块主体4武汉和平墙体公司蒸压加气碎砌块(600*300*200)武汉房安检测中心合格10万块主体5武汉和平墙体公司蒸压加气碎砌块(600*300*125)武汉房安检测中心合格10万块主体共计合格证5份、试验报告5份检查意见施工单位工程技术负责人:年月日监理(建设)单位工程监理工程师:(建设单位工程技术负责人)年月日

展开阅读全文
相关资源
猜你喜欢
相关搜索

当前位置:首页 > 建筑/环境 > 建筑资料

copyright@ 2008-2023 1wenmi网站版权所有

经营许可证编号:宁ICP备2022001189号-1

本站为文档C2C交易模式,即用户上传的文档直接被用户下载,本站只是中间服务平台,本站所有文档下载所得的收益归上传人(含作者)所有。第壹文秘仅提供信息存储空间,仅对用户上传内容的表现方式做保护处理,对上载内容本身不做任何修改或编辑。若文档所含内容侵犯了您的版权或隐私,请立即通知第壹文秘网,我们立即给予删除!