多层框架结构办公楼模板施工方案(附示意图).doc

上传人:p** 文档编号:994678 上传时间:2024-06-09 格式:DOC 页数:60 大小:1.83MB
下载 相关 举报
多层框架结构办公楼模板施工方案(附示意图).doc_第1页
第1页 / 共60页
多层框架结构办公楼模板施工方案(附示意图).doc_第2页
第2页 / 共60页
多层框架结构办公楼模板施工方案(附示意图).doc_第3页
第3页 / 共60页
多层框架结构办公楼模板施工方案(附示意图).doc_第4页
第4页 / 共60页
多层框架结构办公楼模板施工方案(附示意图).doc_第5页
第5页 / 共60页
多层框架结构办公楼模板施工方案(附示意图).doc_第6页
第6页 / 共60页
多层框架结构办公楼模板施工方案(附示意图).doc_第7页
第7页 / 共60页
多层框架结构办公楼模板施工方案(附示意图).doc_第8页
第8页 / 共60页
多层框架结构办公楼模板施工方案(附示意图).doc_第9页
第9页 / 共60页
多层框架结构办公楼模板施工方案(附示意图).doc_第10页
第10页 / 共60页
亲,该文档总共60页,到这儿已超出免费预览范围,如果喜欢就下载吧!
资源描述

《多层框架结构办公楼模板施工方案(附示意图).doc》由会员分享,可在线阅读,更多相关《多层框架结构办公楼模板施工方案(附示意图).doc(60页珍藏版)》请在第壹文秘上搜索。

1、一、编制依据1.施工图纸及施工组织设计1.1由机械工业第六设计研究院设计的办公楼施工图纸。1.2已审批的中煤装备制造工业基地办公楼施工组织设计。2.有关规范、规程序号规范、规程名称规范、规程编号1建筑工程施工质量验收统一标准GB50300-20012混凝土结构工程施工质量验收规范GB50204-20023钢结构设计规范GB50017-20034木结构设计规范 GB50005-20035建筑施工模板安全技术规范JGJ162-20086建筑机械使用安全技术规程JGJ33-20017房屋建筑工程技术资料管理规程DB15/427-2005二、模板工程概况本工程为框架结构,模板设计概况如下:序号子项名称

2、办公楼1建筑面积17431.952结构型式框架结构3层数地下一层/地上五层4层高-1层为5.000m、1层为4.000m、2层为4.000m、3层为4.000m、4层为5.050m、5层为4.000 m5建筑物总高度23.8m6框架柱截面尺寸(mm)600*800、600*600、600*700、400*400、400*600、800*800、350*800、500*500、800*1000、500*600、900*400、700*700、450*700、450*600、800*600、600*4007梁截面尺寸(mm)200*400、200*600、300*700、250*400、300*4

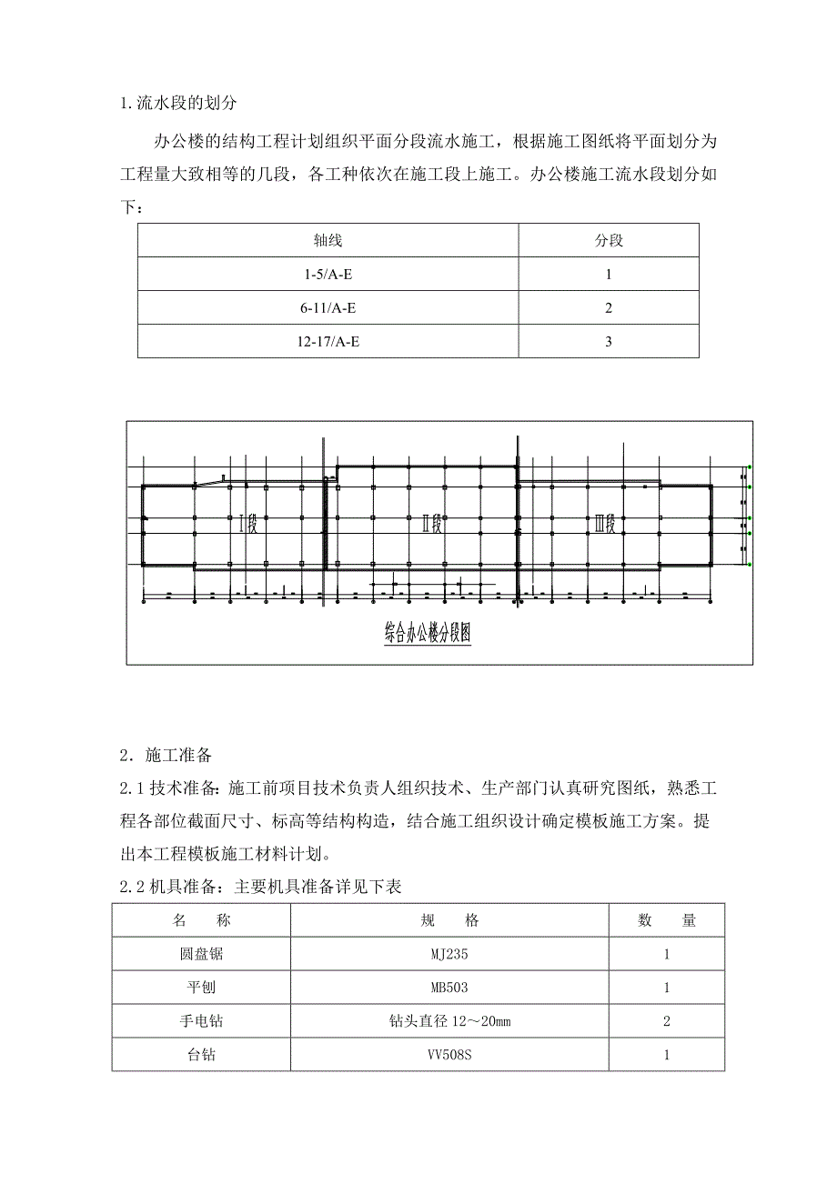
3、00、200*500、250*600、300*600、300*650、300*800、200*550、250*700、300*750、350*800、400*800、400*900、350*650、450*1000、400*12008楼板厚度(mm)120、250(消防水池)三、施工部署1.流水段的划分办公楼的结构工程计划组织平面分段流水施工,根据施工图纸将平面划分为工程量大致相等的几段,各工种依次在施工段上施工。办公楼施工流水段划分如下:轴线分段1-5/A-E16-11/A-E212-17/A-E32施工准备2.1技术准备:施工前项目技术负责人组织技术、生产部门认真研究图纸,熟悉工程各部位截

4、面尺寸、标高等结构构造,结合施工组织设计确定模板施工方案。提出本工程模板施工材料计划。2.2机具准备:主要机具准备详见下表 名 称规 格数 量圆盘锯MJ2351平刨MB5031手电钻钻头直径1220mm2台钻VV508S1手提电锯M-6515手提电刨5压刨MB10651空气压缩机1m31砂轮切割机配套2单头扳手开口宽(mm):1719、222440活动扳手最大开口宽度65mm40手锤重量0.25、0.5kg40钢丝钳长150、175mm各202.3材料准备:框架柱采用15厚竹胶板模板体系,顶板、梁选用12厚多层板模板体系,顶板支撑体系采用碗扣式钢管脚手架,框架柱模板龙骨选用100*100、50

5、*100木方,根据所需材料提前考察选用相关材料厂家。2.4现场准备: 本工程施工场地较为开阔,根据施工总体部署,在办公楼的北侧设一处木工车间进行模板制作施工。2.5人员准备根据流水段划分及工期安排,需要80名木工进行模板工程的制作、安装及拆除。2.6模板工程质量管理人员组成序号姓名岗位职责1栋号长负责生产管理的全面工作2技术负责人负责专项技术质量管理的全面工作3土建质检员对施工质量进行专职检查,协调监理的验收工作4安全员对模板支撑体系进行专职检查,协调安全监理的验收工作5资料员材料计划、资料编写等工作四、模板设计本工程入口大厅处模板支撑体系超过8米以上,属于危险性较大的分项工程,模板支设时应组

6、织专家组论证,详见大厅超高模板专项施工方案。本工程屋顶造型墙向外侧悬挑1.6米,该部位模板施工及安全防护为本工程的难点,详见屋顶造型墙悬挑结构模板专项施工方案。1.垫层模板垫层厚度为100mm厚,垫层模板采用100100方木,沿垫层边线设置方木,方木支撑在基坑壁上。2.基础模板基础防水板周圈采用“120”厚砖模。砖模做法示意图3.地下室挡土墙模板地下室墙体模板采用1212202440mm厚覆膜多层板做面板,50100、100100mm方木做竖楞,483.5mm架子管做背楞,14500600(纵向横向)对拉螺栓(加止水片)和钢管斜支撑加固。直段墙模板内竖楞50100mm方木中距不大于250mm,板缝及边框采用100100mm方木,外楞采用双层2483.5mm架子管间距600mm布置(先横向后竖向),采用14mm对拉止水螺栓间距600mm布置。对拉螺栓与大3形扣件配套使用,在其上中下各加一排483.5mm钢管斜撑,间距600mm,上下排交错布置,斜撑将力传至预埋在底板22-25钢筋上。4.框架柱模板

展开阅读全文
相关资源
猜你喜欢
相关搜索

当前位置:首页 > 建筑/环境 > 设计及方案

copyright@ 2008-2023 1wenmi网站版权所有

经营许可证编号:宁ICP备2022001189号-1

本站为文档C2C交易模式,即用户上传的文档直接被用户下载,本站只是中间服务平台,本站所有文档下载所得的收益归上传人(含作者)所有。第壹文秘仅提供信息存储空间,仅对用户上传内容的表现方式做保护处理,对上载内容本身不做任何修改或编辑。若文档所含内容侵犯了您的版权或隐私,请立即通知第壹文秘网,我们立即给予删除!