鄂州市建筑结构优质工程评价评分表(主体结构-混凝土).docx

上传人:p** 文档编号:994857 上传时间:2024-06-09 格式:DOCX 页数:2 大小:11.80KB
下载 相关 举报
鄂州市建筑结构优质工程评价评分表(主体结构-混凝土).docx_第1页
第1页 / 共2页
鄂州市建筑结构优质工程评价评分表(主体结构-混凝土).docx_第2页
第2页 / 共2页
亲,该文档总共2页,全部预览完了,如果喜欢就下载吧!
资源描述

《鄂州市建筑结构优质工程评价评分表(主体结构-混凝土).docx》由会员分享,可在线阅读,更多相关《鄂州市建筑结构优质工程评价评分表(主体结构-混凝土).docx(2页珍藏版)》请在第壹文秘上搜索。

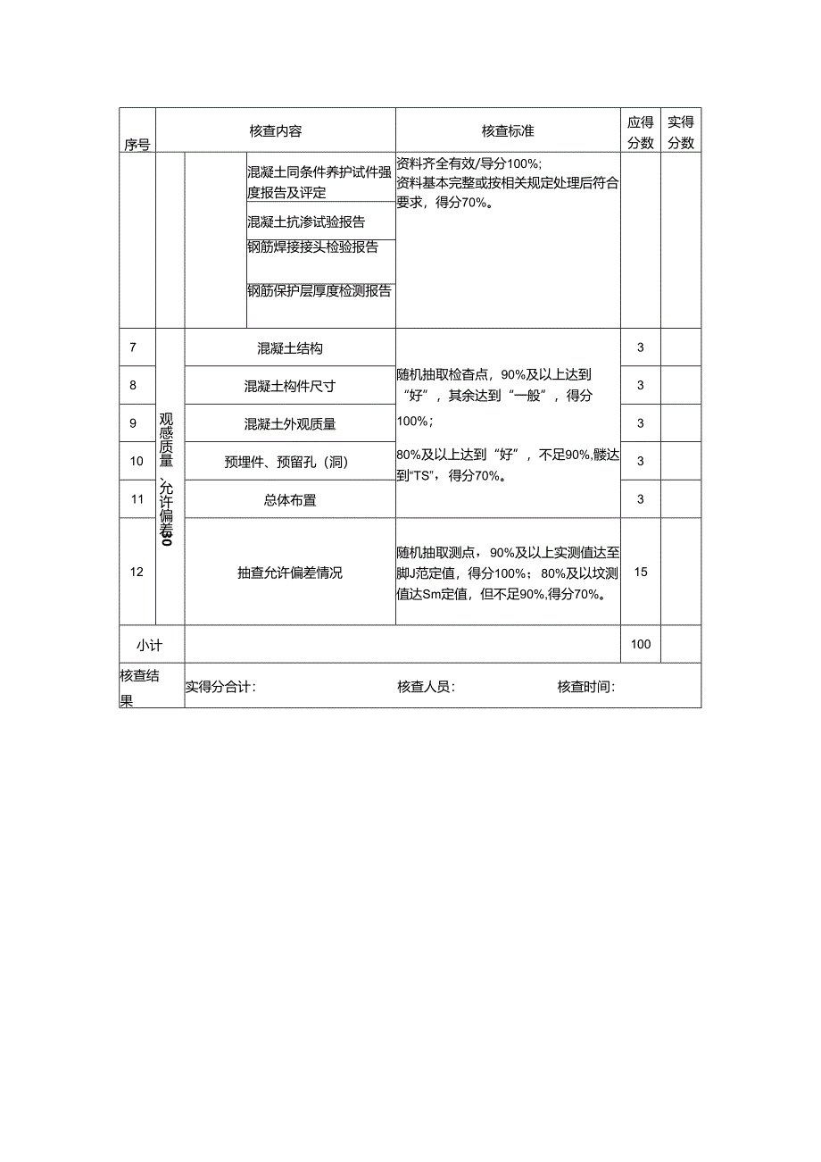
1、鄂州市建筑结构优质工程评价评分表(主体结构-混凝土)序核查内容核查标准应得分数实得分数I性能检测40结构实体混凝土强度结构实体同条件养护试件符合规范姬,得分100%;当未取得同条件养护试件强度或同条件涉试件强度不符合要求0寸,可采用回5期R芯法进行检验,喻拾规范规定,得分70%。202结构实体钢筋保护层厚度T欠检哈邮SI90%及以h时,彳粉100%;一次检测合格率小于90%但不小于80%时,可再抽取相同数量的构件进行检验,当螭次抽样总和算合格率达到90%及以上时,得分70%o103结构实体位置与尺寸偏差结构实体位置与尺寸偏差检验项目的创繇为80%及以上,得分00%;当棚项目的合格率小于80%,

2、但不小于70%时,可抽取相熊遢的构件进行健;当按两次抽样总和计算的合格率为80%及以上时,得分70%104质量记录30材料合格证进场验收记录及复试报告钢筋出厂合格证、复检报告验收记录应真实、有效,应满足设计要求;资料齐全有效,得分100%;资料基本完整或经复检合格,得分70%6水泥出厂合格证、复检报告防水材料合格证及复试报告预构件合格证、出厂检验报告及进场验收记录5施工记录隐蔽工程检查验收记录施工记录应真实、有效,记兼据内符合设及领范规定;资料齐全有效,得分100%;资料基本完整或按相关规范规定处理后符合要求,得分70%。10混凝土施工记录构筑物满水试验记录混凝土开盘鉴定记录6施工试验混凝土试

3、件强度试验报告及强度评定报告献报告数据、结论应符合设计及规14序号核查内容核查标准应得分数实得分数混凝土同条件养护试件强度报告及评定资料齐全有效/导分100%;资料基本完整或按相关规定处理后符合要求,得分70%。混凝土抗渗试验报告钢筋焊接接头检验报告钢筋保护层厚度检测报告7观感质量、允许偏差30混凝土结构随机抽取检杳点,90%及以上达到“好”,其余达到“一般”,得分100%;80%及以上达到“好”,不足90%,髅达到“TS”,得分70%。38混凝土构件尺寸39混凝土外观质量310预埋件、预留孔(洞)311总体布置312抽查允许偏差情况随机抽取测点,90%及以上实测值达至脚J范定值,得分100%;80%及以坟测值达Sm定值,但不足90%,得分70%。15小计100核查结果实得分合计:核查人员:核查时间:

展开阅读全文
相关资源
猜你喜欢
相关搜索

当前位置:首页 > 建筑/环境 > 施工组织

copyright@ 2008-2023 1wenmi网站版权所有

经营许可证编号:宁ICP备2022001189号-1

本站为文档C2C交易模式,即用户上传的文档直接被用户下载,本站只是中间服务平台,本站所有文档下载所得的收益归上传人(含作者)所有。第壹文秘仅提供信息存储空间,仅对用户上传内容的表现方式做保护处理,对上载内容本身不做任何修改或编辑。若文档所含内容侵犯了您的版权或隐私,请立即通知第壹文秘网,我们立即给予删除!