大面积真空预压施工工艺总结.doc

上传人:p** 文档编号:995406 上传时间:2024-06-09 格式:DOC 页数:22 大小:1.13MB
下载 相关 举报
大面积真空预压施工工艺总结.doc_第1页
第1页 / 共22页
大面积真空预压施工工艺总结.doc_第2页
第2页 / 共22页
大面积真空预压施工工艺总结.doc_第3页
第3页 / 共22页
大面积真空预压施工工艺总结.doc_第4页
第4页 / 共22页
大面积真空预压施工工艺总结.doc_第5页
第5页 / 共22页
大面积真空预压施工工艺总结.doc_第6页
第6页 / 共22页
大面积真空预压施工工艺总结.doc_第7页
第7页 / 共22页
大面积真空预压施工工艺总结.doc_第8页
第8页 / 共22页
大面积真空预压施工工艺总结.doc_第9页
第9页 / 共22页
大面积真空预压施工工艺总结.doc_第10页
第10页 / 共22页
亲,该文档总共22页,到这儿已超出免费预览范围,如果喜欢就下载吧!
资源描述

《大面积真空预压施工工艺总结.doc》由会员分享,可在线阅读,更多相关《大面积真空预压施工工艺总结.doc(22页珍藏版)》请在第壹文秘上搜索。

1、大面积真空预压施工工艺总结 1.工程概况1.1工程简述图1-1 真空预压加固区单元示意图 新建京沪高速铁路虹桥动车所位于上海市嘉定区境内,设计总规模为检查库线12条,存车线79条,设动车所进出段线4条,预留2条,总占地面积56万平米。东侧红线与嘉定区封浜河交叉,西侧红线毗邻既有沪杭铁路。该工程场地条件和地质条件复杂,各种水塘、房舍、道路、码头密布其间,湖澡洼塘众多,大小水塘14处,水塘占地面积达13万平米。场区属滨海平原地区,区内地层为粉质黏土、粉土,广泛分布淤泥质土,软土强度低、含水量高、压缩性高,地下水为孔隙潜水。为确保合理的工后沉降量,根据地质条件结合铁路站场软土地基大面积加固的需要,经

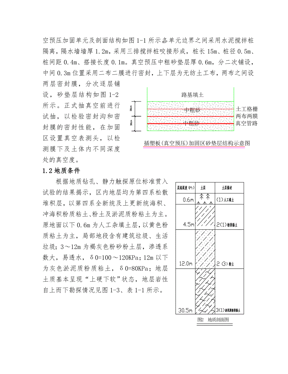
2、技术经济比较分析,采用大面积真空预压配合塑料排水板地基加固处理。设计将整过动车所车场划分为13个真空预压加固区,每个单元格加固区面积在1500020000平米,合计真空预压面积为23万平米,真空预压加固单元及剖面结构如图1-1所示。各单元边界之间采用水泥搅拌桩隔离,隔水墙墙厚1.2m,采用三排搅拌桩咬接形成,桩长15m、桩径0.5m、桩间距0.4m、搭接长度0.1m。真空预压中粗砂垫层厚0.6m,分二次铺设,中间0.3m位置采用二布二膜进行密封,上下层为无纺土工布,两布之间设两层密封膜,分次逐层铺设,砂垫层结构如图1-2所示。正式抽真空前进行试抽,以检验密封沟和密封膜的密封性能,在加固区设置真

3、空表测头,以检测膜下及土体内不同深度处的真空度。1.2地质条件 根据地质钻孔、静力触探原位标准贯入试验的结果揭示,区内地层均为第四系松散堆积层,以第四系全新统及上更新统海积、冲海积粉质粘土、粉土及淤泥质粉粘土为主。原地面以下0.6m为人工杂填土层,以黄色粉质粘土为主,局部地段含有建筑垃圾、生活垃圾;312m为褐灰色粉砂粉土层,渗透系数大,易透水,0=100120KPa;12m以下为灰色淤泥质粉质粘土,0=80KPa;地层土质基本呈现“上硬下软”状态,地层岩性自上而下勘探情况见图1-3、表1-1所示。 表1-1 地质勘探分析统计表层号土的分类层厚(m)岩性描述状态密度(1)人工填土0.51.2黄

4、色、稍湿,局部含有建筑和生活垃圾;松散(2)1、2粉质粘土1.27.3褐黄、褐灰色,含云母、粉砂等;软塑,0=120kp(2) 3粉土410灰色,饱和, 含云母,夹薄层粘土,土质不均匀;稍密,0=100kp(3)1淤泥质粉质粘土16.118.8灰色,含有机质、云母,夹薄层粉砂,流塑,0=80kp(4)淤泥质粘土9.612.1深灰色,含有机质、云母,局部夹粉砂、粉土团块,土质均匀,光滑。流塑,0=80kp2.工艺特点及工作原理 真空预压法包括排水系统、抽真空系统和密封系统三方面的施工工艺。在需要加固的软弱地基表面铺好砂垫层,打设塑料排水板、埋设滤水管,再在砂垫层上铺设不透气的塑料薄膜,利用钢丝橡

5、胶软管将滤水管与真空泵连接,利用真空泵将密封膜下的空气抽出。连续抽真空造成膜内外压力差,土体中孔隙水产生渗流,在真空的吸力作用下,通过塑料排水板、砂垫层、滤水管将土体中的孔隙水排出膜外,从而使土体固结密实。3.施工机械设备的选择及材料要求3.1施工机械设备(1)抽真空设备射流真空泵ZKYQ45-35-7.5型(A型、B型二种)、真空表WKT-006、ZYB离心式水泵、真空管路、止回阀、截止阀、自动控制仪表和记录仪等。真空表量程为100kPa,精度不低于2.5级。(2)辅助设备与机具机动小翻斗车、手推车和铁锹等。3.2材料要求 (1)砂垫层砂料采用中粗砂,含泥量(粒径小于0.075mm的细颗粒)

6、小于5,渗透系数不低于210-2cm/s,保证水平排水效果。(2) 无纺土工布、密封膜的厚度、透气性能、拉伸强度、种类、规格及性能应符合设计要求。密封膜采用聚氯乙烯薄膜,其性能指标见表3-1: 表3-1 密封膜技术指标抗拉强度(MPa)伸长率(%)直角断强度(KN)厚度(mm)微孔(个)纵向横向断裂低温18.516.522020454.00.120.0210(3) 真空滤水管选用加筋PVC塑料管,主管为75mm,支管为50mm, 要求PVC管材的强度能承受400kPa的压力。4. 质量标准及检验方法真空预压施工质量标准及检验方法见表4-1。表4-1 质量标准及检验方法检验项目质量要求检验数量检

7、验方法密封沟截面尺寸符合设计要求,并满足密封膜铺设要求。全部检验正式抽真空前,先进行试抽,检查密封沟和密封膜的密封性。真空预压卸载时间根据观测资料和工后沉降推算结果,确定卸载时间全部检验测试密封膜排水滤管密封膜黏结牢固,热合加工的搭接长度不得小于15mm,铺设时密封膜适当放松,表面不得损坏。同一厂家、品种、批号的材料,密封膜每1万平米为一批,排水滤管每1万米为一批。查验每批产品合格证、性能报告单,抽样检验密封膜的厚度、透气性能、拉伸强度和排水滤管的管径、壁厚、透水、渗滤、纵向排水性能及抗拉、抗压强度等。排水滤管安装布设位置、形式、数量和管上滤水孔、滤水材料包裹形式及滤水管之间连接符合设计图纸要

8、求。全部检验观察、尺量密封膜铺设符合设计要求全部检验观察、尺量、现场清点密封膜下真空度按设计要求时间间隔全部检查按设计要求进行检测和记录观察、尺量 注:根据客运专线铁路路基工程施工质量验收暂行标准铁建设2005 160号第4.7.34.7.10条确定。5.施工工艺及质量控制流程 真空预压加固软基施工主要包括竖向排水体(塑料排水板)打设、横向排水体(砂垫层)铺筑、真空管网埋设、土工布和密封膜铺设、密封沟开挖及回填、真空泵安装、抽真空等工序,施工工艺流程见图5-1。测量放线定位平整场地至设计地坪高施工防渗墙搅拌桩(15m)填铺底层砂垫层(20cm)打设塑料排水板(20m)铺设中层砂垫层(30cm)

9、埋真空管网、原位监测仪器安装真空设备、联结主管和真空设备开挖密封沟、铺设密封膜、密封沟回填压膜试抽真空,膜下真空度至80kPa,并检查漏气抽气稳定膜下真空度80kPa稳定抽真空710d后上铺设上层砂垫层(30cm)检查上砂后有否漏气在监测人员指导下分层碾压加上堆载至设计高程继续抽气至沉降稳定补填土至设计高程工后沉降符合要求否是结束图5-1 真空预压施工工艺及质量控制流程图6.施工工艺方法6.1 施工准备工作 (1)、真空预压设备进场后,及时进行检查验收,进行现场工艺试验并会同监理进行验收审批。(2)、查验进场材料每批产品出厂合格证、性能报告单,抽样检验无纺土工布、密封膜的厚度、透气性能、拉伸强

10、度和排水滤管的管径、壁厚、透水、渗滤、纵向排水性能及抗拉、抗压强度和环形刚度。(3)、施工前按施工图要求设置观测断面,每一断面上的观测点布置数量、观测频次和观测精度符合要求。观测基桩置于不受影响的稳定地基内,定期复核校正。(4) 、连接各系统进行抽真空试验,检查射流泵运转情况。6.2 加固区场地平整 施工前,先进行场区场地平整,挖除表层种植土、树根、生活垃圾、建筑垃圾等杂物,再回填7%石灰土至设计标高。本工程场区内共有14口水塘,占整过加固场面积的1/3,按设计要求进行抽水清淤,在清淤干净后,对塘底开挖台阶,再分层回填7%石灰土至设计标高,要求压实度不低于0.86,以保证桩机操作的需要。6.3

11、 密封墙搅拌桩及塑料排水板施工场区平整完成后,进行真空预压隔水墙水泥搅拌桩施工,铺设砂垫层,并打插塑料排水板。图6-1 真空预压密封墙施工由于本工程场区地基内原地面以下79m处存在较厚的粉土粉砂层,该土层渗透系数经检测在10-310-4cm/s,极易在真空预压周边形成透水、透气层。故在真空预压加固区四周采用水泥搅拌桩密封墙进行封闭,桩底深入淤泥层,使渗透系数由粉土层10-310-4cm/s降低为10-710-8cm/s,满足该地质情况下抽真空密封性能的要求。图6-2 真空预压区插塑板施工塑料排水板采用B型板,打设深度20m,间距1.2m,正三角形(梅花形)布置。打设垂直度偏差控制在1.5%内,

12、每根回带长度不超过50cm,否则应重新沉管插板,塑排板顶部埋入砂垫层长度不小于0.3m。 6.4 铺设水平排水垫层(1)按照施工图要求的平面尺寸和厚度铺设水平垫层。(2)当地基表层具有一定厚度的硬壳层,能承受施工机械运行时,采用机械分堆摊铺法铺砂,汽车运进的砂料先卸成若干砂堆,然后采用推土机摊平。 (3)当硬壳层承载力不足时,采用顺序推进摊铺法,既汽车倒进卸料,推土机向前推赶推平。图6-3 真空预压砂垫层施工(4)地基软弱不能承受机械碾压时,可用轻型传送带由外向里(或由一边向另一边)铺设。(5)排水砂垫层施工过程中,避免对软土表层的过大扰动和隆起,以免造成砂垫层与软土混合,影响垫层的排水效果。

13、6.5 埋设真空管网 水平排水垫层施工完成后,开始排水滤管的布置。开挖管槽,布放和连接真空管路,保证真空管路的畅通和各类接头的牢固。6.5.1 管网的埋设 图6-4 主管与滤管的连接 真空管选用加筋PVC塑料管,主管为75mm,支管为50mm,要求PVC管材的强度能承受400kPa的压力。主管间距25m左右,滤水管排距6m左右,最外层滤水管距场地边的距离为25m。主管和支滤管间用变径三通和四通连接。 图6-6 管网埋设 图6-5 滤管接长 支滤管管壁按正三角形开滤水孔,孔径8mm,孔距50mm,打孔后外包250g/m2的无纺土工布滤膜,滤水管外绕3mm铅丝(圈距5cm),再套上用土工布缝合的反

14、滤布套,并捆扎结实,达到只透水不透砂。主管和滤管接长采用二通,二通用螺纹钢丝橡胶软管制成,长度3040cm,内径稍大于主管和滤管的外径,滤管套入连接长度约10cm-15cm,同时在联接处用10号铁丝扎牢(滤管需连同反滤布套一起扎牢),以防抽真空时地基不均匀沉降将滤管搭接处拉断,联接时两管中间预留5cm左右的间隙,预留的间隙与软胶管一起使整个管路系统能较好地适应地面的不均匀变形。 整个管网联接好后,即可挖砂沟埋设整个管道于砂垫层中,管道要求挖深20cm左右(宽1520cm),一般位于排水砂垫层的中部,顶部覆砂厚度不小于10cm。管网平面布置采用条形排列,保证真空负压快速而均匀地传至场地各个部位。真空度测管(6mmPVC透明软管)在砂沟中需做蛇形布置以适应地基的不均匀变形,滤管周围用砂填实,并用磁盘埋好。6.5.2出膜口的处理出膜口处理的好坏将直接影响到整个密封系统的密封性。分层沉降管从密封膜穿出时,在沉降管外套一段PVC管(82.9mm),PVC外管必须光滑,长约1.5m,深入地层约0.5m,PVC管与已铺设的薄膜平顺粘接,粘接剂采用塑料膜厂家生产的专用UPVC胶合剂,PVC管周边密封膜预留810cm,以防差异沉降破坏密封膜。为防止漏气,在沉降管与PVC管之间设密封胶圈并用粘土回填。主管从密封膜穿出时,在PVC主管口用螺

展开阅读全文
相关资源
猜你喜欢
相关搜索

当前位置:首页 > 汽车/机械/制造 > 制造加工工艺

copyright@ 2008-2023 1wenmi网站版权所有

经营许可证编号:宁ICP备2022001189号-1

本站为文档C2C交易模式,即用户上传的文档直接被用户下载,本站只是中间服务平台,本站所有文档下载所得的收益归上传人(含作者)所有。第壹文秘仅提供信息存储空间,仅对用户上传内容的表现方式做保护处理,对上载内容本身不做任何修改或编辑。若文档所含内容侵犯了您的版权或隐私,请立即通知第壹文秘网,我们立即给予删除!