学生公寓屋顶钢结构施工方案.doc

上传人:p** 文档编号:995630 上传时间:2024-06-11 格式:DOC 页数:12 大小:151.82KB
下载 相关 举报
学生公寓屋顶钢结构施工方案.doc_第1页
第1页 / 共12页
学生公寓屋顶钢结构施工方案.doc_第2页
第2页 / 共12页
学生公寓屋顶钢结构施工方案.doc_第3页
第3页 / 共12页
学生公寓屋顶钢结构施工方案.doc_第4页
第4页 / 共12页
学生公寓屋顶钢结构施工方案.doc_第5页
第5页 / 共12页
学生公寓屋顶钢结构施工方案.doc_第6页
第6页 / 共12页
学生公寓屋顶钢结构施工方案.doc_第7页
第7页 / 共12页
学生公寓屋顶钢结构施工方案.doc_第8页
第8页 / 共12页
学生公寓屋顶钢结构施工方案.doc_第9页
第9页 / 共12页
学生公寓屋顶钢结构施工方案.doc_第10页
第10页 / 共12页
亲,该文档总共12页,到这儿已超出免费预览范围,如果喜欢就下载吧!
资源描述

《学生公寓屋顶钢结构施工方案.doc》由会员分享,可在线阅读,更多相关《学生公寓屋顶钢结构施工方案.doc(12页珍藏版)》请在第壹文秘上搜索。

1、施 工 方 案 目 录1、 编制依据 第2 页2、 工程概况 第2 页3、 施工准备 第2 页4、 管理措施 第3 页5、 施工工艺 第5 页6、 工期 第7页7、 保证工程质量的主要技术措施 . 第8页1、编制依据:1某某东路大学生公寓A楼屋顶钢架施工图图纸编号: 2钢结构施工及验收规范规范编号:GB50205-20013建筑钢结构焊接规程规范编号:JGJ81-914焊工手册(手工焊接与切割)机械工业出版社 19995质量保证手册:中建一局三公司质量体系程序文件1999年版6质量保证手册:中建一局三公司安装结构分公司质量保证分手册2000年版 2、工程概况: 某某东路大学生公寓屋顶钢架工程由

2、北京市建筑设计研究院设计完成。本工程为A1、A2、A3楼屋顶用钢架结构做出建筑造型,实现外观效果。钢结构在屋面砼梁上预埋钢板埋件,钢柱为27310钢管与埋件焊接;在出顶间砼墙上设预埋件,钢梁为H300200812热扎H型钢与墙上预埋件焊接与钢柱通过螺栓连接组成钢结构框架。结构标高由47.6米至53.87米,面积约348平米,重约 43.5 吨。 3、施工准备:3.1 劳动力投入计划 计划投入20名劳动力,其中包括4名焊工。 3.2 主要材料投入计划序号材料名称规 格单位数量备 注1钢管27310吨24.972H型钢H300200812吨17.33钢板10mm吨3.394其他材料吨0.55合计4

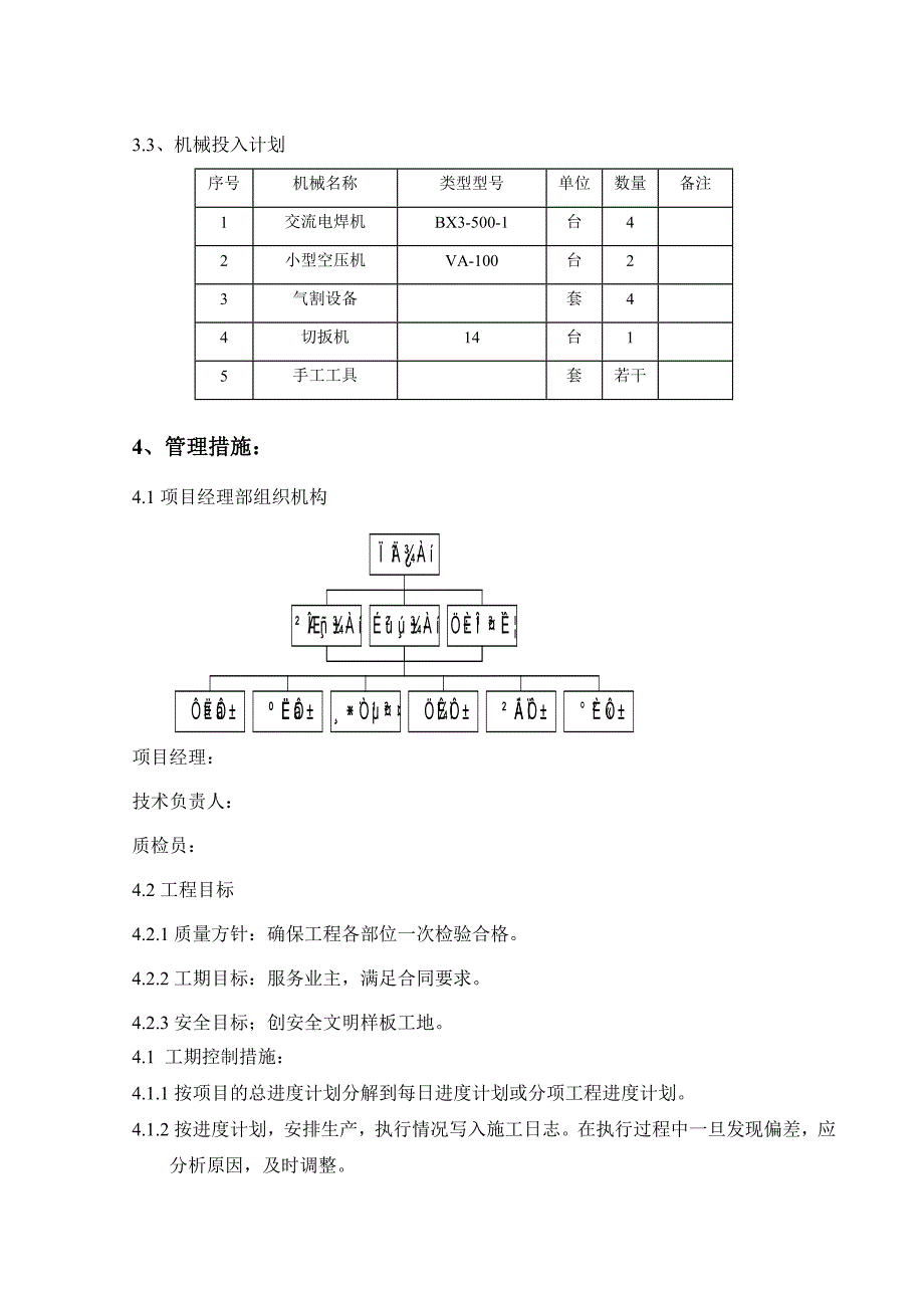
3、6.163.3、机械投入计划序号机械名称类型型号单位数量备注1交流电焊机BX3-500-1台42小型空压机VA-100台23气割设备套44切扳机14台15手工工具套若干4、管理措施: 4.1项目经理部组织机构项目经理:技术负责人:质检员:4.2工程目标4.2.1质量方针:确保工程各部位一次检验合格。4.2.2工期目标:服务业主,满足合同要求。4.2.3安全目标;创安全文明样板工地。4.1 工期控制措施:4.1.1按项目的总进度计划分解到每日进度计划或分项工程进度计划。4.1.2按进度计划,安排生产,执行情况写入施工日志。在执行过程中一旦发现偏差,应分析原因,及时调整。4.1.3按期举行生产例会

4、,进行进度分析,如未按进度计划施工,制定相应措施进行阶段控制。4.2质量保证措施4.2.1为确保质量,建立各级质量责任制。工程负责人:项目经理是质量的第一责任者,是对业主工程质量承诺人,对工程质量全过程管理及质量结果负责。技术负责人:主任工程师负责组织项目质量保证体系的运行,通过加强全过程的质量管理确保项目质量目标的实现。定期组织质量讲评会,对工程质量进行具体研究和分析,找出存在问题并采取措施预防。质检人员:质检员应严肃使用质量否决权,随时检查工序质量状况,对出现的轻微质量问题下达工程质量整改通知单,限期整改,并经过队长、质检员的复检后方可进行下道工序的施工。4.2.2对工程材料质量主要控制以

5、下内容材料规格数量、产地、运输条件、质量保证程度、产品认证情况、出厂检验和试验、进场检验和试验、进场材料的标识和存放、现场材料使用等。4.3 安全保证措施:4.3.1认真贯彻落实“安全第一,预防为主”的安全生产方针,建立健全安全保证体系。4.3.2层层落实安全生产责任制,责任到人。组成安全生产领导小组和相应的各级管理组织,对工程安全生产和消防保卫负全面领导责任,分级管理,各负其责。4.3.3队长根据分部分项工程具体情况对施工班组进行安全交底,发至安全员、班组长。4.3.4安全员对施工生产过程中出现的事故隐患,签发隐患整改通知单,限期进行整改。4.3.5严格执行安全教育条例,必须坚持每班前十分钟

6、及周一安全活动制度。工人进场前三级教育必须搞好,并作好安全活动记录,各工种工人必须经安全培训和考核合格后方可作业施工。认真执行上级颁发的安全操作规范及安全岗位责任条例。4.3.6 本工程钢结构采用塔式起重机进行吊装,其他装饰材料通过外挂电梯运至现场。吊装前所有参加吊装的施工队,必须组织安全学习。4.3.7 起吊时应有专人指挥作业,参加人员统一协调行动,吊车司机、起重工应持证上岗,吊车大臂回转半径范围内严禁站人。4.3.8 吊装使用时吊钩必须加锁环,吊装负荷不得超过其规定负荷,吊装负荷的支撑点必须符合强度,吊装时严禁从下方通过。4.3.9 使用卡环应使长度方向受力,抽销卡环应预防销子滑脱,有缺陷

7、的卡环严禁使用。4.3.10 起吊物件应使用交互捻制的钢丝绳。钢丝绳如有扭结、变形、断丝、锈蚀等异常现象,应及时降低使用标准或报废。4.3.11 编结绳扣(千斤)应使各股松紧一致,编结部分的长度不得小于钢丝绳直径的15倍,并且不得少于300毫米,用卡子连成绳套时,卡子不得少于三个。4.3.12 使用绳卡,应将有压板的放在长头一面,使用二根以上绳卡吊装时,绳口间的夹角如大于100度,应采取防止滑钩等措施。4.3.13 起吊前必须检查被吊物是否绑扎牢靠,被吊物上不得有活动物体。4.3.14 施工前搭设施工围护架子,按照现行规定进行搭设。4.3.15 施工时搭设满堂红承重架子,架子顶端标高为62米。

8、5、施工工艺5.1 施工工艺流程:5.1.1钢梁及钢柱工厂加工施工工艺流程:清渣、调直按图纸尺寸配料、气割下料钻孔预拼装喷漆码放运输到工地5.1.2安装施工工艺流程:吊装、焊接梁柱复测现场标高及轴线位置并安装埋件现场放线确定钢柱及钢梁位置并弹出安装十字线清理现场钢结构隐检清渣、防腐交验、撤场 5.2施工措施:5.2.1施工前的准备工作:作业人员必须对图纸进行认真学习,并详细学习技术人员下发的技术交底,有不明白的问题尽快提出,明确作业流程,施工要求,偏差允许值等。对所有人员进行有针对性的安全教育、交底,同时对测量工具(靠尺、合尺等)进行校对。5.2.2 配料、下料:5.2.2.1 按照图纸尺寸用

9、气割对钢管和H型钢下料。型钢长度允许偏差e=3mm。5.2.2.2 按照图纸尺寸用切扳机机下料,钢板几何尺寸允许偏差:长度、宽度误差 e=3mm 切割面平面度 e=0.2mm局部缺口深度 e=1mm5.2.3钻孔:用摇臂钻床对连接钢板和钢梁钻孔5.2.4清理除锈及矫正5.2.4.1 清理构件焊渣、毛刺;5.2.4.2 除锈:本工程为装饰柱,除锈要彻底,刷两遍防锈漆。5.2.4.3 矫正:对于变形部位采用火焰加热和机械调直等方法进行矫正,达到国标要求。H型钢翼缘对腹板垂直度:b/100且2.0 mm型钢弯曲矢高:L/1000且5.0 mm5.2.5喷漆编号将制作好的型钢喷漆、标号,油漆表面要求覆

10、盖均匀无流痕。同时,将进入现场安装的所有材料均进行防腐处理。5.2.6验收:班组自检合格后,经质检员验收合格后,填写好验收单。码放整齐,高度不得超过1M。立柱之间要求接触面平整以防变形,等待运输。5.2.7运输:要求在运输过程中有运输记录,起吊和摆放作到轻起轻放。物品要求垫平绑好,以防散落或变形。5.3 安装施工措施:采用顺序吊装方法,由一侧向另一侧依次吊装钢柱、梁。当相临钢柱立起后,吊装连接梁,以形成框架结构,保证结构本身的稳定、安全。5.3.1放线及安装埋件:按图纸设计要求现场实际放线,标注好立柱的安装位置及钢梁安装标高线。并在该处检查预埋件位置是否正确。5.3.2 安装钢柱:A1人工吊装

11、,A2、 A3塔吊配合吊装。5.3.2.1准备工作:测好轴线位置,按图纸位置弹好安装线,同时在柱脚处弹出安装十字线,在安装位置搭设安装脚手架。5.3.2.2 垂直运输:A1楼塔吊以拆除,必须人工上料、人工安装,首先将卷扬机由外挂电梯运至楼顶,固定牢靠;同时安装可靠外挂架,将工厂预制好的钢梁、钢柱通过滑轮,用卷扬机、钢锁吊运至楼顶安装位置;A2、A3楼用塔吊将工厂预制好的钢梁、钢柱吊运至楼顶安装位置5.3.2.3 钢柱安装:A1楼用脚手架搭设吊装架,用手动倒链人工起吊;A2楼、A3楼用塔吊起吊。采用两台经纬仪进行双向定位,保证垂直度误差与轴线偏差满足规范要求。并与埋件连接牢固。安装允许误差:柱脚

12、中心线相对定位轴线偏移 e5.0mm挠曲矢高 H/1200 且 15 .0mm垂直度 eH/1000柱基准点标高 e5.0mm5.3.3安装钢梁: A1楼人工吊装、A2楼、A3楼塔吊配合吊装。 将在工厂预制好的型钢梁运至安装位置,垂直运输方法同钢柱运输。在钢柱上定出钢梁安装位置,弹好安装线,焊好连接板。A1楼用脚手架搭设吊装架,用手动倒链人工起吊;A2楼、A3楼用塔吊起吊钢梁,在安装标高位置用安装螺栓加以固定,检验无误后,按图纸要求连接牢靠。安装允许误差:梁侧向弯曲 L/1000 且 10.0mm梁跨中垂直度 H/250 且 10.0mm5.3.4 清渣、防腐、结构隐检: 将焊渣及飞溅物清理干净,经质检人员验收无误后,填写好验收单。将材质证明,验评等资料,交给现场监理,待监理检验合格后,进行防腐处理。6、工期:工期25天,劳动力总投入20,详见进度表。序号工 序10月11月1011121314151617181920212223242526272829301234567891工厂下料2H型钢梁制孔3A1楼上料4安装A1楼钢柱5安装A1楼钢梁6

展开阅读全文
相关资源
猜你喜欢
相关搜索

当前位置:首页 > 建筑/环境 > 设计及方案

copyright@ 2008-2023 1wenmi网站版权所有

经营许可证编号:宁ICP备2022001189号-1

本站为文档C2C交易模式,即用户上传的文档直接被用户下载,本站只是中间服务平台,本站所有文档下载所得的收益归上传人(含作者)所有。第壹文秘仅提供信息存储空间,仅对用户上传内容的表现方式做保护处理,对上载内容本身不做任何修改或编辑。若文档所含内容侵犯了您的版权或隐私,请立即通知第壹文秘网,我们立即给予删除!