室外热力管道改造施工方案.doc

上传人:p** 文档编号:996144 上传时间:2024-06-12 格式:DOC 页数:11 大小:52KB
下载 相关 举报
室外热力管道改造施工方案.doc_第1页
第1页 / 共11页
室外热力管道改造施工方案.doc_第2页
第2页 / 共11页
室外热力管道改造施工方案.doc_第3页
第3页 / 共11页
室外热力管道改造施工方案.doc_第4页
第4页 / 共11页
室外热力管道改造施工方案.doc_第5页
第5页 / 共11页
室外热力管道改造施工方案.doc_第6页
第6页 / 共11页
室外热力管道改造施工方案.doc_第7页
第7页 / 共11页
室外热力管道改造施工方案.doc_第8页
第8页 / 共11页
室外热力管道改造施工方案.doc_第9页
第9页 / 共11页
室外热力管道改造施工方案.doc_第10页
第10页 / 共11页
亲,该文档总共11页,到这儿已超出免费预览范围,如果喜欢就下载吧!
资源描述

《室外热力管道改造施工方案.doc》由会员分享,可在线阅读,更多相关《室外热力管道改造施工方案.doc(11页珍藏版)》请在第壹文秘上搜索。

1、室外热力管道改造施工方案一、 编制依据1.1建筑给水排水及采暖工程施工质量验收规范(GB50242-2002)1.2建筑工程施工质量验收统一标准(GB50300-2001)1.3城镇直埋供热管道工程技术规程(CJJ/T81-98)1.4砌体工程施工质量验收规范(GB50203-2002)1.5现场设备、工业管道焊接工程施工及验收规范(GB50236-98)1.6给水排水管道工程施工及验收规范(GB50268-97)1.7工业金属管道工程施工验收规范(GB50235-97)1.8城镇供热管网工程施工及验收规范(CJJ28-2004)1.9根据施工现场实地考察情况,施工单位实力和材料供应情况符合要

2、求二、工程概述1 、工程地址:某某市某某路新运花园12#住宅楼2、管道连接方式及配件安装:(1)DN40的热力管道采用普通焊接钢管,(GB3092-82)法兰或焊接连接;(2)DN40的热力管道采用热轧无缝钢管,(GB8163-87)法兰或焊接连接。主控项目1.1.1平衡阀及调节阀型号、规格及公称压力应符合设计要求。安装后应根据系统要求进行调试,并作出标志。检验方法:对照设计图纸及产品合格证,并现场观察调试结果。1.1.2直埋无补偿供热管道预热伸长及三通加固应符合设计要求。回填前应注意检查预制保温层外壳及接口的完好性。回填应按设计要求进行。检验方法:回填前现场验核和观察。1.1.3补偿器的位置

3、必须符合设计要求,并应按设计要求或产品说明书进行预拉伸。管道固定支架的位置和构造必须符合设计要求。检验方法:对照图纸,并查验预拉伸记录。1.1.4检查井室、用户入口处管道布置应便于操作及维修,支、吊、托架稳固,并满足设计要求。检验方法:对照图纸,观察检查。1.1.5直埋管道的保温应符合设计要求,接口在现场发泡时,接头处厚度应与管道保温层厚度一致,接头处保护层必须与管道保护层成一体,符合防潮防水要求。检验方法:对照图纸,观察检查。一般项目1.1.6管道水平敷设其坡度应符合设计要求。检验方法:对照图纸,用水准仪(水平尺)、拉线和尺量检查。1.1.7除污器构造应符合设计要求,安装位置和方向应正确。管

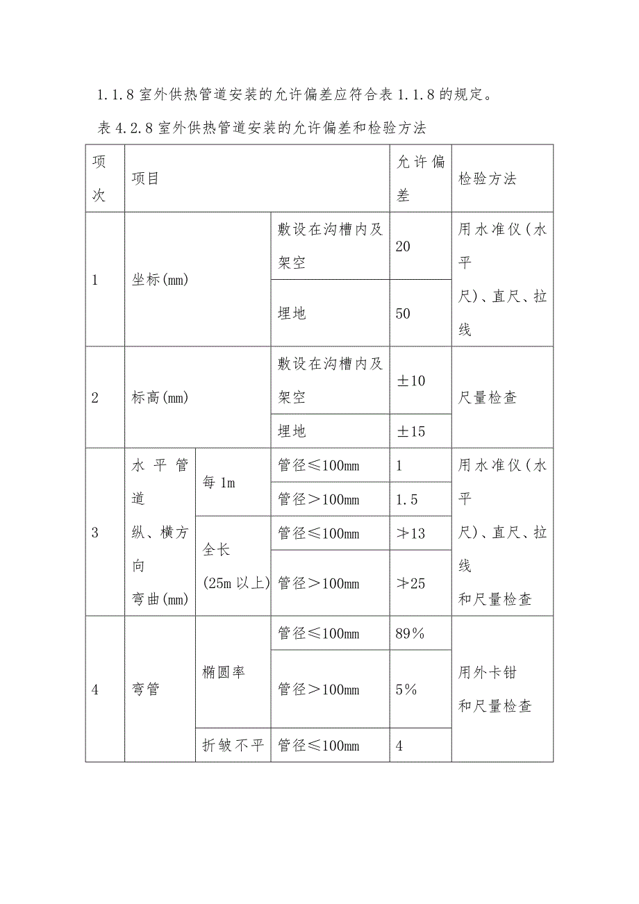
4、网冲洗后应清除内部污物。检验方法:打开清扫口检查。1.1.8室外供热管道安装的允许偏差应符合表1.1.8的规定。表4.2.8室外供热管道安装的允许偏差和检验方法项次项目允许偏差检验方法1坐标(mm)敷设在沟槽内及架空20用水准仪(水平尺)、直尺、拉线埋地502标高(mm)敷设在沟槽内及架空10尺量检查埋地153水平管道纵、横方向弯曲(mm)每1m管径100mm1用水准仪(水平尺)、直尺、拉线和尺量检查管径100mm1.5全长(25m以上)管径100mm13管径100mm254弯管椭圆率管径100mm89用外卡钳和尺量检查管径100mm5折皱不平度(mm)管径100mm4管径125200mm6管

5、径250400mm74.2.9管道焊口的允许偏差应符合本规范表5.3.8的规定。3、管道阀门(1)活塞阀:HSF41S-16(J)。(2)节能消声止回阀:H41X-16。(3)排污阀:Q41S-16(P)。(4)双偏心半球阀:40DN100时,PQ40F-16Q DN100时,PQ340F-16Q 阀体均采用球墨铸铁 各种阀门的安装位置及手柄方向应便于操作。4、管道弯头采用煨弯方式,不用压制弯头,管道大小头接头形式采用底平连接。5、管道的安装沿墙柱或地沟敷设、支托、吊架由施工单位按照国家标准图集95R402“室内热力管道支吊架”图集选用。6、管道穿楼板及剪力墙处应预留套管,穿屋面时应做好防水措

6、施。7、管道安装完毕后需进行水压测试,各类管道的试验压力如下:换热器一次热媒侧工作压力均为1.0MPa,高区换热器水厕工作压力为1.1MPa,低区换热器水侧工作压力为0.8MPa。8、机房内热水管道均需保温, 保温材料选用容重为64kg/m的离心玻璃棉板或管壳,保温厚度为60mm。9、设备安装单位与土建单位人员在现场应密切配合,做好预埋铁件、预留管洞、套管等工作,施工各种设备基础时,必须与到货设备校核基脚尺寸无误后方可施工。三、施工准备1、材料要求(1)管材:碳素钢管、无缝钢管、镀锌碳素钢管应有产口合格证,管材不得弯曲、锈蚀、无飞刺、重皮及凹凸不平等缺陷。(2)管件符合现行标准,有出厂合格证、

7、无偏扣、乱扣、方扣、断丝和角度不准等缺陷。(3)各类阀门有出厂合格证,规格、型号、强度和严密性试验符合设计要求;丝扣无损伤,铸造无毛刺、无裂纹,开关灵活严密,手轮无损伤。(4)附属装置:减压器、疏水器、过滤器、补偿器、法兰等应符合设计要求应有产品合格证及说明书。(5)型钢、圆钢、管卡、螺栓、螺母、油、麻、垫、电气焊条等符合设计要求。2、主要机具:(1)机具:砂轮锯、套丝机、台钻、电焊机、煨弯器等。(2)工具:套丝板、压力案、管钳、活扳子、手锯、手锤、台虎钳、电气焊工具、钢卷尺、水平、小线等。3、作业条件:(1)安装无地沟管道,必须在沟底找平夯实,沿管线铺设位置无杂物,沟宽及沟底标高尺寸复核无误

8、。4、操作工艺1.1工艺流程:放线定位挖土方砌阀门井管道安装阀门配件安装水压试验防腐保温盖阀门井盖板回填土1.2直埋管道安装:1.2.1根据设计图纸的位置,进行测量,打桩、放线、挖土、地沟垫层处理等。1.2.2为便于管道安装,挖沟时应将挖出来的土堆放在沟边一侧,土堆底边应与沟边保持0.61m的距离,沟底要求找平夯实,以防止管道弯曲受力不均。1.2.3管道下沟前,应检查沟底标高沟宽尺寸是否符合设计要求,保温管应检查保温层是否有损伤,如局部有损伤时,应将损伤部位放在上面,并做好标记,便于统一修理。1.2.4管道应先在沟边进行分段焊接,每段长度在2535m范围内。放管时,应用绳索将一端固定在地锚上,

9、并套卷管段拉住另一端,用撬杠将管段移至沟边,放好木滑杠,统一指挥慢速放绳使管段沿滑木杠下滚。为避免管道弯曲,拉绳不得少于两条,沟内不得站人。1.2.5沟内管道焊接,连接前必须清理管腔,找平找直,焊接处要挖出操作坑,其大小要便于焊接操作。1.2.6阀门、配件、补偿器支架等,应在施工前按施工要求预先放在沟边沿线,并在试压前安装完毕。1.2.7管道水压试验,应按设计要求和规范规定,办理隐检试压手续,把水泄净。1.2.8管道防腐,应预先集中处理,管道两端留出焊口的距离,焊口处的防腐在试压完后再处理。1.2.9回填土时要在保温管四周填100mm细砂,再填300mm素土,用人工分层夯实。管道穿越马路处埋深

10、少于800mm时,应做简易管沟,加盖混凝土盖板,沟内填砂处理。5、质量标准(1)本章适用于住宅小区的饱和压力不大于0.6MPa、热水温度不超过100的室外供热管网安装工程的质量检验与验收。(2)供热管网的管材应按设计要求。当设计未注明时,应符合下列规定:1.管径小于或等于40mm时,应使用焊接钢管。2.管径为50200mm时,应使用焊接钢管或无缝钢管。3.管径大于200mm时,应使用螺旋焊接钢管。(3)室外供热管道连接均应采用焊接连接。6、管道及配件安装4.2.10管道及管件焊接的焊缝表面质量应符合下列规定:1焊缝外形尺寸应符合图纸和工艺文件的规定,焊缝高度不得低于母材表面,焊缝与母材应圆滑过

11、渡;2焊缝及热影响区表面应无裂纹、未熔合、未焊透、夹渣、弧坑和气孔等缺陷。检验方法:观察检查。4.2.11供热管道的供水管,如设计无规定时,应敷设在载热介质前进方向的右侧或上方。检验方法:对照图纸,观察检查。4.2.12防锈漆的厚度应均匀,不得有脱皮、起泡、流淌和漏涂等缺陷。检验方法:保温前观察检查。4.2.13管道保温层的厚度和平整度的允许偏差应符合本规范表4.4.8的规定。4.3系统水压试验及调试主控项目4.3.1供热管道的水压试验压力应为工作压力的1.25倍,但不得小于0.6MPa。检验方法:在试验压力下10min内压力降不大于0.05MPa,然后降至工作压力下检查,不渗不漏。4.3.2

12、管道试压合格后,应进行冲洗。检验方法:现场观察,以水色不浑浊为合格。4.3.3管道冲洗完毕应通水、加热,进行试运行和调试。当不具备加热条件时,应延期进行。检验方法:测量各建筑物热力入口处供回水温度及压力。4.3.4供热管道作水压试验时,试验管道上的阀门应开启,试验管道与非试验管道应隔断。检验方法:开启和关闭阀门检查。5、成品保护5.1安装好的管道不得用做吊拉负荷及支撑、蹬踩,或在施工中当固定点。5.2盖阀门井盖板时,应注意保护,不得碰撞损坏。5.3各类阀门、附属装置应装保护盖板,不得污染,砸碰损坏。6、应注意的质量问题6.1管道坡度不均匀或倒坡。原因管沟基地处理不当,造成局部管道下垂,坡度不匀

13、。6.2热水供热系统通暖后,局部不热。原因是干管敷设的坡度不够或倒坡,系统的排气装置安装位置不正确,使系统中的空气不能顺利排出,或有异物泥沙堵塞所造成。6.3管道焊接弯头处的外径不致。原因是压制弯头与管道的外径不致,采用压制弯头,必须使其二外径与管道相同。6.4阀门井内间隙太小,维修不便。原因是安装管道时排列不合理或施工前没认真审查图纸。6.5试压或调试时,管道被堵塞。主要是安装时预留口没装临时堵,掉进杂物造成。7、质量记录7.1应有材料及设备的出厂合格证。7.2材料及时性设备进场检验记录。7.3管路系统的预检记录。7.4伸缩器的预拉伸记录。7.5管路系统的隐蔽检查记录。7.6管路系统的试压记

14、录。7.7系统的冲洗记录。7.8系统通热水调试记录。8、安全环保措施8.1.进入现场必须遵守安全生产纪律。8.2.在拉设临时电源时,电线均应架空,过道须用钢管保护,不得乱拖乱拉,以免电线被车辗物压。8.3.电箱内电气设备应完整无缺,设有专用漏电保护开关,必须按“一机一闸一漏一箱”要求设置。8.4.所有移动电具,都应具有二级漏电保护,电线无破损,插头插座应完整,严禁不用插头而用电线直接插入插座内。8.5.各类电机械应勤加保养,及时清洗、注油,在使用时如遇中途停电或暂时离开,必须关闭电门或拔出插头。8.6.使用切割机时,首先检查防护罩是否完整,后部严禁有易燃易爆物品,切割机不得代替砂轮磨物,严禁用切割机切割麻丝和木块。8.7.煨弯管时,首先要检查煤炭中有无爆炸物,砂子烘干,以防爆炸。灌砂台搭设牢固.以防倒塌伤人。8.8.现场挖掘管沟时,应根据土质情况加设挡土板,防止倒塌。8.9.材料间、更衣室不得使用超过60w以上灯泡,严禁使用碘钨灯和家用电加热器(包括电炉、电热杯、热得快,电饭煲)取暖、烧水、烹饪。

展开阅读全文
相关资源
猜你喜欢
相关搜索

当前位置:首页 > 建筑/环境 > 设计及方案

copyright@ 2008-2023 1wenmi网站版权所有

经营许可证编号:宁ICP备2022001189号-1

本站为文档C2C交易模式,即用户上传的文档直接被用户下载,本站只是中间服务平台,本站所有文档下载所得的收益归上传人(含作者)所有。第壹文秘仅提供信息存储空间,仅对用户上传内容的表现方式做保护处理,对上载内容本身不做任何修改或编辑。若文档所含内容侵犯了您的版权或隐私,请立即通知第壹文秘网,我们立即给予删除!