室外附属工程施工方案.doc

上传人:p** 文档编号:996178 上传时间:2024-06-12 格式:DOC 页数:8 大小:64KB
下载 相关 举报
室外附属工程施工方案.doc_第1页
第1页 / 共8页
室外附属工程施工方案.doc_第2页
第2页 / 共8页
室外附属工程施工方案.doc_第3页
第3页 / 共8页
室外附属工程施工方案.doc_第4页
第4页 / 共8页
室外附属工程施工方案.doc_第5页
第5页 / 共8页
室外附属工程施工方案.doc_第6页
第6页 / 共8页
室外附属工程施工方案.doc_第7页
第7页 / 共8页
室外附属工程施工方案.doc_第8页
第8页 / 共8页
亲,该文档总共8页,全部预览完了,如果喜欢就下载吧!
资源描述

《室外附属工程施工方案.doc》由会员分享,可在线阅读,更多相关《室外附属工程施工方案.doc(8页珍藏版)》请在第壹文秘上搜索。

1、室外附属工程施工方案 第一章 编制依据与工程概况一、 编制依据1、某某研发中心(某某小学金桥校区)室外附属工程施工图2、某某研发中心(某某小学金桥校区)室外附属工程所涉及的国家或行业规范、标准、法规、图集等规范3、某某研发中心(某某小学金桥校区)室外附属工程的招投标文件二、工程概况工程名称某某研发中心(某某小学金桥校区)室外附属工程工程地址某某市某某高新区建设单位某某投资有限责任公司设计单位某某市规划设计院有限公司监理单位某某金大地建设项目有限公司总包单位/工程范围围墙、传达室、配电房、雨污水、校园道路、广场景观等附属配套工程合同工期50天工程目标质量合格,工程竣工验收一次性验收合格1、工程难

2、点1) 原主体施工单位还在施工,工程所涉及的零星工程多,室外景观装饰点面层复杂。2) 工程所要求的工期短,需要与原主体施工单位穿插配合。2、工程难点的对策1) 项目部另行配备足够的、各个专业的、高素质的施工管理人员,特别是施工测量的技术人员。2) 项目部另行配备相应的施工机械、机具及足够数量的施工工人。3) 合理的穿插各个工序,确保各工序衔接紧密,以缩短工期。4) 坚决服从甲方、监理的领导及指挥。第二章 施工部署 一、项目组织人员概况由于本工程主体是由某某四建集团有限公司施工,对于室外工程成立独立的项目部,项目部具体管理人员如下:室外工程项目管理人员一览表职务姓名项目经理项目工程师质量管理材料

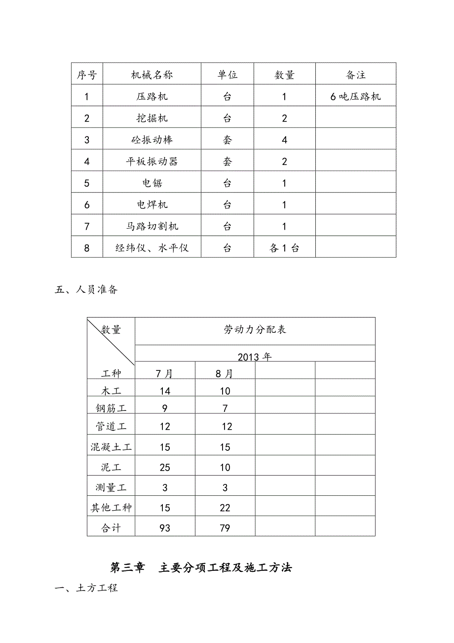
3、管理安全管理计划管理二、施工工艺流程 变电所 发电房 垃圾房 围墙 门卫室 场区土方回填 化粪池、管线土方开挖 化粪池安装施工、管线铺设 雨污水井施工土方回填 给水 消防管线 强、弱电管线 道路基层及面层施工 三、 机械准备序号机械名称单位数量备注1压路机台16吨压路机2挖掘机台23砼振动棒套44平板振动器套25电锯台16电焊机台17马路切割机台18经纬仪、水平仪台各1台五、人员准备数量劳动力分配表2013年工种7月8月木工1410钢筋工97管道工12 12混凝土工1515泥工2510测量工33其他工种1522合计9379第三章 主要分项工程及施工方法一、土方工程二、混凝土工程三、管道工程四、

4、道路垫层及面层五、施工方法及技术措施:1、管沟开挖:根据现场条件,在土建专业确定管沟的位置及标高,并复核基地各雨污出口与市政接口标高无误后,方可进行管沟开挖,开挖时要结合施工图纸及施工规范要求确定开挖路线及开挖深度,对管径较大的在开挖时要结合土质情况,确定土方开挖放坡方案,确保安全施工。2、管道工程:1)管道敷设雨水管采用双壁波纹管橡胶圈连接,埋地敷设时如地基为一般天然土壤,可直接埋设,如遇基坑为淤泥覆土时,先挖除淤泥夯实虚土,采用填砂、填石块或其它适应的基础处理措施。排管前应检查管沟地基,管道应排在坚实老土上,严禁铺设在未经处理的松土上管道敷设后,回填土应逐层夯实。2)材料管材:雨水管采双壁

5、波纹管埋地排水管(等级为S2),给水管与消防管采用高密度聚乙烯塑料管。检查井:排水管道小于400时,采用700砖砌圆形检查井,大于400时,采用1000砖砌圆形检查井。井盖:在车行道上的所有检查井、阀门井井盖、井座均采用重行球墨铸铁双层井座和井盖;人行道下和绿化带的井盖、井座采用轻型球墨铸铁单层井座和井盖。化粪池:化粪池均采用玻璃钢化粪池,其人孔采用重行球墨铸铁双层井座和井盖。通气管室外埋设部分采用涂塑钢管,进入建筑物内改为聚氯乙烯硬塑管。3)主要技术要求在路面上的井盖,上表面应同路面相平,无路面井盖应高出室外设计标高50,并应在井口周围以0.02的坡度向外做护坡。排水管埋深: 车行道下管顶覆

6、土0.7米;非车行道管顶管覆土0.5米;覆土不足时用150#混凝土全坞邦加固,其厚度不小于200;管道坡度要求(道路坡度大于以下原则时,则按照道路坡度敷废水 DN300,i0.005;污水 DN200,i0.005;雨水 DN300,i0.005 ;DN400,i0.005; DN500,i0.005,化粪池均采用钢筋混凝土化粪池,其入孔采用重行球墨铸铁双层井座和井盖。通气管室外埋设部分采用涂塑钢管,进入建筑物内改为聚氯乙烯硬塑管。除上述要求外,给排水管道施工及验收应遵循建筑给排水及采暖工程施工质量验收规范GB50242-2002。4) 排水管道的闭水试验:室外污水雨水管道安装完毕后,回填土前

7、要进行闭水试验,检验其严密性。试验前,管道及检查井外观质量应验收合格。闭水试验的试验水头及实测渗水量符合施工验收规范的规定方为合格。5)回填土:排水管道在施工完毕并经检验合格后,要及时进行回填.回填时要清除干净砖、石、木块等杂物。并按规定分层夯实。 6)室外排水管道安装工艺流程: 安装准备测量放线挖管沟、工作坑找平作基础管道就位管道接口(管道浇筑养护 ) 检查井砌筑闭水试验回填夯实自检竣工验收3、 道路基层及面施工 道路施工时均待所有管道预埋完成后并经验收合格后,方可进行道路基层及面层的施工第四章 施工现场平面布置施工现场平面布置见施工总平面布置图。第五章 质量保证措施一、建立质量保证组织体系

8、 建立完善的质量管理体系,建立以项目经理为首的质量安全监督体系。强化公司、项目部、施工班组三级质量控制,制定明确的质量指标,加强质量监督力度,明确管理人员与质安人员的质检权限,落实质检职责,严格执行质检程序,对质量层层把关。 二、建立健全质量责任体系 明确项目经理为工程质量第一责任人,技术负责人为技术责任人,落实各级责任制,落实各项质量保证措施。 项目经理质量责任: 1、在公司的领导下,贯彻质量方针,实现质量目标。 2、结合项目工程实际,建立健全组织机构,落实质量责任制。 3、全面履行项目工程的质量管理职责,对重大质量事故负第一责任(直接责任)。 4、负责项目工程的质量决策,参与质量审核,落实

9、纠正措施。 5、深入调查研究,及时推广保证需要工程质量的先进施工方法,表扬奖励质量先进集体和个人,批评和处罚违反规范、规程的有关人员。 6、加强质量管理知识学习,支持质检人员的工作。 项目技术负责人质量责任: 1、在项目经理领导下,制订和贯彻质量保证措施实施细则。 2、严格项目工程的施工技术和质量管理,把好工程质量管理程序关。3、加强对施工过程的质量控制,对因技术管理原因造成的质量事故负责。 4、加强对采购物质、材料和设备的检测、试验,不合格品拒绝使用。5、做好文件和资料的管理工作,建立质量情况登记制度。 6、严把“图纸、测量、试验”关,防范于未然。 质安员职责: 1、质安员协助项目经理在完成

10、生产进度的同时,保护全体工人的人身安全,质安员要认真贯彻执行国家、企业有关安全生产的法令、政策及有关规定,结合工程特点制定现场安全生产的具体要求。 2、质安员负责项目施工管理全过程的安全教育,不断提高施工技术实施过程中的安全保障性能和全体施工人员的自我安全保护意识,参与对分部,分项工程的技术,安全交底,对关键部位,危险部位做到书面交底并巡视现场,对不重视安全生产的工人班组及时警告直至进行安全培训整顿。 3、质安员对施工现场发生重大伤亡事故或重大消防事故,要主动积极保护事故现场,及时抢救负伤人员并按“四不放过”原则做好善后分析工作。 4、质安员要按照上级要求逐日填写安全日志检查记录,对存在的不安

11、全隐患及时拟定对策督促有关部门限期解决,工程竣工后及时将项目施工过程安全总结提交项目经理。 施工员责任: 1、施工员在项目经理领导下,对主管的分部,分项工程施工进度,质量以及各业务部门确定的双增双节措施负责贯彻落实,参与施工组织设计及重大施工方案的讨论,认真熟悉施工图纸,技术规范和工艺标准要求。 2、施工员负责抓好施工前的准备工作,负责抓好与分包单位和工种作业之间配合。在确保完成项目经理下达的效益指标前提下负责生产要素的合理组织,安排好工人班组作业计划并向工人班组进行作业效益交底,对工人班组长解决存在问题。第七章 安全生产保证措施一、安全生产管理制度 1、安全生产责任制:建立健全各部门的安全生

12、产责任制,责任落实到人,各项经济承包有明确的安全指示和包括奖惩办法在内的保证措施。 2、安全生产教育 A、新进施工现场工人须进行公司、项目部和班组的三级教育,工人变 换工种,须进行新工种的安全生产技术教育。工人应掌握本工种的操作技能及熟悉安全技术操作规程。认真建立“职工劳动保护记录卡”,及时做好记录。 B、特种作业人员安全生产教育:特种作业人员安全教育执行劳动部特种作业人员安全技术培训考核管理规定,经过考核合格后,发放上岗证,方可上岗作业。操作证必须按期复审,不得超期使用,名册齐全。 3、安全技术措施的编制与交底 A、安全技术措施的编制与审批:安全技术措施应具有及时性,针对性和具体化。编制的安

13、全技术措施必须经过上一级技术负责人审查批准后方可执行。 B、安全技术措施的交底:开工前要做好各级安全交底工作。根据本工程施工机械,配合工种,土质条件等特点,制定安全措施。要向全部工人做好现场地上,地下障碍物的交底。要注意对测量桩,点以及地上物的保护,严禁机械碰扎。 4、安全生产检查 必须建立定期安全检查制度,有时间、有要求,明确重点部位、危险岗位。安全检查有记录,对查出的隐患应及时整改,做到定人、定时间、定措施。对井架和脚手架工程,认真做好验收合格挂牌制度。 5、班组“三上岗,一讲评”活动 班组须进行上岗交底、上岗检查、上岗记录的“三上岗”和每周一次的“一讲评”安全活动。对班组的安全活动,要有考核措施。 6、遵纪守法、佩戴标记、严禁违章指挥、违章作业。 7、工伤事故处理 建立事故档案,按调查分析规则、规定处理,写出事故报告,报市有关部门审批结案。

展开阅读全文
相关资源
猜你喜欢
相关搜索

当前位置:首页 > 办公文档 > 解决方案

copyright@ 2008-2023 1wenmi网站版权所有

经营许可证编号:宁ICP备2022001189号-1

本站为文档C2C交易模式,即用户上传的文档直接被用户下载,本站只是中间服务平台,本站所有文档下载所得的收益归上传人(含作者)所有。第壹文秘仅提供信息存储空间,仅对用户上传内容的表现方式做保护处理,对上载内容本身不做任何修改或编辑。若文档所含内容侵犯了您的版权或隐私,请立即通知第壹文秘网,我们立即给予删除!