家园住宅楼混凝土工程施工方案.doc

上传人:p** 文档编号:996196 上传时间:2024-06-12 格式:DOC 页数:14 大小:97.90KB
下载 相关 举报
家园住宅楼混凝土工程施工方案.doc_第1页
第1页 / 共14页
家园住宅楼混凝土工程施工方案.doc_第2页
第2页 / 共14页
家园住宅楼混凝土工程施工方案.doc_第3页
第3页 / 共14页
家园住宅楼混凝土工程施工方案.doc_第4页
第4页 / 共14页
家园住宅楼混凝土工程施工方案.doc_第5页
第5页 / 共14页
家园住宅楼混凝土工程施工方案.doc_第6页
第6页 / 共14页
家园住宅楼混凝土工程施工方案.doc_第7页
第7页 / 共14页
家园住宅楼混凝土工程施工方案.doc_第8页
第8页 / 共14页
家园住宅楼混凝土工程施工方案.doc_第9页
第9页 / 共14页
家园住宅楼混凝土工程施工方案.doc_第10页
第10页 / 共14页
亲,该文档总共14页,到这儿已超出免费预览范围,如果喜欢就下载吧!
资源描述

《家园住宅楼混凝土工程施工方案.doc》由会员分享,可在线阅读,更多相关《家园住宅楼混凝土工程施工方案.doc(14页珍藏版)》请在第壹文秘上搜索。

1、某某县某某河乡新兴村新兴家园住宅小区1、2#楼混凝土工程施工方案编制单位: 某某建筑有限公司 编 制: 审 核: 审 批: 2010年6月一、工程概况工程名称:某某县某某河乡新兴村新兴家园住宅小区1、2#楼工程业主:某某县某某河乡新兴村委员会设计单位:陕西东辰建筑设计工程有限公司工程地点:某某县某某河乡新兴村新兴家园住宅小区建筑面积:8825.28结构形式:砖混结构(六层)基础形式:载体桩基础工程工期:335日历天内容说明1#楼2#楼总建筑面积(m2)4412.644412.64结构类型砖混结构层数地下00地上66建筑总高度(m)17.6517.65层高底层2.8m2.8m标准层2.8m2.8

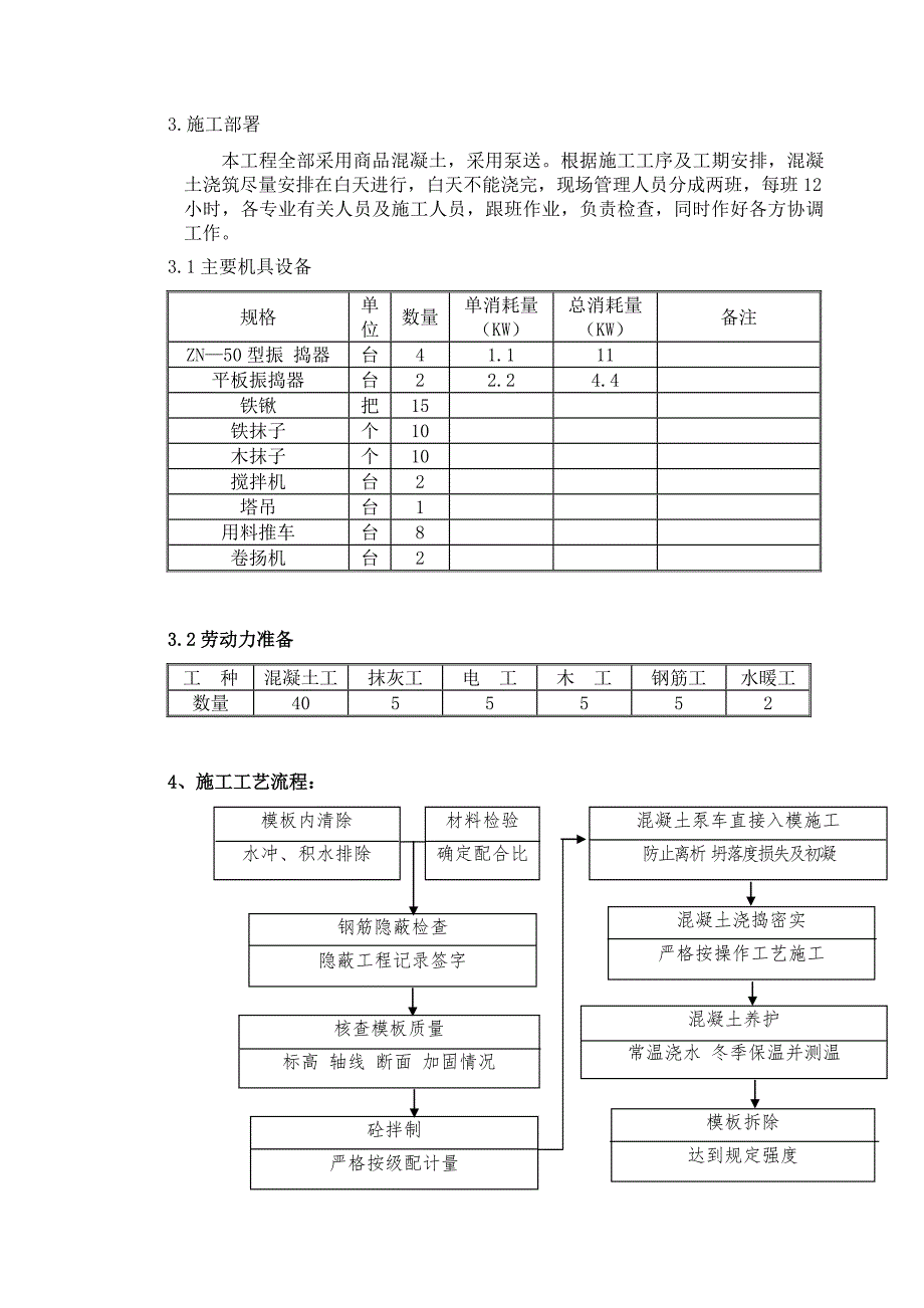
2、m1、编制依据 1.1混凝土结构工程施工质量验收规范(GB502042002)1.2混凝土强度检验评定标准(GBJ10787)1.3工程建设标准强制性条文(房屋建筑部分)2.工程概况2.1工程简介本工程为广场工程,位于某某市某某镇某某村三江水交叉处。总建筑面积为15894.19平方米,2.2结构设计概况2.3本工程混凝土工程量序号材料名称单位数量(m3)1混 凝 土C15M32183C30M321603.施工部署本工程全部采用商品混凝土,采用泵送。根据施工工序及工期安排,混凝土浇筑尽量安排在白天进行,白天不能浇完,现场管理人员分成两班,每班12小时,各专业有关人员及施工人员,跟班作业,负责检查

3、,同时作好各方协调工作。3.1主要机具设备规格单位数量单消耗量(KW)总消耗量(KW)备注ZN50型振 捣器台41.111平板振捣器台22.24.4铁锹把15铁抹子个10木抹子个10搅拌机台2塔吊台1用料推车台8卷扬机台23.2劳动力准备工 种混凝土工抹灰工电 工木 工钢筋工水暖工数量40555524、施工工艺流程:模板内清除水冲、积水排除材料检验确定配合比钢筋隐蔽检查隐蔽工程记录签字核查模板质量标高 轴线 断面 加固情况砼拌制严格按级配计量混凝土泵车直接入模施工防止离析 坍落度损失及初凝混凝土浇捣密实严格按操作工艺施工混凝土养护常温浇水 冬季保温并测温模板拆除达到规定强度5、砼的质量要求 、

4、材料要求 水泥应有出厂合格证和试验报告,并应进行安定性和强度试验,合格后方可入库,入库的水泥按品种、标号和出厂日期分别堆放,并做好标识。做到先到先用,防止混掺使用。 水泥存放时间不宜过长,受潮和结块的水泥不允许使用。 石子应进行压碎指标试验,含泥量不应大于1%。压碎指标达不到要求的石子不得使用,含泥量大于1%的石子使用前应用洁净的水清洗干净。 水的质量标准是:PH值4,不溶物2000,可溶物5000,氯化物1200,硫酸盐2700,并应符合其他规定。 砂子应选用中粗砂,含泥量不大于3%。、砼配合比设计:砼配合比设计由专业试验部门进行,砼配合比设计时应按原材料性能及时对砼的要求进行计算,经过试验

5、和调整后定出满足设计和施工要求的砼配合比。冬、雨季施工时应对砂、石含水率进行测定,必要时应由试验部门对级配进行调整。 、计量控制要求严格控制原材料计量,搅拌站挂牌公布级配以便随时核查,砼原材料按重量计的允许偏差,不得超过下列规定:水泥:1%;砂石:2%;外加混合料1%; (5)、砼的运输 主要采用塔吊吊运直接入模的方式施工,解决砼的垂直和水平运输。砼运至浇筑施工面后,应检测其稠度,所测稠度值应符合设计和施工要求,其允许偏差值应符合有关标准的规定。砼拌合物至浇筑点时温度,最高不宜超过35,最低不宜低于5。根据混凝土温度应力和收缩应力的分析,必须严格控制各项温度指标在允许范围内,才能保证混凝土不产

6、生裂缝。混凝土浇筑过程中,前台和后台加强联系,统一指挥调度,减少砼转运中的停滞时间,有效控制砼的入模温度。(6)、预控措施采用硅酸盐水泥拌制砼,降低水化热。精心设计砼配合比,通过试配掺加适当掺量的减水剂,减少用水量,以达到降低水化热的目的。掺加适量粉煤灰,替代部分水泥,减少水化热总量。设置测温孔,随时掌握砼内部温度变化情况,以便及时采取措施减少内外温差。、浇筑前的准备工作为了确保砼顺利浇筑和浇筑质量,项目经理部成立以项目经理为首的砼浇筑领导小组,浇筑之前召开专题交底会和动员会,充分做好准备工作,为砼的成功浇筑奠定基础。现场对施工班组做好交底,使工人能确实掌握要领以及应注意的事项,模板、钢筋内必

7、须彻底清理干净,不得有渣土、杂物及积水,底板验收之后才允许浇筑。材料准备组织好砼养护所需的阻燃保温毡和塑料薄膜等材料进场,以及预防雨水的物资和排水设备。检查所有施工前的条件是否具备(包括人、机、料、照明、天气情况等各种环境条件)。、砼施工措施浇筑砼前应对机具进行抽查试运转,同时配备专职机修工,随时检修,浇筑砼中应保证水、电、照明不中断。同时要注意气候变化情况,以保证砼作业连续进行。浇筑方法:并肩从顺长方向由远而近向后退浇筑,步骤基本一致。为防止上下二层出现冷缝,要在下一层砼初凝之前浇筑上一层砼,并采取二次振捣法,在振捣上一层砼时,应插入下一层5cm左右,以消除二层之间的接缝。为了避免发生离析现

8、象,砼自高处下落高度不宜超过2m,如高度超过2m,应设串桶、溜槽。为了保证砼结构良好的整体性,砼应连续进行浇筑,不留或少留施工缝,如必须间隙时,间隙时间应尽量缩短,并在上一层砼初凝前将次层砼浇筑完毕。、砼振捣方法根据砼浇筑自然形成的坡度,在每个浇筑带的前后、中部布置一道振动器,这样通过砼的振动流淌达到均匀铺坍的要求。振动器要快插慢拔,快插是为了防止将表面砼振实而与下面砼分层、离析现象,慢拔是为了使砼填满振动棒抽出时所造成的空洞。振动器要均匀排列,可采用“行列式”或“交错式”的次序移动,不应混用,先分别在砼斜面上下两端同时振捣,使砼料自然流淌,紧接着全面震捣,组织好震动棒的走向,严格控制震捣时间

9、,移动间距和捣入深度。移动间距:采用行列方式,每次移动位置的距离不大于30cm。插入深度:每次浇筑厚度应不超过振动棒长度的1.25倍,振捣二层时,应插入下层中5cm左右。特别是在斜面底部和边角处要加强震捣,以免造成混乱而发生漏振。一般插棒间距为40cm50cm。每一插点要掌握好插棒时间,过短不易振实,过长可能会使砼产生离析现象。每点振捣时间应视砼表面呈水平不再显著下沉,不再出现起泡,表面泛出灰浆为准,一般每点振捣时间为1530s。、泌水处理砼浇筑中,随时清除砼游离的泌水和浮浆,砼浇筑面浇筑形成后1小时左右,用长刮尺刮平,然后用木抹搓压两遍,赶去表面泌水,提高砼密实度。、砼的养护措施降低砼块体里

10、外温度差、减慢降温速度来达到降低块体自约束应力和提高砼抗拉强度,以承受外约束应力时的抗裂能力,对砼的养护是非常重要的。砼浇筑前,应准备好在浇筑过程中所必须的抽水设备和防雨防暑措施。砼的养护采用一层塑料薄膜并浇水养护(2小时浇一次水)。当气温较高时,覆盖浇水养护应在砼浇筑完毕后的12小时内以内进行。砼的浇水养护时间不得少于7天,、砼试块制作养护要求砼试块制作应在浇筑地点取样制作,每次制作三组,并标明砼设计强度、结构部位编号、浇筑日期等。两组放在现场试验室内进行标准养护,一组与构件同等条件下养护。、混凝土拆模要求不承重砼(立柱、构造柱等)的侧面模板,应在砼强度能保证其表面及棱角不因拆模而受损害时,

11、方可拆除。承重砼(现浇楼板、梁)强度达到100%时,方可拆模。6、混凝土的浇筑(1)、一般要求1)、混凝土泵送车下落的自由倾落高度不得超过2m,浇筑高度如超过2m时必须采取措施,用串桶或溜管等。2)、浇筑混凝土时应分段分层连续进行,浇筑层高度应根据混凝土供应能力,一次浇筑方量、混凝土初凝时间、结构特点、钢筋疏密综合考虑决定,一般为振捣器作用部分长度的1.25倍。3)、使用插入式振捣器应快插慢拔,插点要均匀排列,逐点移动,顺序进行,不得遗漏,做到均匀振实。移动间距不大于振捣作用半径的1.25倍(一般为300400mm)。振捣上一层时应插入下层510cm,以使两层混凝土结合牢固。振捣时,振捣棒不得

12、触及钢筋和模板。表面振动器(或称平板振动器)的移动间距,应保证振动器的平板覆盖已振实部分的边缘。4)、浇筑混凝土应连续进行。如必须间歇,其间歇时间应尽量缩短,并应在前层棍凝土初凝之前,将次层混凝土浇筑完毕。间歇的最长时间应按所用水泥品种、气温及混凝土凝结条件确定,一般超过2h应按施工缝处理(当混凝土的凝结时间小于2h时,则应当执行混凝土的初凝时间)。5)、浇筑混凝土时应经常观察模板、钢筋、预留孔洞、预埋件和插筋等有无移动、变形或堵塞情况,发现问题应立即处理,并应在已浇筑的混凝土初凝前修正完好。(2)基础混凝土浇筑1)、浇灌:槽底及帮模(木模时)应浇水润湿。承台、基梁浇灌混凝土时,应按顺序直接将

13、混凝土倒入模板中;如甩槎超过初凝时间,应按施工缝要求处理。使用塔机吊斗直接卸料入模时,其吊斗出料口距操作面高度,以3040cm为宜,并不得集口一处倾倒。2)、振捣:应沿承台、基梁浇筑的顺序方向,采用斜向振捣法,振捣棒与水平面倾角的30度左右。棒头朝前进方向,棒间距以50cm为宜,防止漏振。振捣时间以混凝土表面翻浆出气泡为宜。混凝土表面应随振捣随按标高线,用木抹子槎平。3)、留槎:纵横接连处及桩顶一般不宜留槎。留槎应在相邻中间的1/3范围内,甩槎处应预先用模板挡好,留成直槎。继续施工时,接槎处混凝土应用水润湿并浇浆,使新旧混凝土接合良好,然后用原强度等级混凝土进行浇灌。4)、养护:混凝土浇灌后,

14、在常温条件下12h内覆盖浇水养护,浇水次数以保持混凝土湿润状态为宜,养护时间不少于七昼夜。(3)、柱的混凝土浇筑1)、柱浇筑前底部应先填510cm厚与混凝土配合比相同的减石子砂浆,柱混凝土应分层浇筑振捣,使用插入式振捣器时每层厚度不大于50cm,振捣棒不得触动钢筋和预埋件。2)、柱高在2m之内,可在柱顶直接下灰浇筑,超过2m时,应采取措施(用串桶)或在模板侧面开洞口安装斜溜槽分段浇筑。每段高度不得超过2m,每段混凝土浇筑后将洞模板封闭严实,并用箍箍牢。3)、柱子混凝土的分层厚度应当经过计算确定,并且应当计算每层混凝土的浇筑量,用专制料斗容器称量,保证混凝土的分层准确,并用混凝土标尺杆计量每层混凝土的浇筑高度,混凝土振捣人员必须配备充足的照明设备,保证振捣人员能够看清混凝土的振捣情况。4)、柱子混凝土应一次浇筑完毕,如需留施工缝时应留在主梁下面。在与梁板整体浇筑时,应在柱浇筑完毕后停歇l1.5h,使其初步沉实,再继续浇筑。5)、浇筑完后,应及时将伸出的搭接钢筋整理到位。(4)

展开阅读全文
相关资源
猜你喜欢
相关搜索

当前位置:首页 > 建筑/环境 > 设计及方案

copyright@ 2008-2023 1wenmi网站版权所有

经营许可证编号:宁ICP备2022001189号-1

本站为文档C2C交易模式,即用户上传的文档直接被用户下载,本站只是中间服务平台,本站所有文档下载所得的收益归上传人(含作者)所有。第壹文秘仅提供信息存储空间,仅对用户上传内容的表现方式做保护处理,对上载内容本身不做任何修改或编辑。若文档所含内容侵犯了您的版权或隐私,请立即通知第壹文秘网,我们立即给予删除!