小马桩隧道二次衬砌工程施工组织设计方案.doc

上传人:p** 文档编号:996500 上传时间:2024-06-12 格式:DOC 页数:11 大小:133.42KB
下载 相关 举报
小马桩隧道二次衬砌工程施工组织设计方案.doc_第1页
第1页 / 共11页
小马桩隧道二次衬砌工程施工组织设计方案.doc_第2页
第2页 / 共11页
小马桩隧道二次衬砌工程施工组织设计方案.doc_第3页
第3页 / 共11页
小马桩隧道二次衬砌工程施工组织设计方案.doc_第4页
第4页 / 共11页
小马桩隧道二次衬砌工程施工组织设计方案.doc_第5页
第5页 / 共11页
小马桩隧道二次衬砌工程施工组织设计方案.doc_第6页
第6页 / 共11页
小马桩隧道二次衬砌工程施工组织设计方案.doc_第7页
第7页 / 共11页
小马桩隧道二次衬砌工程施工组织设计方案.doc_第8页
第8页 / 共11页
小马桩隧道二次衬砌工程施工组织设计方案.doc_第9页
第9页 / 共11页
小马桩隧道二次衬砌工程施工组织设计方案.doc_第10页
第10页 / 共11页
亲,该文档总共11页,到这儿已超出免费预览范围,如果喜欢就下载吧!
资源描述

《小马桩隧道二次衬砌工程施工组织设计方案.doc》由会员分享,可在线阅读,更多相关《小马桩隧道二次衬砌工程施工组织设计方案.doc(11页珍藏版)》请在第壹文秘上搜索。

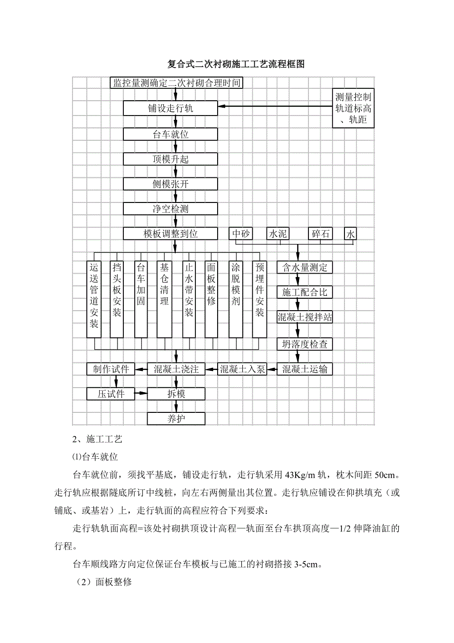
1、省道某某线某某至某某界段(曲山任家坪至禹里段)某某工程施工第七合同段隧道衬砌混凝土分项工程施工组织设计K12+831K12+930某某桥梁建设有限责任公司省道某某线某某至某某界段(任家坪至禹里段)某某工程施工第七合同段某某年6月5日隧道二次衬砌工程施工组织设计一编制依据1、施工设计图、2、公路工程技术标准(JTG B01-2003)3、公路隧道施工技术规范(JTJ 042-94)4、公路工程施工安全技术规程(JTJ 076-95)二施工准备 1、熟悉图纸及相关规范要求。2、根据现场施工组织情况,在施工前将所需材料提前运送至现场,所有进场材料均应经过试验室检验,并满足招投标文件对原材料各项指标的

2、要求。3、机械设备及人员配备见下表:项 目型 号单位数 量备注支护作业班人21熟练工人砼拌和机ZL1000台1柴油发电机组250J台1性能良好砼运输车8m台4性能良好衬砌台车台1性能良好插入式振捣器台6性能良好三进度计划计划开工时间:某某年6月12日,完工时间:某某年7月23日四总体目标1质量目标:合格 2安全目标:无重大、特大安全责任事故;特种作业人员持证上岗率100%;五施工工艺及方法1、工艺流程复合式二次衬砌施工工艺流程框图2、施工工艺台车就位台车就位前,须找平基底,铺设走行轨,走行轨采用43Kg/m轨,枕木间距50cm。走行轨应根据隧底所订中线桩,向左右两侧量出其位置。走行轨应铺设在仰

3、拱填充(或铺底、或基岩)上,走行轨面的高程应符合下列要求:走行轨轨面高程=该处衬砌拱顶设计高程轨面至台车拱顶高度1/2伸降油缸的行程。台车顺线路方向定位保证台车模板与已施工的衬砌搭接3-5cm。(2)面板整修首次使用的台车,要将面板的锈斑打磨干净,模板拼缝要打磨,接缝大于2mm处应采用腻子修补严实;后续拆除下来的模板与混凝土的接触面清理干净。模板安装前要涂刷隔离剂。隔离剂采用新鲜机油参柴油,配比为3:1,涂刷过程中要均匀,厚薄适当,已不流淌为准。(3)模板就位台车就位后,启动微调机构,用仪器校正模板外轮廓与设计净空相吻合,并锁定台车。校正模板外轮廓时,应注意复核台车中线是否与隧道中线重合、台车

4、拱顶高程是否考虑预留沉落量,按23cm考虑预留沉落量。衬砌模板台车就位后,模板尺寸其允许偏差见下表序号项 目允 许 偏 差(mm)检 验 方 法1边墙脚平面位置及高程15尺 量2起拱线高程10尺 量3拱顶高程+10偏差0水准测量4模板表面平整度52m靠尺和塞尺5相邻浇筑段表面高低差10尺 量(4)预埋件埋设预埋件和预留孔洞的留置应符合设计要求,允许偏差应符合下表的规定。序号项 目允 许 偏 差(mm)检 验 方 法1预留孔洞中心线位置10尺 量尺 寸+10偏差02预埋件中心线位置3尺 量(5)施工缝处理和堵头板安装堵头板安装堵头板采用五寸板,宽3060cm为宜,在台车端头采用80805mm的角

5、钢做背条,将堵头板扣紧在台车端头;角钢通过M20高强螺栓固定在台车端头预留的螺栓孔上。在堵头板上止水条位置钉设软质PVC管做为安设止水条的预留槽。(2)变形缝在明暗洞交界处设置环向变形缝。拱墙变形缝内设置遇水膨胀橡胶止水带。拱墙变形缝处衬砌外缘与防水板结合部位以聚硫密封胶封堵,衬砌内缘3cm范围内以聚硫密封胶封堵,以外2cm范围内设置U型渡锌钢板接水盒,其余空隙采用填缝料填塞密实。橡胶止水带主要技术指标见下表:序号项目性能指标备注1硬度(邵尔A)(度)6052拉伸强度(MPa)153扯断伸长率(%)3804压缩永久变形(%)7024h3523168h205撕裂强度(KN/m)306脆性温度()

6、-457热空气老化70168h硬度变化(邵尔A)(度)+8拉伸强度(MPa)12扯断伸长率(%)3008臭氧老化50pphm;20%,48h2级(3)施工缝纵、环向施工缝均安装遇水膨胀橡胶止水条,止水条安设在已施工的衬砌预留槽内,要填塞牢固,防止脱落。纵向施工缝应进行接茬处理,其处理方法如下:接茬面要凿毛冲洗干净;橡胶止水条主要技术指标见下表。序号项目性能指标备注1硬度(邵尔A)(度)4252拉伸强度(MPa)3.53扯断伸长率(%)4504体积膨胀率(%)2005反复浸水试验拉伸强度(MPa)3扯断伸长率(%)350体积膨胀率(%)2006低温弯折(-202h)无裂纹7防霉等级优于2级(6)

7、砼拌合与运送采用搅拌站集中拌制,原材料采用电子剂量,拌制混凝土时,原材料每盘称量的允许偏差见下表。序号项 目允 许 偏 差备注1水泥和干燥状态的拌合物1%2粗、细骨料2%3水、外加剂1%混凝土搅拌前,要严格测定粗细骨料的含水量,确定施工配合比。搅拌时,先投入细骨料、水泥、矿物掺合料和外加剂,搅拌30s;再加入水,搅拌30s;投入粗骨料,搅拌1-2min。以拌合均匀,色泽一致为度。检测混凝土的坍落度,控制在1518cm,其偏差不得大于20mm,边墙取小值,拱部取大值。混凝土采用运输车运输,盛装砼的容器不能漏浆,运送时间在环境气温+20时不应超过20分钟,运输过程中,要低速旋转混凝土运输车。混凝土

8、拌合物的坍落度应符合理论配合比要求,一般且必须满足泵送要求;入模含气量不得小于2%。(7)灌筑与振捣二次衬砌混凝土采用混凝土输送泵、输送管末端采用软管连接入模。混凝土入泵前,要使罐车高速旋转20-30s,且要重新检测混凝土的坍落度,如果损失过大或离析,拉回搅拌站进行二次搅拌,严禁现场私自加水以增加混凝土的坍落度。入模的自由倾落高度应保证其不发生离析,一般不应超过2m。输送管严禁接触模板,以免混凝土压出时对管口产生的强烈震动使模板变形。泵送过程中,停泵时间超过15min,应每隔4-5min开泵搅拌一次;停泵时间超过45min,应将管内和泵内混凝土清除。衬砌混凝土应左右两侧对称分层进行,分层厚度为

9、30cm,两侧灌筑高差最大不超过100cm。边墙及墙顶部分采用插入式软轴振捣器振捣,拱顶部分采用附着式振捣器振捣。采用插入式软轴振捣器振捣时,振捣时间宜为1030s,以混凝土表面泛浆或不冒大气泡为准。插入式振动棒需变换其在混凝土中的位置时,应竖向缓慢拔出,不得在混凝土浇注仓内平拖。泵送下料口应及时移动,不得用插入式振动棒平拖以驱赶下料口处堆积的拌合物将其推向远处。附注式振捣器应能单个启动,使用时,应根据需振捣的部位开启振捣器振动约3050s。灌筑砼不宜间断进行,若必须终止则不应超过混凝土初凝时间,否则应作间歇灌筑处理。衬砌混凝土浇注至起拱线位置时,应停歇30min左右,并充分振捣,待混凝土充分

10、下沉后再浇注拱部,以防因边墙混凝土下沉而造成拱部开裂。封顶:当拱部混凝土浇注至台车最上层窗口时,应将泵送管接至拱顶圆形进浆口。从圆形进浆口泵送混凝土进入衬砌台车时,应从已衬砌段向未衬砌段进行;混凝土充填满拱部后应暂时停止泵送,开启附着式振捣器及时振捣,以防因压力过大致使台车变形;振捣后继续泵送混凝土,直到混凝土浇注至台车挡头约2m处。在台车拱部挡头处预留环向长约2m的空间先不安设挡头板,以便进行封顶作业。当混凝土浇注至台车挡头约2m处时,将泵送管接至台车挡头处,通过软管从未安设挡头板处向拱顶浇注混凝土:将软管出口端设置于模板上预封顶处,待输送出的混凝土充满封顶部分并将软管埋入混凝土约30cm时

11、,将软管拔出约40cm,振捣后连续输送混凝土。待其埋入约30cm后,再拔管一次并振捣,直至混凝土浇注至台车挡头。当混凝土处浇注至台车挡头时,一边安设挡头板,一边浇注混凝土,并采用插入式振捣器振捣密实,直至封顶完毕。为保证拱部混凝土的密实性,在拱部预埋20压浆管,压浆管按纵向间距23m一处埋设,注浆材料采用M10水泥砂浆,其配合比应根据现场试验后确定,待衬砌混凝土强度达到设计强度的70%后再进行压浆处理,初压0.1MPa0.15MPa,终压0.2MPa。混凝土的入模温度应视洞内温度而调整。冬期施工时,混凝土的入模温度不应低于5;夏期施工时,混凝土的入模温度不宜高于洞内温度且不宜超过30。施工过程

12、中要实际测定关键截面的中部点温度和离表面约5cm深处的表层温度(包括仰拱和底板),实行严格的温度控制。二次衬砌结构任一截面在任一时间内的内部最高温度与表层温度之差一般不大于20,新浇混凝土与上一区段二次衬砌混凝土或围岩之间的温度差不大于20,洒水混凝土表面的养护水温度低于混凝土表面温度的差值不大于15,混凝土的降温速度不大于3/d。(8)养护应在浇筑完毕后的12h以内对混凝土保湿养护。混凝土浇水养护的时间不得少于14d。浇水次数应能保持混凝土处于湿润状态;混凝土养护用水应与拌合用水相同,水温应与环境气温基本相同。混凝土强度达到5Mpa前,不得在其上踩踏或安装模板及支架。当日平均气温低于5时,不

13、得浇水。(9)拆模承重模板拆除时,应符合下列要求:在初期支护变形稳定后施作的,二次衬砌混凝土强度达到8.0MPa以上;初期支护未稳定、二次衬砌提前施作的,混凝土强度应达到设计强度100%及以上;特殊情况下,应根据试验及监控量测结果确定拆模时间。拆除不承受外荷载的边墙、仰拱及底板等非承重模板时,混凝土强度不得低于2.5Mpa,并应保证其表面及棱角不受损伤。六质量控制我部设专职质检员和试验员,对各工序和各分项工程实行全过程跟踪。开工前进行技术交底,每道工序严格按设计文件、技术规范、总监办下发的质量管理办法规定的要求进行施工,各工序完工后实行“三级”验收制度,即:施工班组自检合格后报现场技术员检验;

14、现场技术员检验合格后报项目部质检科检验;质检科检验合格后报监理工程师检验。待每级检验均合格后再进行下道工序施工,如有任何一级检验不合格,均作返工处理。七安全保障措施我部设专职安全员,对各工序实行全过程监督和检查,定期对工人进行安全教育和培训,分项工程和各工序开工前对操作人员和管理人员进行安全技术交底,制定严格的安全管理制度和奖惩办法。安全保障重点注意以下几点:1所有机械由专人操作,并经培训后持证上岗,行走和使用过程中另派专人指挥;2特种作业(如钳工、电工)派专人经培训合格后持证上岗;八进度保证措施1明确阶段目标,保证计划的完成根据施工计划总进度对整个工程工期分阶段控制,实施中明确每个阶段的目标、任务、突出重点,全方位的抓落实。作业班以工序保证日计划,施工队以日计划保证总计划的完成。项目经理部除掌握总计划外,要以周计划下达施工,层层落实任务。2加强物资的供应、运输组织、试验和管理(1) 落实设计要求后,即派出专职人员与有关厂商落实订单和供货日期、运输方式等事宜,抓准抓早抓落实。

展开阅读全文
相关资源
猜你喜欢
相关搜索

当前位置:首页 > 论文 > 大学论文

copyright@ 2008-2023 1wenmi网站版权所有

经营许可证编号:宁ICP备2022001189号-1

本站为文档C2C交易模式,即用户上传的文档直接被用户下载,本站只是中间服务平台,本站所有文档下载所得的收益归上传人(含作者)所有。第壹文秘仅提供信息存储空间,仅对用户上传内容的表现方式做保护处理,对上载内容本身不做任何修改或编辑。若文档所含内容侵犯了您的版权或隐私,请立即通知第壹文秘网,我们立即给予删除!