水泥厂电气及自动化设备施工作业指导书—低压电器设备安装.docx

上传人:p** 文档编号:998211 上传时间:2024-06-14 格式:DOCX 页数:9 大小:20.82KB
下载 相关 举报
水泥厂电气及自动化设备施工作业指导书—低压电器设备安装.docx_第1页
第1页 / 共9页
水泥厂电气及自动化设备施工作业指导书—低压电器设备安装.docx_第2页
第2页 / 共9页
水泥厂电气及自动化设备施工作业指导书—低压电器设备安装.docx_第3页
第3页 / 共9页
水泥厂电气及自动化设备施工作业指导书—低压电器设备安装.docx_第4页
第4页 / 共9页
水泥厂电气及自动化设备施工作业指导书—低压电器设备安装.docx_第5页
第5页 / 共9页
水泥厂电气及自动化设备施工作业指导书—低压电器设备安装.docx_第6页
第6页 / 共9页
水泥厂电气及自动化设备施工作业指导书—低压电器设备安装.docx_第7页
第7页 / 共9页
水泥厂电气及自动化设备施工作业指导书—低压电器设备安装.docx_第8页
第8页 / 共9页
水泥厂电气及自动化设备施工作业指导书—低压电器设备安装.docx_第9页
第9页 / 共9页
亲,该文档总共9页,全部预览完了,如果喜欢就下载吧!
资源描述

《水泥厂电气及自动化设备施工作业指导书—低压电器设备安装.docx》由会员分享,可在线阅读,更多相关《水泥厂电气及自动化设备施工作业指导书—低压电器设备安装.docx(9页珍藏版)》请在第壹文秘上搜索。

1、电气及自动化设备施工作业指导书第八册低压电器设备安装中国建材工业建设苏州安装工程公司二OOO年五月第一版一、概述低压电器主要是控制电力拖动系统,按其用途或控制的对象分为:低压配电电器:如刀开关、转换开关、熔断器、自动开关及保护继电器。低压控制电器:如控制继电器、接触器、起动器、控制器、调压器、主令电器、电阻器、变阻器、电磁铁。按其操作可分为:自动电器手动电器二、低压电器的安装1 一般规定1.1 安装前的检查应符合下列要求:外壳、漆层、手柄无损伤或变形。内部仪表、灭弧罩、瓷件等无裂纹或伤痕。附件齐全、完好。1.2 低压电器及其操作机构的固定方式和安装高度,如设计无规定,应符合下列要求:宜用支架或

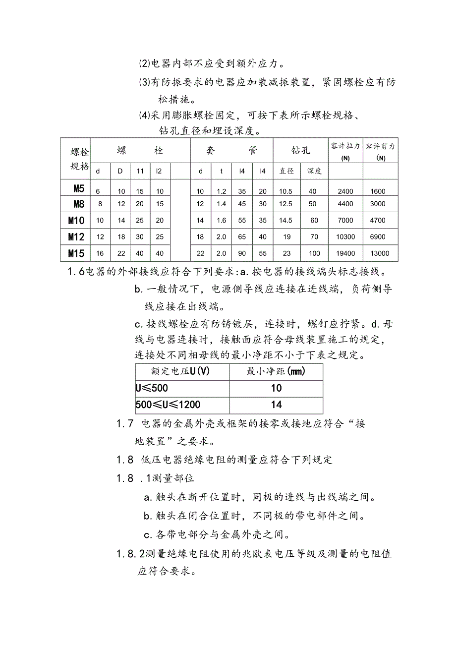
2、垫板(木板或绝缘板)固定在墙或柱上。落地安装的电器设备,其底面一般应高出地面501OOmmo操作手柄中心距地面为1.21.5m,侧面操作手柄距建筑物(其它设备)不少于200mm。1.3 成排或集中安装的低压电器应排列整齐,便于操作和维护。1.4 室外安装的低压电器应有防止雨、雪、风沙侵入的措施。1.5 固定低压电器应符合下列要求:(1)紧固螺栓规格应选配适当,电器的固定应牢固、平整。电器内部不应受到额外应力。有防振要求的电器应加装减振装置,紧固螺栓应有防松措施。采用膨胀螺栓固定,可按下表所示螺栓规格、钻孔直径和埋设深度。螺栓规格螺栓套管钻孔容许拉力(N)容许剪力(N)dD11I2dtI4I4直

3、径深度M56101510101.2352010.54024001600M88122015121.4453012.55044003000M1010142520141.6553514.56070004700M1212183025182.065401970103006900M1516224040222.090552310019400130001.6电器的外部接线应符合下列要求:a.按电器的接线端头标志接线。b.一般情况下,电源侧导线应连接在进线端,负荷侧导线应接在出线端。c.接线螺栓应有防锈镀层,连接时,螺钉应拧紧。d.母线与电器连接时,接触面应符合母线装置施工的规定,连接处不同相母线的最小净距不小

4、于下表之规定。额定电压U(V)最小净距(mm)U50010500U1200141.7 电器的金属外壳或框架的接零或接地应符合“接地装置”之要求。1.8 低压电器绝缘电阻的测量应符合下列规定1.8 .1测量部位a.触头在断开位置时,同极的进线与出线端之间。b.触头在闭合位置时,不同极的带电部件之间。c.各带电部分与金属外壳之间。1.8.2测量绝缘电阻使用的兆欧表电压等级及测量的电阻值应符合要求。1.9 低压电器进行试验,并符合规定。(1)电压线圈动作值校验a.吸合电压不大于85%U,释放电压不少于5%Ub.短时工作的合闸线圈应在(85110)%范围内,分励线圈应在U(75110)%U范围内均能可

5、靠工作(U为额定工作电压)。(2)用电动机或液压、气压传动方式操作的电器,除产品另有规定外,当电压液压、气压在85%110%额定值范围内,应可靠工作。各类过电流脱扣器、失压和分励脱扣器、巡时装置等,应按设计要求进行整定,其整定值误差不得超过产品的标称误差值。2低压电器的独立安装2.1闸刀开关的安装刀开关应垂直安装在开关极上,并要使夹座位于上方。刀开关作隔离开关时,应先合刀开关,再合其他控制开关,分闸顺序相反。严格按产品说明书规定的分断能力来分断负荷,无灭弧罩的刀开关一般不允许分断负荷。刀片和固定触头的接触良好,大电流的触头或刀片可适量加润滑油。直流母线隔离开关安装时a.开关无论垂直或水平安装,

6、刀片应垂直板面上,在混凝土基础时,刀片底部与基础间应有不少于50mm的间隙。b.开关动触片于两侧压板的距离应调整均匀,合闸后,接触面应充分分压紧,刀片不得摆动。C.刀片与直线直接连接时,母线固定端必须牢固。2.2 熔断器安装熔断器是一种保护电器,熔断器的熔断电流一般大于额定电流的1.32.1倍。在安装和使用时,应注意以下几点:a.正确选择熔丝。b.熔断器所装的熔丝额定电流,只能小于或等于熔断管的额定电流。c.安装熔丝时,不能碰伤它。d.熔丝的两端不接触良好,紧密连接。e.装熔丝时,熔丝应沿螺栓顺时针方向弯过来,压在垫圈下。f.更换熔丝时,一定要切断电源。2.3 铁壳开关的安装铁壳开关应垂直安装

7、,可安装在墙上或支架上。安装高度一般为距地面131.5叫便于操作。开关外壳和支架均应明显可靠的接地。配管时,管子应穿入开关上的孔眼用管螺丝与开关连接或用金属软管引入开关盒内,金属软管与钢管或开关都应用金属软管接头,而不能焊死。开关接线,电源侧线端应接在电熔器端的接线柱上,负荷线应接在开关侧的接线柱上。以便检查开关时,闸刀部分不能带电。2.4 交流接触器和磁力起动器2.5 .1安装前的检查a.检查各部件、零件有无损坏和松动现象,接线是否正确完整。b.起动器和可动部件应灵活、无卡阻现象,分合闸应迅速可靠,无缓慢停顿现象,灭弧装置应完整清洁。c.起动器的触头表面应完整,不应有金属碎硝或锈斑,触头接触

8、应紧密。d.有热继电器的起动器,热元件的规格应符合电动机额定电流的要求。e.吸引线圈和导电部分的绝缘应良好。2.4.2 交流接触器和磁力起动器的安装同铁壳开关,安装位置应是灭弧室朝上,衔铁在下,并垂直安装。2.4.3 起动器与控制按钮开关配套使用。2.5控制按钮和控制器的安装2.5.1按钮安装a.按钮及按钮箱安装时,间距应为50100mm,倾斜安装时,与水平面的倾角不宜小于30ob.按钮操作应灵活、可靠、无卡阻。c.集中在一处安装的按钮应有编号或不同的标志。“紧急”按钮应有鲜明的标记。2.5.2控制器的安装凸轮控制器及主令控制器应装在便于操作或观察的位置上,操作手柄或手轮安装高度一般为112m

9、控制器安装a.操作应灵活,档位准确。b.操作手柄或手轮的动作方向应尽量与机械装置的动作方向一致。c.操作手柄或手轮在各个不同位置时,触头分、合顺序应符合控制的接线图。d.控制器触头压力均匀,触头超行程不少于产品技术文件规定,主触头的灭弧装置应完好。e.控制器的转动部分或齿轮减速机构应润滑良好。2.6自耦补偿起动器的安装2.6.1安装方式同铁壳开关,但油箱不得倾斜,以防绝缘油溢出。2.6.2新安装的补偿器要灌入合格的绝缘油,注油前应将补偿箱内打扫干净。2.6.3绝缘应良好,用500V兆欧表测量一般在O.5MQ以上。2.6.4各部分的接触应良好,触头应接触紧密,用0.05mm塞尺应塞不进去。2.6

10、.5三相触头应同时接触,触头断开距离应符合制造厂之规定。2.6.6补偿器起动时,起动时间不应过长,可连续起动23次后,待冷却后方可起动。2.7Y-A起动器的安装2.7. 1安装方式同配电框。1.1 .2外壳应可靠接地或接零。2.8 自动空气开关的安装2.8. 1随配电柜安装。2.8. 2独立安装在木板或铁制配电板上,不适用于容易震动的地方。2.8.3自动开关要垂直安装,灭弧室应位于上部。2.9电磁铁的安装2.9. 1电磁铁铁心表面应洁净无锈蚀,通电前应除去防护油脂。2.9.2衔铁及其传动机构的动作应迅速、准确,无阻滞现象,直流电磁铁衔铁应有隔磁措施,以清除剩磁影响。2.9.3制动电磁铁的衔铁吸

11、合时,铁芯接触面应紧密地与其固定部分接触,且不得有异常响声。2.9.4有缓冲装置的制动电磁铁,应调节其缓冲器气道孔的螺钉,使衔铁动作至最终位置时平稳,无剧烈冲击。2.9.5牵引电磁铁固定位置应与阀门推杆准确配合,使动作行程符合设备要求。三、低压电器的基本试验和调试工期1低压电器的基本试验1.1一般检查1.1.1检查电器的外形尺寸和安装尺寸1. 1.2检查电器的电气间隙、爬电距离、触头开距、超行程、压力、操作力。1.2 电压降检查:通以恒定直流电流,用仪表直接测被测部分两端的电压障。1.3 温升试验:用低压电源进行,测量电器各部件的温升。1.4 绝缘电阻测量1.4 .1触点断开时,动、静触头间的

12、绝缘电阻值。1.4.2触点闭合时,带电部件与不带电部件间的绝缘电阻值。1.5 介质性能试验1.6 .1进行工频耐压试验。1.5.2在电气间隙小于标准规定时,须进行肪冲耐压试验。1.7 额定接通和分断能力试验:主电路和辅助触头都应进行。1.8 短路接通和分断能力试验:在规定电压、电源、COS或时间常数下进行.1.9 短时耐受电流能力试验:考核短路电流的热效应和电动力效应对电器的影响。1.10 作性能试验:要进行一定次数的操作,以检查动作的可靠性。2低压电器的调整、试验项目2.1 测量低压电器连同所连接的电缆及二次回路的绝缘电阻不应小于IM在比较潮湿的地方可不小于0.5MQ。2.2 电压线圈动作值

13、校验应符合下列规定:当线圈的吸合电压不应大于额定电压的85%,释放电压不应小于额定电压的0.5%,短时工作的合闸线圈应在额定电压的85110%范围内,分励线圈应在额定电压的75%110%范围内均可靠工作。2.3 低压电器动作情况的检查应符合下列规定:对采用电动机、液压、气压传动方式操作的电器,除产品另有规定外,当电压、液压、气压在额定值的85%110%范围内,电器均可靠工作。2.4 低压电器采用的脱扣器整定,应符合下列规定:各类过电流脱扣器,失压和分励脱扣器、巡时装置等应按使用要求进行整定,其整定值误差不得超过产品技术条件的规定。2.5 5测量电阻器、变阻器的直流电阻应符合产品技术条件之规定。

14、2. 6低压电器连同电缆、二次回路的交流耐压试验应符合下列规定:试验电压为100OV,当回路的绝缘电阻值在IOMQ以上时,可采用250OV兆欧表代替,试验持续时间为Imino四、应注意的质量问题1注意不要使用已淘汰的低压电器产品。2注意正确选用熔体和熔断器。在配电线路中,一般要求前一级溶体比后一级熔体的额定电流大23级,以防止越级动作而扩大故障停电范围。熔断器的最大分断能力应大于被保护线路上的最大短路电流。五、安全注意事项1低压电器所用保险丝(片)的额定电流应与其负荷容量相适应,禁止用其它金属线代替保险丝(片)。2安装自动开关等有返回弹簧的开关设备时,应将开关置于断开位置。3安装铁壳开关时,应注意进、出线不能接反。4电气设备的金属外壳必须接地或接零,同一供电网不允许有的接地,有的接零。

展开阅读全文
相关资源
猜你喜欢
相关搜索

当前位置:首页 > 汽车/机械/制造 > 电气技术

copyright@ 2008-2023 1wenmi网站版权所有

经营许可证编号:宁ICP备2022001189号-1

本站为文档C2C交易模式,即用户上传的文档直接被用户下载,本站只是中间服务平台,本站所有文档下载所得的收益归上传人(含作者)所有。第壹文秘仅提供信息存储空间,仅对用户上传内容的表现方式做保护处理,对上载内容本身不做任何修改或编辑。若文档所含内容侵犯了您的版权或隐私,请立即通知第壹文秘网,我们立即给予删除!