009[学士]某多高层钢结构住宅毕业设计(含计算书、建筑结构设计图).docx

上传人:p** 文档编号:999687 上传时间:2024-06-14 格式:DOCX 页数:91 大小:745.56KB
下载 相关 举报
009[学士]某多高层钢结构住宅毕业设计(含计算书、建筑结构设计图).docx_第1页
第1页 / 共91页
009[学士]某多高层钢结构住宅毕业设计(含计算书、建筑结构设计图).docx_第2页
第2页 / 共91页
009[学士]某多高层钢结构住宅毕业设计(含计算书、建筑结构设计图).docx_第3页
第3页 / 共91页
009[学士]某多高层钢结构住宅毕业设计(含计算书、建筑结构设计图).docx_第4页
第4页 / 共91页
009[学士]某多高层钢结构住宅毕业设计(含计算书、建筑结构设计图).docx_第5页
第5页 / 共91页
009[学士]某多高层钢结构住宅毕业设计(含计算书、建筑结构设计图).docx_第6页
第6页 / 共91页
009[学士]某多高层钢结构住宅毕业设计(含计算书、建筑结构设计图).docx_第7页
第7页 / 共91页
009[学士]某多高层钢结构住宅毕业设计(含计算书、建筑结构设计图).docx_第8页
第8页 / 共91页
009[学士]某多高层钢结构住宅毕业设计(含计算书、建筑结构设计图).docx_第9页
第9页 / 共91页
009[学士]某多高层钢结构住宅毕业设计(含计算书、建筑结构设计图).docx_第10页
第10页 / 共91页
亲,该文档总共91页,到这儿已超出免费预览范围,如果喜欢就下载吧!
资源描述

《009[学士]某多高层钢结构住宅毕业设计(含计算书、建筑结构设计图).docx》由会员分享,可在线阅读,更多相关《009[学士]某多高层钢结构住宅毕业设计(含计算书、建筑结构设计图).docx(91页珍藏版)》请在第壹文秘上搜索。

1、雅居乐多高层钢结构住宅方案设计1 .工程概况工程名称:雅居乐多高层钢结构住宅;建设地点:东莞市区某地;工程概况:场地大小为30mX30m,812层,建筑总高度不超过40m,室内外高差为0.3m,设计运用年限为50年;基本风压:=0.8kNm2,地面粗糙程度为C类;抗震要求:抗震设防类别为丙类,抗震设防烈度为8度,II类场地土,设计地震分组为第一组。场地土层状况:表2-1场地土层状况层次层厚(m)层底标高(m)(地面标高0.00)土体类型土体参数I1.00-1.00杂填土II2.50-3.50淤泥质土IIl3.00-6.50粉质粘土含水率供=31%,塑限=18%,液限在=37%IV5.50-12

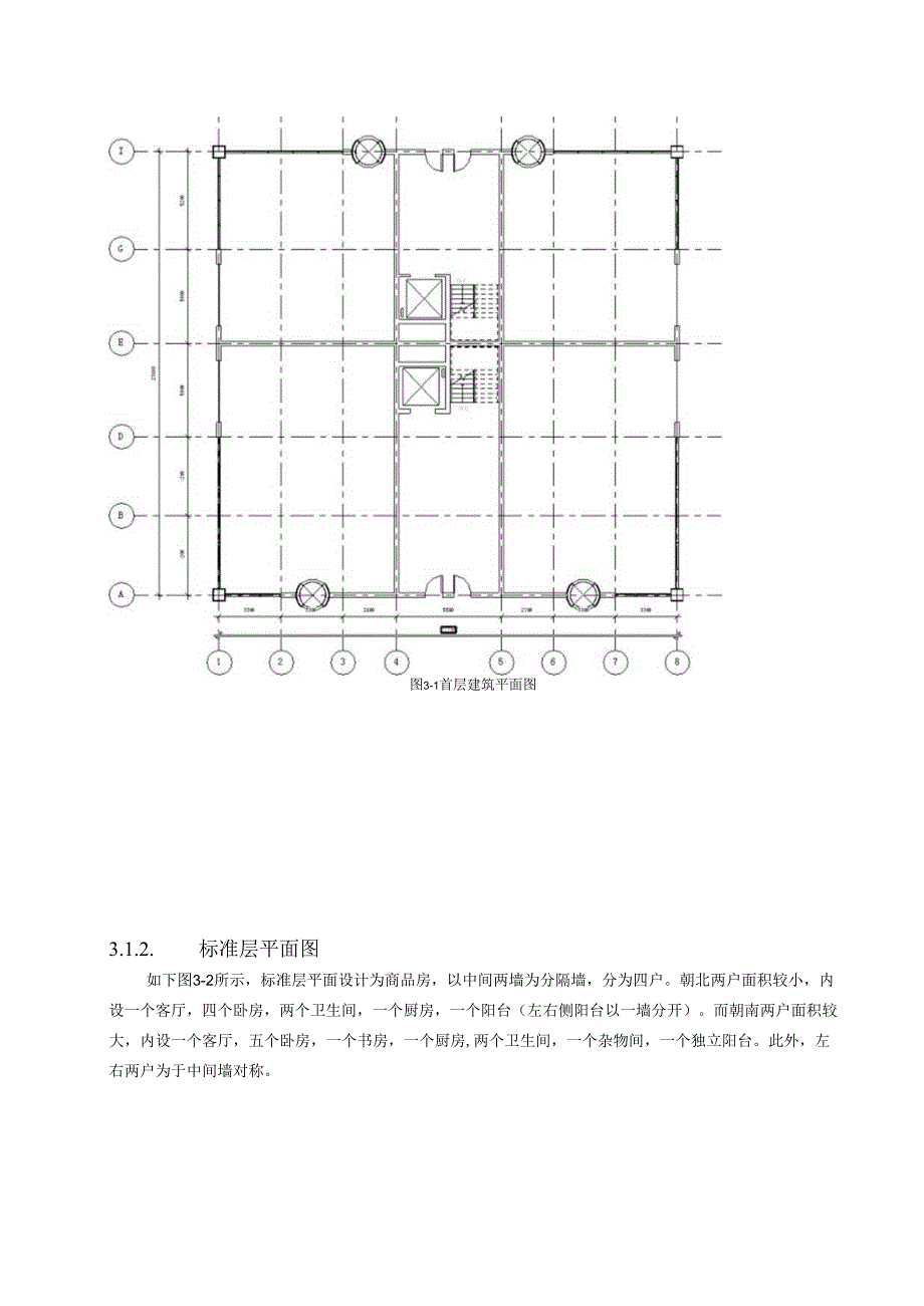
2、.00粉土孔隙比e=07VOO.中密的中砂2 .建筑与结构布置3.1.建筑布置3.1.1.首层建筑平面图如下图31所示,首层平面设计为大空间的形式,可以用此空间做为店面,即商住两用住宅。中间设计为过道、楼梯和电梯。由过道和墙把首层建筑分开为四个大空间,作为四月店。由于商业的要求,首层平面将进行比较豪华的装修,例如钢柱将外包为方柱,而墙也做成玻璃幕墙与装饰墙混合的形式。此外,门也将用比较好看的旋转门,以吸引顾客。图3-1首层建筑平面图3.1.2.标准层平面图如下图3-2所示,标准层平面设计为商品房,以中间两墙为分隔墙,分为四户。朝北两户面积较小,内设一个客厅,四个卧房,两个卫生间,一个厨房,一个

3、阳台(左右侧阳台以一墙分开)。而朝南两户面积较大,内设一个客厅,五个卧房,一个书房,一个厨房,两个卫生间,一个杂物间,一个独立阳台。此外,左右两户为于中间墙对称。=_41III1-4IIIi.f=4rj1.I1III1.W=1=-11因IIIJJ计算书配套CAD图纸在爱建筑网下载全套毕业设计尽在爱建筑网3.1.3.顶层平面图如下图3-2所示,顶层设计为空旷的天台,外围有1.2m的女儿墙,屋檐外挑50OmmoII-.3.1.4.剖面图i5力,1*31与W1,*|s4三19*1*j5*iM员d*1I3.EE0E110唱10阻|0眼IiiiiiiiiiIIIIIIIIIiiiiiiihIlliIll

4、IiiiiiiiiminIiiiiiiiiilinnIiiiiiiihIIIIIIIIiiiiiiiiIIIIIIIIIiiiiiiihIIIIIIIIIIIIIIMIIIIIIIIiiiiiihIIIIIIIIIiiiiiiimIIIIIIIIIJb=b=P=BaHajIitaBBiBligi画唱I画圈画喇置囱ggII图3-4剖面图2J三Ej0三Illllu三IIIiHiIIIlIIIiHiIIiIIlliiliililinIlliiliihlIlliIIlIIiIl三ilIliiiliiiiioamhuiIIIIllll国1.国园比IHIIIIHIIIIIIIIIIIIII11MI1.lf

5、fl1.mm0T三03三三三三lffilerIl三T11IInW三三三JBa国3. 2.结构布置如下图3-4所示,结构布置为纯框架结构,主梁与柱刚接,由于建筑设计中布置了很多轻质A1.C隔板,为满意结构须要,布置连续次梁。由于结构比较规则,且受力也比较对称,次梁与主梁连接采纳刚接方式。图3-4标准层结构布置图3.初步设计3.1. 建筑做法屋面做法:压型钢板混凝土组合楼板,20mm石灰砂浆抹底,20mm水泥砂浆找平,100140厚(2%找坡)膨胀珍宝岩保温层,八层作法防水层(三毡四油上铺小石子)。墙身做法:外墙采纳15Omm厚A1.C板,分户墙等要加支撑的墙选用混凝土空心小砌块,内隔墙采纳100

6、mm厚A1.C板,计算自重6.5ZN/加楼盖做法:楼盖采纳压型钢板混凝土组合楼板,压型钢板上的混凝土选取100mm。门窗做法:门为木门,自重0.2kNm2,窗为钢窗玻璃窗,自重0.4kNm204. 2.屋盖做法压型钢板采纳国产压型钢板YX70-200-600O下面查建筑结构荷载规范(GB50009_2001)进行荷载计算。由于屋面为上人的屋面,取标准值为2.0%Na。恒荷载标准值20厚水泥混凝土找平2X23=0.46ZN/100140厚(2%找坡)膨胀珍宝岩(0.()8+0,16)27=0.()84w2八层作法防水层OAkNZm2100mrn厚钢筋混凝土楼板0.125=25ZN20mm厚石灰砂

7、浆抹底2x17=0.34AN/tn压型钢板自重0.136Wn2小计3.92ZN/荷载设计值g+q=1.2X3.92+1.4X2.0=4.70+2.8=75kN/m24.3.楼盖做法依据建筑结构荷载规范(GB50009-2001),民用建筑楼面均布活荷载标准值亦取2.0kNm2O恒荷载标准值水磨石面层0.65kNm220厚水泥混凝土找平002x23=0A6kNm2100mrn厚钢筋混凝土楼板0.1x25=2.5ZN/苏压型钢板自重036kNm2小计4.09kNm2g+q=1.2X4.09+1.4X2.0=7.71kN/m2确定荷载设计值时考虑两种状况:活荷载效应限制和恒荷载效应限制,取大者。故,

8、在此取g+4=7.7WNm4.4.材料验算查压型钢板规格表,压型钢板强度/=205N/加,面积&=166&压型钢板自重0.136ZN三2,%=10064c,叱jr=27.37c,混凝土选用面层自重为1.lWN/,重心距底板高度为41.46利。平均板厚度为.U007X1zw+5(70mm+50mm)270)100Omm=12tntn计算简图:由于施工阶段板块还未拼接完成,故分为一块一块,可视其为结构为简支单向板,而在结构布置中,,max=2100“。7.71图4T计算简图施工阶段:恒载活载弯矩运用阶段恒载g=1.2xg*=1.2(0.12125+0.136)=3.79Vwqx=Aqk=1.41.

9、0=AkN/mM=Jg+1V1.x=(3.79+1.4)2.12=2.86ZNmOOg=1.2x4.09=4.9MNm2活载g=1.4x2.0=2.8(UN/m弯矩M=U2.86ZNm挠度计算5(g*+qj4384EsIef5(4.91+2.80)x2.143842.06105100.6410-89.42mmmi11=10.5机机m,11200200组合板验算(运用阶段)抗弯强度=100+70-41.4=128.6(加?)Aj1668205”,X=35.62(MW)623*N.m)斜截面抗剪承载力每个肋平均宽度(50+70)/2=60(mm)V=0.7f,b=0.71.10(560)l28.6

10、=29.7(kN)9.92(ZN)4.5.板的设计按弹性设计。计算简图由结构平面布置图知,楼板最长跨度为十四跨,而由于结构力学学问知,在中间跨部分,弯矩基本相等,而图中中间跨的跨度没有很大的改变,故化为五跨的简图来计算。中间跨取最大长度1.x=I900表4-1五跨计算表荷载图跨内最大弯矩支座弯矩MlM2M3MbMcMdMf90.0780.0330.046-0.105-0.079-0.08-0.105AQAAbqmi、IImETm0.1一0.085-0.053-0.04-0.04-0.0531将力VaVblBclVdlVelVfVbrBcrVdrVer0.394-0.61-0.47-0.5-0.

11、5260.3940.5260.50.4740.6060.447-0.550.013-0.5-0.013-0.450.0130.5-0.0130.553由表知,最大内力如下:g=1.2X4.09=4.91kN/而,g=1.4x2.0=2.SkNm2弯矩M=0.0782+0.2=0.0784.911.92+0.12.81.92=2.39ZNinMb=-0.1052-0.052=-0.1054.911.92-0.0532.81.92=2A0kNm剪力Mb=0.394g/+0.447=0.3944.911.9+0.4472.81.9=6.05ZN4.6.次梁的设计内隔墙采纳100mm厚A1.C板,计算自重65ZN加3,即化为线性均布荷载为6.53.000O.lOO=1.95Ar7Vw,暂不考虑次梁自重。

展开阅读全文
相关资源
猜你喜欢
相关搜索

当前位置:首页 > 论文 > 毕业论文

copyright@ 2008-2023 1wenmi网站版权所有

经营许可证编号:宁ICP备2022001189号-1

本站为文档C2C交易模式,即用户上传的文档直接被用户下载,本站只是中间服务平台,本站所有文档下载所得的收益归上传人(含作者)所有。第壹文秘仅提供信息存储空间,仅对用户上传内容的表现方式做保护处理,对上载内容本身不做任何修改或编辑。若文档所含内容侵犯了您的版权或隐私,请立即通知第壹文秘网,我们立即给予删除!