涂料实验室检测项目一览表-海川检测中心涂料实验室检测能力.docx

上传人:p** 文档编号:1001377 上传时间:2024-06-14 格式:DOCX 页数:4 大小:14.51KB
下载 相关 举报
涂料实验室检测项目一览表-海川检测中心涂料实验室检测能力.docx_第1页
第1页 / 共4页
涂料实验室检测项目一览表-海川检测中心涂料实验室检测能力.docx_第2页
第2页 / 共4页
涂料实验室检测项目一览表-海川检测中心涂料实验室检测能力.docx_第3页
第3页 / 共4页
涂料实验室检测项目一览表-海川检测中心涂料实验室检测能力.docx_第4页
第4页 / 共4页
亲,该文档总共4页,全部预览完了,如果喜欢就下载吧!
资源描述

《涂料实验室检测项目一览表-海川检测中心涂料实验室检测能力.docx》由会员分享,可在线阅读,更多相关《涂料实验室检测项目一览表-海川检测中心涂料实验室检测能力.docx(4页珍藏版)》请在第壹文秘上搜索。

1、表1涂料实验室参数检测项目及引用标准序号产品/产品类别(检测)依据标准/规范号检测/校准项目或参数序号名称条款号/方法标准号1涂料GB/T1723-19931.涂料粘度5.3GB/T1726-1979(1989)2.涂料遮盖力GBfT1728-1979(1989)3.漆膜、腻子膜干燥时间法GB/T1731-19934.漆膜柔韧性GB/T1732-19935.漆膜耐冲击性GB/T1733-19936.漆膜耐水性GBfT1768-20067.漆膜耐磨性GBfT6739-20068.漆膜铅笔硬度GB/T6740-19869.漆料挥发物和不挥发物含量GB/T6753.1-200710.涂料研磨细度GB

2、/T9264-198811.色漆流挂性GB/T9265-198812.建筑涂料涂层耐碱性GB/T9266-198813.建筑涂料涂层耐洗刷性GB/T9268-8814.乳胶漆耐冻融性GB/T9274-198815.色漆和清漆耐液体介质的测定GB/T9286-199816.色漆和清漆漆膜的划格实验GB9754-200717.色漆和清漆不含金属颜料的色漆漆膜之20。、60。、85。镜面光泽GBfT9780-200518.建筑涂料涂层耐沾污性GBfT13452.2-199219.色漆和清漆漆膜厚度JG/T25-199920.建筑涂料涂层耐冻融循环性1涂料JB/T3998-199921.涂料流平性(涂

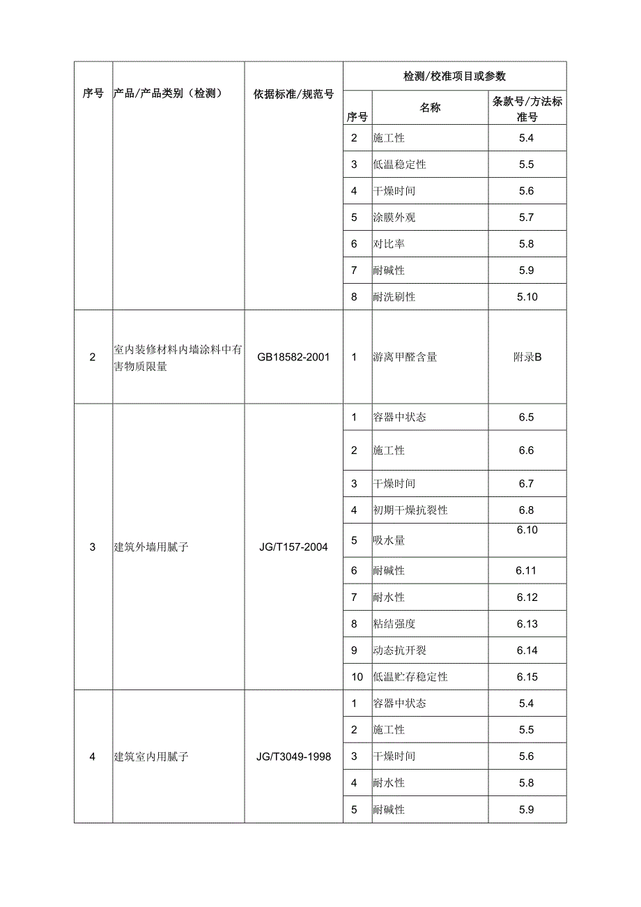
3、刮测定法)ASTMD562-0122.Stormer稠度序号产品/产品类别(检测)依据标准/规范号检测/校准项目或参数序号名称条款号/方法标准号ASTMD2196-0523.Brookfield旋转粘度ASTMD4287-0024.ICI高剪切粘度表2涂料实验室产品检测项目及引用标准序号产品/产品类别(检测)依据标准/规范号检测/校准项目或参数序号名称条款号/方法标准号1合成树脂乳液内墙涂料GB/T9756-20011容器中状态5.3序号产品/产品类别(检测)依据标准/规范号检测/校准项目或参数序号名称条款号/方法标准号2施工性5.43低温稳定性5.54干燥时间5.65涂膜外观5.76对比率5

4、.87耐碱性5.98耐洗刷性5.102室内装修材料内墙涂料中有害物质限量GB18582-20011游离甲醛含量附录B3建筑外墙用腻子JG/T157-20041容器中状态6.52施工性6.63干燥时间6.74初期干燥抗裂性6.85吸水量6.106耐碱性6.117耐水性6.128粘结强度6.139动态抗开裂6.1410低温贮存稳定性6.154建筑室内用腻子JG/T3049-19981容器中状态5.42施工性5.53干燥时间5.64耐水性5.85耐碱性5.9序号产品/产品类别(检测)依据标准/规范号检测/校准项目或参数序号名称条款号/方法标准号6粘结强度5.107低温贮存稳定性5.115颜料GB/T5950-19961建筑材料与非金属矿产品白度测量方法注:需要本中心制板的,视制板的复杂程度,每个样品收取100400元制板费。加急费用:以上为10个工作日内安排的产品/项目检测价格;如需加急,5个工作日内加收50,2个工作日内加收Io0。联系方式地址:中国广东省深圳市车公庙天安数码城F3.8栋C、D座七、八楼邮编:518040电话:0755-83300670传真:0755-83300726

展开阅读全文
相关资源
猜你喜欢
相关搜索

当前位置:首页 > 办公文档 > 统计图表

copyright@ 2008-2023 1wenmi网站版权所有

经营许可证编号:宁ICP备2022001189号-1

本站为文档C2C交易模式,即用户上传的文档直接被用户下载,本站只是中间服务平台,本站所有文档下载所得的收益归上传人(含作者)所有。第壹文秘仅提供信息存储空间,仅对用户上传内容的表现方式做保护处理,对上载内容本身不做任何修改或编辑。若文档所含内容侵犯了您的版权或隐私,请立即通知第壹文秘网,我们立即给予删除!