清水砌体勾缝分项工程检验批质量验收记录模板.docx

上传人:p** 文档编号:1002450 上传时间:2024-06-15 格式:DOCX 页数:1 大小:8.24KB
下载 相关 举报
清水砌体勾缝分项工程检验批质量验收记录模板.docx_第1页
第1页 / 共1页
亲,该文档总共1页,全部预览完了,如果喜欢就下载吧!
资源描述

《清水砌体勾缝分项工程检验批质量验收记录模板.docx》由会员分享,可在线阅读,更多相关《清水砌体勾缝分项工程检验批质量验收记录模板.docx(1页珍藏版)》请在第壹文秘上搜索。

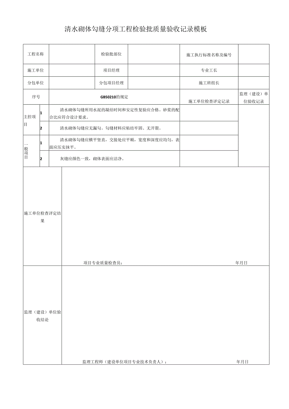
清水砌体勾缝分项工程检验批质量验收记录模板工程名称检验批部位施工执行标准名称及编号施工单位项目经理专业工长分包单位分包项目经理施工班组长序号GB50210的规定施工单位检查评定记录监理(建设)单位验收记录主控项目1清水砌体勾缝所用水泥的凝结时间和安定性复验应合格。砂浆的配合比应符合设计要求。2清水砌体勾缝应无漏勾。勾缝材料应粘结牢固、无开裂。一般项目1清水砌体勾缝应横平竖直,交接处应平顺,宽度和深度应均匀,表面应压实抹平。2灰缝应颜色一致,砌体表面应洁净。施工单位检查评定结果项目专业质量检查员:年月日监理(建设)单位验收结论监理工程师(建设单位项目专业技术负责人):年月日

展开阅读全文
相关资源
猜你喜欢
相关搜索

当前位置:首页 > 建筑/环境 > 建筑资料

copyright@ 2008-2023 1wenmi网站版权所有

经营许可证编号:宁ICP备2022001189号-1

本站为文档C2C交易模式,即用户上传的文档直接被用户下载,本站只是中间服务平台,本站所有文档下载所得的收益归上传人(含作者)所有。第壹文秘仅提供信息存储空间,仅对用户上传内容的表现方式做保护处理,对上载内容本身不做任何修改或编辑。若文档所含内容侵犯了您的版权或隐私,请立即通知第壹文秘网,我们立即给予删除!