3844电源的原理及维修.docx

上传人:p** 文档编号:1014670 上传时间:2024-06-15 格式:DOCX 页数:3 大小:56.62KB
下载 相关 举报
3844电源的原理及维修.docx_第1页
第1页 / 共3页
3844电源的原理及维修.docx_第2页
第2页 / 共3页
3844电源的原理及维修.docx_第3页
第3页 / 共3页
亲,该文档总共3页,全部预览完了,如果喜欢就下载吧!
资源描述

《3844电源的原理及维修.docx》由会员分享,可在线阅读,更多相关《3844电源的原理及维修.docx(3页珍藏版)》请在第壹文秘上搜索。

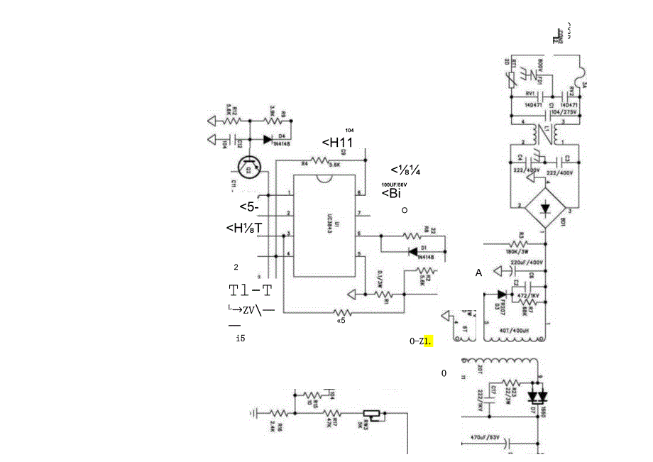
1、变频器开关电源的原理及修理修理部杨海涛电源是每一个电路的重要组成部分,担负着为电路供应能量的重要作用,它是设备能够正常运行的重要保障。电源的种类许多,开关电源由于体积小、重量轻、效率高、动态稳压效果好,因此被广泛应用到了各种电子设备中。下面就以UC3844开关电源芯片为例讲解并描述一下开关电源的基本原理和在变频电路中的作用。右图a-1所示为开关电源PwM波形调制芯片。该图为8脚双列直插封装。7脚是芯片的电源输入端,该端在内部集成了稳压器和最低门限电压限制器,所以该芯片不用在外围设置稳压电路,只要接一只降压电阻即可。最低门限值为10V,当7脚输入电压低于10V,该芯片将禁止输出,处于爱护状态。正

2、常工作时该端电压约为12V16V之间。4脚是内部压控振荡器的定时端,通过接上合适的RC网络,使输出的PWM波限制在20KHZ100KHZ之间。a12脚、3脚是输出取样反馈端,用于检测开关电源的输出,以便进行PWM调制限制,从而达到稳压的目的。在变频器系统中,开关电源须要输出:一组5V/DC、一组12VDC四组20V/DC等多组电压。其中5V/DC主要用作主板及限制板的供电,12VDC用作霍尔检测器件的供电,四组20V/DC用作IGBT的触发供电。变频器的型号及品牌不同,其开关电源的电压值也不尽相同,但基本构架是一样的,在此仅以下图为例讲一讲开关电源的工作原理。a-2如图a2所示:电源经DID4

3、、CkC2整流滤波之后,通过降压电阻R3到了UC3844的7脚电源正端,为其供电,UC3844通过检测当7脚电压大于IOV时,限制内部压控振荡器起先工作,通过R8、C5将PwM的频率限制在要求范围之内。此时6脚输出PwM信号去限制开关管QI的通断,RlO是开关管的电流检测电阻,通过检测RlO的电压值来实时调整PWM的脉冲宽度,从而达到自动稳压的目的。在图中变压器的副绕组通过D6、C7、C8整流滤波之后到了UC3844的7脚,增加了UC3844的驱动实力。C9、RH.D5是开关管的滤波汲取网络,目的在于汲取变压器的反向脉冲,爱护开关管。ACTAC-4是开关变压器的次级输出绕组,通过D7、D8、D

4、9、DIO、CIO.Cll-C17进行整流滤波后输出对后级电路进行供电。了解了开关电源的原理之后,让我们来看看假如开关电源出现问题应当怎样进行修理。开关电源的几个修理步骤如下:1、检测整流电路DID4是否击穿或断路,滤波电路的电容是否损坏,平衡电阻RI、R2是否正常,降压电阻R3是否烧断或阻值增大失效(断电状况下测试)。2、检测开关管b-e结、c-e结是否有击穿短路现象、测量开关变压器各个绕组是否有短路现象,以确定开关管、及开关变压器的好坏(断电状况下测试)。3、检测次级输出绕组的整流滤波元件,重点察看滤波电容是否鼓包或损坏,以解除次级电路短路的可能。4、检测汲取回路D5、RH.C9是否正常(

5、断电状况下测试)。5、在确定上述元件正常的状况下,我们可以把开关电源板从变频器上取下单独对其进行加电试验。用调压器缓缓地调至开关电源的额定电压值,此时应能听到变压器起振时的吱吱声,如没有听到起振的声音,用万用表检测UC3844的电源正、负级之间是否有12V16V左右的直流电压。6、在确定UC3844的供电端电压正常后,可用示波器察看一下UC3844的6脚是否有PWM波输出到开关管的触发端(依据电路设计的不同,PwM波的频率一般在20KHZ100KHZ之间)。7、假如没有PwM波输出,则更换定时元件C5、R8、C6或UC3844。经过上述几个步骤的解除,开关电源应当可以正常工作了。在变频器中,开

6、关电源的种类许多,但基本原理都是一样的,比如说每个PWM管理芯片都有供电端、定时元件RC网络、输出PWM波的端口等,只要我们了解了它们的工作原理,依据肯定的方法步骤都能够把故障解除掉。下面就把实际修理中遇到的问题和解决方法列举出来,供大家参考一下。案例1:台达变频器(故障现象:上电无显示)经检测发觉电源主回路、充电电阻、主回路接触器都正常,因此确定为开关电源板故障。依据上述修理步骤对开关电源板进行测量。在进行第一步测量时,发觉直流母线560V到PwM调制芯片之间的的330KQ/2W的降压电阻损坏,标称330KQ/2W的电阻,实际测量值达2MQ以上,因此PWM调制芯片得不到启动的电源,所以无法起

7、振工作。为谨慎起见又检测了开关管、变压器、整流二极管及滤波电容等关键器件,在确定没问题之后上电试验,0K!开关电源起振,输出各组电压正常,装回变频器后开机试验正常,此变频器修复完毕(注:修理人员在修理中,肯定要养成习惯:发觉坏元件后不要急于更换试机,肯定要把功率大的、简单坏的元件都测一下,确定没问题后再试机,这样既平安又保险)。案例2:台安变频器(故障现象:上电无显示)经检测发觉电源主回路、充电电阻、主回路接触器都正常,故障确定在电源板。依据修理步骤对开关电源板进行测量。第一步测量通过,其次步测量时发觉开关管c-e结击穿,将其拆下,然后检测变压器、及整流二极管、滤波电容等关键器件,在确定没问题

8、之后上电试验,输出各组电压正常,装机测试正常,故障解除。案例3:西门子变频器(故障现象:上电无显示)经检测发觉电源主回路、充电电阻、主回路接触器都正常,故障确定在电源板。依据修理步骤对开关电源板进行测量。第一步测量通过,其次步测量通过,第三步测量通过,第四步测量通过,然后单独对电源板加电测量PWM调制芯片的电源端对地有12.5V左右的电压,说明供电正常。用示波器看芯片的PwM输出端,发觉没有PWM调制波形。更换PWM调制芯片后,上电试验正常,故障解除。案例4:施耐德变频器(故障现象:上电无显示)屡烧开关管经检测发觉电源主回路、充电电阻、主回路接触器都正常,故障确定在电源板。依据修理步骤对开关电

9、源板进行测量。第一步测量通过,其次步测量发觉开关管击穿,第三步测量通过,第四步测量通过,更换新的开关管,单独对电源板加电,管子又烧了。把开关管拆下后不装管子,通电试验,测量PWM调制芯片的电源端对地有12V左右的电压,也正常。用示波器看芯片的PwM输出端,发觉PWM波只有5-6KHZ左右,断电后把定时元件拆下测量,发觉定时电阻阻值变大,更换定时电阻、开关管后上电正常,不再烧电源管,故障解除。案例5:伦茨变频器(故障现象:上电无显示)屡烧开关管依据修理步骤对开关电源板进行测量。第一步测量通过,其次步测量时发觉开关管c-e结击穿,第三、四、五、六、七步都测量通过。装上新的开关管上电试验,随着调压器

10、电压的上升,可以听到起振的吱吱声,就是有点响,把电压调到额定电压后测量输出电压低于正常值,不到2分钟,突然闻到一股烧焦的味,保险丝就断了,赶快断电发觉开关管很烫手,测量发觉其已经击穿。拆下开关管通电试验,测量PwM调制芯片的电源端对地有12V左右的电压,用示波器看芯片的PWM输出端,发觉有PWM波输出且频率在30KHZ左右,也正常。因此怀疑刚换的开关管质量不行,又换上一只,上电试验,结果又把管子给烧了,断电后无意之间遇到了汲取回路的元件,发觉烫手,可是在测量的时候正常啊,于是又测一遍,还是正常。干脆把汲取回路先拆了,又换上一只管子通电试验,发觉变压器的吱吱声小了,测量各组输出电压也正常。运行了20分钟开关管也没再烧,断电后触摸开关管微热,属正常起热状态,因此推断故障在汲取回路,更换汲取回路元件,故障解除。有的元件老化后虽然我们在冷态测量是好的,可能加电一起热就不行了。以上是一些修理的小阅历,在此和大家共享。C3P104H11O52O-Z1.100UF/50VBi5-HTTl-Tlzvi5OA

展开阅读全文
相关资源
猜你喜欢
相关搜索

当前位置:首页 > 通信/电子 > 电子电气自动化

copyright@ 2008-2023 1wenmi网站版权所有

经营许可证编号:宁ICP备2022001189号-1

本站为文档C2C交易模式,即用户上传的文档直接被用户下载,本站只是中间服务平台,本站所有文档下载所得的收益归上传人(含作者)所有。第壹文秘仅提供信息存储空间,仅对用户上传内容的表现方式做保护处理,对上载内容本身不做任何修改或编辑。若文档所含内容侵犯了您的版权或隐私,请立即通知第壹文秘网,我们立即给予删除!