39-300MW发电机自并励励磁自动控制系统设计.docx

上传人:p** 文档编号:1014738 上传时间:2024-06-15 格式:DOCX 页数:10 大小:31.05KB
下载 相关 举报
39-300MW发电机自并励励磁自动控制系统设计.docx_第1页
第1页 / 共10页
39-300MW发电机自并励励磁自动控制系统设计.docx_第2页
第2页 / 共10页
39-300MW发电机自并励励磁自动控制系统设计.docx_第3页
第3页 / 共10页
39-300MW发电机自并励励磁自动控制系统设计.docx_第4页
第4页 / 共10页
39-300MW发电机自并励励磁自动控制系统设计.docx_第5页
第5页 / 共10页
39-300MW发电机自并励励磁自动控制系统设计.docx_第6页
第6页 / 共10页
39-300MW发电机自并励励磁自动控制系统设计.docx_第7页
第7页 / 共10页
39-300MW发电机自并励励磁自动控制系统设计.docx_第8页
第8页 / 共10页
39-300MW发电机自并励励磁自动控制系统设计.docx_第9页
第9页 / 共10页
39-300MW发电机自并励励磁自动控制系统设计.docx_第10页
第10页 / 共10页
亲,该文档总共10页,全部预览完了,如果喜欢就下载吧!
资源描述

《39-300MW发电机自并励励磁自动控制系统设计.docx》由会员分享,可在线阅读,更多相关《39-300MW发电机自并励励磁自动控制系统设计.docx(10页珍藏版)》请在第壹文秘上搜索。

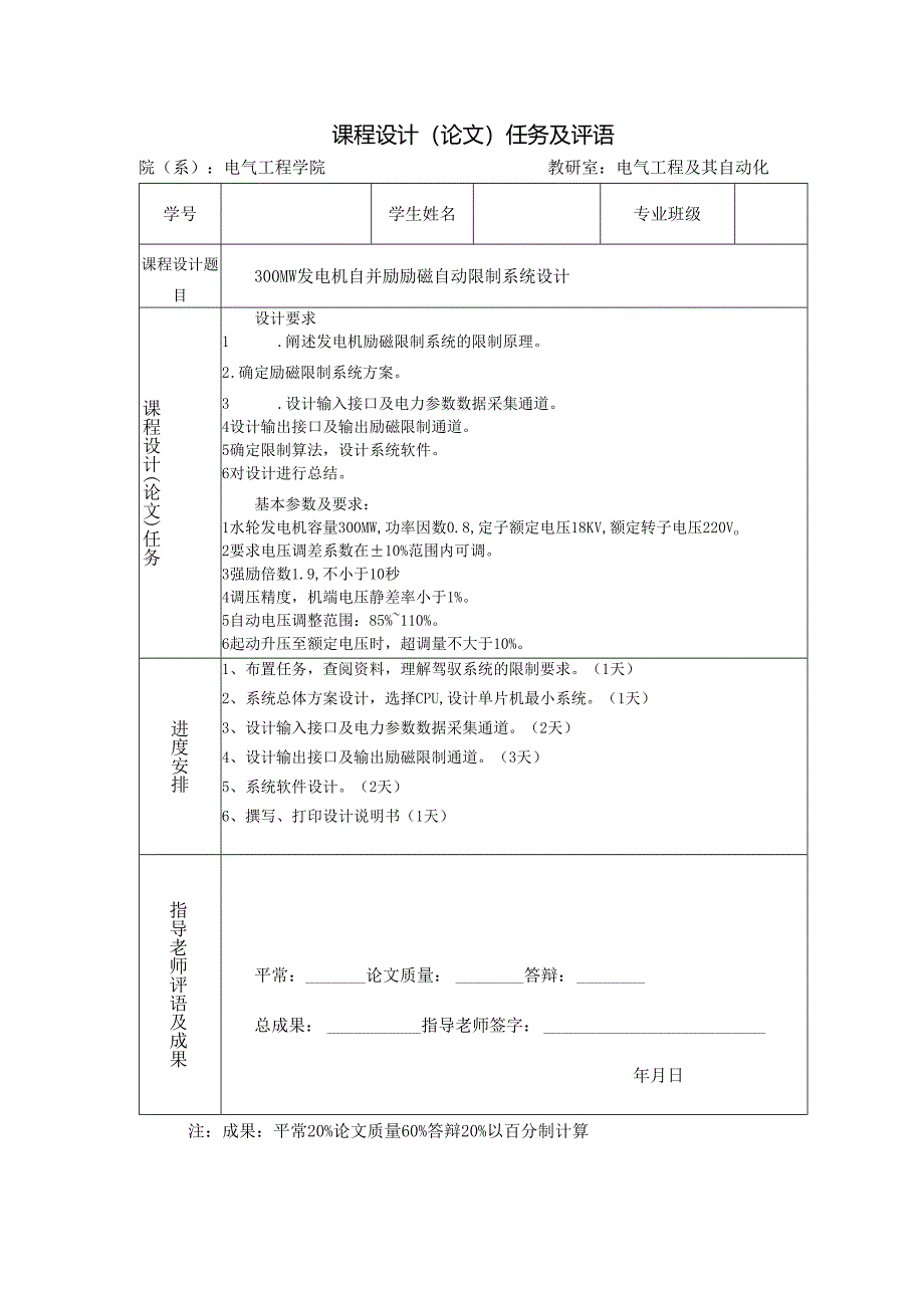
1、辽宁工业大学电力系统自动化课程设计(论文)题目:300MW发电机自并励励磁自动限制系统设计院(系):电气工程学院专业班级:电气10?学号:XXX学生姓名:指导老师:起止时间:2013.12.1612.29课程设计(论文)报告的内容及其文本格式1、课程设计(论文)报告要求用A4纸排版,单面打印,并装订成册,内容包括:封面(包括题目、院系、专业班级、学生学号、学生姓名、指导老师姓名、起止时间等)设计(论文)任务及评语中文摘要(黑体小二,居中,不少于200字)书目正文(设计计算说明书、探讨报告、探讨论文等)参考文献2、课程设计(论文)正文参考字数:2000字周数。3、封面格式4、设计(论文)任务及评

2、语格式5、书目格式标题“书目”(小二号、黑体、居中)6、正文格式页边距:上2.5Cnb下2.5Cnb左3cm,右2.5cm,页眉1.5cm,页脚1.75cm,左侧装订:字体:一级标题,小二号字、黑体、居中;二级,黑体小三、居左;三级标题,黑体四号:正文文字,小四号字、宋体;行距:20磅行距:页码:底部居中,五号、黑体;7、参考文献格式标题:“参考文献”,小二,黑体,居中。示例:(五号宋体)期刊类:序号作者1,作者2,作者n.文章名.期刊名(版本).出版年,卷次(期次):页次.图书类:序号作者1,作者2,作者n.书名.版本.出版地:出版社,出版年:页次.课程设计(论文)任务及评语院(系):电气工

3、程学院教研室:电气工程及其自动化学号学生姓名专业班级课程设计题目300MW发电机自并励励磁自动限制系统设计课程设计(论文)任务设计要求1 .阐述发电机励磁限制系统的限制原理。2 .确定励磁限制系统方案。3 .设计输入接口及电力参数数据采集通道。4设计输出接口及输出励磁限制通道。5确定限制算法,设计系统软件。6对设计进行总结。基本参数及要求:1水轮发电机容量300MW,功率因数0.8,定子额定电压18KV,额定转子电压220Vo2要求电压调差系数在10%范围内可调。3强励倍数1.9,不小于10秒4调压精度,机端电压静差率小于1%。5自动电压调整范围:85%110%。6起动升压至额定电压时,超调量

4、不大于10%。进度安排1、布置任务,查阅资料,理解驾驭系统的限制要求。(1天)2、系统总体方案设计,选择CPU,设计单片机最小系统。(1天)3、设计输入接口及电力参数数据采集通道。(2天)4、设计输出接口及输出励磁限制通道。(3天)5、系统软件设计。(2天)6、撰写、打印设计说明书(1天)指导老师评语及成果平常:论文质量:答辩:总成果:指导老师签字:年月日注:成果:平常20%论文质量60%答辩20%以百分制计算黑体小二,居中摘要也称内容提要,概括探讨题目的主要内容、特点,文字要精练。中文摘要一般不少于200字,外文摘要的内容应与中文摘要相对应。小四黑体h词:关键词h关键词2;关键词3;关键词4

5、留意:关键词不少于2个第1章绪论11.1 励磁限制系统概况11.2 本文主要内容1第2章XXX硬件设计22.1XXX总体设计方案22.2单片机最小系统设计22.3XXX模拟量检测电路设计22.4XXX可控整流电路设计2第3章XXX软件设计33.1软件实现功能综述33. 2流程图设计3主程序流程图设计3模拟量检测流程图设计33. 3程序清单3第4章系统仿真与分析43.1 系统仿真模型建立44. 2xxxx4第5章课程设计总结5参考文献6第1章绪论1.1 励磁限制系统概况结合设计概括发展技术1.2 本文主要内容依据任务书内容进行描述第2章XXX硬件设计1. 1XXX总体设计方案2. 2单片机最小系

6、统设计3. 3XXX模拟量检测电路设计4. 4XXX可控整流电路设计5号黑体下空1行图2.1时钟电路文中图的要求参看图2.1标注第3章Xxx软件设计3.1软件实现功能综述依据设计任务简要说明软件要完成的任务等等3. 2流程图设计3. 2.1主程序流程图设计先阐述主程序要完成的功能,然后画出流程图。3. 2.2模拟量检测流程图设计先阐述要完成的功能,然后画出流程图。5. 3程序清单第4章系统仿真与分析5.1 系统仿真模型建立6. 2xxxx第5章课程设计总结对所设计内容、方法、取得的效果、问题的解决方案等方面作技术方面的总结。留意:假如用到表格,则表内容用五号宋体或更小字号,选定某种样式后,全文应统一。参考文献1商国才.电力系统自动化.天津高校出版社,20002王葵等.电力系统自动化.中国电力出版社,2007.13何仰赞等.电力系统分析.华中科技高校出版社,2002.34于海生.微型计算机限制技术.清华高校出版社,2003.45刘卫国等.MAT1.AB程序设计与应用(第2版).高等教化出版社,200816梅丽凤等.单片机原理及接口技术.清华高校出版社,2009.7留意:中文用小四宋体,英文用小四TimeSNeWROman。参考文献不少于五篇

展开阅读全文
相关资源
猜你喜欢
相关搜索

当前位置:首页 > 论文 > 管理论文

copyright@ 2008-2023 1wenmi网站版权所有

经营许可证编号:宁ICP备2022001189号-1

本站为文档C2C交易模式,即用户上传的文档直接被用户下载,本站只是中间服务平台,本站所有文档下载所得的收益归上传人(含作者)所有。第壹文秘仅提供信息存储空间,仅对用户上传内容的表现方式做保护处理,对上载内容本身不做任何修改或编辑。若文档所含内容侵犯了您的版权或隐私,请立即通知第壹文秘网,我们立即给予删除!